Vous trouverez ici toutes les pièces et dessins disponibles du 'Metabo 0192593441-11 ( PKF255V8WNB-1800 )'. De là, vous pouvez commander directement toutes les pièces souhaitées. De nombreuses pièces doivent être commandées auprès du fabricant, selon la marque, cela prend une à quatre semaines. Toutes les informations dont nous disposons se trouvent sur notre site Web, nous ne pouvons pas vous conseiller sur ce dont vous avez besoin, pour cela vous devrez retourner la machine pour réparation. Veuillez noter ce qui suit lors de la commande:
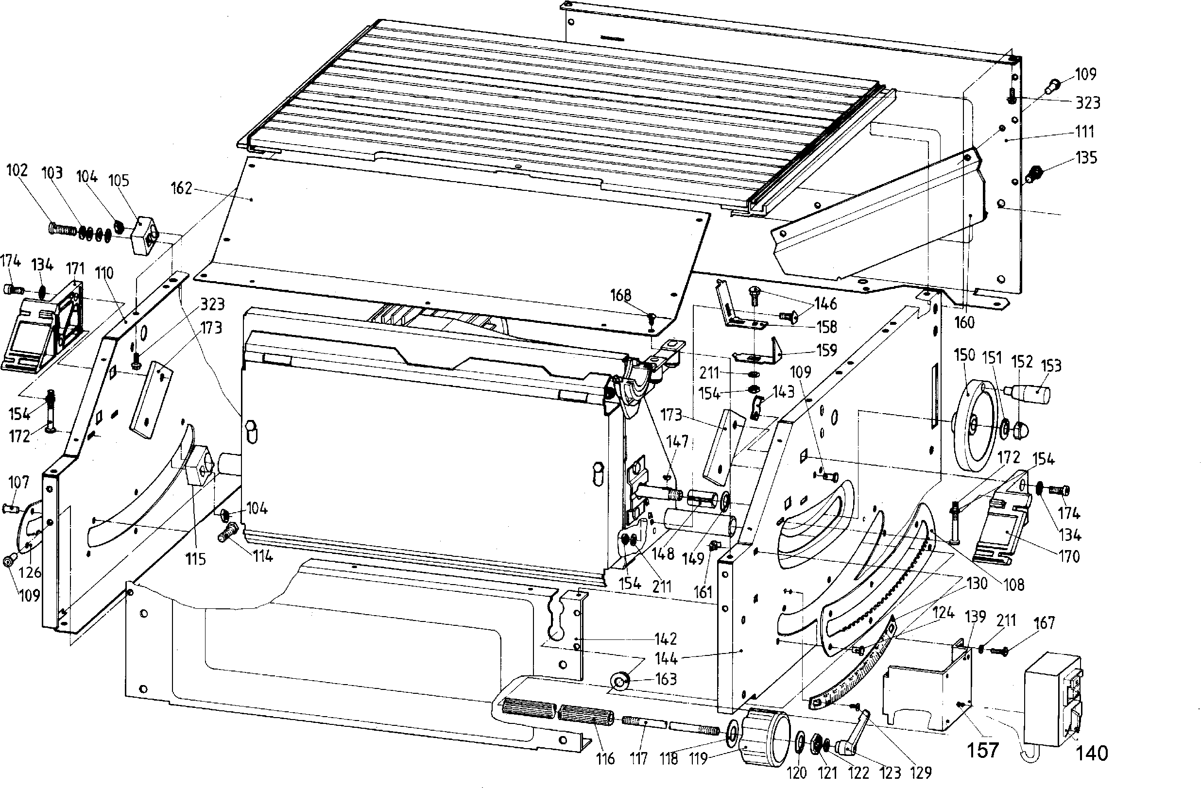
Dessins des Metabo 0192593441-11 ( PKF255V8WNB-1800 )
Liste de pièces de rechange des Metabo 0192593441-11 ( PKF255V8WNB-1800 )
| Pos. | Description | Prix hors TVA | Prix TTC | |
| Les prix affichés incluent la TVA | ||||
| Pas d'informations disponibles, non commandable | ||||
| 1 | 1392207038 | |||
| Pas d'informations disponibles, non commandable | ||||
| 2 | 1392207127 | |||
| Pas d'informations disponibles, non commandable | ||||
| 3 | 1392207020 | |||
| Pièce d'extraction | ||||
| 5 | 1381214121 | 8.89 | 10.67 | |
| Pas d'informations disponibles, non commandable | ||||
| 6 | 1482216753 | |||
| Zeskantschroef | ||||
| 20 | 141113290 | 1.56 | 1.87 | |
| Écrou de bride | ||||
| 21 | 6209114230 | 1.56 | 1.87 | |
| Rondelle de blocage dentée | ||||
| 22 | 141150410 | 1.68 | 2.02 | |
| Pas d'informations disponibles, non commandable | ||||
| 23 | 7057111385 | |||
| Rondelle | ||||
| 24 | 141150050 | 1.56 | 1.87 | |
| Zeskante moer | ||||
| 25 | 141130130 | 1.68 | 2.02 | |
| Boulon à fente avec insertion carrée | ||||
| 26 | 6110000594 | 1.56 | 1.87 | |
| Attache de tuyau RD 90-110 / 12 SKZ | ||||
| 28 | 7811036697 | 3.71 | 4.45 | |
| Pas d'informations disponibles, non commandable | ||||
| 40 | 1010728408 | |||
| TUYAU SPIRAL RD 100X1000 M. PLASTIQUE SP | ||||
| 41 | 7854126290 | 24.23 | 29.08 | |
| POIGNÉE DE GLISSEMENT ROUGE | ||||
| 98 | 1388680470 | 37.65 | 45.18 | |
| Cilinderkopschroef | ||||
| 102 | 141114030 | 1.56 | 1.87 | |
| Ressort conique | ||||
| 103 | 7053016795 | 1.55 | 1.86 | |
| Écrou hexagonal auto-bloquant | ||||
| 104 | 6202002305 | 1.56 | 1.87 | |
| Pas d'informations disponibles, non commandable | ||||
| 105 | 1380207482 | |||
| Pas d'informations disponibles, non commandable | ||||
| 108 | 1492200723 | |||
| RIVET POP 6X8 F TÊTE RONDE PLAT | ||||
| 109 | 6621009530 | 1.56 | 1.87 | |
| Pas d'informations disponibles, non commandable | ||||
| 110 | 1382217051 | |||
| Pas d'informations disponibles, non commandable | ||||
| 111 | 1392200211 | |||
| Zeskante moer | ||||
| 112 | 141131010 | 1.56 | 1.87 | |
| Zeskantschroef | ||||
| 114 | 141113330 | 1.68 | 2.02 | |
| Pas d'informations disponibles, non commandable | ||||
| 115 | 1380207474 | |||
| Pas d'informations disponibles, non commandable | ||||
| 116 | 1393200746 | |||
| Pas d'informations disponibles, non commandable | ||||
| 117 | 1495207516 | |||
| RONDELLE AVANT | ||||
| 118 | 6300087696 | 1.56 | 1.87 | |
| Roue de réglage | ||||
| 119 | 1391200390 | 5.87 | 7.04 | |
| Rondelle | ||||
| 120 | 141156740 | 1.56 | 1.87 | |
| Ecrou hexagonal plat | ||||
| 121 | 6205032396 | 1.56 | 1.87 | |
| Rondelle | ||||
| 122 | 141151340 | 1.56 | 1.87 | |
| Levier de serrage avec filetage intérieur | ||||
| 123 | 7006028653 | 7.22 | 8.66 | |
| RIVET POP | ||||
| 124 | 6621010407 | 1.56 | 1.87 | |
| Pas d'informations disponibles, non commandable | ||||
| 126 | 1482685826 | |||
| Pas d'informations disponibles, non commandable | ||||
| 129 | 6172016683 | |||
| Pas d'informations disponibles, non commandable | ||||
| 130 | 1141200468 | |||
| Disque lamellaire | ||||
| 134 | 6304001745 | 1.56 | 1.87 | |
| Vis hexagonale | ||||
| 135 | 6103001178 | 1.56 | 1.87 | |
| Pas d'informations disponibles, non commandable | ||||
| 139 | 1382217027 | |||
| Pas d'informations disponibles, non commandable | ||||
| 140 | 8132719650 | |||
| Pas d'informations disponibles, non commandable | ||||
| 142 | 1382217043 | |||
| Pas d'informations disponibles, non commandable | ||||
| 143 | 8242680333 | |||
| Pas d'informations disponibles, non commandable | ||||
| 144 | 1382217060 | |||
| Ecrou de sécurité hexagonal | ||||
| 145 | 141130650 | 1.68 | 2.02 | |
| Boulon à fente avec insertion carrée | ||||
| 146 | 6110000594 | 1.56 | 1.87 | |
| Rondelle à ressort | ||||
| 147 | 6720008538 | 1.55 | 1.86 | |
| Pas d'informations disponibles, non commandable | ||||
| 148 | 6442200309 | |||
| Rondelle | ||||
| 149 | 6300019984 | 1.56 | 1.87 | |
| Pas d'informations disponibles, non commandable | ||||
| 150 | 7003087322 | |||
| Rondelle | ||||
| 151 | 6300016705 | 1.56 | 1.87 | |
| Pas d'informations disponibles, non commandable | ||||
| 152 | 6201074264 | |||
| Pas d'informations disponibles, non commandable | ||||
| 153 | 7004076740 | |||
| Zeskante moer | ||||
| 154 | 141130100 | 1.56 | 1.87 | |
| VIS AUTOPERCEUSE M.TÊTE CRUCIFORME ST 3,5X16-C-H V | ||||
| 157 | 6172032905 | 1.56 | 1.87 | |
| Pas d'informations disponibles, non commandable | ||||
| 158 | 1482214718 | |||
| Pas d'informations disponibles, non commandable | ||||
| 159 | 1482214700 | |||
| Pas d'informations disponibles, non commandable | ||||
| 160 | 1382214699 | |||
| Pas d'informations disponibles, non commandable | ||||
| 161 | 6264166657 | |||
| Pas d'informations disponibles, non commandable | ||||
| 162 | 1382217035 | |||
| Pas d'informations disponibles, non commandable | ||||
| 163 | 8240015090 | |||
| Pas d'informations disponibles, non commandable | ||||
| 164 | 1382214737 | |||
| Pas d'informations disponibles, non commandable | ||||
| 165 | 1382214745 | |||
| Plus disponible, pas de remplacement | ||||
| 166 | 6143036802 | |||
| Plus disponible, pas de remplacement | ||||
| 167 | 141110270 | |||
| Vis de positionnement M. Tête cruciforme | ||||
| 168 | 6172015687 | 1.56 | 1.87 | |
| Pas d'informations disponibles, non commandable | ||||
| 170 | 1380214985 | |||
| Plus disponible, pas de remplacement | ||||
| 171 | 1380214977 | |||
| Pas d'informations disponibles, non commandable | ||||
| 172 | 1485221006 | |||
| Pas d'informations disponibles, non commandable | ||||
| 173 | 1482214963 | |||
| Cilinderkopschroef | ||||
| 174 | 141114000 | 1.68 | 2.02 | |
| Pas d'informations disponibles, non commandable | ||||
| 175 | 1485211558 | |||
| Pas d'informations disponibles, non commandable | ||||
| 180 | 1010723589 | |||
| Pas d'informations disponibles, non commandable | ||||
| 181 | 1382723313 | |||
| RONDELLE | ||||
| 199 | 6306028055 | 1.56 | 1.87 | |
| Pas d'informations disponibles, non commandable | ||||
| 200 | 1485211825 | |||
| Pas d'informations disponibles, non commandable | ||||
| 201 | 1485727120 | |||
| Vis de roulement | ||||
| 203 | 1395200611 | 3.02 | 3.62 | |
| Plus disponible, pas de remplacement | ||||
| 204 | 6400087588 | |||
| Pas d'informations disponibles, non commandable | ||||
| 205 | 1392200343 | |||
| Plus disponible, pas de remplacement | ||||
| 206 | 7140006941 | |||
| Pas d'informations disponibles, non commandable | ||||
| 207 | 1392207151 | |||
| Rondelle | ||||
| 208 | 141151940 | 1.56 | 1.87 | |
| Plus disponible, pas de remplacement | ||||
| 209 | 2390200199 | |||
| Vis hexagonale M 10X20 coudé. | ||||
| 210 | 6103005270 | 1.56 | 1.87 | |
| Rondelle de blocage dentée | ||||
| 211 | 141150410 | 1.68 | 2.02 | |
| Plus disponible, pas de remplacement | ||||
| 213 | 2390200202 | |||
| Pas d'informations disponibles, non commandable | ||||
| 214 | 1392200289 | |||
| ROULEMENT À BILLES | ||||
| 215 | 7100136915 | 7.22 | 8.66 | |
| Pas d'informations disponibles, non commandable | ||||
| 216 | 1393207503 | |||
| Vis a six pans | ||||
| 217 | 141116250 | 1.56 | 1.87 | |
| Pas d'informations disponibles, non commandable | ||||
| 218 | 1495024381 | |||
| Pas d'informations disponibles, non commandable | ||||
| 219 | 141162580 | |||
| Arbre de lame de scie RD 57X137 réceptacle | ||||
| 220 | 1385213669 | 100.74 | 120.89 | |
| Pas d'informations disponibles, non commandable | ||||
| 221 | 1390200753 | |||
| Pas d'informations disponibles, non commandable | ||||
| 222 | 7100016812 | |||
| Pas d'informations disponibles, non commandable | ||||
| 223 | 6205052753 | |||
| Pas d'informations disponibles, non commandable | ||||
| 224 | 1395200050 | |||
| Plus disponible, pas de remplacement | ||||
| 225 | 7233087313 | |||
| Pas d'informations disponibles, non commandable | ||||
| 226 | 6401121364 | |||
| ROULEMENT À BILLES | ||||
| 227 | 7100016995 | 11.74 | 14.09 | |
| Vis complet | ||||
| 228 | 316051570 | 3.71 | 4.45 | |
| PLAQUE EXCENTRIQUE | ||||
| 229 | 1392200360 | 5.18 | 6.22 | |
| Pas d'informations disponibles, non commandable | ||||
| 230 | 1485727112 | |||
| DISQUE À RAINURE EN V | ||||
| 231 | 1395200980 | 32.27 | 38.72 | |
| Vis à tête cylindrique | ||||
| 232 | 6121023081 | 1.56 | 1.87 | |
| Clavette | ||||
| 233 | 6721059322 | 1.55 | 1.86 | |
| Pas d'informations disponibles, non commandable | ||||
| 234 | 8012688459 | |||
| Écrou hexagonal | ||||
| 235 | 6200017992 | 1.56 | 1.87 | |
| Plus disponible, pas de remplacement | ||||
| 236 | 1395200271 | |||
| Écrou hexagonal auto-bloquant | ||||
| 237 | 6202024139 | 1.56 | 1.87 | |
| Moer zeskant | ||||
| 238 | 141132030 | 1.56 | 1.87 | |
| Boulon à tête plate | ||||
| 239 | 6110029436 | 1.56 | 1.87 | |
| Pas d'informations disponibles, non commandable | ||||
| 240 | 1010214218 | |||
| Ressort de compression | ||||
| 241 | 7051207240 | 1.55 | 1.86 | |
| Pas d'informations disponibles, non commandable | ||||
| 242 | 1482111056 | |||
| ROND ELLE | ||||
| 243 | 7053075104 | 1.55 | 1.86 | |
| Pas d'informations disponibles, non commandable | ||||
| 244 | 1392200084 | |||
| Boulon à fente avec insertion carrée | ||||
| 245 | 6110000691 | 1.68 | 2.02 | |
| Porte-cales d'espace CS 70 ET-BG | ||||
| 247 | 2380075353 | 10.38 | 12.46 | |
| Couteau à refendre CS 50 EBG | ||||
| 248 | 1392738947 | 53.86 | 64.63 | |
| PLAQUE DE PRESSION BL 2,99X80X60 | ||||
| 249 | 1382213749 | 1.68 | 2.02 | |
| Écrou | ||||
| 250 | 6209002432 | 4.51 | 5.41 | |
| Plus disponible, pas de remplacement | ||||
| 251 | 1382213803 | |||
| Pas d'informations disponibles, non commandable | ||||
| 252 | 1392200386 | |||
| Zeskantschroef | ||||
| 253 | 141113290 | 1.56 | 1.87 | |
| Pas d'informations disponibles, non commandable | ||||
| 254 | 1391200501 | |||
| Rondelle | ||||
| 255 | 141150130 | 1.56 | 1.87 | |
| Pas d'informations disponibles, non commandable | ||||
| 260 | 1495204347 | |||
| ROND ELLE | ||||
| 261 | 7053063343 | 1.55 | 1.86 | |
| Plus disponible, pas de remplacement | ||||
| 262 | 1495204371 | |||
| Pas d'informations disponibles, non commandable | ||||
| 263 | 1485214026 | |||
| Plus disponible, pas de remplacement | ||||
| 264 | 7100063675 | |||
| Circlip | ||||
| 265 | 141181010 | 1.56 | 1.87 | |
| Pas d'informations disponibles, non commandable | ||||
| 266 | 0910052489 | |||
| Pas d'informations disponibles, non commandable | ||||
| 267 | 1495204363 | |||
| Pas d'informations disponibles, non commandable | ||||
| 268 | 1388719547 | |||
| Pas d'informations disponibles, non commandable | ||||
| 269 | 1395204390 | |||
| Pas d'informations disponibles, non commandable | ||||
| 270 | 1495204339 | |||
| Ressort de disque | ||||
| 271 | 141155660 | 1.56 | 1.87 | |
| Pas d'informations disponibles, non commandable | ||||
| 273 | 7233172221 | |||
| Vis a tete fraisee | ||||
| 274 | 141118780 | 1.56 | 1.87 | |
| Pas d'informations disponibles, non commandable | ||||
| 275 | 1485214166 | |||
| Pas d'informations disponibles, non commandable | ||||
| 276 | 1385214150 | |||
| Pas d'informations disponibles, non commandable | ||||
| 277 | 7051214204 | |||
| Vis à tête fraisée | ||||
| 278 | 6132175169 | 1.56 | 1.87 | |
| Pas d'informations disponibles, non commandable | ||||
| 279 | 1482214149 | |||
| Pas d'informations disponibles, non commandable | ||||
| 280 | 8012214260 | |||
| Pas d'informations disponibles, non commandable | ||||
| 281 | 1382214290 | |||
| VIS À TÔLE AVEC CROIX M 4X45 VERZ. | ||||
| 282 | 6123002030 | 1.56 | 1.87 | |
| Zeskantveiligheidsmoer | ||||
| 283 | 141130930 | 1.56 | 1.87 | |
| PALE DE VENTILATEUR AVEC VENTILATEURH TKHS 315 | ||||
| 288 | 1010722000 | 8.89 | 10.67 | |
| Vis hexagonale | ||||
| 289 | 6103001267 | 7.22 | 8.66 | |
| CONDENSATEUR | ||||
| 291 | 8050011810 | 21.64 | 25.97 | |
| Pas d'informations disponibles, non commandable | ||||
| 292 | 1332025186 | |||
| BOÎTE DE SERRAGE COMPLÈTE 2,5 - 3,1 KW D&D | ||||
| 294 | 1010726545 | 13.48 | 16.18 | |
| Pas d'informations disponibles, non commandable | ||||
| 300 | 1383211529 | |||
| Levier de mandrin OSC 18 | ||||
| 301 | 7006072385 | 5.87 | 7.04 | |
| Pas d'informations disponibles, non commandable | ||||
| 302 | 1485723702 | |||
| Pas d'informations disponibles, non commandable | ||||
| 303 | 1383723740 | |||
| Pas d'informations disponibles, non commandable | ||||
| 304 | 1383723430 | |||
| Plus disponible, pas de remplacement | ||||
| 305 | 1383217101 | |||
| Profilé supérieur 700 mm | ||||
| 306 | 1383214447 | 43.15 | 51.78 | |
| Pas d'informations disponibles, non commandable | ||||
| 307 | 1482214548 | |||
| Tige de poussée | ||||
| 308 | 1394201630 | 7.22 | 8.66 | |
| Plus disponible, pas de remplacement | ||||
| 309 | 1380220683 | |||
| Pas d'informations disponibles, non commandable | ||||
| 310 | 1380222031 | |||
| Vis à tête fraisée | ||||
| 311 | 6174155800 | 1.56 | 1.87 | |
| Pas d'informations disponibles, non commandable | ||||
| 312 | 1380211480 | |||
| Pas d'informations disponibles, non commandable | ||||
| 313 | 1383723716 | |||
| BOUGIE RD 15/6X18 | ||||
| 314 | 6442025779 | 1.56 | 1.87 | |
| Pas d'informations disponibles, non commandable | ||||
| 315 | 6150190299 | |||
| Vierkante moer | ||||
| 316 | 141131020 | 1.68 | 2.02 | |
| Pas d'informations disponibles, non commandable | ||||
| 317 | 6131009460 | |||
| BROCHETAP | ||||
| 318 | 6163198736 | 3.71 | 4.45 | |
| Plus disponible, pas de remplacement | ||||
| 319 | 1142217070 | |||
| Plus disponible, pas de remplacement | ||||
| 320 | 1380211498 | |||
| Vis à tête fraisée | ||||
| 321 | 6172091014 | 1.56 | 1.87 | |
| VIS DE PERÇAGE À SIX PANS | ||||
| 323 | 6144063978 | 1.56 | 1.87 | |
| Vis à tête fraisée m. tête cylindrique | ||||
| 339 | 6172001791 | 1.56 | 1.87 | |
| Rondelle | ||||
| 340 | 141150010 | 1.56 | 1.87 | |
| Pas d'informations disponibles, non commandable | ||||
| 350 | 6720151241 | |||
| Pas d'informations disponibles, non commandable | ||||
| 351 | 1010699122 | |||
| Plus disponible, pas de remplacement | ||||
| 352 | 1010698410 | |||
| Plus disponible, pas de remplacement | ||||
| 353 | 1381727099 | |||
| Pas d'informations disponibles, non commandable | ||||
| 354 | 1382727211 | |||
| Pas d'informations disponibles, non commandable | ||||
| 360 | 1010723481 | |||