Vous trouverez ici toutes les pièces et dessins disponibles du 'Bosch 0601300018 ( USW(J)77 )'. De là, vous pouvez commander directement toutes les pièces souhaitées. De nombreuses pièces doivent être commandées auprès du fabricant, selon la marque, cela prend une à quatre semaines. Toutes les informations dont nous disposons se trouvent sur notre site Web, nous ne pouvons pas vous conseiller sur ce dont vous avez besoin, pour cela vous devrez retourner la machine pour réparation. Veuillez noter ce qui suit lors de la commande:
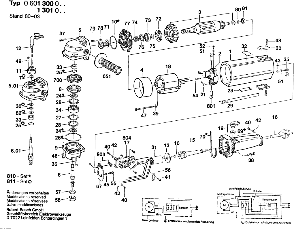
Dessins des Bosch 0601300018 ( USW(J)77 )
Liste de pièces de rechange des Bosch 0601300018 ( USW(J)77 )
| Pos. | Description | Prix hors TVA | Prix TTC | |
| Les prix affichés incluent la TVA | ||||
| Plus disponible, pas de remplacement | ||||
| 1 | 1605108042 | |||
| Porte-Balais | ||||
| 2 | 1604336006 | 15.71 | 18.85 | |
| Plus disponible, pas de remplacement | ||||
| 3 | 1604010037 | |||
| Deflecteur D’air | ||||
| 4 | 1600209002 | 4.58 | 5.50 | |
| Carter D’engrenages | ||||
| 5 | 3605806104 | 130.32 | 156.38 | |
| Broche De Rectifieuse M14x1,5 MM | ||||
| 6 | 1603523032 | 37.50 | 45.00 | |
| Pas d'informations disponibles, non commandable | ||||
| 6/01 | 1603523091 | |||
| Rondelle Cuvette | ||||
| 7 | 1600109002 | 1.18 | 1.42 | |
| Rondelle Elast. Conique | ||||
| 8 | 1600521013 | 7.58 | 9.10 | |
| Flasque De Palier | ||||
| 9 | 3607030375 | 210.30 | 252.36 | |
| Joint torique 45x3MM | ||||
| 10 | 1900210146 | 3.71 | 4.45 | |
| Bride De Raccordement | ||||
| 11 | 1600328012 | 0.83 | 1.00 | |
| Robinet | ||||
| 12 | 1607415002 | 44.82 | 53.78 | |
| Joint | ||||
| 13 | 1600113002 | 1.32 | 1.58 | |
| Poignee BLEU FONCÉ | ||||
| 14 | 3605132048 | 67.98 | 81.58 | |
| Manchon Ø9,2-Ø12x120 MM | ||||
| 15 | 3600703011 | 2.52 | 3.02 | |
| Câble d alimentation EU 4,15m 2 x 1,5mm H07 RN-F | ||||
| 16 | 1607000228 | 22.88 | 27.46 | |
| Plus disponible, pas de remplacement | ||||
| 17 | 1607000034 | |||
| Plus disponible, pas de remplacement | ||||
| 18 | 1604220032 | |||
| Levier De Commande | ||||
| 19 | 1602026030 | 8.48 | 10.18 | |
| Ressort Spiral | ||||
| 21 | 1604652015 | 2.52 | 3.02 | |
| Couvercle BLEU | ||||
| 22 | 3605500057 | 0.83 | 1.00 | |
| Plaque signalétique | ||||
| 23 | 160111A3H3 | 2.18 | 2.62 | |
| Joint | ||||
| 24 | 1600108048 | 1.32 | 1.58 | |
| Anneau élastique Ø22 MM | ||||
| 25 | 2916620011 | 1.32 | 1.58 | |
| Joint torique 66,0x3,0 MM | ||||
| 26 | 1600210005 | 2.52 | 3.02 | |
| Rondelle De Compensation 0,1 MM ÉPAIS | ||||
| 27 | 1600102639 | 1.70 | 2.04 | |
| Rondelle De Compensation 0,15 MM ÉPAIS | ||||
| 27 | 1600102640 | 1.70 | 2.04 | |
| Rondelle De Compensation 0,05 MM ÉPAIS | ||||
| 27 | 1600102638 | 1.18 | 1.42 | |
| Anneau de retenue 47x1,75MM, DIN 472 | ||||
| 28 | 2916660021 | 3.71 | 4.45 | |
| Plaque De Marque | ||||
| 29 | 1601110003 | 1.18 | 1.42 | |
| Roulement A Aiguilles Ø14 MM | ||||
| 33 | 2600910001 | 3.71 | 4.45 | |
| Roulement A Billes Rigide 17x47x14 | ||||
| 34 | 1900900352 | 26.62 | 31.94 | |
| Vis à tête cylindrique DIN 85 AM 4x6-MS | ||||
| 35 | 2910110116 | 1.00 | 1.20 | |
| Vis à tête cylindrique DIN 84-AM5x25-5.8 | ||||
| 36 | 2910011164 | 0.83 | 1.00 | |
| Vis à tête cylindrique AM 5x18 DIN 84-5.8 | ||||
| 37 | 2910011160 | 0.83 | 1.00 | |
| Vis à tête cylindrique DIN 84-AM5x28-8.8 | ||||
| 38 | 2910021165 | 0.83 | 1.00 | |
| Rondelle élastique DIN 128-A5-FST | ||||
| 39 | 2916690004 | 1.32 | 1.58 | |
| Vis à tête cylindrique DIN 84-AM3x8-8.8 | ||||
| 40 | 2910021050 | 1.00 | 1.20 | |
| Vis à tête cylindrique DIN 84-AM4x12-5.8 | ||||
| 41 | 2910011122 | 0.83 | 1.00 | |
| Rondelle Elastique A 3 DIN 137-ST | ||||
| 42 | 2916060003 | 0.83 | 1.00 | |
| Rondelle plate A 4,3 DIN 125-ST | ||||
| 43 | 2916010410 | 0.83 | 1.00 | |
| Rondelle plate DIN 125-A3,2-ST | ||||
| 45 | 2916011006 | 1.32 | 1.58 | |
| Plus disponible, pas de remplacement | ||||
| 46 | 2910011157 | |||
| Vis à tête cylindrique | ||||
| 47 | 1603410008 | 0.83 | 1.00 | |
| Vis à tête cylindrique DIN 84-AM4x15-8.8 | ||||
| 48 | 2910021125 | 1.00 | 1.20 | |
| Vis à tête cylindrique DIN 84-AM4x20-8.8 | ||||
| 49 | 2910021130 | 1.00 | 1.20 | |
| Rondelle Elastique DIN 137-A4 | ||||
| 51 | 1600150006 | 5.33 | 6.40 | |
| Vis à tête cylindrique DIN 84-AM4x10-5.8 | ||||
| 52 | 2910011120 | 1.00 | 1.20 | |
| Vis à Tôle DIN 7971-ST3,9x16-F | ||||
| 54 | 2910211019 | 1.00 | 1.20 | |
| Vis à Tôle DIN 7971-BZ2,9x6,5 | ||||
| 55 | 2910211004 | 1.18 | 1.42 | |
| Collier De Fixation | ||||
| 56 | 1601302013 | 1.32 | 1.58 | |
| Joint torique | ||||
| 57 | 1000202026 | 0.83 | 1.00 | |
| Ecrou Hex DIN 934-M 14-6G | ||||
| 58 | 2915011012 | 3.31 | 3.97 | |
| Rondelle De Feutre | ||||
| 69 | 1600205008 | 1.32 | 1.58 | |
| Cordon D’etancheite | ||||
| 70 | 1601014000 | 2.52 | 3.02 | |
| Disque De Feutre | ||||
| 71 | 1600108018 | 2.18 | 2.62 | |
| Flasque De Palier | ||||
| 72 | 1600501019 | 22.88 | 27.46 | |
| Pas d'informations disponibles, non commandable | ||||
| 73 | 1600900020 | |||
| Bague Filetee | ||||
| 74 | 1603344030 | 61.93 | 74.32 | |
| Rondelle De Compensation 0,3 MM ÉPAIS | ||||
| 75 | 1600101641 | 3.04 | 3.65 | |
| Rondelle De Compensation 0,05 MM ÉPAIS | ||||
| 76 | 1600101650 | 2.18 | 2.62 | |
| Rondelle De Compensation 0,1 MM ÉPAIS | ||||
| 76 | 1600101648 | 1.32 | 1.58 | |
| Flasque De Palier | ||||
| 77 | 3605820064 | 75.38 | 90.46 | |
| Disque De Recouvrement | ||||
| 78 | 1600501024 | 13.90 | 16.68 | |
| Vis à tête fraisée DIN 63-AM4x20-8.8 | ||||
| 79 | 2910511130 | 0.83 | 1.00 | |
| Rondelle De Compensation 0,10 MM ÉPAIS | ||||
| 80 | 1420100023 | 1.18 | 1.42 | |
| Roulement A Billes 7x22x7 | ||||
| 81 | 1900905018 | 15.61 | 18.73 | |
| Pas d'informations disponibles, non commandable | ||||
| 651 | 1602025030 | |||
| Roue Conique Z=54 | ||||
| 700 | 1606333082 | 126.98 | 152.38 | |
| Plus disponible, pas de remplacement | ||||
| 801 | 1607014102 | |||
| Joint-Plaque | ||||
| 803 | 1602388007 | 10.68 | 12.82 | |
| Pas d'informations disponibles, non commandable | ||||
| 810 | 1607000058 | |||
| Pas d'informations disponibles, non commandable | ||||
| 811 | 1607000044 | |||