Vous trouverez ici toutes les pièces et dessins disponibles du 'Milwaukee 4000419018 ( HD28CS-0 )'. De là, vous pouvez commander directement toutes les pièces souhaitées. De nombreuses pièces doivent être commandées auprès du fabricant, selon la marque, cela prend une à quatre semaines. Toutes les informations dont nous disposons se trouvent sur notre site Web, nous ne pouvons pas vous conseiller sur ce dont vous avez besoin, pour cela vous devrez retourner la machine pour réparation. Veuillez noter ce qui suit lors de la commande:
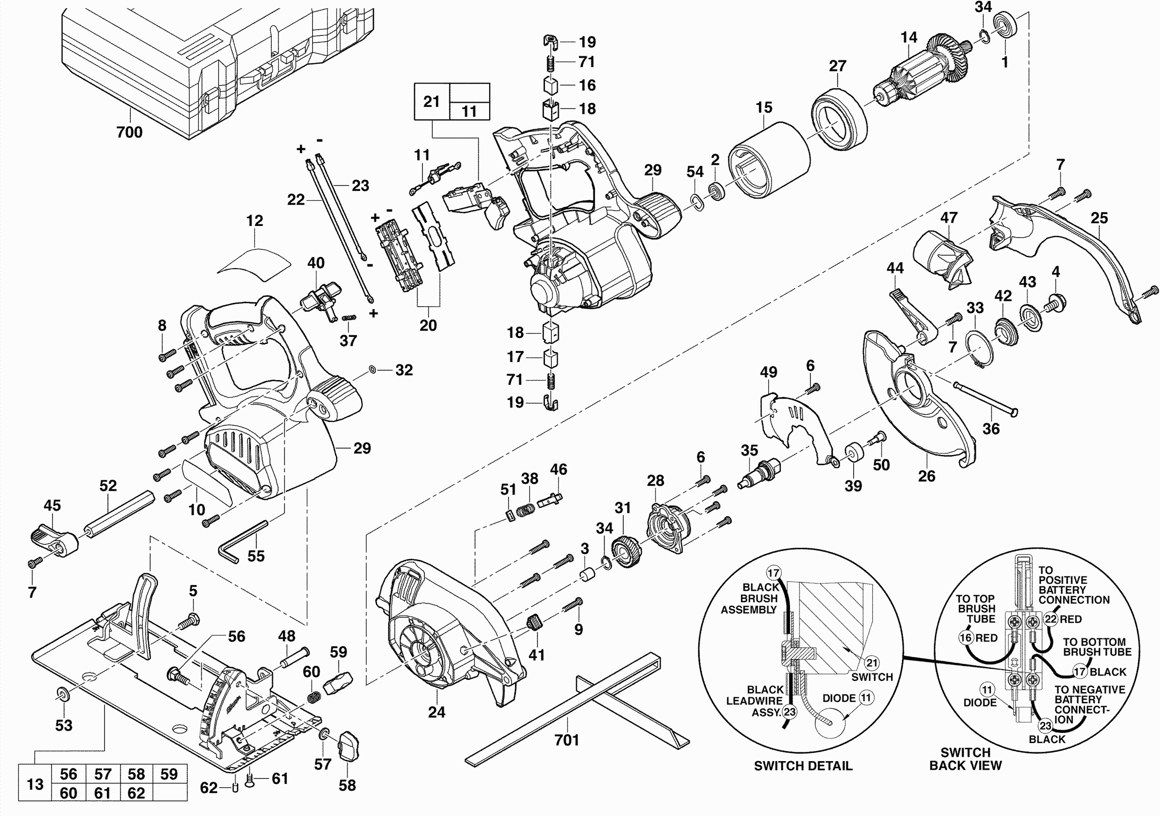
Dessins des Milwaukee 4000419018 ( HD28CS-0 )
Liste de pièces de rechange des Milwaukee 4000419018 ( HD28CS-0 )
| Pos. | Description | Prix hors TVA | Prix TTC | |
| Les prix affichés incluent la TVA | ||||
| BATTERIE V28B LI-ION P1 MET | ||||
| 0001 | 4932352732 | 324.50 | 389.40 | |
| ROULEMENT À BILLES | ||||
| 0001 | 02041212 | 16.43 | 19.72 | |
| ROULEMENT A BILLES | ||||
| 0001 | 2041212 | 5.00 | 6.00 | |
| ROULEMENT À BILLES | ||||
| 0002 | 02045130 | 18.07 | 21.68 | |
| ROULEMENT A BILLES | ||||
| 0002 | 2045130 | 5.00 | 6.00 | |
| ROULEMENT À AIGUILLES | ||||
| 0003 | 02501640 | 16.43 | 19.72 | |
| ROULEMENT | ||||
| 0003 | 2501640 | 5.00 | 6.00 | |
| VIS | ||||
| 0004 | 06751010 | 4.32 | 5.18 | |
| Vis | ||||
| 0005 | 06755860 | 4.32 | 5.18 | |
| Vis | ||||
| 0006 | 06825285 | 3.60 | 4.32 | |
| VIS (4 avait besoin) | ||||
| 0006 | 6825285 | 1.00 | 1.20 | |
| VIS TORX (2 nécessaires) | ||||
| 0007 | 06825314 | 3.60 | 4.32 | |
| VIS TORX SCREW (4 avait besoin) | ||||
| 0007 | 6825314 | 1.00 | 1.20 | |
| Vis | ||||
| 0008 | 06827470 | 6.22 | 7.46 | |
| PLASTITE TORX SCREW T15 (13 avait besoin) | ||||
| 0008 | 6827470 | 1.00 | 1.20 | |
| Vis | ||||
| 0009 | 06827475 | 5.18 | 6.22 | |
| PLASTITE TORX SCREW T15 | ||||
| 0009 | 6827475 | 1.00 | 1.20 | |
| ETIQUETTE ADHESIVE | ||||
| 0010 | 940064035 | 1.90 | 2.28 | |
| RESISTANCE | ||||
| 0011 | 22740510 | 3.78 | 4.54 | |
| PLAQUE DU CONSTRUC. | ||||
| 0012 | 12201480 | 1.90 | 2.28 | |
| PLAQUE DE BASE | ||||
| 0013 | 14740315 | 49.10 | 58.92 | |
| INDUIT | ||||
| 0014 | 4931453367 | 96.62 | 115.94 | |
| INDUIT | ||||
| 0015 | 4931453367 | 96.62 | 115.94 | |
| BALAI CHARBON | ||||
| 0016 | 22181240 | 10.80 | 12.96 | |
| BALAI CHARBON | ||||
| 0017 | 22181245 | 10.80 | 12.96 | |
| PORTE-BALAIS | ||||
| 0018 | 22200425 | 1.90 | 2.28 | |
| RESSORT DE CHARBON | ||||
| 0019 | 22320420 | 5.40 | 6.48 | |
| PIECE DE JOINT | ||||
| 0020 | 22560975 | 11.69 | 14.03 | |
| INTERRUPTEUR ON-OFF | ||||
| 0021 | 270017215 | 33.26 | 39.91 | |
| CABLE | ||||
| 0022 | 23944290 | 17.42 | 20.90 | |
| CABLE | ||||
| 0023 | 23944295 | 5.40 | 6.48 | |
| CARTER D'ENGRENAGES | ||||
| 0024 | 641187006 | 41.18 | 49.42 | |
| Plus disponible, pas de remplacement | ||||
| 0025 | 28201360 | |||
| Plus disponible, pas de remplacement | ||||
| 0026 | 641189006 | |||
| BAGUE DE DÉFLECTEUR D'AIR | ||||
| 0027 | 31050350 | 5.40 | 6.48 | |
| Plus disponible, pas de remplacement | ||||
| 0028 | 31150601 | |||
| Plus disponible, pas de remplacement | ||||
| 0029 | 201415001 | |||
| ROUE DENTEE | ||||
| 0031 | 32751310 | 23.76 | 28.51 | |
| RONDELLE ELASTIQUE | ||||
| 0032 | 34404480 | 1.90 | 2.28 | |
| ANNEAU DE SERRAGE | ||||
| 0033 | 34600860 | 1.90 | 2.28 | |
| RONDELLE | ||||
| 0034 | 34600920 | 5.40 | 6.48 | |
| BROCHE | ||||
| 0035 | 38501160 | 12.60 | 15.12 | |
| RESSORT | ||||
| 0036 | 40500045 | 1.80 | 2.16 | |
| RESSORT | ||||
| 0037 | 40500350 | 1.80 | 2.16 | |
| RESSORT DE PRESSION | ||||
| 0038 | 40508040 | 4.49 | 5.39 | |
| CARTER PROTECTION | ||||
| 0039 | 42380222 | 1.90 | 2.28 | |
| INTERRUPTEUR | ||||
| 0040 | 42421020 | 1.80 | 2.16 | |
| LOQUET | ||||
| 0041 | 42421030 | 5.68 | 6.82 | |
| BRIDE | ||||
| 0042 | 43340790 | 2.71 | 3.25 | |
| BRIDE | ||||
| 0043 | 43340795 | 5.40 | 6.48 | |
| AXE DE BLOCAGE | ||||
| 0046 | 44200650 | 1.90 | 2.28 | |
| JOINT ETANCHE POUSS | ||||
| 0047 | 31760100 | 5.40 | 6.48 | |
| GOUPILLE | ||||
| 0048 | 44600740 | 1.80 | 2.16 | |
| ETRIER DE RETENUE | ||||
| 0049 | 44660560 | 5.40 | 6.48 | |
| Plus disponible, pas de remplacement | ||||
| 0050 | 45040485 | |||
| JOINT EN FEUTRE | ||||
| 0051 | 45060720 | 5.40 | 6.48 | |
| ARBRE | ||||
| 0052 | 45080395 | 3.60 | 4.32 | |
| Plus disponible, pas de remplacement | ||||
| 0053 | 45881545 | |||
| RONDELLE | ||||
| 0054 | 45885615 | 1.80 | 2.16 | |
| Inbussleutel zeskant 3/16 | ||||
| 0055 | 49960080 | 4.20 | 5.04 | |
| RONDELLE | ||||
| 0057 | 45881560 | 1.80 | 2.16 | |
| BOUTON | ||||
| 0058 | 43980730 | 5.40 | 6.48 | |
| BOUTON | ||||
| 0059 | 43980720 | 1.80 | 2.16 | |
| RESSORT | ||||
| 0060 | 40500650 | 1.80 | 2.16 | |
| RESSORT | ||||
| 0071 | 200550005 | 3.60 | 4.32 | |
| COFFRET D.TRANSPORT | ||||
| 0700 | 48551490 | 55.44 | 66.53 | |
| COFFRET D.TRANSPORT | ||||
| 0700 | 201552002 | 40.52 | 48.62 | |
| EQUERRE BUTEE | ||||
| 0701 | 301768001 | 14.40 | 17.28 | |