Vous trouverez ici toutes les pièces et dessins disponibles du 'Milwaukee 4000432487 ( AP12E )'. De là, vous pouvez commander directement toutes les pièces souhaitées. De nombreuses pièces doivent être commandées auprès du fabricant, selon la marque, cela prend une à quatre semaines. Toutes les informations dont nous disposons se trouvent sur notre site Web, nous ne pouvons pas vous conseiller sur ce dont vous avez besoin, pour cela vous devrez retourner la machine pour réparation. Veuillez noter ce qui suit lors de la commande:
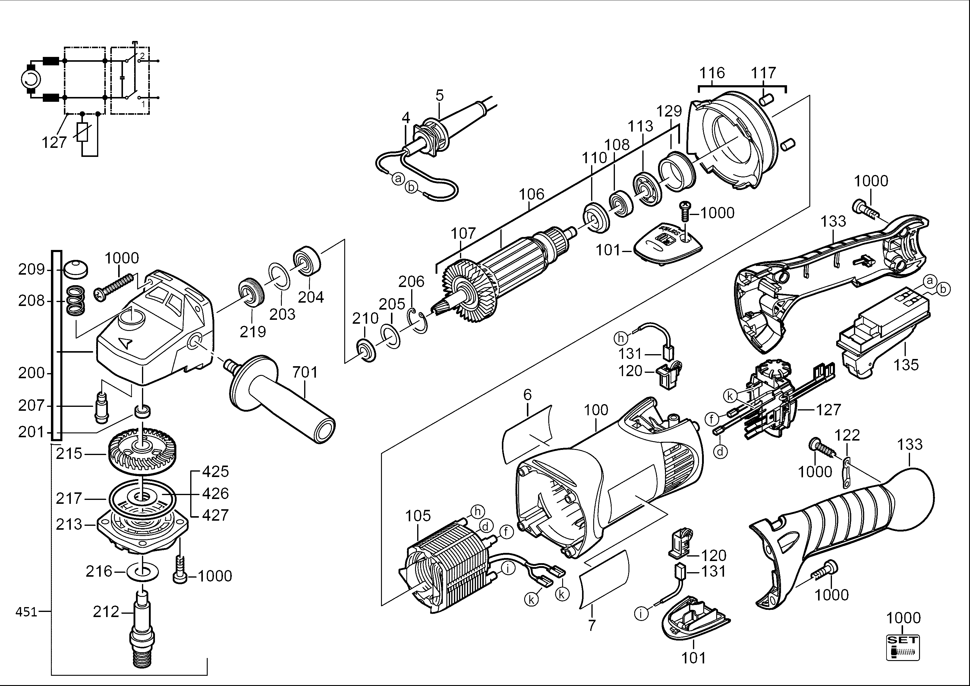
Dessins des Milwaukee 4000432487 ( AP12E )
Liste de pièces de rechange des Milwaukee 4000432487 ( AP12E )
| Pos. | Description | Prix hors TVA | Prix TTC | |
| Les prix affichés incluent la TVA | ||||
| CABLE D'ALIMENTATI. | ||||
| 0004 | 4931624510 | 17.42 | 20.90 | |
| GAINE DE CABLES | ||||
| 0005 | 4931409552 | 5.40 | 6.48 | |
| Pas d'informations disponibles, non commandable | ||||
| 0006 | 4931449084 | |||
| PLAQUE DE TYPE | ||||
| 0007 | 4931378806 | 5.40 | 6.48 | |
| CARTER MOTEUR | ||||
| 0100 | 4931378768 | 10.80 | 12.96 | |
| COUVERCLE | ||||
| 0101 | 4931378566 | 5.40 | 6.48 | |
| CHAMP ELECTRIQUE | ||||
| 0105 | 4931426582 | 59.70 | 71.64 | |
| INDUCTEUR | ||||
| 0105 | 4931442728 | 50.05 | 60.06 | |
| Plus disponible, pas de remplacement | ||||
| 0106 | 4931442755 | |||
| DEFLECTEUR | ||||
| 0116 | 4931378135 | 5.40 | 6.48 | |
| MANCHE | ||||
| 0117 | 4931409768 | 5.40 | 6.48 | |
| PORTE-BALAIS (2 avait besoin) | ||||
| 0120 | 4931382268 | 5.40 | 6.48 | |
| BRIDE | ||||
| 0122 | 4931256500 | 5.40 | 6.48 | |
| Pas d'informations disponibles, non commandable | ||||
| 0127 | 4931455153 | |||
| COUSSINET | ||||
| 0129 | 4931326953 | 5.40 | 6.48 | |
| SET DE CHARBONS | ||||
| 0131 | 4931381391 | 14.40 | 17.28 | |
| POIGNEE | ||||
| 0133 | 4931378765 | 9.00 | 10.80 | |
| INTERRUPTEUR | ||||
| 0135 | 4931378983 | 17.42 | 20.90 | |
| CARTER D'ENGRENAGE | ||||
| 0200 | 4931412273 | 30.10 | 36.12 | |
| DOUILLE | ||||
| 0201 | 4931912093 | 5.40 | 6.48 | |
| RONDELLE | ||||
| 0203 | 4931362085 | 1.80 | 2.16 | |
| ROULEMENT A BILLES | ||||
| 0204 | 4931368037 | 5.40 | 6.48 | |
| DISQUE | ||||
| 0205 | 4931622761 | 5.40 | 6.48 | |
| CIRCLIP | ||||
| 0206 | 4931616614 | 5.40 | 6.48 | |
| BOULON D'ARRET | ||||
| 0207 | 4931326929 | 5.40 | 6.48 | |
| RESSORT DE PRESSION | ||||
| 0208 | 4931326942 | 5.40 | 6.48 | |
| LOQUET | ||||
| 0209 | 4931326930 | 5.40 | 6.48 | |
| RONDELLE | ||||
| 0210 | 4931624287 | 1.80 | 2.16 | |
| BROCHE | ||||
| 0212 | 4931409808 | 9.00 | 10.80 | |
| PLAQUE DE ROULEMENT | ||||
| 0213 | 4931378310 | 9.00 | 10.80 | |
| Plus disponible, pas de remplacement | ||||
| 0215 | 4931432141 | |||
| DISQUE | ||||
| 0216 | 4931623480 | 5.40 | 6.48 | |
| GARNITURE | ||||
| 0217 | 4931623590 | 5.40 | 6.48 | |
| DISQUE RETENU GRAIS | ||||
| 0219 | 4931378280 | 5.40 | 6.48 | |
| DISQUE | ||||
| 0425 | 4931808473 | 5.40 | 6.48 | |
| DISQUE | ||||
| 0426 | 4931925940 | 5.40 | 6.48 | |
| DISQUE | ||||
| 0427 | 4931624256 | 5.40 | 6.48 | |
| JEU REPARATION | ||||
| 0430 | 4931432441 | 140.98 | 169.18 | |
| JEU REPARATION | ||||
| 0440 | 4931432442 | 126.72 | 152.06 | |
| JEU REPARATION | ||||
| 0445 | 4931463376 | 93.46 | 112.15 | |
| BROCHE PORTE-MEULE | ||||
| 0451 | 4931432462 | 55.44 | 66.53 | |
| POIGNEE | ||||
| 0701 | 4931369805 | 4.49 | 5.39 | |
| JEU DE VIS | ||||
| 1000 | 4931378570 | 15.84 | 19.01 | |