Vous trouverez ici toutes les pièces et dessins disponibles du 'Milwaukee 4000428066 ( AG12-115X )'. De là, vous pouvez commander directement toutes les pièces souhaitées. De nombreuses pièces doivent être commandées auprès du fabricant, selon la marque, cela prend une à quatre semaines. Toutes les informations dont nous disposons se trouvent sur notre site Web, nous ne pouvons pas vous conseiller sur ce dont vous avez besoin, pour cela vous devrez retourner la machine pour réparation. Veuillez noter ce qui suit lors de la commande:
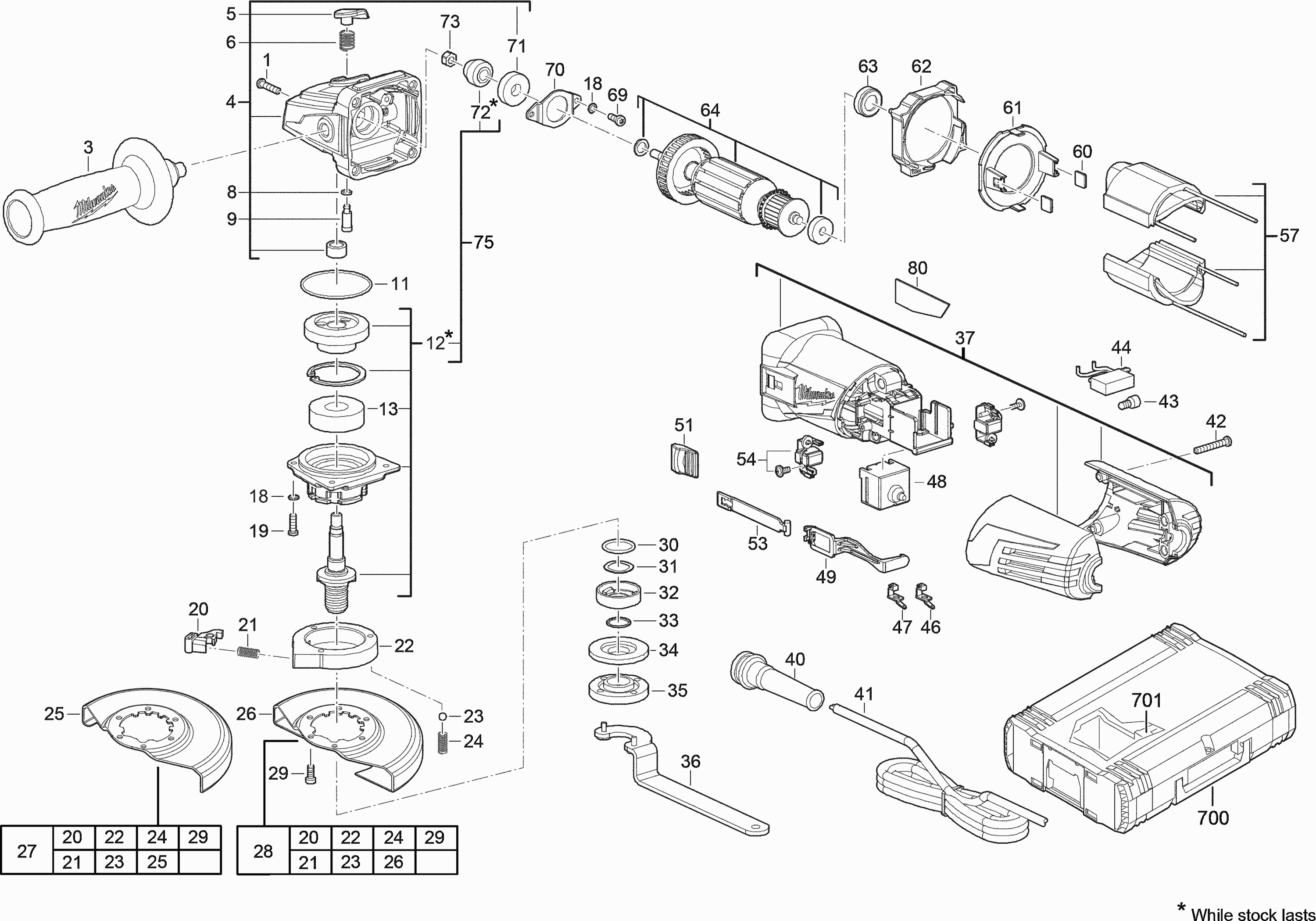
Dessins des Milwaukee 4000428066 ( AG12-115X )
Liste de pièces de rechange des Milwaukee 4000428066 ( AG12-115X )
| Pos. | Description | Prix hors TVA | Prix TTC | |
| Les prix affichés incluent la TVA | ||||
| VIS | ||||
| 0001 | 4931435000 | 1.80 | 2.16 | |
| POIGNEE AUXILIAIRE | ||||
| 0003 | 4931435001 | 10.80 | 12.96 | |
| CARTER D'ENGRENAGE | ||||
| 0004 | 4931435003 | 42.77 | 51.32 | |
| TRINGLE | ||||
| 0005 | 4931435004 | 5.40 | 6.48 | |
| RESSORT | ||||
| 0006 | 4931435005 | 5.40 | 6.48 | |
| JOINT THORIQUE | ||||
| 0008 | 4931435006 | 1.80 | 2.16 | |
| BOULON D'ARRET | ||||
| 0009 | 4931435007 | 5.40 | 6.48 | |
| RONDELLE ELASTIQUE | ||||
| 0011 | 570699002 | 1.80 | 2.16 | |
| KIT DE BROCHE | ||||
| 0012 | 4931447087 | 72.86 | 87.43 | |
| ROULEMENT A BILLES | ||||
| 0013 | 4931446467 | 4.42 | 5.30 | |
| CIRCLIP INTERIEUR (4 avait besoin) | ||||
| 0018 | 680866003 | 1.90 | 2.28 | |
| VIS (6 avait besoin) | ||||
| 0019 | 660414013 | 1.90 | 2.28 | |
| LEVIER | ||||
| 0020 | 4931435009 | 5.40 | 6.48 | |
| RESSORT | ||||
| 0021 | 4931435010 | 5.40 | 6.48 | |
| Plus disponible, pas de remplacement | ||||
| 0022 | 4931435011 | |||
| BILLE | ||||
| 0023 | 5131001020 | 1.00 | 1.20 | |
| RESSORT (2 avait besoin) | ||||
| 0024 | 4931435012 | 4.49 | 5.39 | |
| CAPOT PROTECTEUR | ||||
| 0025 | 4931435013 | 9.00 | 10.80 | |
| CAPOT PROTECTEUR | ||||
| 0026 | 4931452114 | 23.76 | 28.51 | |
| CAPOT PROTECTEUR | ||||
| 0027 | 4931452110 | 14.40 | 17.28 | |
| CAPOT PROTECTEUR | ||||
| 0028 | 4931452113 | 30.10 | 36.12 | |
| VIS (5 avait besoin) | ||||
| 0029 | 4931435015 | 1.80 | 2.16 | |
| JOINT THORIQUE | ||||
| 0030 | 4931435016 | 1.80 | 2.16 | |
| RONDELLE ELASTIQUE | ||||
| 0031 | 4931435017 | 1.90 | 2.28 | |
| BRIDE | ||||
| 0032 | 4931435018 | 9.00 | 10.80 | |
| CLIPS DE RETENUE | ||||
| 0033 | 4931435019 | 5.40 | 6.48 | |
| BRIDE | ||||
| 0034 | 4931435020 | 9.91 | 11.89 | |
| ECROU DE BRIDE | ||||
| 0035 | 4931441309 | 5.68 | 6.82 | |
| CLE M14 | ||||
| 0036 | 632145002 | 5.40 | 6.48 | |
| CARTER | ||||
| 0037 | 4931448708 | 23.76 | 28.51 | |
| BRIDE | ||||
| 0040 | 4931435022 | 5.40 | 6.48 | |
| CABLE D'ALIMENTATI. | ||||
| 0041 | 4931435052 | 53.86 | 64.63 | |
| VIS | ||||
| 0042 | 4931435023 | 1.90 | 2.28 | |
| PIECE DE JOINT | ||||
| 0043 | 790009001 | 4.49 | 5.39 | |
| Plus disponible, pas de remplacement | ||||
| 0044 | 4931435024 | |||
| Plus disponible, pas de remplacement | ||||
| 0046 | 4931435026 | |||
| Plus disponible, pas de remplacement | ||||
| 0047 | 4931435027 | |||
| INTERRUPTEUR | ||||
| 0048 | 4931441014 | 9.00 | 10.80 | |
| COULISSEAU | ||||
| 0049 | 4931435028 | 1.80 | 2.16 | |
| BOUTON DE COMMANDE | ||||
| 0051 | 4931435029 | 5.68 | 6.82 | |
| COULISSEAU | ||||
| 0053 | 4931435030 | 5.40 | 6.48 | |
| SET DE CHARBONS (2 avait besoin) | ||||
| 0054 | 4931435055 | 10.80 | 12.96 | |
| Plus disponible, pas de remplacement | ||||
| 0057 | 4931435056 | |||
| BLOC | ||||
| 0060 | 4931435034 | 5.40 | 6.48 | |
| PIED | ||||
| 0061 | 4931435035 | 1.80 | 2.16 | |
| DEFLECTEUR | ||||
| 0062 | 4931453673 | 1.90 | 2.28 | |
| DOUILLE EN CAOUTCH. | ||||
| 0063 | 4931435037 | 1.90 | 2.28 | |
| INDUIT COMPLET | ||||
| 0064 | 4931435057 | 49.10 | 58.92 | |
| Plus disponible, pas de remplacement | ||||
| 0069 | 660400005 | |||
| Plus disponible, pas de remplacement | ||||
| 0070 | 4931435039 | |||
| ROULEMENT A BILLES | ||||
| 0071 | 681337001 | 9.00 | 10.80 | |
| ECROU | ||||
| 0073 | 671686001 | 4.49 | 5.39 | |
| KIT DE BROCHE | ||||
| 0075 | 4931447087 | 72.86 | 87.43 | |
| PLAQUE SIGNALETIQUE | ||||
| 0080 | 4931435059 | 1.90 | 2.28 | |
| HD Box Transportkoffer Milwaukee (maat 1) | ||||
| 0700 | 4932378986 | 47.85 | 57.42 | |
| TOLE | ||||
| 0701 | 900001023 | 10.80 | 12.96 | |