Vous trouverez ici toutes les pièces et dessins disponibles du 'Metabo 00601000 ( SBE601 )'. De là, vous pouvez commander directement toutes les pièces souhaitées. De nombreuses pièces doivent être commandées auprès du fabricant, selon la marque, cela prend une à quatre semaines. Toutes les informations dont nous disposons se trouvent sur notre site Web, nous ne pouvons pas vous conseiller sur ce dont vous avez besoin, pour cela vous devrez retourner la machine pour réparation. Veuillez noter ce qui suit lors de la commande:
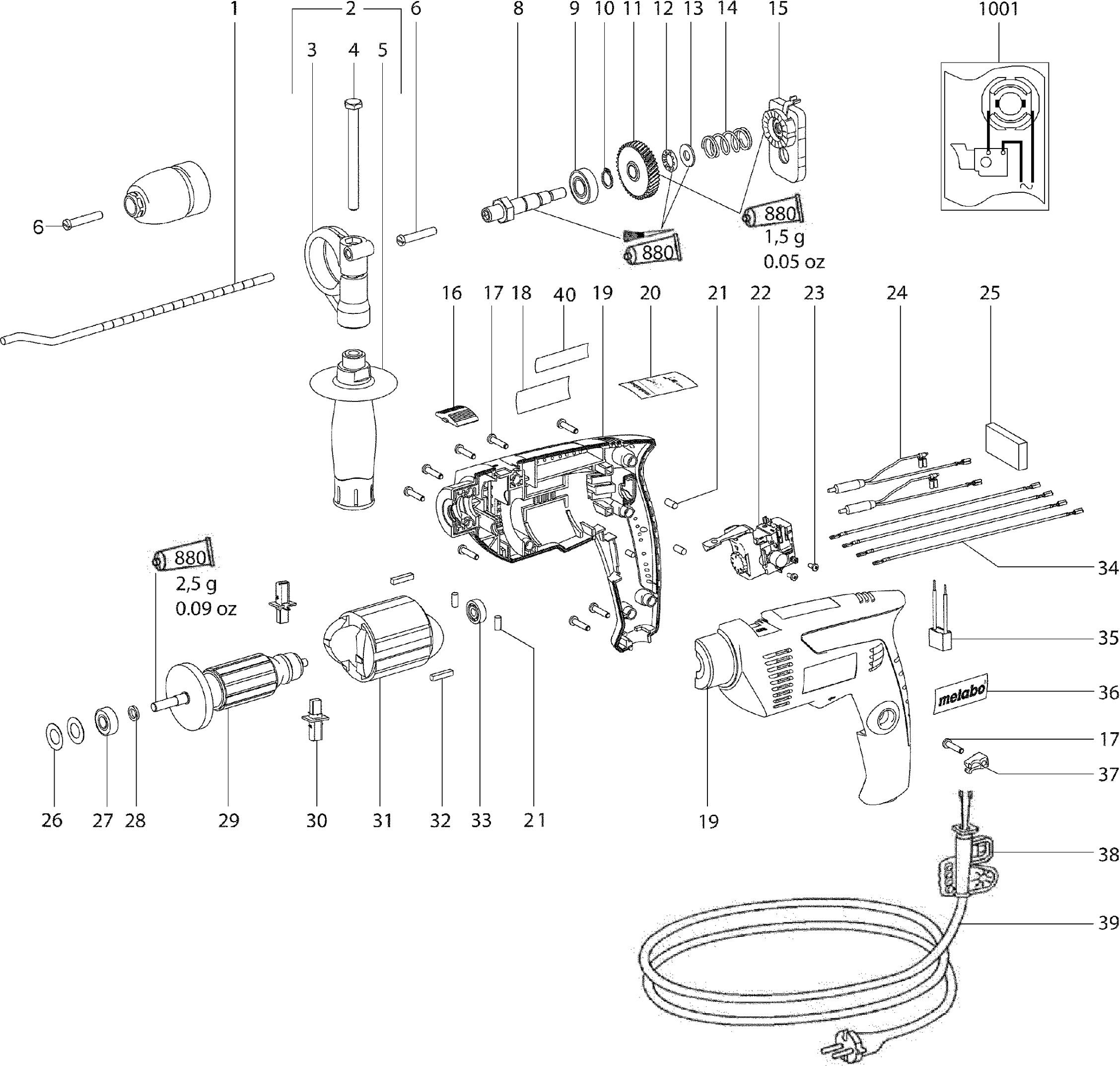
Dessins des Metabo 00601000 ( SBE601 )
Liste de pièces de rechange des Metabo 00601000 ( SBE601 )
| Pos. | Description | Prix hors TVA | Prix TTC | |
| Les prix affichés incluent la TVA | ||||
| Dieptegeleider | ||||
| 1 | 341511630 | 4.51 | 5.41 | |
| Handgreep compl. | ||||
| 2 | 314000840 | 8.89 | 10.67 | |
| Tendeur | ||||
| 3 | 343359780 | 5.18 | 6.22 | |
| Zeskantschroef | ||||
| 4 | 141116160 | 1.68 | 2.02 | |
| Poignee Supplementaire | ||||
| 5 | 314001280 | 8.89 | 10.67 | |
| Poignée | ||||
| 5 | 314000550 | 5.87 | 7.04 | |
| Cilinderkopschroef | ||||
| 6 | 341701940 | 1.68 | 2.02 | |
| Broche de percage | ||||
| 8 | 341603980 | 10.38 | 12.46 | |
| Kogellager 12x28x 8 | ||||
| 9 | 143115640 | 2.28 | 2.74 | |
| Circlip | ||||
| 10 | 141180060 | 1.56 | 1.87 | |
| Roue droite | ||||
| 11 | 341054650 | 13.48 | 16.18 | |
| Kogelhouder | ||||
| 12 | 320050260 | 3.71 | 4.45 | |
| Rondelle | ||||
| 13 | 339005870 | 1.56 | 1.87 | |
| Ressort de pression | ||||
| 14 | 342021560 | 1.56 | 1.87 | |
| Tandwielflens compl. | ||||
| 15 | 316025220 | 21.64 | 25.97 | |
| Schakelschuif | ||||
| 16 | 343370760 | 1.68 | 2.02 | |
| Vis tole avec tete bombee | ||||
| 17 | 141116020 | 1.68 | 2.02 | |
| Pas d'informations disponibles, non commandable | ||||
| 18 | 338059430 | |||
| Boîtier avec couvercle avec caoutchouc | ||||
| 19 | 343393420 | 21.64 | 25.97 | |
| Aanduidingsplaatje | ||||
| 20 | 338124000 | 1.56 | 1.87 | |
| Rubber stop | ||||
| 21 | 344092220 | 1.56 | 1.87 | |
| Elektro.schakelaar,rot | ||||
| 22 | 343410210 | 13.48 | 16.18 | |
| Vis a tete bombee | ||||
| 23 | 141116970 | 1.68 | 2.02 | |
| Verbindingsdraad compl. | ||||
| 24 | 344493250 | 5.87 | 7.04 | |
| Inleg licht ontvlambaar | ||||
| 25 | 344103000 | 1.56 | 1.87 | |
| Ressort conique | ||||
| 26 | 141150590 | 1.56 | 1.87 | |
| Roulement à billes 8x22x7 | ||||
| 27 | 143115050 | 5.87 | 7.04 | |
| Rondelle | ||||
| 28 | 341055170 | 1.68 | 2.02 | |
| Anker compl. | ||||
| 29 | 310009250 | 67.33 | 80.80 | |
| Koolborstel set | ||||
| 30 | 316033870 | 12.23 | 14.68 | |
| Champ | ||||
| 31 | 311010910 | 37.65 | 45.18 | |
| Rubber stop | ||||
| 32 | 344093350 | 1.56 | 1.87 | |
| Kogellager 6x19x 6 | ||||
| 33 | 143115660 | 2.28 | 2.74 | |
| Set de fils de connexion | ||||
| 34 | 344493140 | 4.51 | 5.41 | |
| Pas d'informations disponibles, non commandable | ||||
| 35 | 343254010 | |||
| Plus disponible, pas de remplacement | ||||
| 36 | 338122160 | |||
| Collier de cable | ||||
| 37 | 343362490 | 1.68 | 2.02 | |
| Kabeldoorvoer | ||||
| 38 | 344100590 | 2.28 | 2.74 | |
| Kabel m. stekker | ||||
| 39 | 344498420 | 7.22 | 8.66 | |
| Pas d'informations disponibles, non commandable | ||||
| 40 | 399999990 | |||
| Boîte de graisse UNIM GL402 | ||||
| 880 | 344130650 | 11.74 | 14.09 | |
| Pas d'informations disponibles, non commandable | ||||
| 1001 | 338500260 | |||