Vous trouverez ici toutes les pièces et dessins disponibles du 'Metabo 0230137000-11 ( MEGA370/100W230/1/50 )'. De là, vous pouvez commander directement toutes les pièces souhaitées. De nombreuses pièces doivent être commandées auprès du fabricant, selon la marque, cela prend une à quatre semaines. Toutes les informations dont nous disposons se trouvent sur notre site Web, nous ne pouvons pas vous conseiller sur ce dont vous avez besoin, pour cela vous devrez retourner la machine pour réparation. Veuillez noter ce qui suit lors de la commande:
Dessins des Metabo 0230137000-11 ( MEGA370/100W230/1/50 )
Liste de pièces de rechange des Metabo 0230137000-11 ( MEGA370/100W230/1/50 )
| Pos. | Description | Prix hors TVA | Prix TTC | |
| Les prix affichés incluent la TVA | ||||
| Soupape de vidange 2,2 Bar 1/8"A | ||||
| 52 | 1319741123 | 13.48 | 16.18 | |
| Wielenset compl. | ||||
| 102 | 316049470 | 134.27 | 161.12 | |
| TUBE POUR POIGNÉE ET | ||||
| 104 | 1317723624 | 37.65 | 45.18 | |
| CLAPET ANTI-RETOUR 3/4" | ||||
| 105 | 7831740927 | 43.15 | 51.78 | |
| Pas d'informations disponibles, non commandable | ||||
| 106 | 7802009105 | |||
| VALVE DE VIDANGE D'EAU R 1/4" | ||||
| 107 | 7830740931 | 32.27 | 38.72 | |
| REDUCEERVENTIEL | ||||
| 108 | 341164940 | 175.84 | 211.01 | |
| Manometre | ||||
| 109 | 343440400 | 32.27 | 38.72 | |
| Soupape de sécurité | ||||
| 110 | 341164980 | 74.13 | 88.96 | |
| DOUBLE TÉTON ET | ||||
| 112 | 7808684564 | 16.25 | 19.50 | |
| POIGNÉE TOURNANTE RD 20 ET | ||||
| 117 | 7008679490 | 32.27 | 38.72 | |
| Poulie à courroie en V 90x1A ET | ||||
| 125 | 7240633579 | 53.86 | 64.63 | |
| Pas d'informations disponibles, non commandable | ||||
| 126 | 7230740954 | |||
| Tuyau en plastique | ||||
| 127 | 316061030 | 21.64 | 25.97 | |
| RÉGULATEUR DE PRESSION 3/8" | ||||
| 131 | 8101740979 | 94.12 | 112.94 | |
| Cable | ||||
| 132 | 344500050 | 43.15 | 51.78 | |
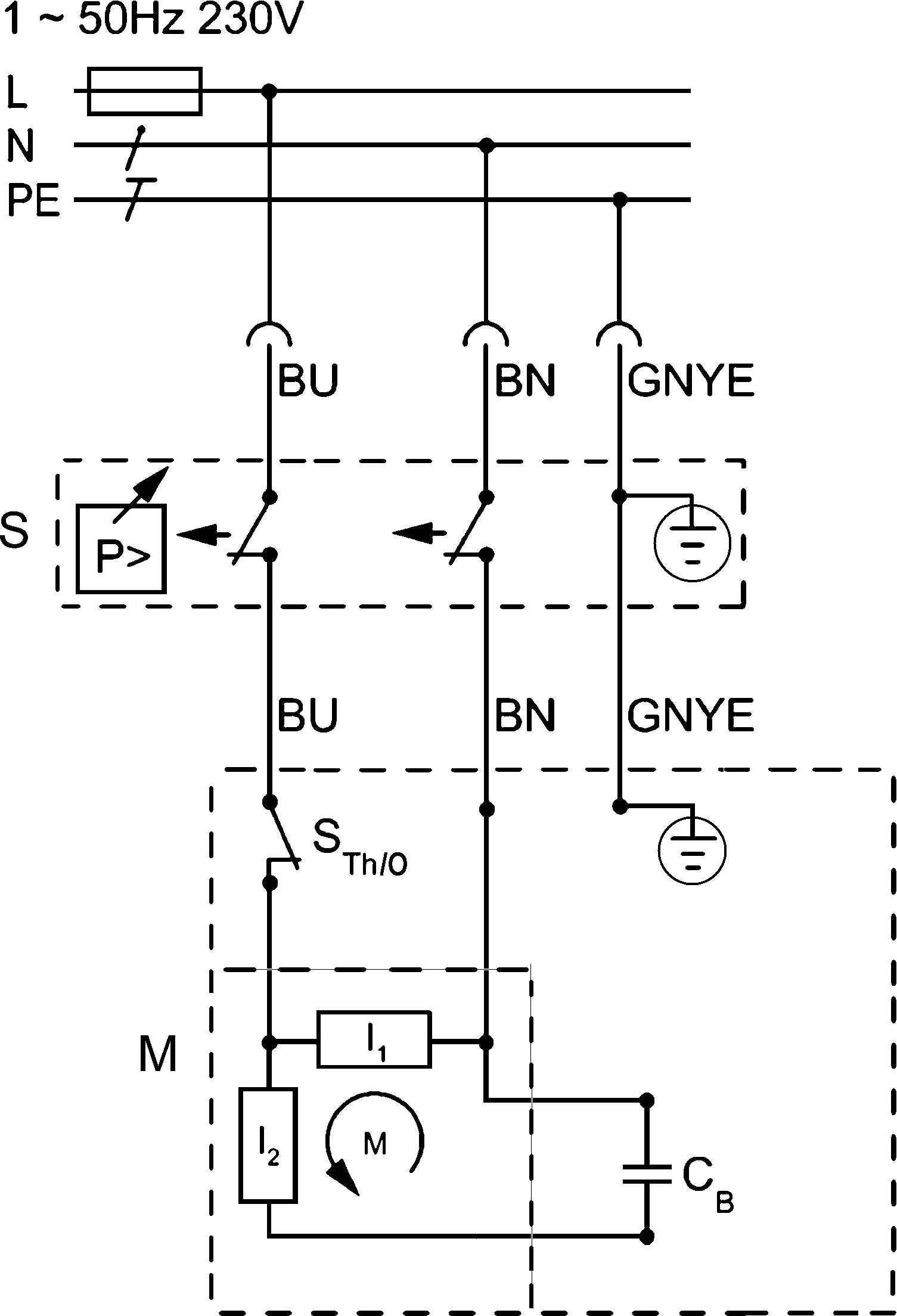
| MOTEUR 1,50KW | ||||
| 135 | 8013741019 | 809.10 | 970.92 | |
| Protection thermique | ||||
| 138 | 343409690 | 26.95 | 32.34 | |
| PROTECTION DE COURROIE CÔTÉ MOTEUR | ||||
| 141 | 1381741377 | 24.23 | 29.08 | |
| Grille de protection manquante dans cette langue | ||||
| 142 | 344112780 | 43.15 | 51.78 | |
| TUYAU DE PRESSION | ||||
| 145 | 1001741400 | 21.64 | 25.97 | |
| JOINT ET | ||||
| 900 | 1319731870 | 175.84 | 211.01 | |
| Pas d'informations disponibles, non commandable | ||||
| 901 | 1319741050 | |||
| Vilebrequin avec palier | ||||
| 902 | 1319741034 | 161.61 | 193.93 | |
| COUVERCLE DE BOÎTIER AVEC JOINT | ||||
| 903 | 1310741040 | 94.12 | 112.94 | |
| JOINT ET | ||||
| 904 | 1319731900 | 405.62 | 486.74 | |
| Couvercle de palier complet | ||||
| 905 | 1319741077 | 74.13 | 88.96 | |
| Tête de cylindre ET | ||||
| 906 | 1319738084 | 148.53 | 178.24 | |
| Roue de ventilateur RD 280 | ||||
| 907 | 1319741085 | 175.84 | 211.01 | |
| Joint | ||||
| 909 | 1319741387 | 100.74 | 120.89 | |
| Évent et verre de niveau d'huile | ||||
| 910 | 1319741093 | 60.59 | 72.71 | |
| FILTRE À AIR COMPLET | ||||
| 911 | 7825741393 | 80.81 | 96.97 | |
| Anneaux de piston complets | ||||
| 912 | 1319741069 | 74.13 | 88.96 | |