Vous trouverez ici toutes les pièces et dessins disponibles du 'Metabo 0103001145-12 ( KGS301 )'. De là, vous pouvez commander directement toutes les pièces souhaitées. De nombreuses pièces doivent être commandées auprès du fabricant, selon la marque, cela prend une à quatre semaines. Toutes les informations dont nous disposons se trouvent sur notre site Web, nous ne pouvons pas vous conseiller sur ce dont vous avez besoin, pour cela vous devrez retourner la machine pour réparation. Veuillez noter ce qui suit lors de la commande:
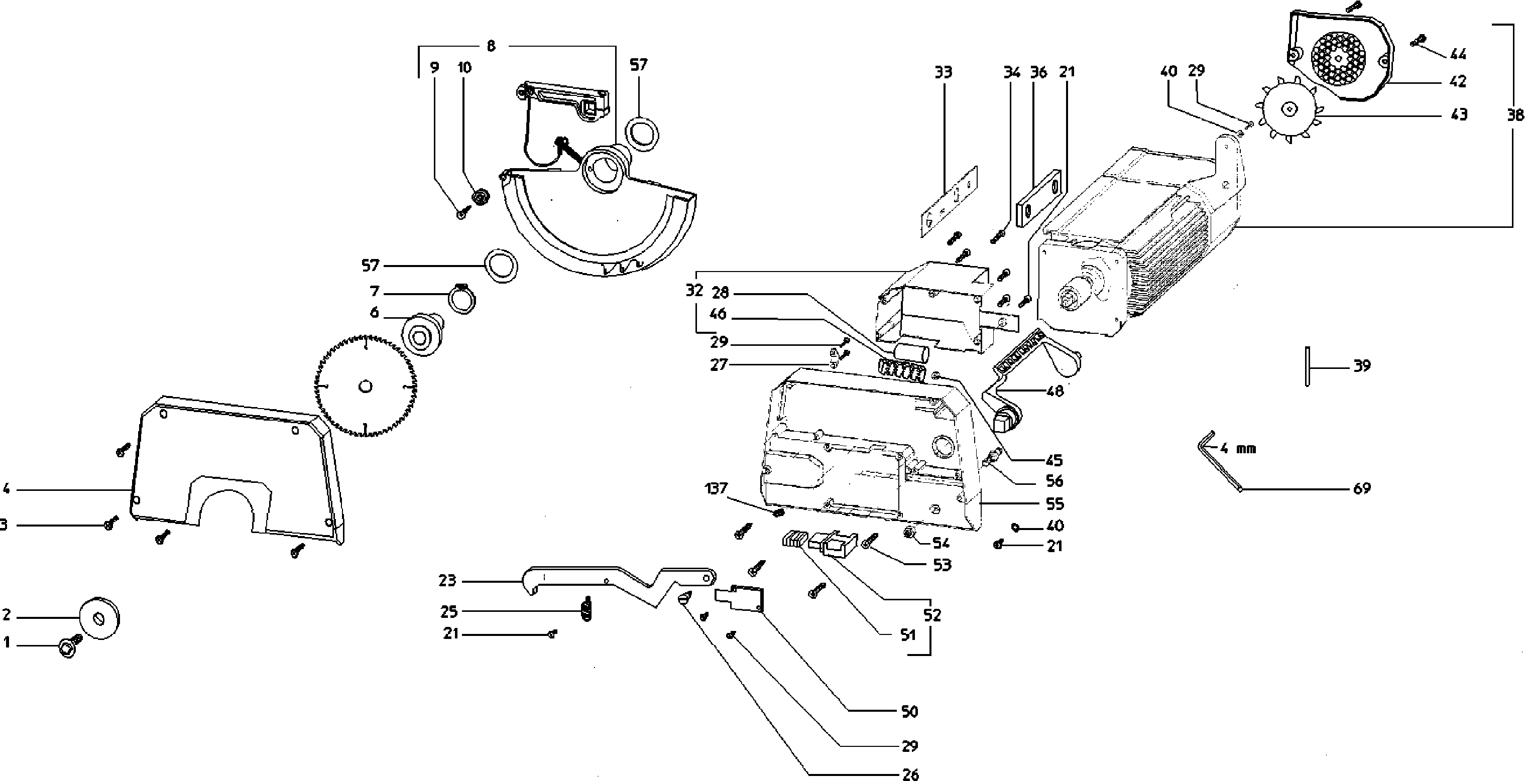
Dessins des Metabo 0103001145-12 ( KGS301 )
Liste de pièces de rechange des Metabo 0103001145-12 ( KGS301 )
| Pos. | Description | Prix hors TVA | Prix TTC | |
| Les prix affichés incluent la TVA | ||||
| Plus disponible, pas de remplacement | ||||
| 1 | 1395207098 | |||
| BRIDE DE PRESSION | ||||
| 2 | 1485212147 | 37.65 | 45.18 | |
| Pas d'informations disponibles, non commandable | ||||
| 3 | 141122530 | |||
| Pas d'informations disponibles, non commandable | ||||
| 4 | 2380213993 | |||
| Bride | ||||
| 6 | 1485212139 | 21.64 | 25.97 | |
| Circlip | ||||
| 7 | 141180170 | 1.56 | 1.87 | |
| Plus disponible, pas de remplacement | ||||
| 8 | 1010656504 | |||
| Pas d'informations disponibles, non commandable | ||||
| 9 | 6176007417 | |||
| Roulement à billes 6X19X6 626 -2Z | ||||
| 10 | 7100047262 | 3.71 | 4.45 | |
| Vis à tête fraisée | ||||
| 21 | 6172028215 | 1.56 | 1.87 | |
| Plus disponible, pas de remplacement | ||||
| 23 | 1492037601 | |||
| Pas d'informations disponibles, non commandable | ||||
| 25 | 7051202958 | |||
| Vis de préréglage hexagonale | ||||
| 26 | 6104220876 | 3.02 | 3.62 | |
| Soulagement de traction | ||||
| 27 | 8242033664 | 1.55 | 1.86 | |
| CONDENSATEUR 20uF/400V 45X67 CÂBLE 160 AB | ||||
| 28 | 8050033539 | 16.25 | 19.50 | |
| VIS AUTOPERCEUSE M.TÊTE CRUCIFORME ST 3,5X16-C-H V | ||||
| 29 | 6172032905 | 1.56 | 1.87 | |
| Plus disponible, pas de remplacement | ||||
| 32 | 1010655575 | |||
| Pas d'informations disponibles, non commandable | ||||
| 33 | 1492037580 | |||
| Pas d'informations disponibles, non commandable | ||||
| 34 | 141122540 | |||
| Pas d'informations disponibles, non commandable | ||||
| 36 | 1392202729 | |||
| Pas d'informations disponibles, non commandable | ||||
| 38 | 1010657080 | |||
| Plus disponible, pas de remplacement | ||||
| 39 | 9103202881 | |||
| Rondelle | ||||
| 40 | 141150010 | 1.56 | 1.87 | |
| Cilinderkopschroef | ||||
| 41 | 141113870 | 1.68 | 2.02 | |
| Boîtier de ventilateur | ||||
| 42 | 2391202551 | 2.28 | 2.74 | |
| Plus disponible, pas de remplacement | ||||
| 43 | 2391203442 | |||
| Plus disponible, pas de remplacement | ||||
| 44 | 6143036802 | |||
| Zeskante moer | ||||
| 45 | 141130100 | 1.56 | 1.87 | |
| Plus disponible, pas de remplacement | ||||
| 46 | 8216656297 | |||
| Pas d'informations disponibles, non commandable | ||||
| 48 | 2390202787 | |||
| Plus disponible, pas de remplacement | ||||
| 50 | 2391202853 | |||
| Plus disponible, pas de remplacement | ||||
| 51 | 2391202926 | |||
| Plus disponible, pas de remplacement | ||||
| 52 | 1010656300 | |||
| Pas d'informations disponibles, non commandable | ||||
| 53 | 6131070290 | |||
| Écrou hexagonal auto-bloquant | ||||
| 54 | 6202002305 | 1.56 | 1.87 | |
| Pas d'informations disponibles, non commandable | ||||
| 55 | 2391202683 | |||
| Pas d'informations disponibles, non commandable | ||||
| 56 | 1485208581 | |||
| Pas d'informations disponibles, non commandable | ||||
| 57 | 6306028063 | |||
| Pointeur RAL 3000-3003 | ||||
| 62 | 2391203523 | 1.56 | 1.87 | |
| Levier de mandrin OSC 18 | ||||
| 63 | 7006028220 | 13.48 | 16.18 | |
| Pas d'informations disponibles, non commandable | ||||
| 64 | 6127027992 | |||
| ROND ELLE 25,0X12,2X1,5 A25/GR2 | ||||
| 65 | 7053028238 | 1.67 | 2.00 | |
| Pas d'informations disponibles, non commandable | ||||
| 66 | 6205028038 | |||
| Rondelle | ||||
| 67 | 141156740 | 1.56 | 1.87 | |
| Pas d'informations disponibles, non commandable | ||||
| 68 | 141120030 | |||
| Cle Male P. 6 Pans Creux | ||||
| 69 | 9102017894 | 1.55 | 1.86 | |
| Pas d'informations disponibles, non commandable | ||||
| 70 | 6300084859 | |||
| Pas d'informations disponibles, non commandable | ||||
| 75 | 1010019067 | |||
| Vis hexagonale M 6X16 coudé. Revêtement de tache | ||||
| 76 | 6103001356 | 1.56 | 1.87 | |
| Plus disponible, pas de remplacement | ||||
| 77 | 2381715992 | |||
| Écrou hexagonal auto-bloquant | ||||
| 79 | 6202128341 | 1.56 | 1.87 | |
| Tampon d'insertion | ||||
| 80 | 2391203906 | 1.56 | 1.87 | |
| Plus disponible, pas de remplacement | ||||
| 81 | 7051210284 | |||
| VIS À TÊTE ÉTOILÉE RD40/M6X23 (DIN 933) GALVANISÉ | ||||
| 82 | 7001017769 | 1.67 | 2.00 | |
| Pas d'informations disponibles, non commandable | ||||
| 84 | 7051204314 | |||
| Pas d'informations disponibles, non commandable | ||||
| 85 | 1010141288 | |||
| Axe V. Casquet | ||||
| 87 | 1385209408 | 32.27 | 38.72 | |
| Pas d'informations disponibles, non commandable | ||||
| 88 | 1485209421 | |||
| Pas d'informations disponibles, non commandable | ||||
| 89 | 6306110550 | |||
| Plus disponible, pas de remplacement | ||||
| 90 | 1010128451 | |||
| Cilinderkopschroef | ||||
| 92 | 141113840 | 1.68 | 2.02 | |
| Pas d'informations disponibles, non commandable | ||||
| 93 | 1482212650 | |||
| Pas d'informations disponibles, non commandable | ||||
| 94 | 1395202606 | |||
| Pas d'informations disponibles, non commandable | ||||
| 96 | 1380656465 | |||
| Plus disponible, pas de remplacement | ||||
| 102 | 141110270 | |||
| Plus disponible, pas de remplacement | ||||
| 105 | 2391203540 | |||
| Pas d'informations disponibles, non commandable | ||||
| 106 | 6168029746 | |||
| Plus disponible, pas de remplacement | ||||
| 107 | 1142214322 | |||
| Vis à tête fraisée | ||||
| 108 | 6172091014 | 1.56 | 1.87 | |
| Plus disponible, pas de remplacement | ||||
| 109 | 1380654098 | |||
| Plus disponible, pas de remplacement | ||||
| 111 | 2391202640 | |||
| Rondelle de blocage dentée | ||||
| 113 | 141150410 | 1.68 | 2.02 | |
| Plus disponible, pas de remplacement | ||||
| 115 | 1482210348 | |||
| Vis à tête cylindrique | ||||
| 116 | 6121023081 | 1.56 | 1.87 | |
| Plus disponible, pas de remplacement | ||||
| 119 | 2391202772 | |||
| Pas d'informations disponibles, non commandable | ||||
| 120 | 1380653997 | |||
| Pas d'informations disponibles, non commandable | ||||
| 121 | 1395202657 | |||
| Pas d'informations disponibles, non commandable | ||||
| 122 | 2393203156 | |||
| Vis à tête cylindrique | ||||
| 123 | 6127059207 | 1.56 | 1.87 | |
| Plus disponible, pas de remplacement | ||||
| 124 | 2390203040 | |||
| Ecrou de sécurité hexagonal | ||||
| 125 | 141130650 | 1.68 | 2.02 | |
| Rondelle | ||||
| 126 | 141151940 | 1.56 | 1.87 | |
| Plus disponible, pas de remplacement | ||||
| 127 | 7001203104 | |||
| Ressort de compression | ||||
| 130 | 7051202931 | 5.87 | 7.04 | |
| Ressort de disque | ||||
| 131 | 141155660 | 1.56 | 1.87 | |
| Pas d'informations disponibles, non commandable | ||||
| 132 | 1010013816 | |||
| Pas d'informations disponibles, non commandable | ||||
| 135 | 1141203068 | |||
| Pas d'informations disponibles, non commandable | ||||
| 136 | 1380675052 | |||
| Pas d'informations disponibles, non commandable | ||||
| 137 | 7056671069 | |||
| Écrou hexagonal auto-bloquant | ||||
| 139 | 6202024139 | 1.56 | 1.87 | |
| Tampon de vibration | ||||
| 141 | 7058028481 | 3.02 | 3.62 | |
| Vis à tête fraisée | ||||
| 145 | 6172001821 | 1.56 | 1.87 | |
| Pas d'informations disponibles, non commandable | ||||
| 155 | 1482653592 | |||