Vous trouverez ici toutes les pièces et dessins disponibles du 'Metabo 02419420 ( BSP12PLUS )'. De là, vous pouvez commander directement toutes les pièces souhaitées. De nombreuses pièces doivent être commandées auprès du fabricant, selon la marque, cela prend une à quatre semaines. Toutes les informations dont nous disposons se trouvent sur notre site Web, nous ne pouvons pas vous conseiller sur ce dont vous avez besoin, pour cela vous devrez retourner la machine pour réparation. Veuillez noter ce qui suit lors de la commande:
Dessins des Metabo 02419420 ( BSP12PLUS )
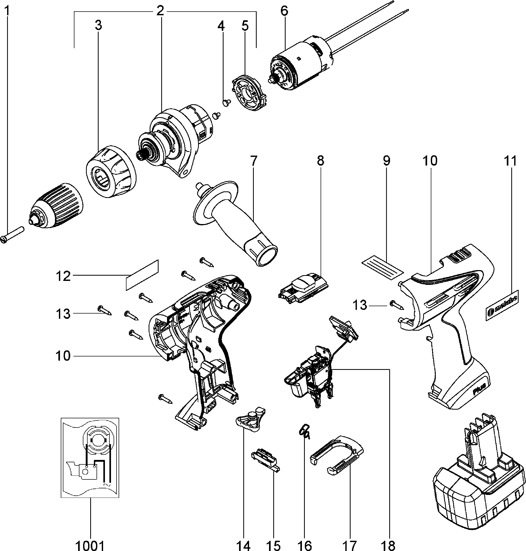
Liste de pièces de rechange des Metabo 02419420 ( BSP12PLUS )
| Pos. | Description | Prix hors TVA | Prix TTC | |
| Les prix affichés incluent la TVA | ||||
| Cilinderkopschroef | ||||
| 1 | 341701940 | 1.68 | 2.02 | |
| Pas d'informations disponibles, non commandable | ||||
| 2 | 316035260 | |||
| Pas d'informations disponibles, non commandable | ||||
| 3 | 315104250 | |||
| Vis a tete bombee | ||||
| 4 | 141119850 | 1.56 | 1.87 | |
| Pas d'informations disponibles, non commandable | ||||
| 5 | 343379430 | |||
| Pas d'informations disponibles, non commandable | ||||
| 6 | 317003080 | |||
| Handgreep compl. | ||||
| 7 | 314000540 | 11.74 | 14.09 | |
| Pas d'informations disponibles, non commandable | ||||
| 8 | 343379220 | |||
| Plaque indicatrice | ||||
| 9 | 338115880 | 3.71 | 4.45 | |
| Pas d'informations disponibles, non commandable | ||||
| 10 | 343379180 | |||
| Metabo-plaatje | ||||
| 11 | 338118370 | 1.56 | 1.87 | |
| Pas d'informations disponibles, non commandable | ||||
| 12 | 338044010 | |||
| Vis tole avec tete bombee | ||||
| 13 | 141113180 | 1.56 | 1.87 | |
| Pas d'informations disponibles, non commandable | ||||
| 14 | 316035280 | |||
| Pas d'informations disponibles, non commandable | ||||
| 15 | 343374350 | |||
| Ressort de poussée | ||||
| 16 | 342021670 | 1.56 | 1.87 | |
| Plus disponible, pas de remplacement | ||||
| 17 | 343374940 | |||
| Pas d'informations disponibles, non commandable | ||||
| 18 | 343407450 | |||