Vous trouverez ici toutes les pièces et dessins disponibles du 'Metabo 0910064380-10 ( BOVENFREESSETFLEXO500 )'. De là, vous pouvez commander directement toutes les pièces souhaitées. De nombreuses pièces doivent être commandées auprès du fabricant, selon la marque, cela prend une à quatre semaines. Toutes les informations dont nous disposons se trouvent sur notre site Web, nous ne pouvons pas vous conseiller sur ce dont vous avez besoin, pour cela vous devrez retourner la machine pour réparation. Veuillez noter ce qui suit lors de la commande:
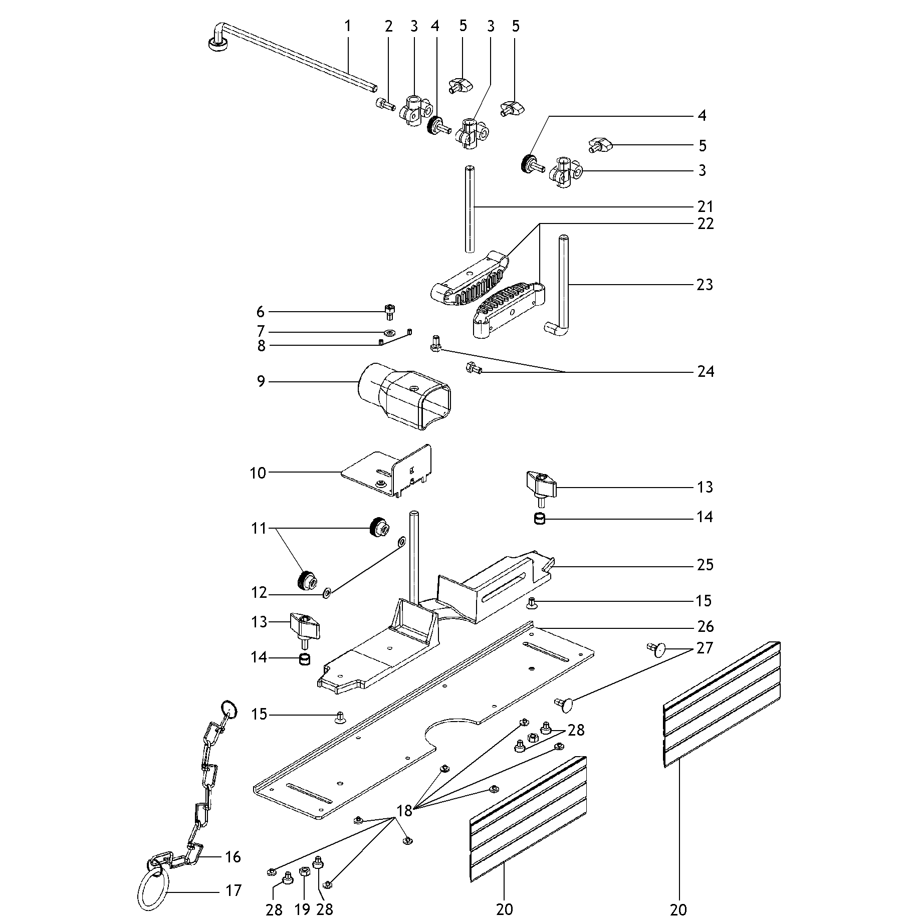
Dessins des Metabo 0910064380-10 ( BOVENFREESSETFLEXO500 )
Liste de pièces de rechange des Metabo 0910064380-10 ( BOVENFREESSETFLEXO500 )
| Pos. | Description | Prix hors TVA | Prix TTC | |
| Les prix affichés incluent la TVA | ||||
| GUIDE-FIL OBERFR SENSET-UK290 | ||||
| 1 | 1388728287 | 26.95 | 32.34 | |
| Vis à tête cylindrique | ||||
| 2 | 6121023081 | 1.56 | 1.87 | |
| Pas d'informations disponibles, non commandable | ||||
| 3 | 1388728279 | |||
| Vis à molette M 6X16 / RD 20 galv. | ||||
| 4 | 6143075468 | 1.68 | 2.02 | |
| Vis à ailettes,M6 x 12 | ||||
| 5 | 341112750 | 1.56 | 1.87 | |
| Pas d'informations disponibles, non commandable | ||||
| 6 | 6122027978 | |||
| Rondelle | ||||
| 7 | 141151940 | 1.56 | 1.87 | |
| Taraud à goupille avec cône Morse M 4X6 | ||||
| 8 | 6161158982 | 1.56 | 1.87 | |
| Pas d'informations disponibles, non commandable | ||||
| 9 | 1381728290 | |||
| Plaque de guidage BL 2,00X65X114,50 OBERFR | ||||
| 10 | 1482728967 | 16.25 | 19.50 | |
| Ecrou Molete | ||||
| 11 | 6241125058 | 1.68 | 2.02 | |
| Rondelle | ||||
| 12 | 141151340 | 1.56 | 1.87 | |
| Vleugelschroef | ||||
| 13 | 341111650 | 1.68 | 2.02 | |
| Pas d'informations disponibles, non commandable | ||||
| 14 | 1485700869 | |||
| Vis à tête plate avec M intérieur 6X10 VE | ||||
| 15 | 6132685086 | 1.56 | 1.87 | |
| Pas d'informations disponibles, non commandable | ||||
| 16 | 1381727897 | |||
| Pas d'informations disponibles, non commandable | ||||
| 17 | 7632728993 | |||
| Chaussure coulissante OS 400 | ||||
| 18 | 1381652854 | 1.56 | 1.87 | |
| Zeskante moer | ||||
| 19 | 141130100 | 1.56 | 1.87 | |
| Pas d'informations disponibles, non commandable | ||||
| 20 | 1383728211 | |||
| Pas d'informations disponibles, non commandable | ||||
| 21 | 1485728259 | |||
| Pas d'informations disponibles, non commandable | ||||
| 22 | 1381728249 | |||
| Pas d'informations disponibles, non commandable | ||||
| 23 | 1485728267 | |||
| Vis hexagonale M 6X16 coudé. Revêtement de tache | ||||
| 24 | 6103001356 | 1.56 | 1.87 | |
| Pas d'informations disponibles, non commandable | ||||
| 25 | 1380728300 | |||
| GUIDE SUPPORT BL 2,99X98X480 OBERFR SEN | ||||
| 26 | 1382728226 | 32.27 | 38.72 | |
| Boulon à fente avec insertion carrée | ||||
| 27 | 6110000608 | 1.56 | 1.87 | |
| Tampon d'insertion | ||||
| 28 | 2391203906 | 1.56 | 1.87 | |