Vous trouverez ici toutes les pièces et dessins disponibles du 'Metabo 00580000 ( BE75-16 )'. De là, vous pouvez commander directement toutes les pièces souhaitées. De nombreuses pièces doivent être commandées auprès du fabricant, selon la marque, cela prend une à quatre semaines. Toutes les informations dont nous disposons se trouvent sur notre site Web, nous ne pouvons pas vous conseiller sur ce dont vous avez besoin, pour cela vous devrez retourner la machine pour réparation. Veuillez noter ce qui suit lors de la commande:
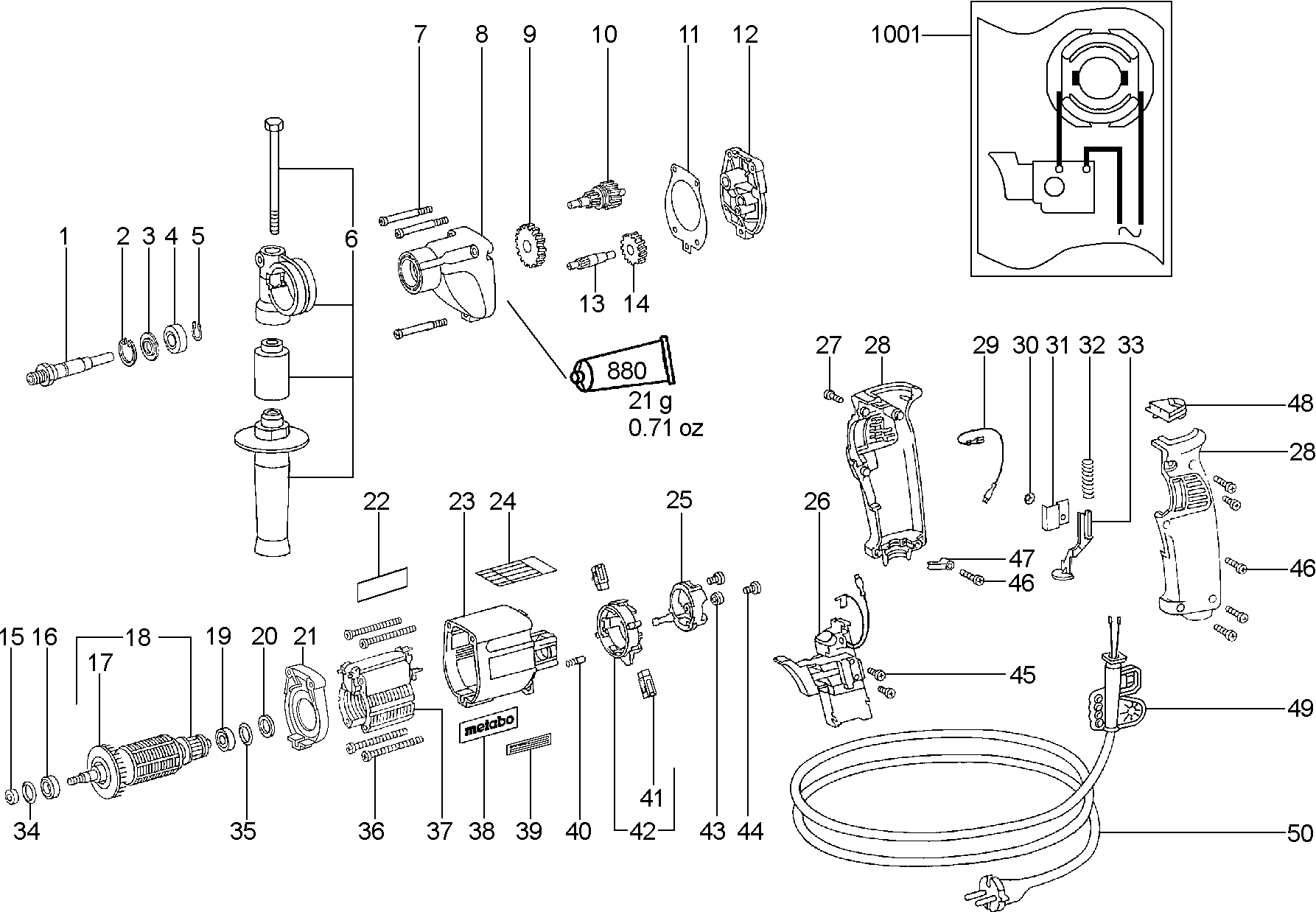
Dessins des Metabo 00580000 ( BE75-16 )
Liste de pièces de rechange des Metabo 00580000 ( BE75-16 )
| Pos. | Description | Prix hors TVA | Prix TTC | |
| Les prix affichés incluent la TVA | ||||
| Broche de percage | ||||
| 1 | 341602990 | 48.48 | 58.18 | |
| Circlip | ||||
| 2 | 141180060 | 1.56 | 1.87 | |
| Disque de recouvrement | ||||
| 3 | 343362170 | 8.89 | 10.67 | |
| Kogellager 12x28x 8 | ||||
| 4 | 143111440 | 21.64 | 25.97 | |
| Circlip | ||||
| 5 | 141181560 | 1.56 | 1.87 | |
| Handgreep compl. | ||||
| 6 | 314001250 | 18.80 | 22.56 | |
| Vis de guidage plast. 45 | ||||
| 7 | 341702180 | 1.68 | 2.02 | |
| Tandwielhuis compl. | ||||
| 8 | 316048270 | 87.60 | 105.12 | |
| Roue droite | ||||
| 9 | 340011640 | 26.95 | 32.34 | |
| Tandwielas m.veiligh.kopp. | ||||
| 10 | 316048280 | 94.12 | 112.94 | |
| Joint | ||||
| 11 | 339210270 | 3.02 | 3.62 | |
| Tandwielflens compl. | ||||
| 12 | 316022940 | 48.48 | 58.18 | |
| Tandwielas | ||||
| 13 | 340011630 | 37.65 | 45.18 | |
| Roue droite | ||||
| 14 | 340011620 | 26.95 | 32.34 | |
| Afdichtring | ||||
| 15 | 343356500 | 1.56 | 1.87 | |
| Roulement à billes 8x22x 7 | ||||
| 16 | 143114880 | 3.02 | 3.62 | |
| Waaier compl. | ||||
| 17 | 330001060 | 4.51 | 5.41 | |
| Anker 230 V | ||||
| 18 | 310006630 | 113.82 | 136.58 | |
| Kogellager 6x19x 6 | ||||
| 19 | 143115660 | 2.28 | 2.74 | |
| Rondelle | ||||
| 20 | 141153400 | 1.68 | 2.02 | |
| Tussenflens | ||||
| 21 | 343361780 | 5.87 | 7.04 | |
| Typeplaatje | ||||
| 22 | 338055180 | 1.56 | 1.87 | |
| Boîtier de moteur | ||||
| 23 | 315012320 | 26.95 | 32.34 | |
| Plaque arrière BE 75-16 | ||||
| 24 | 338122600 | 1.68 | 2.02 | |
| Drukstuk compl. | ||||
| 25 | 316021020 | 11.74 | 14.09 | |
| Unité électronique 220 V | ||||
| 26 | 343071870 | 67.33 | 80.80 | |
| Vis | ||||
| 27 | 341702050 | 1.56 | 1.87 | |
| Poignée pistolet avec couvercle | ||||
| 28 | 343362350 | 18.80 | 22.56 | |
| Verbindingsdraad compl. | ||||
| 29 | 344490150 | 2.28 | 2.74 | |
| Borgschijf | ||||
| 30 | 141181760 | 1.56 | 1.87 | |
| Couverture | ||||
| 31 | 339111020 | 1.56 | 1.87 | |
| Ressort de pression | ||||
| 32 | 342001210 | 1.56 | 1.87 | |
| Bouton de verrouillage | ||||
| 33 | 343362460 | 1.56 | 1.87 | |
| Joint torique | ||||
| 34 | 143192570 | 1.68 | 2.02 | |
| Joint torique | ||||
| 35 | 143192430 | 1.68 | 2.02 | |
| Vis tole avec tete bombee | ||||
| 36 | 141118260 | 1.56 | 1.87 | |
| Champ 230 V | ||||
| 37 | 311008830 | 53.86 | 64.63 | |
| M-étiquette 56x25 | ||||
| 38 | 338122370 | 1.68 | 2.02 | |
| Pas d'informations disponibles, non commandable | ||||
| 39 | 399999990 | |||
| Steunstift | ||||
| 40 | 342001140 | 1.68 | 2.02 | |
| Jeu de brosses avec porte-brosse | ||||
| 41 | 316033730 | 16.25 | 19.50 | |
| Stelring compl. R+L | ||||
| 42 | 316025760 | 13.48 | 16.18 | |
| Pas d'informations disponibles, non commandable | ||||
| 43 | 399999990 | |||
| Vis tole avec tete bombee | ||||
| 44 | 141116840 | 1.56 | 1.87 | |
| Vis a tete bombee | ||||
| 45 | 141116970 | 1.68 | 2.02 | |
| Vis tole avec tete bombee | ||||
| 46 | 141116020 | 1.68 | 2.02 | |
| Collier de cable | ||||
| 47 | 343362490 | 1.68 | 2.02 | |
| Afsluitdeksel | ||||
| 48 | 343361770 | 1.68 | 2.02 | |
| Kabeldoorvoer | ||||
| 49 | 344100590 | 2.28 | 2.74 | |
| Kabel m. CEE-stekker | ||||
| 50 | 344488530 | 24.23 | 29.08 | |
| Tube de graisse 50 gr. 1,8oz | ||||
| 880 | 344130970 | 11.74 | 14.09 | |
| Pas d'informations disponibles, non commandable | ||||
| 1001 | 338500070 | |||