Vous trouverez ici toutes les pièces et dessins disponibles du 'Makita DUC306'. De là, vous pouvez commander directement toutes les pièces souhaitées. De nombreuses pièces doivent être commandées auprès du fabricant, selon la marque, cela prend une à quatre semaines. Toutes les informations dont nous disposons se trouvent sur notre site Web, nous ne pouvons pas vous conseiller sur ce dont vous avez besoin, pour cela vous devrez retourner la machine pour réparation. Veuillez noter ce qui suit lors de la commande:
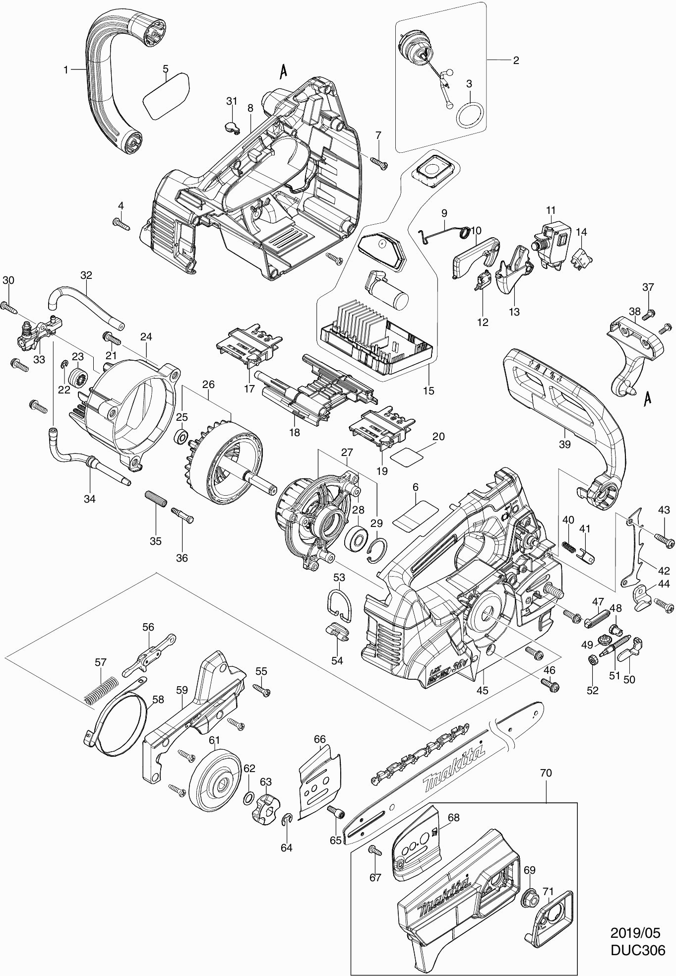
Dessins des Makita DUC306
Liste de pièces de rechange des Makita DUC306
| Pos. | Description | Prix hors TVA | Prix TTC | |
| Les prix affichés incluent la TVA | ||||
| Poignée DUC256 | ||||
| 001 | 459275-2 | 6.00 | 7.20 | |
| Bouchon d'huile DUC353Z | ||||
| 002 | 126832-8 | 13.20 | 15.84 | |
| Joint torique 25mm | ||||
| 003 | 213355-6 | 2.40 | 2.88 | |
| Pas d'informations disponibles, non commandable | ||||
| 004 | 266326-2 | |||
| Étiquette de modèle DUC306 | ||||
| 005 | 819S63-7 | 2.40 | 2.88 | |
| Plaque de nom DUC306 | ||||
| 006 | 856A24-8 | 1.00 | 1.20 | |
| Pas d'informations disponibles, non commandable | ||||
| 007 | 266326-2 | |||
| Carter de moteur DUC353Z | ||||
| 008 | 183N15-7 | 36.30 | 43.56 | |
| Stylo en caoutchouc 6 | ||||
| 008C10 | 263005-3 | 1.00 | 1.20 | |
| Vanne | ||||
| 008C20 | 424170-5 | 2.40 | 2.88 | |
| Insert d'amortissement DUC306 | ||||
| 008C30 | 454724-4 | 1.00 | 1.20 | |
| Ressort de torsion 10 DUC353Z | ||||
| 009 | 232509-6 | 1.00 | 1.20 | |
| Levier de blocage DUC353Z | ||||
| 010 | 459268-9 | 1.20 | 1.44 | |
| Interrupteur C3JW-6BM-P DUC254Z | ||||
| 011 | 651365-9 | 19.80 | 23.76 | |
| Interrupteur DUC254Z | ||||
| 012 | 632L49-0 | 9.60 | 11.52 | |
| Levier de commutation DUC353Z | ||||
| 013 | 459267-1 | 1.20 | 1.44 | |
| Interrupteur DUC254Z | ||||
| 014 | 632L48-2 | 13.20 | 15.84 | |
| Pas d'informations disponibles, non commandable | ||||
| 015 | 140K82-7 | |||
| Étiquette d'indication DUC306 | ||||
| 015C10 | 819R38-0 | 2.40 | 2.88 | |
| Étiquette de commutateur DUC306 | ||||
| 015C20 | 819S81-5 | 2.40 | 2.88 | |
| Unité de connexion | ||||
| 017 | 643874-2 | 3.60 | 4.32 | |
| Boîtier moyen DUC353Z | ||||
| 018 | 140K81-9 | 2.40 | 2.88 | |
| Stylo en caoutchouc 6 | ||||
| 018C10 | 263005-3 | 1.00 | 1.20 | |
| Unité de connexion | ||||
| 019 | 643874-2 | 3.60 | 4.32 | |
| Etiquette de numéro de série DUC306 | ||||
| 020 | 856A29-8 | 2.40 | 2.88 | |
| Vis 5x20 | ||||
| 021 | 911228-4 | 1.00 | 1.20 | |
| Circlip E-4 | ||||
| 022 | 961011-9 | 1.00 | 1.20 | |
| Engrenage à vis sans fin DUC353Z | ||||
| 023 | 226884-0 | 1.20 | 1.44 | |
| Boîtier de moteur DUC353Z | ||||
| 024 | 459276-0 | 6.00 | 7.20 | |
| Roulement à billes 696ZZ A | ||||
| 025 | 210026-6 | 2.40 | 2.88 | |
| Moteur 18V DUC353Z | ||||
| 026 | 519576-1 | 93.50 | 112.20 | |
| Champs 18V DUC353Z | ||||
| 027 | 529420-4 | 39.60 | 47.52 | |
| Roulement à billes 6000ddw | ||||
| 028 | 211289-7 | 13.20 | 15.84 | |
| Bague de blocage R-26 A | ||||
| 029 | 962105-3 | 1.00 | 1.20 | |
| Pas d'informations disponibles, non commandable | ||||
| 030 | 266326-2 | |||
| Capuchon de protection DUC353Z | ||||
| 031 | 422467-6 | 1.00 | 1.20 | |
| Conduite d'huile 3x100mm UDC353Z | ||||
| 032 | 422451-1 | 1.20 | 1.44 | |
| Pompe à huile complète | ||||
| 033 | 142156-4 | 24.20 | 29.04 | |
| Conduite d'huile 3x130mm UDC353Z | ||||
| 034 | 422452-9 | 2.40 | 2.88 | |
| Ressort De Compression | ||||
| 035 | 231975-4 | 1.00 | 1.20 | |
| Tête d'aspiration DUC355/EA3201S A | ||||
| 036 | 452666-6 | 1.00 | 1.20 | |
| Vis 4x12 | ||||
| 037 | 911116-5 | 1.00 | 1.20 | |
| Plaque de blocage de la poignée DUC353Z | ||||
| 038 | 459270-2 | 2.40 | 2.88 | |
| Capuchon de poignée cpl DUC353Z | ||||
| 039 | 140K79-6 | 8.40 | 10.08 | |
| Étiquette d'avertissement DUC306 | ||||
| 039C10 | 819S75-0 | 2.40 | 2.88 | |
| Ressort de pression 6 Ea3201S A | ||||
| 040 | 234210-9 | 1.00 | 1.20 | |
| Guide Ea3200S A | ||||
| 041 | 313212-9 | 1.00 | 1.20 | |
| Pare-chocs de pôle | ||||
| 042 | 346809-9 | 3.60 | 4.32 | |
| Vis 4x20 | ||||
| 043 | 266420-0 | 1.00 | 1.20 | |
| Attrape-chaîne DUC353Z | ||||
| 044 | 347516-7 | 1.20 | 1.44 | |
| Carter de moteur DUC353Z | ||||
| 045 | 183N15-7 | 36.30 | 43.56 | |
| Stylo en caoutchouc 6 | ||||
| 045C10 | 263005-3 | 1.00 | 1.20 | |
| Vanne | ||||
| 045C20 | 424170-5 | 2.40 | 2.88 | |
| Insert d'amortissement DUC306 | ||||
| 045C30 | 454724-4 | 1.00 | 1.20 | |
| Vis 5x20 | ||||
| 046 | 911228-4 | 1.00 | 1.20 | |
| Passage DUC353Z | ||||
| 047 | 422466-8 | 1.00 | 1.20 | |
| Engrenage d'entraînement AS1925 | ||||
| 048 | 227620-7 | 1.20 | 1.44 | |
| Engrenage 14 | ||||
| 049 | 227634-6 | 3.60 | 4.32 | |
| Panneau d'aggloméré DUC353Z | ||||
| 050 | 347517-5 | 2.40 | 2.88 | |
| Vis de réglage DUC353Z | ||||
| 051 | 327317-9 | 2.40 | 2.88 | |
| Engrenage 14 | ||||
| 052 | 227496-2 | 4.80 | 5.76 | |
| Crochet | ||||
| 053 | 281222-3 | 1.00 | 1.20 | |
| Support de crochet DUC353Z | ||||
| 054 | 347514-1 | 1.00 | 1.20 | |
| Pas d'informations disponibles, non commandable | ||||
| 055 | 266326-2 | |||
| Plaque intermédiaire DUC254C | ||||
| 056 | 140A74-6 | 3.60 | 4.32 | |
| Ressort de compression 7 DUC254C | ||||
| 057 | 232452-9 | 1.00 | 1.20 | |
| Sangle de frein DUC353Z | ||||
| 058 | 347515-9 | 4.80 | 5.76 | |
| Couvercle du boîtier du moteur R DUC353Z | ||||
| 059 | 459273-6 | 3.60 | 4.32 | |
| Tambour de frein DUC353Z | ||||
| 061 | 162638-0 | 10.80 | 12.96 | |
| Joint torique 10 Duc353 | ||||
| 062 | 213060-5 | 1.00 | 1.20 | |
| Roue de chaîne 6 | ||||
| 063 | 221464-7 | 2.40 | 2.88 | |
| Bague d'arrêt E-7 | ||||
| 064 | 961013-5 | 1.00 | 1.20 | |
| Boulon de clé Allen M4x20mm | ||||
| 065 | 266905-6 | 1.00 | 1.20 | |
| Plaque de guidage L DUC353Z | ||||
| 066 | 347533-7 | 1.20 | 1.44 | |
| Vis 4x12 | ||||
| 067 | 265C54-4 | 1.00 | 1.20 | |
| Plaque de guidage R DUC353Z | ||||
| 068 | 347534-5 | 1.20 | 1.44 | |
| Écrou avec bride DUC306 | ||||
| 069 | 162494-8 | 3.60 | 4.32 | |
| Capuchon pour épée DUC353Z | ||||
| 070 | 136138-6 | 13.20 | 15.84 | |
| Capuchon de couverture de l'écrou | ||||
| 071 | 459278-6 | 1.20 | 1.44 | |