Vous trouverez ici toutes les pièces et dessins disponibles du 'Makita DHP486'. De là, vous pouvez commander directement toutes les pièces souhaitées. De nombreuses pièces doivent être commandées auprès du fabricant, selon la marque, cela prend une à quatre semaines. Toutes les informations dont nous disposons se trouvent sur notre site Web, nous ne pouvons pas vous conseiller sur ce dont vous avez besoin, pour cela vous devrez retourner la machine pour réparation. Veuillez noter ce qui suit lors de la commande:
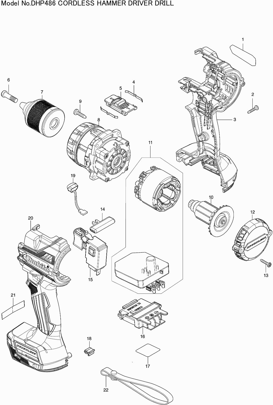
Dessins des Makita DHP486
Liste de pièces de rechange des Makita DHP486
| Pos. | Description | Prix hors TVA | Prix TTC | |
| Les prix affichés incluent la TVA | ||||
| Plaque de nom DHP486 | ||||
| 001 | 811B29-1 | 1.00 | 1.20 | |
| Vis auto-taraudeuse 3x16 | ||||
| 002 | 266130-9 | 1.00 | 1.20 | |
| Coffret moteur DDF486 | ||||
| 003 | 183R83-4 | 17.60 | 21.12 | |
| Stylo en caoutchouc 6 | ||||
| 003C10 | 263005-3 | 1.00 | 1.20 | |
| Écrou de blocage M4x7mm | ||||
| 003C20 | 252126-6 | 1.00 | 1.20 | |
| Ressort A Lame | ||||
| 004 | 232220-0 | 1.00 | 1.20 | |
| Bouton de commutation DF001G | ||||
| 005 | 127494-5 | 1.20 | 1.44 | |
| Ressort de compression 4 | ||||
| 005C10 | 233438-6 | 1.00 | 1.20 | |
| Vis de mandrin M6x22mm Li | ||||
| 006 | 251468-5 | 1.00 | 1.20 | |
| Boorkop snelspan 1,5-13mm | ||||
| 007 | 763252-1 | 23.00 | 27.60 | |
| Pas d'informations disponibles, non commandable | ||||
| 008 | 122A92-6 | |||
| TANDWIELSET DHP486 P | ||||
| 008-1 | 122H10-6 | 78.84 | 94.61 | |
| Pas d'informations disponibles, non commandable | ||||
| 009 | 266326-2 | |||
| TAPSCHR 4X18MM DGA520 A | ||||
| 009-1 | 265B67-9 | 1.00 | 1.20 | |
| Induit DDF486 | ||||
| 010 | 619656-4 | 28.60 | 34.32 | |
| Champ | ||||
| 011 | 629C05-5 | 101.64 | 121.97 | |
| Capuchon DDF486 | ||||
| 012 | 413405-9 | 7.20 | 8.64 | |
| Vis auto-taraudeuse 3x16 | ||||
| 013 | 266130-9 | 1.00 | 1.20 | |
| Bouton d'interrupteur L/R | ||||
| 014 | 419041-9 | 1.20 | 1.44 | |
| Interrupteur C3JR-4B DF001G | ||||
| 015 | 651443-5 | 22.00 | 26.40 | |
| Unité de connexion | ||||
| 016 | 643874-2 | 3.60 | 4.32 | |
| Étiquette du numéro de série DHP486 | ||||
| 017 | 811B36-4 | 2.40 | 2.88 | |
| Protection AF-DW | ||||
| 018 | 424517-3 | 1.00 | 1.20 | |
| Circuit lumineux Dhp483 | ||||
| 019 | 620549-0 | 3.60 | 4.32 | |
| Coffret moteur DDF486 | ||||
| 020 | 183R83-4 | 17.60 | 21.12 | |
| Stylo en caoutchouc 6 | ||||
| 020C10 | 263005-3 | 1.00 | 1.20 | |
| Écrou de blocage M4x7mm | ||||
| 020C20 | 252126-6 | 1.00 | 1.20 | |