Vous trouverez ici toutes les pièces et dessins disponibles du 'Makita 8411D'. De là, vous pouvez commander directement toutes les pièces souhaitées. De nombreuses pièces doivent être commandées auprès du fabricant, selon la marque, cela prend une à quatre semaines. Toutes les informations dont nous disposons se trouvent sur notre site Web, nous ne pouvons pas vous conseiller sur ce dont vous avez besoin, pour cela vous devrez retourner la machine pour réparation. Veuillez noter ce qui suit lors de la commande:
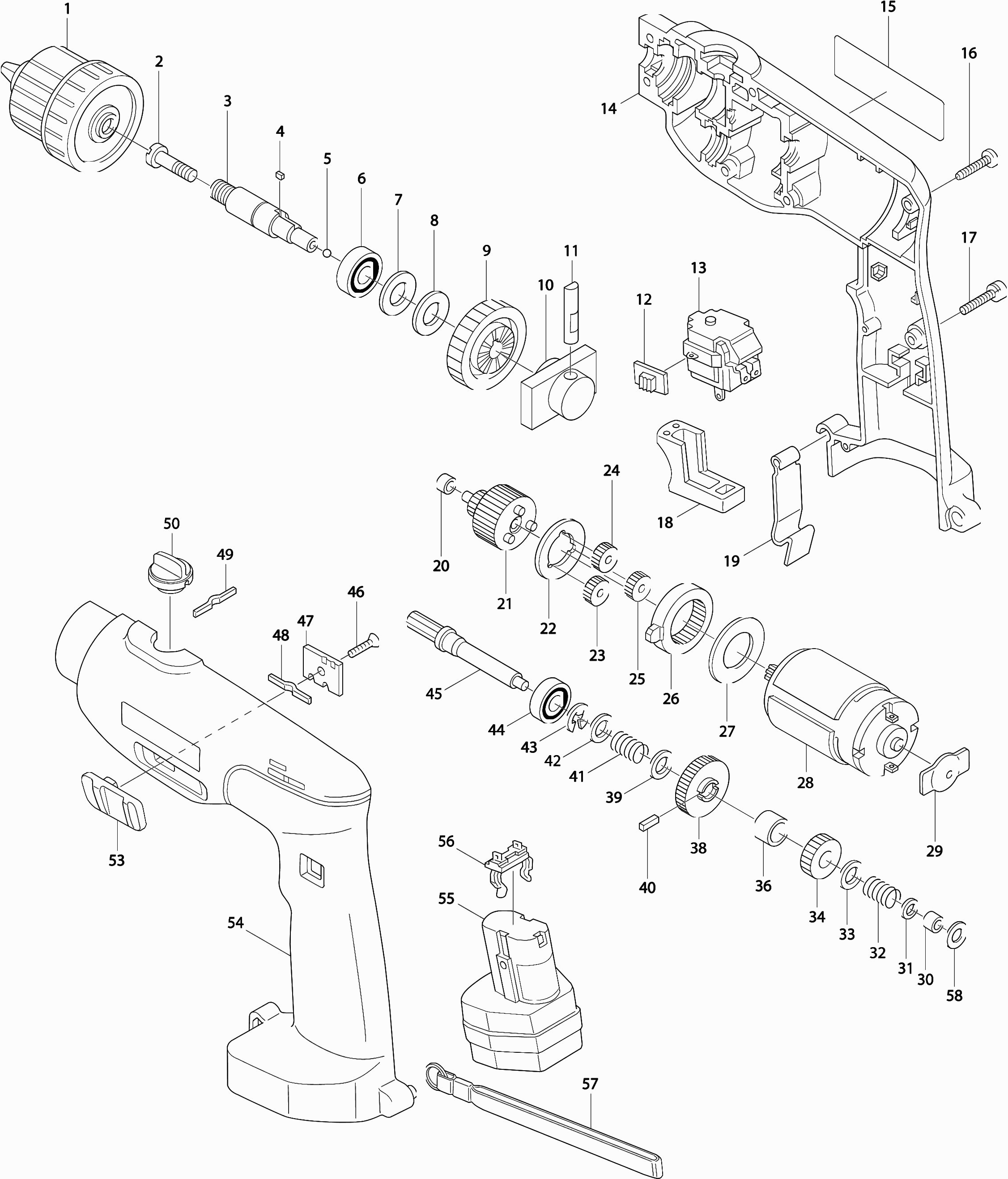
Dessins des Makita 8411D
Liste de pièces de rechange des Makita 8411D
| Pos. | Description | Prix hors TVA | Prix TTC | |
| Les prix affichés incluent la TVA | ||||
| Boorkop snelspan 1-10mm | ||||
| 001 | 192282-9 | 29.00 | 34.80 | |
| Plus disponible, pas de remplacement | ||||
| 002 | 251451-2 | |||
| Pas d'informations disponibles, non commandable | ||||
| 003 | 322541-9 | |||
| Clavette 4 | ||||
| 004 | 254011-9 | 1.00 | 1.20 | |
| Bille d'acier 4.8 | ||||
| 005 | 216002-8 | 1.00 | 1.20 | |
| Roulement a billes 6201dw1 | ||||
| 006 | 211129-9 | 8.40 | 10.08 | |
| Rondelle 12 * | ||||
| 007 | 253071-8 | 1.00 | 1.20 | |
| Rondelle 12 * | ||||
| 008 | 253071-8 | 1.00 | 1.20 | |
| Pas d'informations disponibles, non commandable | ||||
| 009 | 226255-1 | |||
| Pas d'informations disponibles, non commandable | ||||
| 010 | 153215-9 | |||
| Broche Réglable Hp1300S-Nhp1300S * | ||||
| 011 | 321111-1 | 6.00 | 7.20 | |
| Curseur de commutateur | ||||
| 012 | 414740-8 | 2.40 | 2.88 | |
| Interrupteur Sw-104 | ||||
| 013 | 650500-6 | 39.60 | 47.52 | |
| Jeu de boîtier 8411D * | ||||
| 014 | 182822-1 | 26.40 | 31.68 | |
| Vis autotaraudeuse 4x20 | ||||
| 016 | 265925-7 | 1.00 | 1.20 | |
| Vis 4x22 | ||||
| 017 | 911143-2 | 1.00 | 1.20 | |
| Poignée de l'interrupteur | ||||
| 018 | 415671-4 | 1.20 | 1.44 | |
| Pas d'informations disponibles, non commandable | ||||
| 019 | 343579-1 | |||
| Palier de glissement 4 | ||||
| 020 | 214019-5 | 1.00 | 1.20 | |
| Pignon | ||||
| 021 | 153213-3 | 23.10 | 27.72 | |
| Rondelle 16 * | ||||
| 022 | 267098-2 | 1.20 | 1.44 | |
| Pas d'informations disponibles, non commandable | ||||
| 023 | 226245-4 | |||
| Pas d'informations disponibles, non commandable | ||||
| 024 | 226245-4 | |||
| Pas d'informations disponibles, non commandable | ||||
| 025 | 226245-4 | |||
| Engrenage 48 6201Dw-6211Dw-631* | ||||
| 026 | 226248-8 | 9.60 | 11.52 | |
| Rondelle 18 | ||||
| 027 | 253794-8 | 1.00 | 1.20 | |
| Moteur 12V 6211Dw-6311Dw-8411Dw | ||||
| 028 | 629636-2 | 35.20 | 42.24 | |
| Plaque de pression du moteur * | ||||
| 029 | 343970-3 | 1.20 | 1.44 | |
| Roulement à billes 404* | ||||
| 030 | 211044-7 | 9.60 | 11.52 | |
| Rondelle 4 | ||||
| 031 | 267099-0 | 1.00 | 1.20 | |
| Ressort de compression 8 | ||||
| 032 | 231025-5 | 1.00 | 1.20 | |
| Rondelle mince 8 | ||||
| 033 | 253339-2 | 1.00 | 1.20 | |
| Engrenage 25 | ||||
| 034 | 226261-6 | 14.30 | 17.16 | |
| Rondelle 12 6201/11/8411/12D * | ||||
| 036 | 257178-2 | 2.40 | 2.88 | |
| Engrenage 40 | ||||
| 038 | 226247-0 | 2.40 | 2.88 | |
| Rondelle mince 8 | ||||
| 039 | 253339-2 | 1.00 | 1.20 | |
| Cale de montage 3 | ||||
| 040 | 254236-5 | 2.40 | 2.88 | |
| Ressort de compression 8 | ||||
| 041 | 231025-5 | 1.00 | 1.20 | |
| Pas d'informations disponibles, non commandable | ||||
| 042 | 257550-8 | |||
| Bague d'arrêt E-7 | ||||
| 043 | 961013-5 | 1.00 | 1.20 | |
| Roulement à billes 608llb | ||||
| 044 | 210043-6 | 2.40 | 2.88 | |
| Pas d'informations disponibles, non commandable | ||||
| 045 | 226256-9 | |||
| Vis à tête fraisée M4 * | ||||
| 046 | 265007-5 | 1.00 | 1.20 | |
| Plaque de blocage 6201Dw-6211Dw-6* | ||||
| 047 | 343987-6 | 3.60 | 4.32 | |
| Ressort A Lame | ||||
| 048 | 232053-3 | 1.00 | 1.20 | |
| Ressort A Lame | ||||
| 049 | 232053-3 | 1.00 | 1.20 | |
| Bouton de réglage 800-N800 * | ||||
| 050 | 414564-2 | 1.20 | 1.44 | |
| Curseur de vitesse 6201Dw-6211Dw-6 * | ||||
| 053 | 415014-0 | 2.40 | 2.88 | |
| Collier de batterie | ||||
| 056 | 643918-8 | 8.40 | 10.08 | |
| Pas d'informations disponibles, non commandable | ||||
| 058 | 267111-6 | |||