Vous trouverez ici toutes les pièces et dessins disponibles du 'Makita 6095D'. De là, vous pouvez commander directement toutes les pièces souhaitées. De nombreuses pièces doivent être commandées auprès du fabricant, selon la marque, cela prend une à quatre semaines. Toutes les informations dont nous disposons se trouvent sur notre site Web, nous ne pouvons pas vous conseiller sur ce dont vous avez besoin, pour cela vous devrez retourner la machine pour réparation. Veuillez noter ce qui suit lors de la commande:
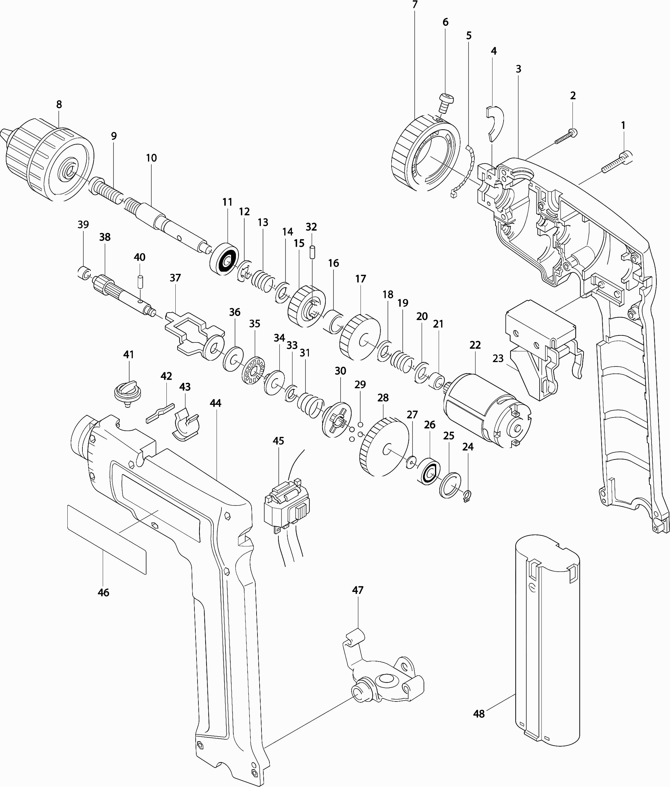
Dessins des Makita 6095D
Liste de pièces de rechange des Makita 6095D
| Pos. | Description | Prix hors TVA | Prix TTC | |
| Les prix affichés incluent la TVA | ||||
| Vis à tarauder 4x18 | ||||
| 001 | 265A48-7 | 1.00 | 1.20 | |
| Vis autotaraudeuse Pt4x30 | ||||
| 002 | 266050-7 | 1.00 | 1.20 | |
| Plus disponible, pas de remplacement | ||||
| 003 | 183196-3 | |||
| Étiquette Makita | ||||
| 003A | 819063-3 | 2.40 | 2.88 | |
| Pas d'informations disponibles, non commandable | ||||
| 003B | 857792-0 | |||
| Plus disponible, pas de remplacement | ||||
| 004 | 343421-6 | |||
| Bague de came | ||||
| 005 | 343410-1 | 2.40 | 2.88 | |
| SCHROEF 5X12 | ||||
| 006 | 251322-3 | 1.00 | 1.20 | |
| Anneau De Fil Jarretier | ||||
| 007 | 410936-9 | 8.40 | 10.08 | |
| Pas d'informations disponibles, non commandable | ||||
| 008 | 763154-1 | |||
| Plus disponible, pas de remplacement | ||||
| 009 | 251451-2 | |||
| Arbre | ||||
| 010 | 321995-7 | 11.00 | 13.20 | |
| Roulement à billes 6000llb | ||||
| 011 | 211061-7 | 8.40 | 10.08 | |
| Circlip E-9 | ||||
| 012 | 961015-1 | 1.00 | 1.20 | |
| Ressort de compression 10 | ||||
| 013 | 231250-8 | 1.00 | 1.20 | |
| Rondelle mince 10 | ||||
| 014 | 253330-0 | 1.00 | 1.20 | |
| Engrenage 78 | ||||
| 015 | 221862-5 | 18.70 | 22.44 | |
| Pas d'informations disponibles, non commandable | ||||
| 016 | 257073-6 | |||
| Engrenage 93 | ||||
| 017 | 221884-5 | 17.60 | 21.12 | |
| Rondelle mince 10 | ||||
| 018 | 253330-0 | 1.00 | 1.20 | |
| Ressort de compression 10 | ||||
| 019 | 231250-8 | 1.00 | 1.20 | |
| Rondelle de blocage 5 | ||||
| 020 | 253807-5 | 1.00 | 1.20 | |
| Palier de glissement 5 | ||||
| 021 | 214017-9 | 1.00 | 1.20 | |
| Moteur 9,6V A | ||||
| 022 | 197671-3 | 26.40 | 31.68 | |
| Interrupteur marche/arrêt+li/re | ||||
| 023 | 632267-8 | 42.90 | 51.48 | |
| Bague de sécurité S-6 | ||||
| 024 | 961002-0 | 1.00 | 1.20 | |
| Rondelle 14 | ||||
| 025 | 253842-3 | 1.00 | 1.20 | |
| Roulement à billes 626llb | ||||
| 026 | 211016-2 | 6.00 | 7.20 | |
| Rondelle 6 | ||||
| 027 | 253804-1 | 1.00 | 1.20 | |
| Engrenage 89 | ||||
| 028 | 226233-1 | 13.20 | 15.84 | |
| Pas d'informations disponibles, non commandable | ||||
| 029 | 216011-7 | |||
| Plaque D'embrayage | ||||
| 030 | 223086-9 | 4.80 | 5.76 | |
| Pas d'informations disponibles, non commandable | ||||
| 031 | 231927-5 | |||
| Stylo 3 | ||||
| 032 | 256101-4 | 1.00 | 1.20 | |
| Rondelle 8 | ||||
| 033 | 257141-5 | 2.40 | 2.88 | |
| Rondelle | ||||
| 034 | 341902-4 | 1.00 | 1.20 | |
| Roulement à aiguilles de poussée 1023 | ||||
| 035 | 216413-7 | 3.60 | 4.32 | |
| Rondelle 8 * | ||||
| 036 | 253851-2 | 1.00 | 1.20 | |
| SE CHARIOT | ||||
| 037 | 164840-1 | 3.60 | 4.32 | |
| Engrenage 12-28 | ||||
| 038 | 226062-2 | 26.40 | 31.68 | |
| Palier de glissement 4 | ||||
| 039 | 214019-5 | 1.00 | 1.20 | |
| Stylo 3 | ||||
| 040 | 256157-7 | 1.00 | 1.20 | |
| Bouton d'ajustement 6012Hdw-6095Dw | ||||
| 041 | 168096-8 | 4.80 | 5.76 | |
| Ressort A Lame | ||||
| 042 | 232053-3 | 1.00 | 1.20 | |
| Collet de clé de mandrin | ||||
| 043 | 411640-3 | 1.00 | 1.20 | |
| Interrupteur marche/arrêt+li/re | ||||
| 045 | 632267-8 | 42.90 | 51.48 | |
| Plaque de serrage de la batterie | ||||
| 047 | 344549-3 | 2.40 | 2.88 | |
| Stylo 3 | ||||
| 049 | 256158-5 | 1.20 | 1.44 | |
| Capuchon en Caoutchouc | ||||
| 050 | 263022-3 | 1.00 | 1.20 | |
| Étiquette Makita | ||||
| 051 | 819063-3 | 2.40 | 2.88 | |