Vous trouverez ici toutes les pièces et dessins disponibles du 'Hikoki WR14VB'. De là, vous pouvez commander directement toutes les pièces souhaitées. De nombreuses pièces doivent être commandées auprès du fabricant, selon la marque, cela prend une à quatre semaines. Toutes les informations dont nous disposons se trouvent sur notre site Web, nous ne pouvons pas vous conseiller sur ce dont vous avez besoin, pour cela vous devrez retourner la machine pour réparation. Veuillez noter ce qui suit lors de la commande:
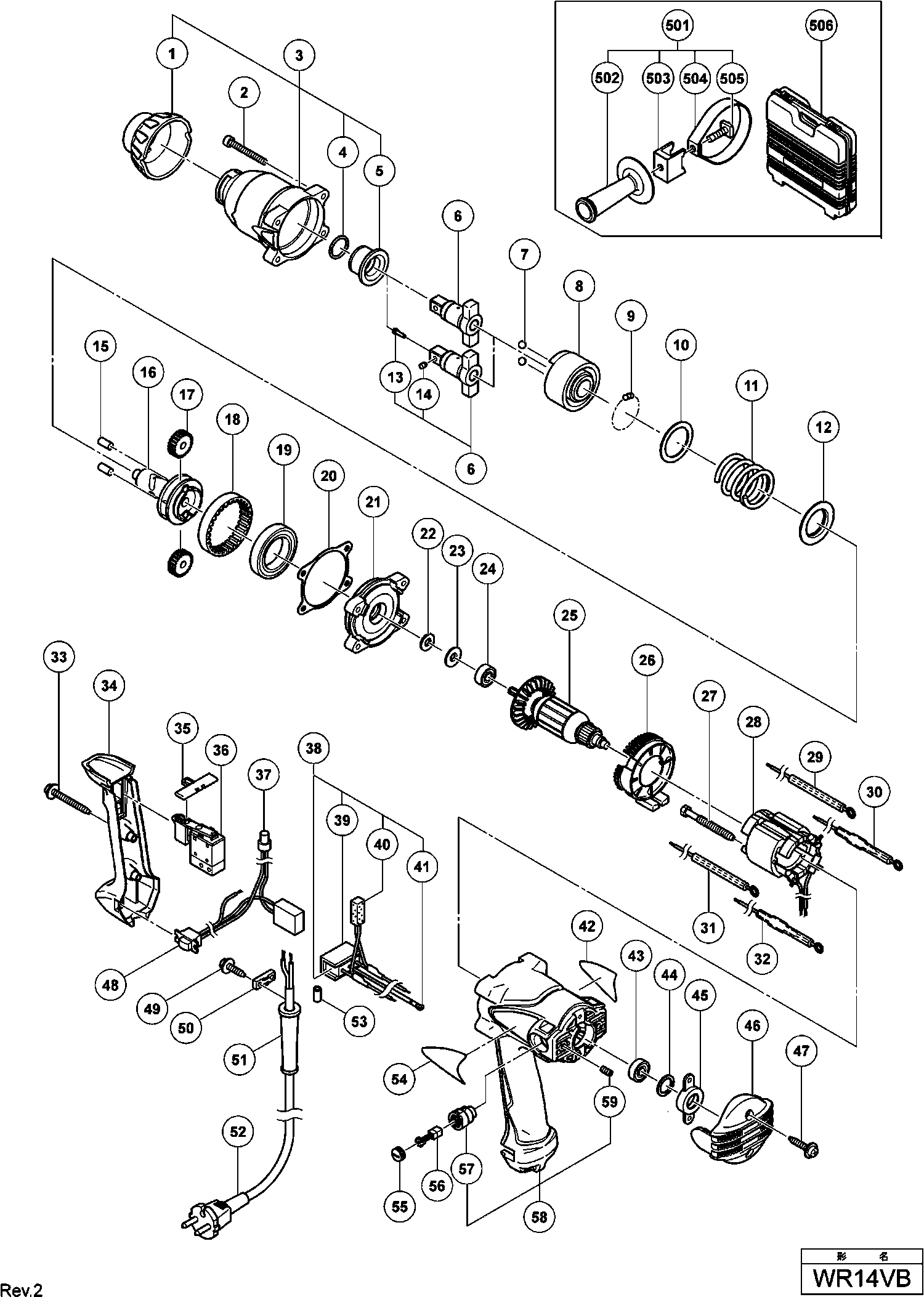
Dessins des Hikoki WR14VB
Liste de pièces de rechange des Hikoki WR14VB
| Pos. | Description | Prix hors TVA | Prix TTC | |
| Les prix affichés incluent la TVA | ||||
| Couvercle Avant H 45/h 60ma/mr | ||||
| 1 | 323804 | 6.75 | 8.10 | |
| Vis à six pans creux M5x40 avec joint d'étanchéité | ||||
| 2 | 324060 | 1.65 | 1.98 | |
| Coffret de marteau | ||||
| 3 | 323803 | 49.64 | 59.56 | |
| O Ring | ||||
| 4 | 318704 | 3.30 | 3.96 | |
| Douille en métal | ||||
| 5 | 323766 | 8.40 | 10.08 | |
| Anvil | ||||
| 6 | 323773 | 75.90 | 91.08 | |
| Bille d'acier D6.35 (10 pièces) | ||||
| 7 | 959150 | 1.35 | 1.62 | |
| Frappeur H60ma/ka | ||||
| 8 | 323789 | 43.86 | 52.64 | |
| Bille Ø3.97 (x10) paquet de 10 | ||||
| 9 | 959155 | 1.04 | 1.24 | |
| Rondelle | ||||
| 10 | 317525 | 3.00 | 3.60 | |
| Ressort | ||||
| 11 | 323787 | 7.65 | 9.18 | |
| Bague | ||||
| 12 | 317521 | 4.35 | 5.22 | |
| Goupille Wr 16sa | ||||
| 13 | 323542 | 1.05 | 1.26 | |
| Plus disponible, pas de remplacement | ||||
| 14 | 323541 | |||
| Douille | ||||
| 15 | 985169 | 1.05 | 1.26 | |
| Arbre | ||||
| 16 | 323788 | 55.41 | 66.50 | |
| Set d'engrenages (2pcs) | ||||
| 17 | 323785 | 20.76 | 24.92 | |
| Pignon Annulaire | ||||
| 18 | 323786 | 8.40 | 10.08 | |
| Roulement A Billes | ||||
| 19 | 6907ZN | 17.33 | 20.79 | |
| Joint Cm 12ym 12y | ||||
| 20 | 324076 | 1.65 | 1.98 | |
| Palier | ||||
| 21 | 323784 | 13.75 | 16.50 | |
| Feutre | ||||
| 22 | 323781 | 1.65 | 1.98 | |
| Rondelle de joint | ||||
| 23 | 317523 | 1.50 | 1.80 | |
| Roulement | ||||
| 24 | 608DDM | 5.55 | 6.66 | |
| Induit 230v | ||||
| 25 | 360689E | 73.01 | 87.62 | |
| Baffle | ||||
| 26 | 323783 | 4.35 | 5.22 | |
| Vis Ø 4x45 | ||||
| 27 | 981824 | 1.05 | 1.26 | |
| Stator 220v-230v H-90sa Includ.103 Pour Nzl,saf | ||||
| 28 | 340607E | 46.75 | 56.10 | |
| Pas d'informations disponibles, non commandable | ||||
| 29 | 323799 | |||
| Self antiparasite | ||||
| 30 | 323791 | 13.65 | 16.38 | |
| Pas d'informations disponibles, non commandable | ||||
| 31 | 323800 | |||
| Bobine d'étouffement Noir | ||||
| 32 | 323792 | 13.65 | 16.38 | |
| Vis à taraudage (avec bride) D4x35 (noir) | ||||
| 33 | 303694 | 1.04 | 1.24 | |
| Couverture de Poignée | ||||
| 34 | 323802 | 7.35 | 8.82 | |
| Bouton Inverseur Wr 12dmr | ||||
| 35 | 321661 | 1.65 | 1.98 | |
| Interrupteur Cl10sa | ||||
| 36 | 319412 | 43.86 | 52.64 | |
| Connecteur 50092 | ||||
| 37 | 959141 | 3.75 | 4.50 | |
| Condensateur | ||||
| 38 | 323790 | 28.88 | 34.65 | |
| Caoutchouc | ||||
| 39 | 930153 | 1.04 | 1.24 | |
| Support Except For Usa,can,ven,ina,syr,kuw,hkg, | ||||
| 40 | 316186 | 1.65 | 1.98 | |
| Cosses de câble (10 pièces) | ||||
| 41 | 959144 | 3.00 | 3.60 | |
| Roulement A Billes | ||||
| 43 | 608VVM | 5.70 | 6.84 | |
| Plaq.en Caoutchouc (1) | ||||
| 44 | 985198 | 1.95 | 2.34 | |
| Logement Roulement | ||||
| 45 | 323754 | 9.30 | 11.16 | |
| Couvercle Arriere H90sc/se | ||||
| 46 | 323782 | 6.45 | 7.74 | |
| Vis à tarauder D4x20 avec bride (noir) | ||||
| 47 | 301653 | 1.04 | 1.24 | |
| Interrupteur à diode | ||||
| 48 | 317533 | 21.31 | 25.58 | |
| Pas d'informations disponibles, non commandable | ||||
| 49 | 984750 | |||
| Serre Cable | ||||
| 50 | 937631 | 1.04 | 1.24 | |
| Entree De Cable Ø 8.8 | ||||
| 51 | 380090 | 1.04 | 1.25 | |
| Entree De Cable Ø 10,1 | ||||
| 51 | 938051 | 1.04 | 1.24 | |
| SNOER 2.5M 2 X 1.0 H05VV-F W/PLUG 13A/250V (OLD 50 | ||||
| 52 | 500423Z | 12.87 | 15.44 | |
| SNOER 10.7 (USE 714500=2X1 5M) | ||||
| 52 | 500247Z | 6.18 | 7.42 | |
| Manchon à cabler | ||||
| 53 | 981373 | 1.05 | 1.26 | |
| Bouchon Charbons | ||||
| 55 | 931266 | 1.04 | 1.24 | |
| Plus disponible, pas de remplacement | ||||
| 56 | 999021 | |||
| S/e Porte Balais | ||||
| 57 | 957571 | 2.40 | 2.88 | |
| Carter | ||||
| 58 | 323801 | 52.53 | 63.03 | |
| Vis de réglage hexagonale M5x8 | ||||
| 59 | 938477 | 1.05 | 1.26 | |
| Pas d'informations disponibles, non commandable | ||||
| 501 | 323797 | |||
| Pas d'informations disponibles, non commandable | ||||
| 502 | 980901 | |||
| Collier Dh 40yb | ||||
| 503 | 323775 | 8.25 | 9.90 | |
| Pas d'informations disponibles, non commandable | ||||
| 504 | 323798 | |||
| Boulon Vrv-16 | ||||
| 505 | 980903 | 1.35 | 1.62 | |
| Pas d'informations disponibles, non commandable | ||||
| 506 | 323777 | |||
| Pas d'informations disponibles, non commandable | ||||
| 619 | 323797 | |||
| Pas d'informations disponibles, non commandable | ||||
| 620 | 980901 | |||
| Boulon Vrv-16 | ||||
| 621 | 980903 | 1.35 | 1.62 | |
| Collier Dh 40yb | ||||
| 622 | 323775 | 8.25 | 9.90 | |
| Pas d'informations disponibles, non commandable | ||||
| 623 | 323798 | |||
| Pas d'informations disponibles, non commandable | ||||
| 624 | 307824 | |||
| Graisse Pour Clé à Chocs (100g) | ||||
| 625 | 971042 | 17.60 | 21.12 | |
| Pas d'informations disponibles, non commandable | ||||
| 626 | 873633 | |||
| Pas d'informations disponibles, non commandable | ||||
| 627 | 986062 | |||
| Pas d'informations disponibles, non commandable | ||||
| 628 | 873537 | |||
| Pas d'informations disponibles, non commandable | ||||
| 629 | 873187 | |||
| Pas d'informations disponibles, non commandable | ||||
| 630 | 873540 | |||
| Pas d'informations disponibles, non commandable | ||||
| 631 | 873536 | |||
| Pas d'informations disponibles, non commandable | ||||
| 632 | 873626 | |||
| Pas d'informations disponibles, non commandable | ||||
| 633 | 873627 | |||
| Pas d'informations disponibles, non commandable | ||||
| 634 | 873628 | |||
| Pas d'informations disponibles, non commandable | ||||
| 635 | 873629 | |||
| Pas d'informations disponibles, non commandable | ||||
| 636 | 873630 | |||
| Pas d'informations disponibles, non commandable | ||||
| 637 | 985195 | |||
| Pas d'informations disponibles, non commandable | ||||
| 638 | 985196 | |||
| Pas d'informations disponibles, non commandable | ||||
| 639 | 955138 | |||
| Pas d'informations disponibles, non commandable | ||||
| 640 | 955139 | |||
| Pas d'informations disponibles, non commandable | ||||
| 641 | 955140 | |||
| Pas d'informations disponibles, non commandable | ||||
| 642 | 955141 | |||
| Pas d'informations disponibles, non commandable | ||||
| 643 | 955149 | |||
| Pas d'informations disponibles, non commandable | ||||
| 644 | 955142 | |||
| Pas d'informations disponibles, non commandable | ||||
| 645 | 955150 | |||
| Pas d'informations disponibles, non commandable | ||||
| 646 | 955143 | |||
| Pas d'informations disponibles, non commandable | ||||
| 647 | 955151 | |||
| Pas d'informations disponibles, non commandable | ||||
| 648 | 991480 | |||
| Pas d'informations disponibles, non commandable | ||||
| 649 | 955144 | |||
| Pas d'informations disponibles, non commandable | ||||
| 650 | 955146 | |||
| Pas d'informations disponibles, non commandable | ||||
| 651 | 955147 | |||
| Pas d'informations disponibles, non commandable | ||||
| 652 | 985197 | |||
| Pas d'informations disponibles, non commandable | ||||
| 653 | 986058 | |||
| Pas d'informations disponibles, non commandable | ||||
| 654 | 991481 | |||
| Pas d'informations disponibles, non commandable | ||||
| 655 | 993658 | |||
| Pas d'informations disponibles, non commandable | ||||
| 656 | 993659 | |||
| SOCKET ASS'Y FOR DUCT 13MMX95L | ||||
| 657 | 992613 | 75.96 | 91.15 | |
| Pas d'informations disponibles, non commandable | ||||
| 658 | 992614 | |||
| Pas d'informations disponibles, non commandable | ||||
| 659 | 992615 | |||
| Pas d'informations disponibles, non commandable | ||||
| 660 | 992616 | |||
| Pas d'informations disponibles, non commandable | ||||
| 661 | 955153 | |||