Vous trouverez ici toutes les pièces et dessins disponibles du 'Hikoki WR14DSDL'. De là, vous pouvez commander directement toutes les pièces souhaitées. De nombreuses pièces doivent être commandées auprès du fabricant, selon la marque, cela prend une à quatre semaines. Toutes les informations dont nous disposons se trouvent sur notre site Web, nous ne pouvons pas vous conseiller sur ce dont vous avez besoin, pour cela vous devrez retourner la machine pour réparation. Veuillez noter ce qui suit lors de la commande:
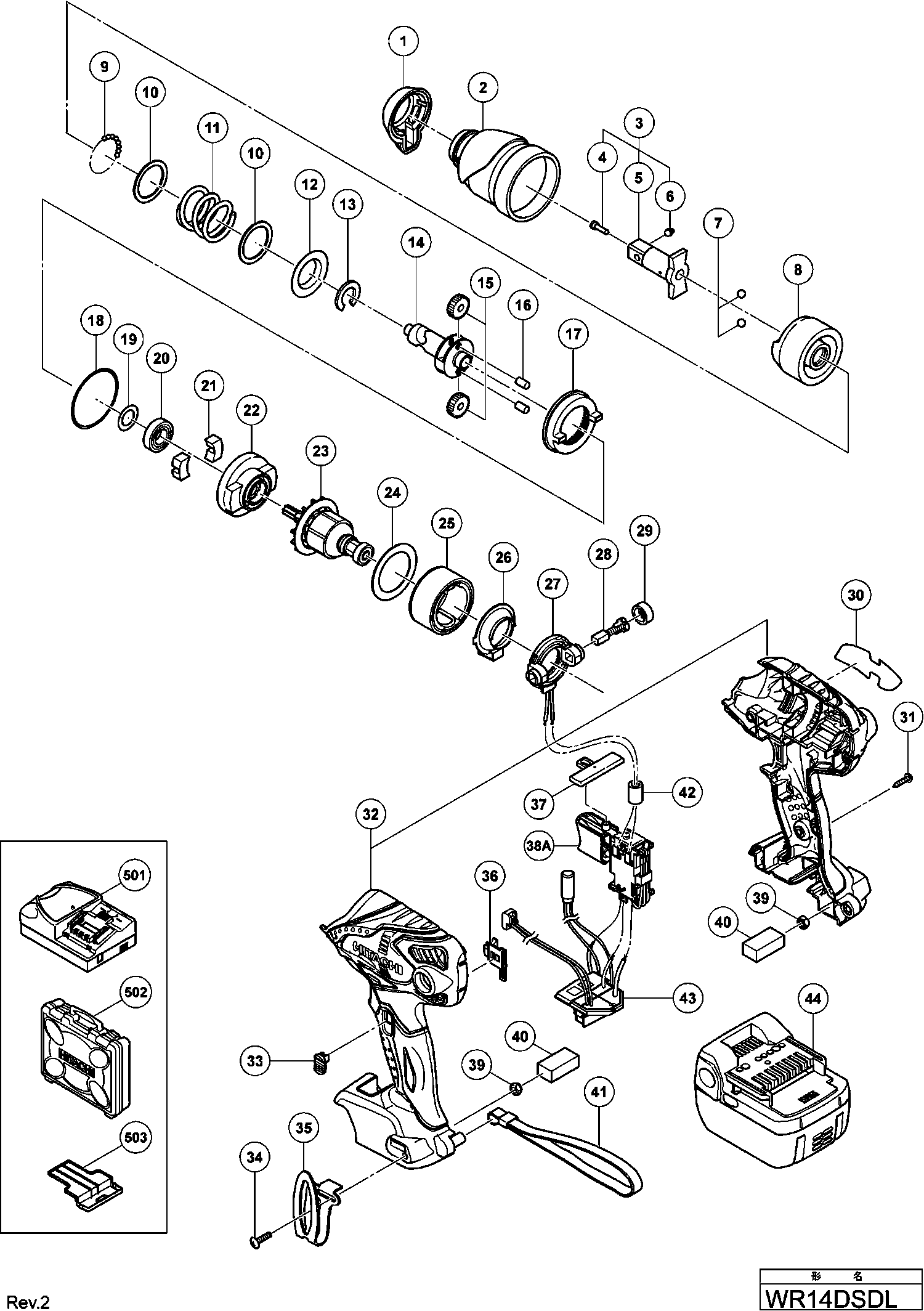
Dessins des Hikoki WR14DSDL
Liste de pièces de rechange des Hikoki WR14DSDL
| Pos. | Description | Prix hors TVA | Prix TTC | |
| Les prix affichés incluent la TVA | ||||
| Pas d'informations disponibles, non commandable | ||||
| *44 | 334727 | |||
| Couvercle Avant H 45/h 60ma/mr | ||||
| 1 | 332198 | 3.38 | 4.05 | |
| Boîtier de marteau | ||||
| 2 | 332200 | 19.05 | 22.86 | |
| Anvil | ||||
| 3 | 332196 | 17.13 | 20.55 | |
| Teton | ||||
| 4 | 324257 | 1.05 | 1.26 | |
| Pas d'informations disponibles, non commandable | ||||
| 5 | 332197 | |||
| Piston (b) | ||||
| 6 | 324256 | 1.05 | 1.26 | |
| Bille Ø 5.556 (x10) paquet de 10 | ||||
| 7 | 959154 | 1.35 | 1.62 | |
| Frappeur H60ma/ka | ||||
| 8 | 333749 | 20.90 | 25.08 | |
| Bille Acier Ø 3.175 (x10) | ||||
| 9 | 959148 | 1.05 | 1.26 | |
| RONDELLE AVANT | ||||
| 10 | 315978 | 1.65 | 1.98 | |
| Ressort | ||||
| 11 | 324224 | 3.30 | 3.96 | |
| Rondelle | ||||
| 12 | 316172 | 1.65 | 1.98 | |
| Butee | ||||
| 13 | 324222 | 1.05 | 1.26 | |
| Arbre | ||||
| 14 | 332186 | 33.55 | 40.26 | |
| Pignon | ||||
| 15 | 326295 | 21.31 | 25.58 | |
| Axe Wh9/12dm Wr12dm | ||||
| 16 | 319914 | 1.65 | 1.98 | |
| Engrenage | ||||
| 17 | 326787 | 13.89 | 16.66 | |
| O-ring Cm-6 | ||||
| 18 | 983852 | 1.95 | 2.34 | |
| Bague | ||||
| 19 | 319911 | 1.65 | 1.98 | |
| Pas d'informations disponibles, non commandable | ||||
| 20 | 6901VV | |||
| Amortisseur | ||||
| 21 | 324230 | 1.05 | 1.26 | |
| Capot de recouvrement | ||||
| 22 | 332185 | 3.45 | 4.14 | |
| Induit Complet | ||||
| 23 | 360949 | 44.41 | 53.30 | |
| Rondelle | ||||
| 24 | 324607 | 1.05 | 1.26 | |
| Aimant (j) Ass'y Incl.24 | ||||
| 25 | 334901 | 79.89 | 95.86 | |
| Protecteur Poussiere | ||||
| 26 | 324228 | 1.05 | 1.26 | |
| Support Porte Charbons Includ.23,24 | ||||
| 27 | 334955 | 6.15 | 7.38 | |
| Charbon Wh8dh/wh9dm/wr12dh | ||||
| 28 | 999054 | 6.45 | 7.74 | |
| Bouchon Charbons Wh9/12dm | ||||
| 29 | 319918 | 3.30 | 3.96 | |
| Vis à tarauder D4x20 avec bride (noir) | ||||
| 31 | 301653 | 1.04 | 1.24 | |
| Boîtier (a)+(b) ensemble | ||||
| 32 | 334954 | 19.11 | 22.94 | |
| Boîtier (a)+(b) ensemble | ||||
| 32A | 334954 | 19.11 | 22.94 | |
| Levier (a) | ||||
| 33 | 329519 | 1.80 | 2.16 | |
| Vis Noir | ||||
| 34 | 327001 | 1.80 | 2.16 | |
| Crochet | ||||
| 35 | 332824 | 4.58 | 5.49 | |
| Levier (b) | ||||
| 36 | 329520 | 1.80 | 2.16 | |
| Bouton Inverseur | ||||
| 37 | 329454 | 1.05 | 1.26 | |
| Commutateur | ||||
| 38A | 337392 | 14.99 | 17.98 | |
| Écrou de blocage M4 (noir) | ||||
| 39 | 327002 | 1.80 | 2.16 | |
| Joint | ||||
| 40 | 328644 | 1.80 | 2.16 | |
| Sangle (noir) | ||||
| 41 | 306952 | 4.05 | 4.86 | |
| Entretoise Ferrite For Europe,gbr,nor,swe,den,fin | ||||
| 42 | 318247 | 1.05 | 1.26 | |
| Ensemble de terminaux du contrôleur | ||||
| 43 | 334957 | 45.65 | 54.78 | |
| Pas d'informations disponibles, non commandable | ||||
| 44 | 334727 | |||
| Pas d'informations disponibles, non commandable | ||||
| 502 | 337140 | |||
| Capuchon de protection pour batterie | ||||
| 503 | 329897 | 1.80 | 2.16 | |
| Pas d'informations disponibles, non commandable | ||||
| 601 | 873537 | |||
| Pas d'informations disponibles, non commandable | ||||
| 602 | 873187 | |||
| Pas d'informations disponibles, non commandable | ||||
| 603 | 991481 | |||
| Pas d'informations disponibles, non commandable | ||||
| 604 | 992610 | |||
| Pas d'informations disponibles, non commandable | ||||
| 605 | 955153 | |||
| Pas d'informations disponibles, non commandable | ||||
| 606 | 991476 | |||
| Pas d'informations disponibles, non commandable | ||||
| 607 | 944291 | |||
| Pas d'informations disponibles, non commandable | ||||
| 608 | 873632 | |||
| Pas d'informations disponibles, non commandable | ||||
| 609 | 873539 | |||
| Pas d'informations disponibles, non commandable | ||||
| 610 | 873540 | |||
| Pas d'informations disponibles, non commandable | ||||
| 611 | 873536 | |||
| Pas d'informations disponibles, non commandable | ||||
| 612 | 873624 | |||
| Pas d'informations disponibles, non commandable | ||||
| 613 | 873626 | |||
| Pas d'informations disponibles, non commandable | ||||
| 614 | 873627 | |||
| Pas d'informations disponibles, non commandable | ||||
| 615 | 986058 | |||
| Pas d'informations disponibles, non commandable | ||||
| 616 | 873633 | |||
| Pas d'informations disponibles, non commandable | ||||
| 617 | 955138 | |||
| Pas d'informations disponibles, non commandable | ||||
| 618 | 955139 | |||
| Pas d'informations disponibles, non commandable | ||||
| 619 | 955140 | |||
| Pas d'informations disponibles, non commandable | ||||
| 620 | 955141 | |||
| Pas d'informations disponibles, non commandable | ||||
| 621 | 955149 | |||
| Pas d'informations disponibles, non commandable | ||||
| 622 | 955142 | |||
| Pas d'informations disponibles, non commandable | ||||
| 623 | 955150 | |||
| Pas d'informations disponibles, non commandable | ||||
| 624 | 955143 | |||
| Pas d'informations disponibles, non commandable | ||||
| 625 | 955151 | |||
| Pas d'informations disponibles, non commandable | ||||
| 626 | 991480 | |||
| Pas d'informations disponibles, non commandable | ||||
| 627 | 955144 | |||
| Pas d'informations disponibles, non commandable | ||||
| 628 | 993658 | |||
| Pas d'informations disponibles, non commandable | ||||
| 629 | 993659 | |||
| SOCKET ASS'Y FOR DUCT 13MMX95L | ||||
| 630 | 992613 | 75.96 | 91.15 | |
| Pas d'informations disponibles, non commandable | ||||
| 631 | 992614 | |||
| Pas d'informations disponibles, non commandable | ||||
| 632 | 992615 | |||
| Pas d'informations disponibles, non commandable | ||||
| 633 | 992616 | |||
| Graisse (attolub Ms No.2) 500g | ||||
| 634 | 309922 | 73.01 | 87.62 | |
| Pas d'informations disponibles, non commandable | ||||
| 635 | 306927 | |||