Vous trouverez ici toutes les pièces et dessins disponibles du 'Hikoki WH18DSL'. De là, vous pouvez commander directement toutes les pièces souhaitées. De nombreuses pièces doivent être commandées auprès du fabricant, selon la marque, cela prend une à quatre semaines. Toutes les informations dont nous disposons se trouvent sur notre site Web, nous ne pouvons pas vous conseiller sur ce dont vous avez besoin, pour cela vous devrez retourner la machine pour réparation. Veuillez noter ce qui suit lors de la commande:
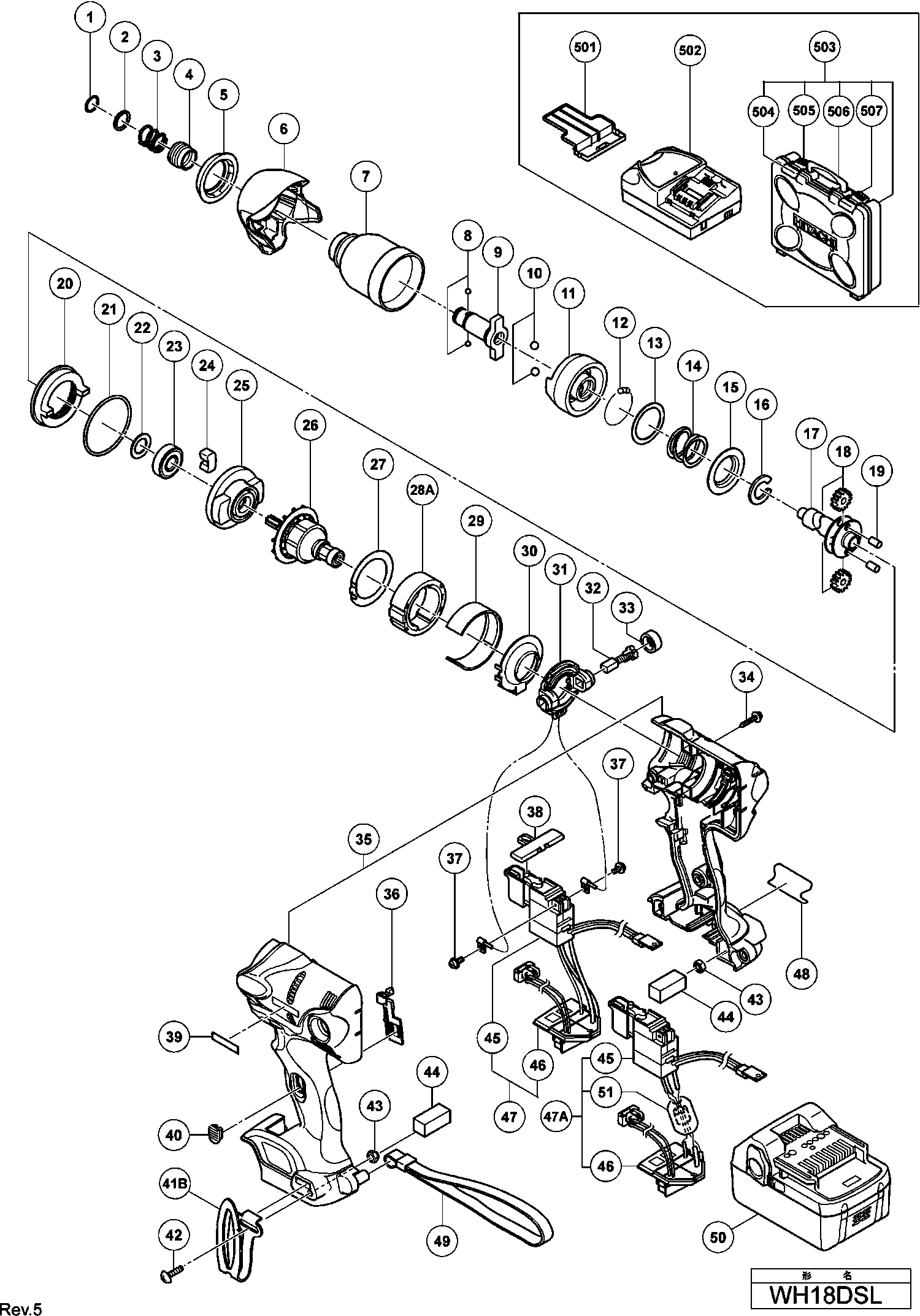
Dessins des Hikoki WH18DSL
Liste de pièces de rechange des Hikoki WH18DSL
| Pos. | Description | Prix hors TVA | Prix TTC | |
| Les prix affichés incluent la TVA | ||||
| Rondelle à ressort | ||||
| 1 | 315984 | 1.65 | 1.98 | |
| RONDELLE AVANT | ||||
| 2 | 315983 | 1.65 | 1.98 | |
| Ressort de guide (ANCIEN 322716) | ||||
| 3 | 321657 | 1.65 | 1.98 | |
| Bague Guide | ||||
| 4 | 322717 | 3.30 | 3.96 | |
| Capuchon Frontale | ||||
| 5 | 327766 | 1.80 | 2.16 | |
| Manchon Isolant | ||||
| 6 | 327765 | 3.45 | 4.14 | |
| Carter | ||||
| 7 | 327003 | 23.79 | 28.54 | |
| BILLE D'ACIER D3,5 (10 pièces) | ||||
| 8 | 319535 | 1.65 | 1.98 | |
| Arbre For Europe | ||||
| 9 | 329709 | 36.99 | 44.38 | |
| Bille Ø 5.556 (x10) paquet de 10 | ||||
| 10 | 959154 | 1.35 | 1.62 | |
| Entraineur | ||||
| 11 | 326789 | 21.73 | 26.07 | |
| Bille Acier Ø 3.175 (x10) | ||||
| 12 | 959148 | 1.05 | 1.26 | |
| RONDELLE AVANT | ||||
| 13 | 315978 | 1.65 | 1.98 | |
| Ressort de marteau | ||||
| 14 | 321660 | 3.30 | 3.96 | |
| Rondelle | ||||
| 15 | 316172 | 1.65 | 1.98 | |
| Arrêt | ||||
| 16 | 316171 | 4.35 | 5.22 | |
| Arbre | ||||
| 17 | 321666 | 32.18 | 38.61 | |
| Pignon | ||||
| 18 | 326295 | 21.31 | 25.58 | |
| Axe Wh9/12dm Wr12dm | ||||
| 19 | 319914 | 1.65 | 1.98 | |
| Engrenage | ||||
| 20 | 326787 | 13.89 | 16.66 | |
| O-ring Cm-6 | ||||
| 21 | 983852 | 1.95 | 2.34 | |
| Bague | ||||
| 22 | 319911 | 1.65 | 1.98 | |
| Roulement 6901vv-n | ||||
| 23 | 323118 | 6.75 | 8.10 | |
| Amortisseur | ||||
| 24 | 319909 | 4.80 | 5.76 | |
| Palier | ||||
| 25 | 326786 | 1.80 | 2.16 | |
| Set d'Induit | ||||
| 26 | 360853 | 67.79 | 81.34 | |
| Pattes de côté (anciennement 321659) | ||||
| 27 | 323327 | 1.65 | 1.98 | |
| Aimant (n) | ||||
| 28A | 334900 | 121.96 | 146.36 | |
| Pince | ||||
| 29 | 324828 | 3.45 | 4.14 | |
| Protection Poussiere | ||||
| 30 | 324830 | 1.80 | 2.16 | |
| Support Porte Charbons Includ.23,24 | ||||
| 31 | 321662 | 10.95 | 13.14 | |
| Charbon Wh8dh/wh9dm/wr12dh | ||||
| 32 | 999054 | 6.45 | 7.74 | |
| Bouchon Charbons Wh9/12dm | ||||
| 33 | 319918 | 3.30 | 3.96 | |
| Vis à tarauder D4x20 avec bride (noir) | ||||
| 34 | 301653 | 1.04 | 1.24 | |
| Boîtier (a+b) Vert | ||||
| 35 | 330102 | 27.78 | 33.33 | |
| Levier | ||||
| 36 | 326782 | 1.80 | 2.16 | |
| Vis Ø3x5 | ||||
| 37 | 994532 | 1.04 | 1.24 | |
| Bouton Inverseur Wr 12dmr | ||||
| 38 | 321661 | 1.65 | 1.98 | |
| Pas d'informations disponibles, non commandable | ||||
| 40 | 326783 | |||
| Pas d'informations disponibles, non commandable | ||||
| 41B | 335724 | |||
| Vis Noir | ||||
| 42 | 327001 | 1.80 | 2.16 | |
| Écrou de blocage M4 (noir) | ||||
| 43 | 327002 | 1.80 | 2.16 | |
| Joint | ||||
| 44 | 327004 | 1.80 | 2.16 | |
| Pas d'informations disponibles, non commandable | ||||
| 45 | 330099 | |||
| REGULATEUR | ||||
| 46 | 330084 | 40.70 | 48.84 | |
| Pas d'informations disponibles, non commandable | ||||
| 47 | 330083 | |||
| Pas d'informations disponibles, non commandable | ||||
| 47A | 334875 | |||
| Sangle (noir) | ||||
| 49 | 306952 | 4.05 | 4.86 | |
| Pas d'informations disponibles, non commandable | ||||
| 50 | 330068 | |||
| Couplage de ferrite | ||||
| 51 | 334873 | 4.20 | 5.04 | |
| Capuchon de protection pour batterie | ||||
| 501 | 329897 | 1.80 | 2.16 | |
| Pas d'informations disponibles, non commandable | ||||
| 503 | 329440 | |||
| Pas d'informations disponibles, non commandable | ||||
| 504 | 324093 | |||
| Pas d'informations disponibles, non commandable | ||||
| 505 | 324096 | |||
| Levier | ||||
| 506 | 324090 | 3.45 | 4.14 | |
| Pas d'informations disponibles, non commandable | ||||
| 507 | 324099 | |||
| Pas d'informations disponibles, non commandable | ||||
| 601 | 321823 | |||
| Graisse (attolub Ms No.2) 500g | ||||
| 602 | 309922 | 73.01 | 87.62 | |
| Pas d'informations disponibles, non commandable | ||||
| 603 | 992671 | |||
| Pas d'informations disponibles, non commandable | ||||
| 604 | 992672 | |||
| Pas d'informations disponibles, non commandable | ||||
| 605 | 996177 | |||
| Plus disponible, pas de remplacement | ||||
| 606 | 985329 | |||
| Pas d'informations disponibles, non commandable | ||||
| 607 | 996178 | |||
| Pas d'informations disponibles, non commandable | ||||
| 608 | 996179 | |||
| Pas d'informations disponibles, non commandable | ||||
| 609 | 996180 | |||
| Pas d'informations disponibles, non commandable | ||||
| 610 | 996185 | |||
| Pas d'informations disponibles, non commandable | ||||
| 611 | 996181 | |||
| Pas d'informations disponibles, non commandable | ||||
| 612 | 996182 | |||
| Pas d'informations disponibles, non commandable | ||||
| 613 | 996186 | |||
| Pas d'informations disponibles, non commandable | ||||
| 614 | 996197 | |||
| Pas d'informations disponibles, non commandable | ||||
| 615 | 996184 | |||
| Pas d'informations disponibles, non commandable | ||||
| 616 | 987575 | |||
| Pas d'informations disponibles, non commandable | ||||
| 617 | 930119 | |||
| Pas d'informations disponibles, non commandable | ||||
| 618 | 307543 | |||
| Pas d'informations disponibles, non commandable | ||||
| 619 | 306927 | |||