Vous trouverez ici toutes les pièces et dessins disponibles du 'Hikoki W6VB3'. De là, vous pouvez commander directement toutes les pièces souhaitées. De nombreuses pièces doivent être commandées auprès du fabricant, selon la marque, cela prend une à quatre semaines. Toutes les informations dont nous disposons se trouvent sur notre site Web, nous ne pouvons pas vous conseiller sur ce dont vous avez besoin, pour cela vous devrez retourner la machine pour réparation. Veuillez noter ce qui suit lors de la commande:
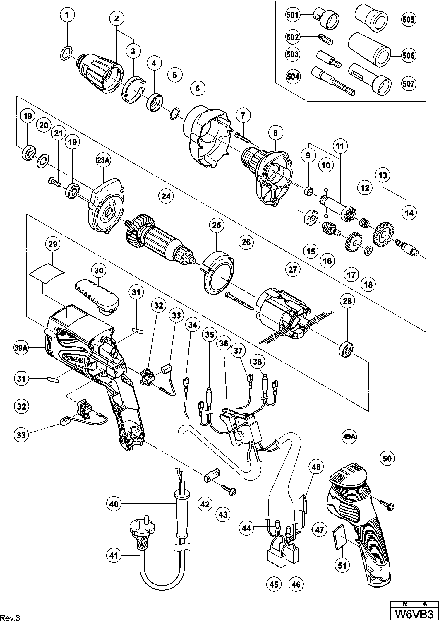
Dessins des Hikoki W6VB3
Liste de pièces de rechange des Hikoki W6VB3
| Pos. | Description | Prix hors TVA | Prix TTC | |
| Les prix affichés incluent la TVA | ||||
| Induit 230v | ||||
| *24 | 360675E | 35.06 | 42.08 | |
| ANKER 110 VOLT | ||||
| *24 | 360674 | 32.72 | 39.26 | |
| Inducteur W 6va4 | ||||
| *27 | 340599E | 19.39 | 23.26 | |
| VELD 110-120 VOLT | ||||
| *27 | 340599C | 18.10 | 21.72 | |
| SNOER 2.5M 2 X 1.0 H05VV-F W/PLUG 13A/250V (OLD 50 | ||||
| *41 | 500423Z | 12.87 | 15.44 | |
| Cable 2*0,75- 7,5 metres (w6v4) (cord Armor D8.8) | ||||
| *41 | 323559 | 5.55 | 6.66 | |
| Pas d'informations disponibles, non commandable | ||||
| *503 | 982554Z | |||
| Pas d'informations disponibles, non commandable | ||||
| *505 | 317670 | |||
| O-ring | ||||
| 1 | 876031 | 1.65 | 1.98 | |
| Pas d'informations disponibles, non commandable | ||||
| 2 | 323487 | |||
| Tôle à ressort | ||||
| 3 | 323488 | 1.95 | 2.34 | |
| Anti Poussiere | ||||
| 4 | 971468 | 1.05 | 1.26 | |
| Joint torique (f) W6v3/w6va3 | ||||
| 5 | 317662 | 1.65 | 1.98 | |
| Protecteur Carter W 8vb2 | ||||
| 6 | 323494 | 4.35 | 5.22 | |
| Protecteur Carter W 8vb2 | ||||
| 6A | 323494 | 4.35 | 5.22 | |
| Vis Ø 4*25 Noir | ||||
| 7 | 321057 | 1.65 | 1.98 | |
| Carter | ||||
| 8 | 323498 | 14.71 | 17.66 | |
| Bague | ||||
| 9 | 872573 | 1.35 | 1.62 | |
| Bille Acier Ø 3.175 (x10) | ||||
| 10 | 959148 | 1.05 | 1.26 | |
| Piece De Raccordement | ||||
| 11 | 317664 | 55.41 | 66.50 | |
| Ressort | ||||
| 12 | 306024 | 1.35 | 1.62 | |
| Engrenage Complet W6vb2 W 6vb3 Includ.14 | ||||
| 13 | 317771 | 55.41 | 66.50 | |
| Arbre De Transmission | ||||
| 14 | 307340 | 14.30 | 17.16 | |
| Roulement A Billes | ||||
| 15 | 608VVM | 5.70 | 6.84 | |
| Second Pignon Complet W6vb2/vb3 Includ.17 | ||||
| 16 | 317770 | 17.05 | 20.46 | |
| Engrenage | ||||
| 17 | 307337 | 14.10 | 16.92 | |
| Bague | ||||
| 18 | 323497 | 1.05 | 1.26 | |
| Roulement A Billes | ||||
| 19 | 608VVM | 5.70 | 6.84 | |
| Bague | ||||
| 20 | 933545 | 1.04 | 1.24 | |
| Vis Ø 4*8 | ||||
| 21 | 323556 | 1.05 | 1.26 | |
| Flasque W 8vb2 W 6vb3 Includ.19-21 | ||||
| 23A | 323493 | 12.00 | 14.40 | |
| Induit 230v | ||||
| 24 | 360675E | 35.06 | 42.08 | |
| ANKER 110 VOLT | ||||
| 24 | 360674 | 32.72 | 39.26 | |
| Baffle | ||||
| 25 | 323472 | 1.05 | 1.26 | |
| Vis Ø4x50 | ||||
| 26 | 961672 | 1.04 | 1.24 | |
| Inducteur W 6va4 | ||||
| 27 | 340599E | 19.39 | 23.26 | |
| VELD 110-120 VOLT | ||||
| 27 | 340599C | 18.10 | 21.72 | |
| Roulement A Billes | ||||
| 28 | 608VVM | 5.70 | 6.84 | |
| Crochet | ||||
| 30 | 323471 | 1.95 | 2.34 | |
| Porte Charbon | ||||
| 32 | 323512 | 3.90 | 4.68 | |
| Charbons Auto-stop(paire) | ||||
| 33 | 999091 | 14.40 | 17.28 | |
| Pas d'informations disponibles, non commandable | ||||
| 34 | 323567 | |||
| Anti Parasite Marron | ||||
| 35 | 323566 | 1.95 | 2.34 | |
| Commutateur | ||||
| 36 | 323479 | 14.99 | 17.98 | |
| Pas d'informations disponibles, non commandable | ||||
| 37 | 323569 | |||
| Anti Parasite Bleu | ||||
| 38 | 323568 | 1.95 | 2.34 | |
| Boîtier (vert) | ||||
| 39A | 326671 | 19.39 | 23.26 | |
| Boîtier (vert) | ||||
| 39C | 326671 | 19.39 | 23.26 | |
| Pas d'informations disponibles, non commandable | ||||
| 40 | 953327 | |||
| Cordon 7.5 Mètre Pour GBR 230 Volt | ||||
| 41 | 323560 | 15.26 | 18.32 | |
| SNOER 2.5M 2 X 1.0 H05VV-F W/PLUG 13A/250V (OLD 50 | ||||
| 41 | 500423Z | 12.87 | 15.44 | |
| SNOER 7.5 METER FOR GBR 110 VOLT | ||||
| 41 | 323562 | 10.14 | 12.17 | |
| Cable 2*0,75- 7,5 metres (w6v4) (cord Armor D8.8) | ||||
| 41 | 323559 | 5.55 | 6.66 | |
| Serre Cable | ||||
| 42 | 937631 | 1.04 | 1.24 | |
| Pas d'informations disponibles, non commandable | ||||
| 43 | 984750 | |||
| Connecteur 50091 | ||||
| 44 | 959140 | 3.30 | 3.96 | |
| Condensateur | ||||
| 45 | 930039 | 1.95 | 2.34 | |
| Condensateur | ||||
| 46 | 994273 | 4.29 | 5.14 | |
| Fil interne | ||||
| 47 | 317667 | 1.65 | 1.98 | |
| Terminale | ||||
| 48 | 992635 | 1.05 | 1.26 | |
| Couverture de Poignée | ||||
| 49A | 326672 | 12.75 | 15.30 | |
| Vis à tarauder D4x20 avec bride (noir) | ||||
| 50 | 301653 | 1.04 | 1.24 | |
| Pas d'informations disponibles, non commandable | ||||
| 51 | 329770 | |||
| Pas d'informations disponibles, non commandable | ||||
| 501 | 323352 | |||
| Pas d'informations disponibles, non commandable | ||||
| 502 | 971511Z | |||
| Pas d'informations disponibles, non commandable | ||||
| 503 | 982554Z | |||
| Pas d'informations disponibles, non commandable | ||||
| 504 | 985322 | |||
| Pas d'informations disponibles, non commandable | ||||
| 505 | 317671 | |||
| Pas d'informations disponibles, non commandable | ||||
| 506 | 317899 | |||
| Pas d'informations disponibles, non commandable | ||||
| 507 | 323351 | |||
| Pas d'informations disponibles, non commandable | ||||
| 601 | 317827 | |||
| Pas d'informations disponibles, non commandable | ||||
| 602 | 985326 | |||
| Pas d'informations disponibles, non commandable | ||||
| 603 | 985327 | |||
| Pas d'informations disponibles, non commandable | ||||
| 604 | 985328 | |||
| Plus disponible, pas de remplacement | ||||
| 605 | 985329 | |||
| Pas d'informations disponibles, non commandable | ||||
| 606 | 982563Z | |||
| Pas d'informations disponibles, non commandable | ||||
| 607 | 982554Z | |||
| Pas d'informations disponibles, non commandable | ||||
| 608 | 985333 | |||
| Pas d'informations disponibles, non commandable | ||||
| 609 | 971512Z | |||
| Pas d'informations disponibles, non commandable | ||||
| 610 | 985334 | |||
| Pas d'informations disponibles, non commandable | ||||
| 611 | 985335 | |||
| Pas d'informations disponibles, non commandable | ||||
| 612 | 985336 | |||
| Pas d'informations disponibles, non commandable | ||||
| 613 | 985337 | |||
| Pas d'informations disponibles, non commandable | ||||
| 614 | 985338 | |||
| Pas d'informations disponibles, non commandable | ||||
| 615 | 985339 | |||
| Pas d'informations disponibles, non commandable | ||||
| 616 | 985340 | |||
| Pas d'informations disponibles, non commandable | ||||
| 617 | 985341 | |||
| Pas d'informations disponibles, non commandable | ||||
| 618 | 985342 | |||
| Pas d'informations disponibles, non commandable | ||||
| 619 | 985343 | |||
| Pas d'informations disponibles, non commandable | ||||
| 620 | 985344 | |||
| Pas d'informations disponibles, non commandable | ||||
| 621 | 985330 | |||
| Pas d'informations disponibles, non commandable | ||||
| 622 | 985332 | |||
| Pas d'informations disponibles, non commandable | ||||
| 623 | 310904 | |||