Vous trouverez ici toutes les pièces et dessins disponibles du 'Hikoki TPH-230S'. De là, vous pouvez commander directement toutes les pièces souhaitées. De nombreuses pièces doivent être commandées auprès du fabricant, selon la marque, cela prend une à quatre semaines. Toutes les informations dont nous disposons se trouvent sur notre site Web, nous ne pouvons pas vous conseiller sur ce dont vous avez besoin, pour cela vous devrez retourner la machine pour réparation. Veuillez noter ce qui suit lors de la commande:
Dessins des Hikoki TPH-230S
Liste de pièces de rechange des Hikoki TPH-230S
| Pos. | Description | Prix hors TVA | Prix TTC | |
| Les prix affichés incluent la TVA | ||||
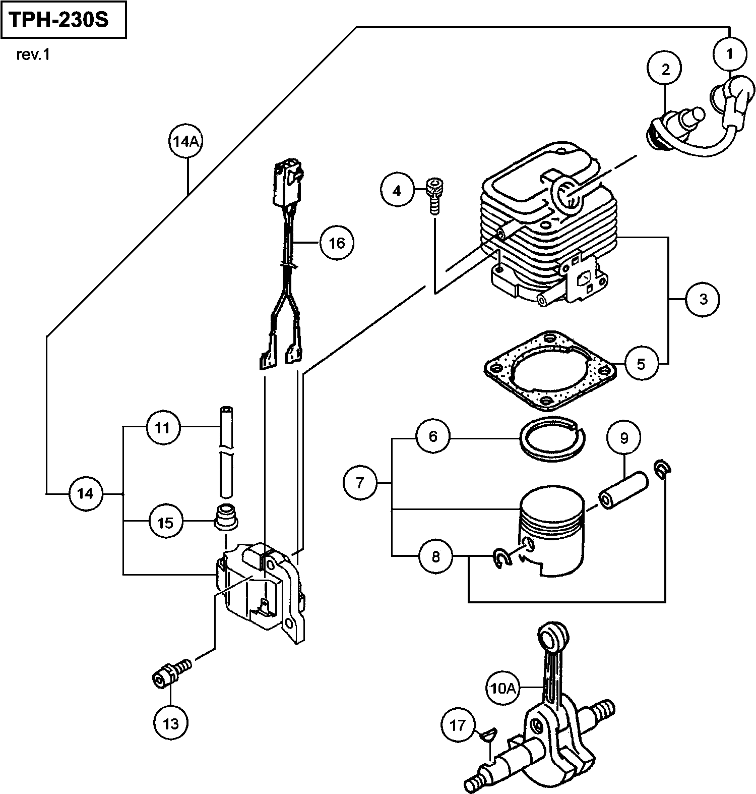
| Capuchon de bougie d'allumage d'ensemble (ancien 1 | ||||
| 1 | 6687468 | 2.31 | 2.78 | |
| Bougie d'allumage Rcj8y | ||||
| 2 | 6699328 | 3.30 | 3.96 | |
| Jeu de cylindres (ancien 001-07130-91) | ||||
| 3 | 6685489 | 34.19 | 41.02 | |
| Boulon à trou hexagonal M5x18 / s (ancien 994-6105 | ||||
| 4 | 6684586 | 2.15 | 2.58 | |
| Joint de cylindre (ancien 017-00980-20 & 6685743) | ||||
| 5 | 6685709 | 1.15 | 1.38 | |
| Bague de piston (ancien 041-00601-21/ 6686117) | ||||
| 6 | 6686118 | 4.45 | 5.34 | |
| Ensemble piston (ancien 030-00070-90) | ||||
| 7 | 6685869 | 15.58 | 18.69 | |
| Circlip de goupille de piston (ancien 039-00601-20 | ||||
| 8 | 6684590 | 2.15 | 2.58 | |
| Axe de piston | ||||
| 9 | 6696944 | 3.33 | 3.99 | |
| Arbre à manivelle comp. (ancien 046-07135-80) | ||||
| 10A | 6686217 | 42.20 | 50.64 | |
| Cordon Haute tension 140l (old 178-20549-20/668788 | ||||
| 11 | 6687888 | 2.31 | 2.78 | |
| Boulon à trou hexagonal 4x15/ps (ancien 994-63040- | ||||
| 13 | 6684682 | 2.15 | 2.58 | |
| Ass'y de Bobine d'Allumage (vieux 6687665/6699774) | ||||
| 14 | 6699772 | 17.85 | 21.42 | |
| Pas d'informations disponibles, non commandable | ||||
| 14A | 6697638 | |||
| Capuchon en Caoutchouc | ||||
| 15 | 6684602 | 2.15 | 2.58 | |
| Montage de fils de plomb | ||||
| 16 | 6697836 | 5.45 | 6.54 | |
| Clavette à ergot 3x13x4.5 (ancien 068-10100-20) | ||||
| 17 | 6684899 | 2.15 | 2.58 | |
| Cale d'arbre d'engrenage 0.20 (ancien 330-00200-23 | ||||
| 31 | 6684604 | 2.15 | 2.58 | |
| Cale d'arbre d'engrenage 0.30 (ancien 330-00200-24 | ||||
| 31 | 6684605 | 2.15 | 2.58 | |
| Cale d'arbre de transmission 0.10 (ancien 330-0020 | ||||
| 31 | 6689177 | 1.15 | 1.38 | |
| Cale d'arbre de transmission 0.15 (ancien 330-0020 | ||||
| 31 | 6689178 | 1.15 | 1.38 | |
| Ensemble de carter de manivelle (ancien 072-07120- | ||||
| 32 | 6695806 | 38.26 | 45.92 | |
| Carter de Manivelle Ass' (ancien 072-07120-92) | ||||
| 32A | 6686585 | 36.15 | 43.38 | |
| Joint d'huile | ||||
| 33 | 6684607 | 4.29 | 5.14 | |
| Roulement à billes 6001 C3 | ||||
| 34 | 6684608 | 3.80 | 4.56 | |
| Joint de carter de manivelle (ancien 090-06410-20) | ||||
| 35 | 6686719 | 1.15 | 1.38 | |
| Boulon à trou hexagonal M5x18 / s (ancien 994-6105 | ||||
| 36 | 6684586 | 2.15 | 2.58 | |
| Roto Magneto Comp. | ||||
| 37 | 6687376 | 15.88 | 19.05 | |
| Roto Magneto Comp. | ||||
| 37A | 6601171 | 22.99 | 27.58 | |
| Pas d'informations disponibles, non commandable | ||||
| 37B | 6696928 | |||
| Rondelle M8 (ancien 992-01080-011) | ||||
| 38 | 6684611 | 2.15 | 2.58 | |
| Écrou M8 (ancien 991-01080-011/327325/332299/72660 | ||||
| 39 | 6684612 | 2.15 | 2.58 | |
| Joint de collecteur d'admission | ||||
| 51 | 6689890 | 1.15 | 1.38 | |
| Set d'isolateurs de carburateur | ||||
| 52 | 6689914 | 5.94 | 7.12 | |
| Joint de carburateur (ancien 402-0602K-21/6689836) | ||||
| 53 | 6684615 | 2.15 | 2.58 | |
| Boulon à trou hexagonal 5x22/ws (ancien 994-64050- | ||||
| 54 | 6695514 | 1.15 | 1.38 | |
| Vis 5x60/s (ancienne 994-14050-601) | ||||
| 55 | 6695354 | 1.15 | 1.38 | |
| Bague | ||||
| 56 | 6684661 | 2.15 | 2.58 | |
| Tube de protection (ancien 223-07000-90) | ||||
| 57 | 6688174 | 2.31 | 2.78 | |
| Clip D6 (ancien 680-00070-20) | ||||
| 58 | 6685198 | 1.15 | 1.38 | |
| Pas d'informations disponibles, non commandable | ||||
| 59 | 6684620 | |||
| Réservoir, blanc (ancien 591-07120-21/6691593/6691 | ||||
| 60 | 6691592 | 9.58 | 11.49 | |
| Pas d'informations disponibles, non commandable | ||||
| 61 | 6685049 | |||
| Collier 5.8 (ancien 659-00801-20) | ||||
| 62 | 6692244 | 1.15 | 1.38 | |
| Set de carburateur | ||||
| 63 | 6690513 | 50.21 | 60.26 | |
| Set de carburateur | ||||
| 63A | 6690512 | 66.40 | 79.68 | |
| Capuchon pivotant (ancien 560-07120-21/6684628) | ||||
| 64 | 6691337 | 1.15 | 1.38 | |
| Boulon à trou hexagonal 5x16/ps (ancien 994-63050- | ||||
| 65 | 6695504 | 1.15 | 1.38 | |
| Boulon (avec bride) | ||||
| 65A | 6696574 | 1.05 | 1.26 | |
| Vis 5x20ws (ancien 994-65050-205) | ||||
| 66 | 6695516 | 1.15 | 1.38 | |
| Boulon (avec bride) | ||||
| 66A | 6696574 | 1.05 | 1.26 | |
| Pas d'informations disponibles, non commandable | ||||
| 67 | 6684625 | |||
| Plus disponible, pas de remplacement | ||||
| 68 | 6684880 | |||
| Grommet de retour (ancien 6684627) | ||||
| 69 | 6697846 | 1.04 | 1.24 | |
| Protecteur de silencieux (ancienne 738-06541-22) | ||||
| 91 | 6692798 | 5.94 | 7.12 | |
| Protecteur de Silencieux Noir (ancien 738-07162-20 | ||||
| 91A | 6692809 | 5.11 | 6.14 | |
| Vis 4x15ps (ancien 994-15040-151) | ||||
| 92 | 6695373 | 1.15 | 1.38 | |
| Vis autotaraudeuse D4.5x12 (ancien 990-73045-124) | ||||
| 94 | 6684637 | 2.15 | 2.58 | |
| Boulon de Tête de Douille Hex. M5x50 (ancien 990-5 | ||||
| 95 | 6685114 | 1.15 | 1.38 | |
| Rondelle Ø 5 | ||||
| 96 | 6684918 | 2.15 | 2.58 | |
| Ensemble de silencieux (ancien 704-07001-90) | ||||
| 98 | 6692487 | 11.88 | 14.25 | |
| Joint de silencieux (ancien 737-07000-20 & 6692743 | ||||
| 100 | 6692745 | 1.15 | 1.38 | |
| Bouclier thermique | ||||
| 101 | 6687253 | 2.31 | 2.78 | |
| Couvercle de bougie d'allumage, noir (ancien 257-0 | ||||
| 102 | 6688350 | 3.30 | 3.96 | |
| Pas d'informations disponibles, non commandable | ||||
| 103 | 6697619 | |||
| Chaussure d'accouplement | ||||
| 104 | 6688616 | 7.59 | 9.10 | |
| BRAS D'EMBRAYAGE COMP 54 NOUVEAU | ||||
| 104A | 6697161 | 6.90 | 8.28 | |
| Ressort d'embrayage (ancien 342-06410-20) | ||||
| 105 | 6689430 | 2.31 | 2.78 | |
| Pas d'informations disponibles, non commandable | ||||
| 105A | 6697618 | |||
| Plaque d'embrayage A (ancien 348-0602r-20) | ||||
| 106 | 6689528 | 1.15 | 1.38 | |
| Boulon d'étape (ancien 357-00601-20) | ||||
| 107 | 6689627 | 1.15 | 1.38 | |
| Boulon d'étape (ancien 357-0075t-20) | ||||
| 107A | 6684646 | 2.15 | 2.58 | |
| Bague | ||||
| 108 | 6684648 | 2.15 | 2.58 | |
| Pas d'informations disponibles, non commandable | ||||
| 109 | 6696932 | |||
| Boulon à trou hexagonal M5x18/ws (ancien 994-64050 | ||||
| 110 | 6684647 | 2.15 | 2.58 | |
| Vis à tôle D4.5x20 (ancien 990-72045-204) | ||||
| 111 | 6685191 | 1.15 | 1.38 | |
| Boulon à trou hexagonal M5x30/ws (ancien 994-64050 | ||||
| 112 | 6684973 | 2.15 | 2.58 | |
| Composant de bride de cordon (ancien 198-11600-80/ | ||||
| 113 | 6688011 | 1.15 | 1.38 | |
| Passage de câble (ancien 202-10200-20) | ||||
| 114 | 6688040 | 1.15 | 1.38 | |
| Ensemble de silencieux (ancien 704-07139-90 & 6692 | ||||
| 116 | 6692496 | 12.54 | 15.04 | |
| Joint spécial du silencieux (ancien 751-04200-20) | ||||
| 117 | 6692883 | 1.15 | 1.38 | |
| Ensemble de tuyau d'échappement, de rechange (anci | ||||
| 118 | 6692709 | 2.31 | 2.78 | |
| Bague | ||||
| 119 | 6685109 | 1.15 | 1.38 | |
| Ensemble de grille de silencieux (ancien 732-0099f | ||||
| 120 | 6692688 | 2.31 | 2.78 | |
| Boitier de démarreur à rappel (ancien 762-07085-90 | ||||
| 131 | 6692986 | 48.25 | 57.90 | |
| Poignée de démarrage | ||||
| 132 | 6693240 | 14.35 | 17.22 | |
| Corps de démarreur à rappel Comp, (ancien 772-0708 | ||||
| 133 | 6693038 | 30.25 | 36.30 | |
| Corde de démarrage (ancien 783-06097-20/6693174) | ||||
| 134 | 6693168 | 2.31 | 2.78 | |
| Ressort de rappel (ancien 780-07085-20) | ||||
| 135 | 6693138 | 9.90 | 11.88 | |
| Plaque de Ressort (ancienne 786-07085-20) | ||||
| 136 | 6693252 | 14.68 | 17.61 | |
| Boîtier de ressort (ancien 778-07085-91) | ||||
| 137A | 6693101 | 32.21 | 38.66 | |
| Bague de démarrage (ancien 328-07085-20) | ||||
| 138 | 6689170 | 12.05 | 14.46 | |
| Poulie de lanceur (ancien 774-07085-20) | ||||
| 139 | 6693078 | 6.44 | 7.72 | |
| Poulie de démarrage (ancien 774-07085-21) | ||||
| 139A | 6693079 | 7.10 | 8.52 | |
| Bague | ||||
| 140 | 6687947 | 2.31 | 2.78 | |
| Vis à fileter D5x14 (ancien 990-72050-144) | ||||
| 141 | 6685275 | 1.15 | 1.38 | |
| Base de démarrage (ancien 806-07120-20) | ||||
| 142 | 6693470 | 3.30 | 3.96 | |
| Boulon à trou hexagonal 4x12ws (ancien 994-64040-1 | ||||
| 143 | 6695507 | 1.15 | 1.38 | |
| Ecrou carré 5 (ancien 991-91050-001) | ||||
| 144 | 6695176 | 1.15 | 1.38 | |
| Vis à tôle D4.5x14 (ancien 990-73045-144) | ||||
| 145 | 6685153 | 1.15 | 1.38 | |
| Ensemble Poulie de Démarreur (old 798-07085-90) | ||||
| 146 | 6693408 | 32.21 | 38.66 | |
| Boitier de démarreur à rappel (ancien 762-07130-91 | ||||
| 151 | 6692988 | 42.20 | 50.64 | |
| Poignée de démarrage | ||||
| 152 | 6693240 | 14.35 | 17.22 | |
| Corps de démarreur à rappel Comp. (ancien 772-0713 | ||||
| 153 | 6693039 | 24.20 | 29.04 | |
| Corde 2.6x830 (ancienne 783-07130-20) | ||||
| 154 | 6693175 | 6.44 | 7.72 | |
| Ressort de rappel (ancien 780-07130-20) | ||||
| 155 | 6693139 | 9.74 | 11.68 | |
| Boîtier de ressort (ancien 778-07130-90) | ||||
| 156 | 6693102 | 30.25 | 36.30 | |
| Bobine de corde de démarrage (ancien 774-07130-20) | ||||
| 157 | 6693080 | 6.44 | 7.72 | |
| Bague | ||||
| 158 | 6687947 | 2.31 | 2.78 | |
| Vis à fileter D5x14 (ancien 990-72050-144) | ||||
| 159 | 6685275 | 1.15 | 1.38 | |
| Boulon à trou hexagonal 4x18ws (ancien 994-64040-1 | ||||
| 160 | 6695508 | 1.15 | 1.38 | |
| Écrou à collerette 5 (ancien 991-82050-001) | ||||
| 161 | 6695169 | 1.15 | 1.38 | |
| Ensemble Poulie de Démarreur (old 798-07085-90) | ||||
| 162 | 6693408 | 32.21 | 38.66 | |
| Pas d'informations disponibles, non commandable | ||||
| 171A | 6699995 | |||
| Boîtier de Démarreur à Rappel Comp. (ancien 772-07 | ||||
| 172 | 6684673 | 19.06 | 22.88 | |
| Corde de démarrage 3.5x860 (ancien 783-0720f-20/66 | ||||
| 173 | 6684674 | 4.29 | 5.14 | |
| Ressort de rappel (ancien 780-06097-20/6697591) | ||||
| 174 | 6684675 | 11.55 | 13.86 | |
| Bobine de corde de démarrage | ||||
| 175A | 6699997 | 8.41 | 10.10 | |
| Ressort d'amortisseur (ancien 758-0651h-20) | ||||
| 176 | 6684677 | 8.58 | 10.29 | |
| PLAQUE À CAMES | ||||
| 177A | 6699996 | 2.55 | 3.06 | |
| Vis de réglage (ancienne 839-03045-20) | ||||
| 178 | 6684679 | 2.15 | 2.58 | |
| Poignée de démarrage | ||||
| 179 | 6684680 | 2.15 | 2.58 | |
| Poulie de démarrage Ass'y (ancien 798-0651h-90) | ||||
| 180 | 6684681 | 13.20 | 15.84 | |
| Boulon à trou hexagonal 4x18ws (ancien 994-64040-1 | ||||
| 181 | 6695508 | 1.15 | 1.38 | |
| Bague de retenue D4e (ancien 993-55040-001) | ||||
| 182 | 6685101 | 1.15 | 1.38 | |
| Ressort de griffe de démarrage (ancien 790-06097-2 | ||||
| 183 | 6684684 | 4.29 | 5.14 | |
| Pince d'allumage (ancien 788-0651h-20) | ||||
| 184 | 6684685 | 4.29 | 5.14 | |
| Ass'y de Plaque de Came | ||||
| 185 | 6699691 | 6.10 | 7.32 | |
| Cleaner Assy (ancien 410-07142-91 et 6690047) | ||||
| 201 | 6690048 | 9.58 | 11.49 | |
| Couvercle du filtre à air | ||||
| 202 | 6690391 | 4.45 | 5.34 | |
| Élément de filtre à air | ||||
| 203 | 6684654 | 2.15 | 2.58 | |
| Vis spéciale (ancien 380-0637c-20) | ||||
| 204 | 6689737 | 1.15 | 1.38 | |
| Corps de nettoyeur Comp. (ancien 423-00070-81) | ||||
| 205 | 6684656 | 8.58 | 10.29 | |
| Soupape d'étranglement (ancien 528-07143-81) | ||||
| 206 | 6684657 | 4.29 | 5.14 | |
| Pas d'informations disponibles, non commandable | ||||
| 207 | 6684658 | |||
| Collier 8 (ancien 657-3252a-20) | ||||
| 208 | 6684659 | 2.15 | 2.58 | |
| Corps de pompe comp. (ancien 575-25153-80) | ||||
| 221 | 6684879 | 62.16 | 74.60 | |
| Pompe d'amorçage comp. (ancien 442-25151-80) | ||||
| 222 | 6684687 | 16.34 | 19.60 | |
| Couvercle de membrane (ancien 476-25151-20) | ||||
| 223 | 6684688 | 8.58 | 10.29 | |
| Corps d'amorçage (ancien 447-25108-20) | ||||
| 224 | 6684689 | 6.44 | 7.72 | |
| Diaphragme de mesure Comp. (ancien 474-25241-80) | ||||
| 225 | 6690830 | 11.88 | 14.25 | |
| Joint de diaphragme (ancien 475-25153-20) | ||||
| 226 | 6684691 | 8.58 | 10.29 | |
| Diaphragme de pompe (ancien 576-25100-20 & 6696325 | ||||
| 227 | 6684693 | 8.58 | 10.29 | |
| Joint de pompe (ancien 577-25100-20) | ||||
| 228 | 6691457 | 7.10 | 8.52 | |
| Jet principal #40 (ancien 599-2000w-40) | ||||
| 229 | 6691845 | 4.45 | 5.34 | |
| Jet principal #38 (ancien 599-2000w-38) | ||||
| 229A | 6691844 | 4.45 | 5.34 | |
| O-RING (ancien 550-25100-20) | ||||
| 230 | 6684695 | 4.29 | 5.14 | |
| Bague d'arrêt (ancien 489-25100-20) | ||||
| 231 | 6684696 | 2.15 | 2.58 | |
| Pivot (ancien 539-25120-20) | ||||
| 232 | 6684697 | 6.44 | 7.72 | |
| Vis de réglage de l'accélérateur (ancien 548-25140 | ||||
| 233 | 6684698 | 4.29 | 5.14 | |
| Vis de réglage (ancien 548-25151-20 & 6696324) | ||||
| 234 | 6684699 | 2.15 | 2.58 | |
| Écran d'entrée (ancien 578-25007-20) | ||||
| 235 | 6684700 | 4.29 | 5.14 | |
| Soupape de commande d'acceleration comp. (ancien 4 | ||||
| 236 | 6684883 | 18.75 | 22.50 | |
| Arbre de béquille comp. (ancien 289-07061-80/66885 | ||||
| 251 | 6695969 | 15.73 | 18.87 | |
| Anneau d'arrêt C-12 Extérieur | ||||
| 252 | 6684664 | 2.15 | 2.58 | |
| Caoutchouc anti-vibrateur | ||||
| 253 | 6691839 | 3.30 | 3.96 | |
| Boulon à trou hexagonal 5x16 (ancien 990-51050-163 | ||||
| 254 | 6695046 | 1.15 | 1.38 | |
| Boulon trou hexagonal M5x25/s (ancien 994-16050-25 | ||||
| 255 | 6684709 | 2.15 | 2.58 | |
| Enveloppe De Ventilateur | ||||
| 256 | 6687029 | 15.13 | 18.15 | |
| Support de tuyau, TPE | ||||
| 257 | 6689651 | 5.94 | 7.12 | |
| Rondelle Ø 5 | ||||
| 258 | 6684918 | 2.15 | 2.58 | |
| Bague | ||||
| 259 | 6689159 | 1.15 | 1.38 | |
| Raccord métallique (ancien 361-00990-20) | ||||
| 260 | 6689664 | 3.30 | 3.96 | |
| Arbre d'entraînement, 978l (ancien 343-32292-20) | ||||
| 281 | 6689440 | 14.68 | 17.61 | |
| Arbre d'entraînement 945 (ancien 341-32273-81) | ||||
| 282 | 6689304 | 22.24 | 26.68 | |
| Douille Ass'y (ancien 6684831) | ||||
| 283 | 6697839 | 4.29 | 5.14 | |
| Hex.nut 6 (ancien 6684792/991-01060-041/790444) | ||||
| 284 | 6684835 | 2.15 | 2.58 | |
| Poignée Courbe, 24 Dia., noir (ancien 500-37286-20 | ||||
| 285 | 6691046 | 5.78 | 6.93 | |
| Support de poignée A (ancien 506-37300-20) | ||||
| 286 | 6691134 | 2.31 | 2.78 | |
| Poignée (ancien 503-3738e-20) | ||||
| 287 | 6691098 | 6.44 | 7.72 | |
| Boulon 6x43/p (noir) (ancien 994-23060-432) | ||||
| 289 | 6684838 | 2.15 | 2.58 | |
| Vis à tôle 5x20 (ancienne 993-11052-012) | ||||
| 290 | 6695255 | 1.15 | 1.38 | |
| Bague | ||||
| 291 | 6689681 | 1.15 | 1.38 | |
| Levier de papillon Ass'y (ancien 870-38449-90) | ||||
| 292 | 6693769 | 36.15 | 43.38 | |
| Câble d'accélérateur | ||||
| 294 | 6693982 | 19.96 | 23.96 | |
| Câble d'accélérateur 4t (ancien 887-38449-80) | ||||
| 295 | 6694025 | 8.41 | 10.10 | |
| Bouton d'arrêt Comp. (ancien 156-37821-80) | ||||
| 296 | 6687452 | 13.91 | 16.70 | |
| Tube de protection 7x145l (ancien 164-07014-50) No | ||||
| 297 | 6687523 | 1.05 | 1.26 | |
| Plus disponible, pas de remplacement | ||||
| 298 | 6684721 | |||
| Ressort de rappel (ancien 832-38400-20) | ||||
| 299 | 6684722 | 2.15 | 2.58 | |
| Bouchon aveugle (ancien 322-38400-20) | ||||
| 300 | 6684724 | 2.15 | 2.58 | |
| Vis M5x20 (ancien 994-31050-203) | ||||
| 301 | 6684803 | 2.15 | 2.58 | |
| Pas d'informations disponibles, non commandable | ||||
| 302 | 6684727 | |||
| Vis M4x20 (noire) (ancienne 993-46040-202) | ||||
| 303 | 6684725 | 2.15 | 2.58 | |
| Levier de gaz (ancien 880-38400-20) | ||||
| 304 | 6684804 | 8.58 | 10.29 | |
| Assemblage de métal de levage (ancien 335-37526-90 | ||||
| 305 | 6689277 | 3.30 | 3.96 | |
| Boîtier d'engrenage A, 24 Dia (ancien 300-32291-20 | ||||
| 321 | 6688656 | 32.21 | 38.66 | |
| Boîtier d'engrenage A, 24 Dia (ancien 300-32287-21 | ||||
| 321A | 6688653 | 30.25 | 36.30 | |
| Roulement à billes 6901ZZ/OD (ancien 999-61690-101 | ||||
| 322 | 6695582 | 9.74 | 11.68 | |
| Anneau d'arrêt S-12, externe (ancien 993-52012-002 | ||||
| 323 | 6695302 | 1.15 | 1.38 | |
| Arrêt Anneau C-24.inner (ancien 993-51024-002) | ||||
| 324 | 6684732 | 2.15 | 2.58 | |
| Pas d'informations disponibles, non commandable | ||||
| 325 | 6698772 | |||
| Pas d'informations disponibles, non commandable | ||||
| 326 | 6695458 | |||
| COMP. DE GRAISSEUR (VIEUX 300-32250-80) | ||||
| 326A | 6688643 | 1.15 | 1.38 | |
| O Ring P-41 (ancien 999-67041-000) | ||||
| 327 | 6695678 | 1.15 | 1.38 | |
| Plus disponible, pas de remplacement | ||||
| 328 | 6695322 | |||
| Boulon à trou hexagonal 5x10 (ancien 990-51050-103 | ||||
| 329 | 6695042 | 1.15 | 1.38 | |
| Boulon à trou hexagonal 5x22/s (ancien 994-61050-2 | ||||
| 330 | 6695492 | 1.15 | 1.38 | |
| Boulon trou hexagonal M5x25/s (ancien 994-16050-25 | ||||
| 330A | 6684709 | 2.15 | 2.58 | |
| Écrou à Aveugle Bride 8 (ancien 991-44080-022) | ||||
| 331 | 6695149 | 1.15 | 1.38 | |
| Boulon à trou hexagonal 6x12 (ancien 990-53060-125 | ||||
| 331A | 6695078 | 1.15 | 1.38 | |
| Bague | ||||
| 332 | 6685856 | 2.31 | 2.78 | |
| Bague | ||||
| 332A | 6684822 | 2.15 | 2.58 | |
| Bague | ||||
| 332B | 6684822 | 2.15 | 2.58 | |
| Boîtier d'engrenage B (ancien 301-32286-21) (ancie | ||||
| 333 | 6695981 | 40.24 | 48.28 | |
| Pas d'informations disponibles, non commandable | ||||
| 334 | 6695528 | |||
| BAGUE D'ARRÊT C-26, interne (ANCIEN 993-51026-002) | ||||
| 335 | 6695294 | 1.15 | 1.38 | |
| Bague d'arrêt E-6 (ancien 993-55060-000) | ||||
| 336 | 6695310 | 1.15 | 1.38 | |
| Couvercle du boîtier d'engrenage A (ancien 327-322 | ||||
| 337 | 6689167 | 1.15 | 1.38 | |
| Vis 4x8 (ancien 990-11040-081) | ||||
| 338 | 6694861 | 1.15 | 1.38 | |
| Boulon à trou hexagonal 4x8 (ancien 990-51040-085) | ||||
| 338A | 6695035 | 1.15 | 1.38 | |
| Pas d'informations disponibles, non commandable | ||||
| 339 | 6698772 | |||
| Bouton de poignée A Comp. (ancien 512-32285-80) | ||||
| 340 | 6691199 | 3.30 | 3.96 | |
| Boulon spécial (ancien 196-32285-20) | ||||
| 342 | 6687990 | 1.15 | 1.38 | |
| Bague | ||||
| 343 | 6684826 | 2.15 | 2.58 | |
| Vis à tête ronde avec trou hexagonal 6x15 (ancien | ||||
| 344 | 6695079 | 1.15 | 1.38 | |
| Plus disponible, pas de remplacement | ||||
| 345A | 6696411 | |||
| Bouton de poignée (ancien 512-32298-20) | ||||
| 346 | 6691201 | 2.31 | 2.78 | |
| Bouton de poignée A Comp. (ancien 512-32286-80) | ||||
| 346A | 6691200 | 3.30 | 3.96 | |
| Arbre d'engrenage (ancien 305-32282-22) | ||||
| 347 | 6688958 | 20.21 | 24.26 | |
| Plus disponible, pas de remplacement | ||||
| 348 | 6689753 | |||
| Cale (ancien 071-32282-23) | ||||
| 349 | 6686485 | 2.31 | 2.78 | |
| Cale (ancien 071-32282-21) | ||||
| 349 | 6686483 | 1.15 | 1.38 | |
| Cale (ancien 071-32282-22) | ||||
| 349 | 6686484 | 1.15 | 1.38 | |
| Pas d'informations disponibles, non commandable | ||||
| 350 | 6686752 | |||
| Joint en Caoutchouc | ||||
| 351 | 6686659 | 1.15 | 1.38 | |
| Ecrou (ancien 121-32530-20) | ||||
| 352 | 6685166 | 2.31 | 2.78 | |
| Plus disponible, pas de remplacement | ||||
| 353 | 6692945 | |||
| BAGUE D'ARRÊT C-22, interne (ANCIEN 993-51022-002) | ||||
| 354 | 6695293 | 1.15 | 1.38 | |
| Bague | ||||
| 355 | 6684822 | 2.15 | 2.58 | |
| BAGUE D'ARRÊT C-22, interne (ANCIEN 993-51022-002) | ||||
| 356 | 6695293 | 1.15 | 1.38 | |
| Poignée (ancien 210-32286-20) | ||||
| 357 | 6688089 | 4.45 | 5.34 | |
| Joint en Caoutchouc | ||||
| 358 | 6686669 | 1.15 | 1.38 | |
| Boulon Plus 6x14 (ancien 990-23060-141) | ||||
| 359 | 6695016 | 1.15 | 1.38 | |
| Hex.nut 6 (ancien 6684792/991-01060-041/790444) | ||||
| 360 | 6684835 | 2.15 | 2.58 | |
| Ecrou 6 Ups-p (ancien 991-87060-001 & 6698766) | ||||
| 360A | 6695175 | 1.15 | 1.38 | |
| Plaque de support (ancien 462-32286-20) | ||||
| 361 | 6690744 | 11.23 | 13.47 | |
| Bague | ||||
| 362 | 6684639 | 2.15 | 2.58 | |
| Composition de l'arbre à cames (ancien 100-32282-8 | ||||
| 381 | 6686790 | 36.15 | 43.38 | |
| Tige de came (ancien 101-33160-22/6686808) | ||||
| 382 | 6686809 | 5.94 | 7.12 | |
| Plaque de guidage de tige de came (ancienne 075-32 | ||||
| 383 | 6686611 | 1.15 | 1.38 | |
| Guide de coupe (ancien 122-32292-20) | ||||
| 384 | 6687128 | 19.51 | 23.42 | |
| Guide de cutter (ancien 122-32232-20) | ||||
| 384A | 6687124 | 18.30 | 21.96 | |
| Guide de cutter 625.5mm (ancien 122-32286-21) | ||||
| 384B | 6687125 | 24.20 | 29.04 | |
| Couteau B (ancien 121-32286-20) | ||||
| 385 | 6687103 | 40.24 | 48.28 | |
| Coupe (ancien 120-32287-21/6696516) | ||||
| 385A | 6687079 | 46.29 | 55.54 | |
| Boulon | ||||
| 386 | 6687160 | 1.15 | 1.38 | |
| Boulon | ||||
| 386A | 6687158 | 1.15 | 1.38 | |
| Plus disponible, pas de remplacement | ||||
| 387 | 6687187 | |||
| Ecrou de fixation pour coupeur (ancien 123-33202-2 | ||||
| 388 | 6687156 | 1.15 | 1.38 | |
| Ecrou de bride | ||||
| 388A | 6695170 | 1.15 | 1.38 | |
| Vis à tête fraisée à trou hexagonal 6x16 (ancien 9 | ||||
| 389 | 6695073 | 1.15 | 1.38 | |
| Plus disponible, pas de remplacement | ||||
| 390 | 6686654 | |||
| Joint en Caoutchouc | ||||
| 390A | 6686647 | 1.15 | 1.38 | |
| Plaque de retenue de la tige de came (ancien 105-3 | ||||
| 391 | 6686826 | 1.15 | 1.38 | |
| Couvercle du boîtier d'engrenage B (ancien 328-322 | ||||
| 392 | 6689172 | 16.34 | 19.60 | |
| Roulement à billes 608 Zz C3 | ||||
| 393 | 6695547 | 3.30 | 3.96 | |
| Boulon à trou hexagonal 4x10s (ancien 994-61040-10 | ||||
| 394 | 6695484 | 1.15 | 1.38 | |
| Boulon à trou hexagonal M4x12/s (ancien 994-61040- | ||||
| 395 | 6684595 | 2.15 | 2.58 | |
| Couverture de cutter (ancien 138-33258-20) | ||||
| 396 | 6687311 | 7.59 | 9.10 | |
| Capot de coupeur (ancien 138-33168-20) | ||||
| 396A | 6687301 | 8.41 | 10.10 | |
| Plus disponible, pas de remplacement | ||||
| 397 | 6687162 | |||
| Boulon à tête fraisée à trou hexagonal 6x25 (ancie | ||||
| 398 | 6695075 | 1.15 | 1.38 | |
| Joint en Caoutchouc | ||||
| 399 | 6686666 | 1.15 | 1.38 | |
| Entretoise (ancien 296-32286-20) | ||||
| 400 | 6688633 | 1.15 | 1.38 | |
| Plaque de protection | ||||
| 401A | 6601208 | 13.86 | 16.64 | |
| Ecrou 6 Ups-p (ancien 991-87060-001 & 6698766) | ||||
| 402 | 6695175 | 1.15 | 1.38 | |
| Bague | ||||
| 403 | 6684639 | 2.15 | 2.58 | |
| Clé mixte 10x19 ,plus (ancien 036-29331-50) | ||||
| 501 | 6685997 | 4.45 | 5.34 | |
| Pas d'informations disponibles, non commandable | ||||
| 502 | 6684813 | |||
| Pas d'informations disponibles, non commandable | ||||
| 503 | 6692867 | |||
| Marque de départ (ancien 915-07355-20) | ||||
| 601 | 6694472 | 1.15 | 1.38 | |
| Marque Symbole Tph-230s (ancien 929-07145-20) Nouv | ||||
| 602 | 6694642 | 1.05 | 1.26 | |