Vous trouverez ici toutes les pièces et dessins disponibles du 'Hikoki TCG24EAS'. De là, vous pouvez commander directement toutes les pièces souhaitées. De nombreuses pièces doivent être commandées auprès du fabricant, selon la marque, cela prend une à quatre semaines. Toutes les informations dont nous disposons se trouvent sur notre site Web, nous ne pouvons pas vous conseiller sur ce dont vous avez besoin, pour cela vous devrez retourner la machine pour réparation. Veuillez noter ce qui suit lors de la commande:
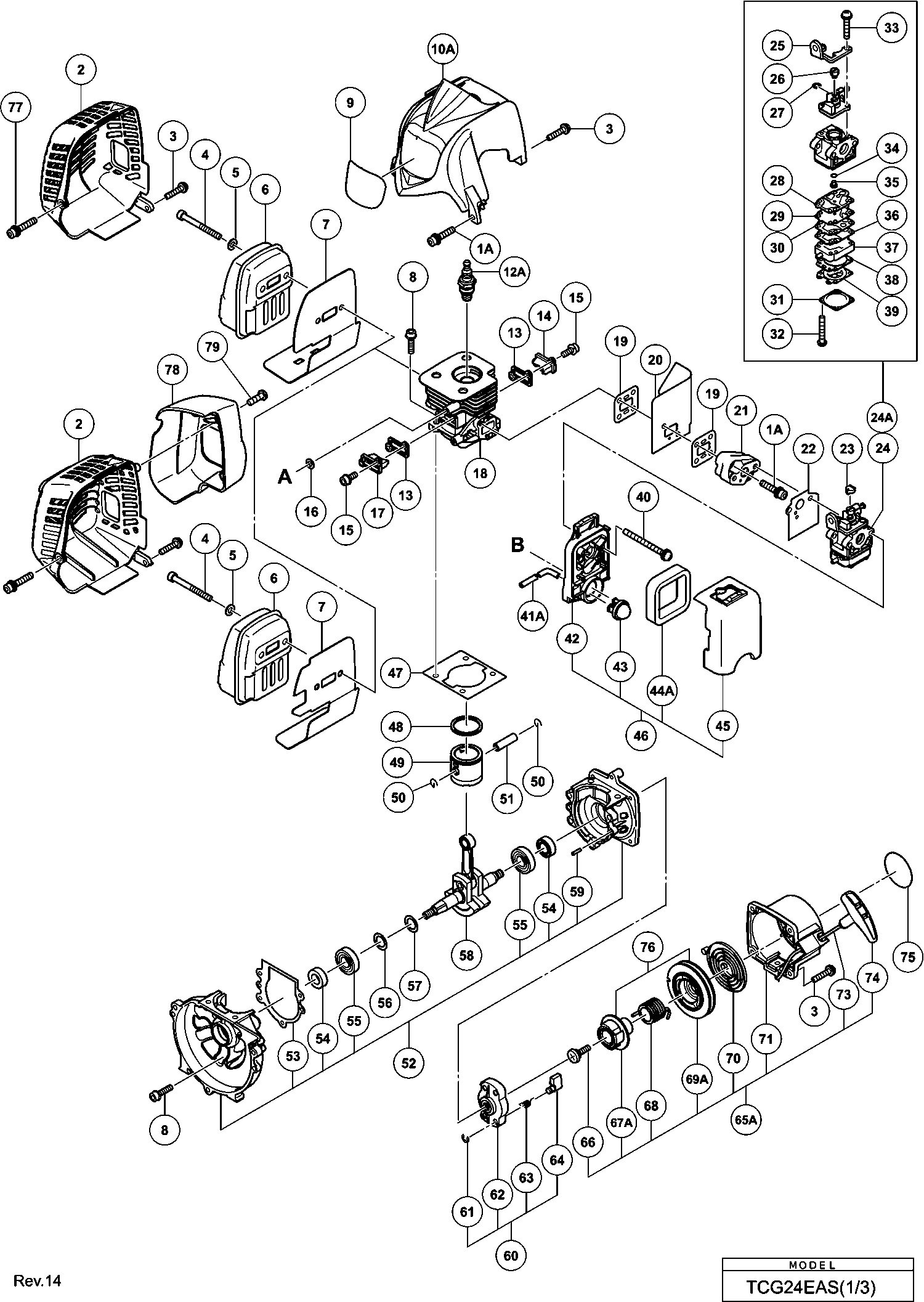
Dessins des Hikoki TCG24EAS
Liste de pièces de rechange des Hikoki TCG24EAS
| Pos. | Description | Prix hors TVA | Prix TTC | |
| Les prix affichés incluent la TVA | ||||
| Bougie Bmr7a | ||||
| *12A | 6699316 | 8.91 | 10.70 | |
| Bougie (ancien 6685052) | ||||
| *12A | 6699322 | 2.48 | 2.97 | |
| Vis Taraudeuse (w/Bord) D4x30 pour Europe (s) | ||||
| *151 | 323837 | 1.68 | 2.01 | |
| Vis machine M5x30 (noir) | ||||
| *152 | 323041 | 1.05 | 1.26 | |
| Ecrou M.5 | ||||
| *156 | 302012 | 1.05 | 1.26 | |
| Support de poignée (a) | ||||
| *157 | 6696972 | 1.20 | 1.44 | |
| Boulon (noire) M6 | ||||
| *158 | 6696974 | 1.68 | 2.01 | |
| Poignée en boucle | ||||
| *160 | 6696975 | 8.98 | 10.77 | |
| Ecrou M.6 (x10) (paquet de 10) For Europe (sl),us | ||||
| *161 | 949556 | 1.05 | 1.26 | |
| Support de poignée (b) (ancien 6696577) | ||||
| *162A | 6600501 | 7.20 | 8.64 | |
| Porte-poignée (c) | ||||
| *163 | 6696578 | 2.10 | 2.52 | |
| VIS A TETE HEXAGONALE AVEC TROU 6X25S (ANCIEN 994- | ||||
| *164 | 6684714 | 2.15 | 2.58 | |
| Boulon trou hexagonal M5x25/s (ancien 994-16050-25 | ||||
| *165 | 6684709 | 2.15 | 2.58 | |
| Support de poignée (a) (ancien 6696576) | ||||
| *166A | 6600500 | 4.20 | 5.04 | |
| POIGNEE GAUCHE | ||||
| *167 | 6696595 | 13.26 | 15.92 | |
| Couvercle de silencieux depuis 11 2013 | ||||
| *2 | 6600334 | 5.85 | 7.02 | |
| Set de support de poignée (a+b) (ancien 6696576+66 | ||||
| *240 | 6600499 | 10.65 | 12.78 | |
| Échappement (b) | ||||
| *6 | 6600461 | 7.50 | 9.00 | |
| PROTECTEUR THERMIQUE | ||||
| *7 | 6600320 | 1.35 | 1.62 | |
| Vis Ø 4*16 Noir | ||||
| *91 | 305812 | 1.04 | 1.24 | |
| Boulon à tête hex. à verrouillage d'étanchéité M5x | ||||
| 1A | 6698844 | 1.20 | 1.44 | |
| Couvercle de silencieux depuis 11 2013 | ||||
| 2 | 6600334 | 5.85 | 7.02 | |
| Couverture de silencieux | ||||
| 2 | 6698478 | 4.58 | 5.49 | |
| Vis Machine (avec rondelles) M4x20 (noir) | ||||
| 3 | 307606 | 1.05 | 1.26 | |
| Hex. Douille Hd. Boulon M6x65 | ||||
| 4 | 6698384 | 1.05 | 1.26 | |
| Rondelle M.6 (x10) paquet de 10 | ||||
| 5 | 949432 | 1.05 | 1.26 | |
| Échappement | ||||
| 6 | 6698477 | 11.85 | 14.22 | |
| Échappement (b) | ||||
| 6 | 6600461 | 7.50 | 9.00 | |
| PROTECTEUR THERMIQUE | ||||
| 7 | 6600320 | 1.35 | 1.62 | |
| Pas d'informations disponibles, non commandable | ||||
| 8 | 6698386 | |||
| Diaphragme de pompe (ancien 576-25100-20 & 6696325 | ||||
| 9 | 6684693 | 8.58 | 10.29 | |
| Etiquette Tanaka Nouveau | ||||
| 9 | 6696339 | 1.20 | 1.44 | |
| Couvercle de cylindre | ||||
| 10A | 6699128 | 4.35 | 5.22 | |
| Bougie Bmr7a | ||||
| 12A | 6699316 | 8.91 | 10.70 | |
| Bougie (ancien 6685052) | ||||
| 12A | 6699322 | 2.48 | 2.97 | |
| Joint du couvercle | ||||
| 13 | 6698468 | 1.05 | 1.26 | |
| Couvercle de soupape d'échappement (a) | ||||
| 14 | 6698469 | 1.05 | 1.26 | |
| Pas d'informations disponibles, non commandable | ||||
| 15 | 6698385 | |||
| Rondelle (ancien 182-0186a-20) | ||||
| 16 | 6684600 | 2.15 | 2.58 | |
| Couvercle de soupape d'échappement (b) | ||||
| 17 | 6698470 | 1.05 | 1.26 | |
| Pas d'informations disponibles, non commandable | ||||
| 18 | 6698465 | |||
| Pas d'informations disponibles, non commandable | ||||
| 19 | 6684865 | |||
| Casserole Flash | ||||
| 20 | 6698516 | 1.05 | 1.26 | |
| Isolateur de carburateur | ||||
| 21 | 6698387 | 3.15 | 3.78 | |
| Joint de carburateur | ||||
| 22 | 6698405 | 2.10 | 2.52 | |
| Pas d'informations disponibles, non commandable | ||||
| 23 | 6684628 | |||
| Assemblage de carburateur Wyc-28 | ||||
| 24 | 6698474 | 55.14 | 66.16 | |
| Carburateur Ass'y Wyc-30 Incl.25-39 Pour Aus,nzl | ||||
| 24A | 6698728 | 66.55 | 79.86 | |
| Support de Réglage de Câble | ||||
| 25 | 6699287 | 4.13 | 4.95 | |
| Pivot | ||||
| 26 | 6696830 | 4.45 | 5.34 | |
| Bague d'arrêt (ancien 489-25100-20) | ||||
| 27 | 6684696 | 2.15 | 2.58 | |
| Joint de pompe (ancien 577-25292-20 & 6696321) | ||||
| 28 | 6684692 | 29.19 | 35.02 | |
| Diaphragme de pompe (ancien 576-25100-20 & 6696325 | ||||
| 29 | 6684693 | 8.58 | 10.29 | |
| Plaque de pompe (ancienne 523-25100-20) | ||||
| 30 | 6691242 | 2.31 | 2.78 | |
| Couvercle de diaphragme (ancien 476-25004-20) | ||||
| 31 | 6685222 | 4.45 | 5.34 | |
| Vis de réglage (ancienne 548-25101-20) | ||||
| 32 | 6691312 | 1.15 | 1.38 | |
| Vis de réglage M3x12 | ||||
| 33 | 6696829 | 1.04 | 1.24 | |
| O-RING (ancien 550-25100-20) | ||||
| 34 | 6684695 | 4.29 | 5.14 | |
| Plaque de circuit (ancien 522-25100-20) | ||||
| 36 | 6691234 | 3.30 | 3.96 | |
| Corps de pompe | ||||
| 37 | 6696828 | 13.36 | 16.04 | |
| Plus disponible, pas de remplacement | ||||
| 38 | 6685220 | |||
| Plus disponible, pas de remplacement | ||||
| 39 | 6684690 | |||
| Vis à tête hexagonale M5x60 avec rondelles (noir) | ||||
| 40 | 307224 | 1.05 | 1.26 | |
| Conduite de carburant | ||||
| 41A | 6698720 | 3.45 | 4.14 | |
| Pompe d'amorçage Comp. (ancien 442-25143-80) | ||||
| 43 | 6685139 | 5.94 | 7.12 | |
| Plus disponible, pas de remplacement | ||||
| 44A | 6600704 | |||
| Assemblée de nettoyeur d'air | ||||
| 46 | 6696549 | 9.13 | 10.95 | |
| Joint de cylindre (ancien 017-52200-20) | ||||
| 47 | 6684587 | 2.15 | 2.58 | |
| Anneau de piston | ||||
| 48 | 6698404 | 4.20 | 5.04 | |
| Piston | ||||
| 49 | 6698368 | 7.28 | 8.73 | |
| Circlip de goupille de piston (ancien 039-00601-20 | ||||
| 50 | 6684590 | 2.15 | 2.58 | |
| Goupille de Piston (ancien 037-07045-20) | ||||
| 51 | 6684591 | 4.29 | 5.14 | |
| Ensemble du Carter (ancien 072-52200-90) | ||||
| 52 | 6684606 | 54.45 | 65.34 | |
| Joint de carter (ancien 090-52200-20) | ||||
| 53 | 6684609 | 2.15 | 2.58 | |
| Joint d'huile | ||||
| 54 | 6684607 | 4.29 | 5.14 | |
| Pas d'informations disponibles, non commandable | ||||
| 55 | 6695535 | |||
| Pas d'informations disponibles, non commandable | ||||
| 56 | 6696946 | |||
| CALE D'EPAISSEUR | ||||
| 57 | 6696945 | 1.68 | 2.01 | |
| Vilebrequin | ||||
| 58 | 6696533 | 32.31 | 38.78 | |
| Goupille 4x12 | ||||
| 59 | 6696947 | 1.05 | 1.26 | |
| Poulie de démarrage Ass'y (ancien 798-0651h-90) | ||||
| 60 | 6684681 | 13.20 | 15.84 | |
| Bague de retenue D4e (ancien 993-55040-001) | ||||
| 61 | 6685101 | 1.15 | 1.38 | |
| Ressort de griffe de démarrage (ancien 790-06097-2 | ||||
| 63 | 6684684 | 4.29 | 5.14 | |
| Pince d'allumage (ancien 788-0651h-20) | ||||
| 64 | 6684685 | 4.29 | 5.14 | |
| Pas d'informations disponibles, non commandable | ||||
| 65A | 6699995 | |||
| ENSEMBLE NOUVEAU CORPS DE DÉMARREUR À RAPPEL | ||||
| 65B | 6601570 | 15.81 | 18.98 | |
| Vis de réglage (ancienne 839-03045-20) | ||||
| 66 | 6684679 | 2.15 | 2.58 | |
| PLAQUE À CAMES | ||||
| 67A | 6699996 | 2.55 | 3.06 | |
| Ressort d'amortisseur (ancien 758-0651h-20) | ||||
| 68 | 6684677 | 8.58 | 10.29 | |
| Bobine de corde de démarrage | ||||
| 69A | 6699997 | 8.41 | 10.10 | |
| Ressort de rappel (ancien 780-06097-20/6697591) | ||||
| 70 | 6684675 | 11.55 | 13.86 | |
| Pas d'informations disponibles, non commandable | ||||
| 71 | 6684673 | |||
| Corde de démarrage 3.5x860 (ancien 783-0720f-20/66 | ||||
| 73 | 6684674 | 4.29 | 5.14 | |
| Poignée de démarrage | ||||
| 74 | 6684680 | 2.15 | 2.58 | |
| Ass'y de Plaque de Came | ||||
| 76 | 6699691 | 6.10 | 7.32 | |
| Boulon à tête hexagonale M5x30 avec verrou d'étanc | ||||
| 77 | 6698950 | 1.20 | 1.44 | |
| Couvercle arrière du silencieux | ||||
| 78 | 6600335 | 8.55 | 10.26 | |
| Vis autotaraudeuse D4 depuis 11 2013 | ||||
| 79 | 6600332 | 1.04 | 1.24 | |
| Vis Ø 4*16 Noir | ||||
| 91 | 305812 | 1.04 | 1.24 | |
| Poignée (b) | ||||
| 92 | 6696942 | 5.01 | 6.02 | |
| Poignée (b) | ||||
| 92 | 6696487 | 3.45 | 4.14 | |
| LEVIER DE VERROUILLAGE | ||||
| 93 | 6696490 | 1.04 | 1.24 | |
| Levier (1) | ||||
| 94 | 6696488 | 1.04 | 1.24 | |
| Ressort (a) | ||||
| 95 | 6696489 | 1.04 | 1.24 | |
| Plus disponible, pas de remplacement | ||||
| 96A | 6601275 | |||
| Cordon d'arrêt | ||||
| 97 | 6696592 | 2.10 | 2.52 | |
| Cordon d'arrêt | ||||
| 97 | 6696491 | 1.80 | 2.16 | |
| Tube de protection | ||||
| 98 | 6696594 | 2.10 | 2.52 | |
| Tube de protection | ||||
| 98 | 6696967 | 1.05 | 1.26 | |
| Câble d'accélérateur | ||||
| 99 | 6696593 | 5.10 | 6.12 | |
| Câble d'accélérateur | ||||
| 99 | 6696560 | 4.18 | 5.01 | |
| Poignée (a) | ||||
| 100 | 6696941 | 5.01 | 6.02 | |
| Vis à Tête Hexagonale M5x12 / s (ancien 994-61050- | ||||
| 101 | 6684667 | 2.15 | 2.58 | |
| Boulon à trou hexagonal 5x22/s (ancien 994-61050-2 | ||||
| 102 | 6695492 | 1.15 | 1.38 | |
| Caoutchouc anti-vibration (a) | ||||
| 103 | 6696963 | 3.33 | 3.99 | |
| Support de tuyau (a) | ||||
| 104 | 6698643 | 2.10 | 2.52 | |
| Support de tuyau (b) | ||||
| 106 | 6698644 | 2.10 | 2.52 | |
| Caoutchouc anti-vibration (b) | ||||
| 107 | 6696964 | 3.33 | 3.99 | |
| Circlips Ø12 (x10) paquet de 10 | ||||
| 108 | 939542 | 1.50 | 1.80 | |
| Enveloppe De Ventilateur | ||||
| 109A | 6699129 | 8.25 | 9.90 | |
| ARBRE D'EMBRAYAGE | ||||
| 110B | 6699400 | 8.85 | 10.62 | |
| Pas d'informations disponibles, non commandable | ||||
| 111 | 6696469 | |||
| Bague | ||||
| 112 | 6684648 | 2.15 | 2.58 | |
| Plaque d'embrayage (a) | ||||
| 113 | 6696546 | 1.05 | 1.26 | |
| Pas d'informations disponibles, non commandable | ||||
| 114 | 6696948 | |||
| Rondelle | ||||
| 115 | 6696547 | 1.05 | 1.26 | |
| Ecrou | ||||
| 116 | 6685337 | 1.05 | 1.26 | |
| Rondelle Diam 8 Noir H65sd2 | ||||
| 117 | 323212 | 1.05 | 1.26 | |
| Boulon à tête hexagonale M4x18 (avec rondelles) | ||||
| 118 | 6698388 | 1.05 | 1.26 | |
| Pas d'informations disponibles, non commandable | ||||
| 119B | 6699464 | |||
| Pas d'informations disponibles, non commandable | ||||
| 120C | 6601421 | |||
| Pas d'informations disponibles, non commandable | ||||
| 121A | 6699186 | |||
| Cord | ||||
| 122 | 6696544 | 1.05 | 1.26 | |
| Câble de Terre | ||||
| 123 | 6696545 | 1.05 | 1.26 | |
| Pas d'informations disponibles, non commandable | ||||
| 124 | 6696928 | |||
| Roto Magneto Comp. | ||||
| 124A | 6699289 | 25.71 | 30.86 | |
| Entretoise (1) | ||||
| 125 | 6698496 | 1.05 | 1.26 | |
| Tuyau de Carburant | ||||
| 126A | 6698716 | 3.45 | 4.14 | |
| Tuyau de Carburant L70 | ||||
| 127A | 6699014 | 1.65 | 1.98 | |
| Grommet de retour (ancien 6684627) | ||||
| 128A | 6697846 | 1.04 | 1.24 | |
| Plus disponible, pas de remplacement | ||||
| 129 | 6698402 | |||
| Resevoir | ||||
| 131A | 6600317 | 7.95 | 9.54 | |
| Réservoir (c) | ||||
| 131B | 6600354 | 3.45 | 4.14 | |
| Filtre à pompe | ||||
| 132A | 6600351 | 2.70 | 3.24 | |
| Clip | ||||
| 133 | 6696949 | 1.68 | 2.01 | |
| Support (ancien 940-07350-20) | ||||
| 134 | 6694787 | 3.30 | 3.96 | |
| Boulon (avec bride) L27.8 | ||||
| 135A | 6698991 | 1.20 | 1.44 | |
| Clavette à ergot 3x13x4.5 (ancien 068-10100-20) | ||||
| 136 | 6684899 | 2.15 | 2.58 | |
| Pas d'informations disponibles, non commandable | ||||
| 137 | 6699463 | |||
| Vis Taraudeuse (w/Bord) D4x30 pour Europe (s) | ||||
| 151 | 323837 | 1.68 | 2.01 | |
| Vis machine M5x30 (noir) | ||||
| 152 | 323041 | 1.05 | 1.26 | |
| POIGNEE DROITE | ||||
| 153 | 6696585 | 6.45 | 7.74 | |
| Poignée (b) | ||||
| 154 | 6696590 | 3.13 | 3.75 | |
| Poignée (b) | ||||
| 154 | 6696591 | 3.13 | 3.75 | |
| Poignée (a) | ||||
| 155 | 6696588 | 2.10 | 2.52 | |
| Poignée (a) | ||||
| 155 | 6696589 | 2.10 | 2.52 | |
| Ecrou M.5 | ||||
| 156 | 302012 | 1.05 | 1.26 | |
| Support de poignée (a) | ||||
| 157 | 6696972 | 1.20 | 1.44 | |
| Boulon (noire) M6 | ||||
| 158 | 6696974 | 1.68 | 2.01 | |
| Barrière | ||||
| 159 | 6696973 | 3.33 | 3.99 | |
| Poignée en boucle | ||||
| 160 | 6696975 | 8.98 | 10.77 | |
| Ecrou M.6 (x10) (paquet de 10) For Europe (sl),us | ||||
| 161 | 949556 | 1.05 | 1.26 | |
| Support de poignée (b) (ancien 6696577) | ||||
| 162A | 6600501 | 7.20 | 8.64 | |
| Porte-poignée (c) | ||||
| 163 | 6696578 | 2.10 | 2.52 | |
| VIS A TETE HEXAGONALE AVEC TROU 6X25S (ANCIEN 994- | ||||
| 164 | 6684714 | 2.15 | 2.58 | |
| Boulon trou hexagonal M5x25/s (ancien 994-16050-25 | ||||
| 165 | 6684709 | 2.15 | 2.58 | |
| Support de poignée (a) (ancien 6696576) | ||||
| 166A | 6600500 | 4.20 | 5.04 | |
| POIGNEE GAUCHE | ||||
| 167 | 6696595 | 13.26 | 15.92 | |
| Carter | ||||
| 168 | 6696976 | 88.39 | 106.06 | |
| Carter | ||||
| 168A | 6699402 | 50.33 | 60.39 | |
| Boulon (noire) M6 | ||||
| 169 | 6696974 | 1.68 | 2.01 | |
| Porte-fraise (a) | ||||
| 176 | 6696977 | 13.33 | 15.99 | |
| Porte-fraise (b) | ||||
| 177 | 6698659 | 13.04 | 15.64 | |
| NUT COVER | ||||
| 178A | 6699188 | 6.60 | 7.92 | |
| Écrou en U (main gauche) M10 pour Irl | ||||
| 179A | 335759 | 1.04 | 1.24 | |
| Vis 5x12/w.s (ancien 994-16050-121) | ||||
| 180 | 6695414 | 1.15 | 1.38 | |
| Boulon Hex. à Douille M5x30 (10 Pcs) | ||||
| 181 | 949664 | 3.75 | 4.50 | |
| Couvercle Blacket | ||||
| 186 | 6696494 | 1.80 | 2.16 | |
| Pas d'informations disponibles, non commandable | ||||
| 187 | 6696454 | |||
| Ensemble de couvercle avec arbre M10x.125 à gauche | ||||
| 188 | 6698794 | 9.30 | 11.16 | |
| VIS DE BLOCAGE | ||||
| 190 | 6698795 | 1.35 | 1.62 | |
| Bobine | ||||
| 191 | 6698796 | 2.40 | 2.88 | |
| Ressort de retour | ||||
| 192 | 6698797 | 1.05 | 1.26 | |
| Bouton (1) | ||||
| 193 | 6698798 | 1.20 | 1.44 | |
| Guide de cordon | ||||
| 194 | 6698799 | 1.20 | 1.44 | |
| Boîtier (b) | ||||
| 195 | 6698800 | 6.60 | 7.92 | |
| Pas d'informations disponibles, non commandable | ||||
| 196 | 6696980 | |||
| Support de couvercle de sécurité | ||||
| 197 | 6696951 | 3.33 | 3.99 | |
| Pas d'informations disponibles, non commandable | ||||
| 198 | 6696950 | |||
| Vis autotaraudeuse 4x14 (ancien 993-48040-142) | ||||
| 199 | 6684751 | 2.15 | 2.58 | |
| Lame (ancien 797-37714-20) | ||||
| 200 | 6684750 | 4.29 | 5.14 | |
| Vis à tête hexagonale M6x20 (ancien 990-530 | ||||
| 201 | 6685064 | 1.15 | 1.38 | |
| Rondelle de ressort M6 (ancien 949455z, 10 pieces) | ||||
| 202 | 949455 | 1.05 | 1.26 | |
| Parenthèse de couverture pas pour l'Europe | ||||
| 203 | 6696978 | 2.10 | 2.52 | |
| Autocollant d'avertissement (ancien 919-38100-20) | ||||
| 205 | 6684959 | 2.10 | 2.52 | |
| Marque de niveau (ancienne 923-3738f-20) | ||||
| 206 | 6684852 | 2.15 | 2.58 | |
| Marque de niveau (ancienne 923-33700-20) | ||||
| 207 | 6684851 | 2.15 | 2.58 | |
| Tuyau principal Comp. (ancien 6696483) | ||||
| 208 | 6696558 | 17.69 | 21.22 | |
| Arbre d'entraînement (ancien 6696484) | ||||
| 209 | 6698514 | 15.60 | 18.72 | |
| Suspension | ||||
| 210A | 6600504 | 1.20 | 1.44 | |
| Capuchon (a) | ||||
| 211 | 6698515 | 2.10 | 2.52 | |
| Carter Protection (1) | ||||
| 212 | 6696981 | 7.35 | 8.82 | |
| Rondelle de boulon M4 (noir) Pour 220v-240v | ||||
| 213 | 323210 | 1.05 | 1.26 | |
| Bague | ||||
| 214 | 6685068 | 1.15 | 1.38 | |
| Écrou M4 (10 Pièces) | ||||
| 215 | 949554 | 1.05 | 1.26 | |
| Couteau | ||||
| 216 | 6696584 | 2.10 | 2.52 | |
| Plus disponible, pas de remplacement | ||||
| 217A | 6698931 | |||
| Plus disponible, pas de remplacement | ||||
| 217B | 6600358 | |||
| VIS A TETE HEXAGONALE AVEC TROU 6X25S (ANCIEN 994- | ||||
| 218 | 6684714 | 2.15 | 2.58 | |
| Couverture Support Nouveau OCT | ||||
| 219 | 6699011 | 1.65 | 1.98 | |
| COUVERCLE ASS'Y | ||||
| 220 | 6697880 | 17.88 | 21.45 | |
| SUPPORT DE COUVERTURE | ||||
| 221 | 6698813 | 2.10 | 2.52 | |
| Couverture de sécurité, 24 Dia. (old 441-38150-20) | ||||
| 222 | 6690272 | 13.20 | 15.84 | |
| Lame (ancienne 797-38150-20) | ||||
| 223 | 6693388 | 6.28 | 7.53 | |
| Vis autotaraudeuse 5x20 (ancien 993-17052-002) | ||||
| 224 | 6684753 | 2.15 | 2.58 | |
| Vis M.5*10 (paquet de 10) For Irl | ||||
| 225 | 949236 | 1.05 | 1.26 | |
| Set de support de poignée (a+b) (ancien 6696576+66 | ||||
| 240 | 6600499 | 10.65 | 12.78 | |
| Pas d'informations disponibles, non commandable | ||||
| 501 | 6684764 | |||
| Pas d'informations disponibles, non commandable | ||||
| 502 | 6696596 | |||
| Pas d'informations disponibles, non commandable | ||||
| 503 | 944458 | |||
| Couvercle de coupe (ancien 615-37224-20/790290) | ||||
| 504B | 6684768 | 2.15 | 2.58 | |
| Pas d'informations disponibles, non commandable | ||||
| 505 | 6698711 | |||
| Pas d'informations disponibles, non commandable | ||||
| 506 | 875769 | |||
| Pas d'informations disponibles, non commandable | ||||
| 507 | 6696184 | |||
| Pas d'informations disponibles, non commandable | ||||
| 507A | 6601420 | |||