Vous trouverez ici toutes les pièces et dessins disponibles du 'Hikoki TBC-4200DLV'. De là, vous pouvez commander directement toutes les pièces souhaitées. De nombreuses pièces doivent être commandées auprès du fabricant, selon la marque, cela prend une à quatre semaines. Toutes les informations dont nous disposons se trouvent sur notre site Web, nous ne pouvons pas vous conseiller sur ce dont vous avez besoin, pour cela vous devrez retourner la machine pour réparation. Veuillez noter ce qui suit lors de la commande:
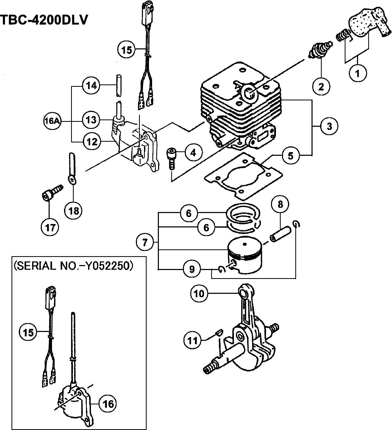
Dessins des Hikoki TBC-4200DLV
Liste de pièces de rechange des Hikoki TBC-4200DLV
| Pos. | Description | Prix hors TVA | Prix TTC | |
| Les prix affichés incluent la TVA | ||||
| Capuchon de bougie d'allumage d'ensemble (ancien 1 | ||||
| 1 | 6687468 | 2.31 | 2.78 | |
| Bougie d'allumage Bpmr6a (ancienne 6685086) | ||||
| 2 | 6699319 | 8.91 | 10.70 | |
| Cylindre Set (ancien 001-04300-90) | ||||
| 3 | 6685474 | 54.30 | 65.16 | |
| Pas d'informations disponibles, non commandable | ||||
| 4 | 6684668 | |||
| Joint de cylindre (ancien 017-0430a-20/790115) | ||||
| 5 | 6685740 | 2.31 | 2.78 | |
| Bague de piston (ancien 041-04050-20) | ||||
| 6 | 6686123 | 4.45 | 5.34 | |
| Ensemble de pistons (ancien 030-0423z-90) | ||||
| 7 | 6685888 | 26.16 | 31.40 | |
| Broche de piston 10x30 (ancien 037-01000-20) | ||||
| 8 | 6686007 | 2.31 | 2.78 | |
| Circlip de goupille de piston (ancien 039-05004-20 | ||||
| 9 | 6686032 | 1.15 | 1.38 | |
| Vilebrequin comp. (ancien 046-04300-80/790113) | ||||
| 10 | 6686191 | 84.40 | 101.28 | |
| Clavette Wood-ruff 3x13x5 (ancien 068-02000-20/790 | ||||
| 11 | 6686457 | 1.15 | 1.38 | |
| Bobine | ||||
| 12 | 6687655 | 36.15 | 43.38 | |
| Capuchon en Caoutchouc | ||||
| 13 | 6684602 | 2.15 | 2.58 | |
| Cordon Haute tension (old 178-20543-22/6687884) | ||||
| 14 | 6687885 | 1.15 | 1.38 | |
| Ensemble de fils principales | ||||
| 15 | 6687970 | 4.45 | 5.34 | |
| Bobine (ancienne 167-20538-90) | ||||
| 16 | 6687650 | 48.25 | 57.90 | |
| Bobine (ancienne 167-20543-91 & 6687656) | ||||
| 16A | 6687657 | 30.25 | 36.30 | |
| Vis Ø4x18 Till H124040 | ||||
| 17 | 6684599 | 2.15 | 2.58 | |
| Composant de bride de cordon (ancien 198-11600-80/ | ||||
| 18 | 6688011 | 1.15 | 1.38 | |
| Petit Écrou 10 (ancien 991-11100-013/6695138/79021 | ||||
| 31 | 6695139 | 1.05 | 1.26 | |
| Boîtier de manivelle (ancien 072-04300-90) | ||||
| 32 | 6686556 | 58.39 | 70.06 | |
| Plus disponible, pas de remplacement | ||||
| 33 | 6686714 | |||
| Joint d'huile | ||||
| 34 | 6695637 | 3.30 | 3.96 | |
| Pas d'informations disponibles, non commandable | ||||
| 35 | 6695557 | |||
| Cale de vilebrequin 0.10 (ancien 071-02007-21) | ||||
| 36 | 6686470 | 1.15 | 1.38 | |
| Cale d'arbre à cames 0.20 (ancienne 071-02007-23) | ||||
| 36 | 6686472 | 1.15 | 1.38 | |
| Cale d'arbre à cames 0.30 (ancienne 071-02007-24) | ||||
| 36 | 6686473 | 1.15 | 1.38 | |
| Boulon à tête cylindrique hexagonale M5x30 S (anci | ||||
| 37 | 6684786 | 2.15 | 2.58 | |
| Roto Magneto Comp. | ||||
| 38 | 6687372 | 19.96 | 23.96 | |
| Bague | ||||
| 39 | 6695198 | 1.15 | 1.38 | |
| Pas d'informations disponibles, non commandable | ||||
| 40 | 6695138 | |||
| Joint d'admission (ancien 403-04300-20/790156) | ||||
| 61 | 6689885 | 2.31 | 2.78 | |
| ENSEMBLE ISOLANT DE CARBURATEUR, DE RECHANGE (ANCI | ||||
| 62 | 6689955 | 8.91 | 10.70 | |
| Joint de carburateur (ancien 402-04300-20/790158) | ||||
| 63 | 6689833 | 1.15 | 1.38 | |
| Collier (ancien 453-0637c-20) | ||||
| 64 | 6690430 | 1.15 | 1.38 | |
| Collier (ancien 470-01380-20) | ||||
| 65 | 6690802 | 2.31 | 2.78 | |
| Corps de nettoyeur comp. (ancien 423-01380-82/6690 | ||||
| 66 | 6690099 | 5.28 | 6.33 | |
| Soupape d'étranglement (ancienne 528-01380-21) | ||||
| 67 | 6691258 | 1.15 | 1.38 | |
| Boîte de contrôle du soufflage (ancien 476-01700-2 | ||||
| 68 | 6690843 | 1.15 | 1.38 | |
| Élément de filtre à air | ||||
| 69 | 6690352 | 1.15 | 1.38 | |
| Pas d'informations disponibles, non commandable | ||||
| 70 | 6684658 | |||
| Couvercle du filtre à air | ||||
| 71 | 6690397 | 3.30 | 3.96 | |
| Vis spéciale (ancien 380-0637c-20) | ||||
| 72 | 6689737 | 1.15 | 1.38 | |
| Vis M5x57/s (ancienne 994-14050-571/790190) | ||||
| 73 | 6695353 | 1.15 | 1.38 | |
| Set de carburateur | ||||
| 74 | 6690470 | 84.40 | 101.28 | |
| Set de carburateur | ||||
| 74A | 6690470 | 84.40 | 101.28 | |
| Boulon à trou hexagonal 5x25ws (ancien 994-64050-2 | ||||
| 75 | 6695515 | 1.15 | 1.38 | |
| Tuyau de carburant 3x5x230 | ||||
| 76 | 6688166 | 4.29 | 5.14 | |
| Clip D6 (ancien 680-00070-20) | ||||
| 77A | 6685198 | 1.15 | 1.38 | |
| Pas d'informations disponibles, non commandable | ||||
| 78A | 6684620 | |||
| Réservoir (ancien 591-0430c-22/6691532) | ||||
| 79 | 6691533 | 11.55 | 13.86 | |
| Collier C (ancien 659-04300-20) | ||||
| 80 | 6684623 | 2.15 | 2.58 | |
| Capuchon de réservoir D Ass'y, noir (ancien 595-06 | ||||
| 81 | 6691763 | 7.59 | 9.10 | |
| Boulon à trou héxagonal 5x20/ps (ancien 994-63050- | ||||
| 82 | 6684634 | 2.15 | 2.58 | |
| Plus disponible, pas de remplacement | ||||
| 83 | 6684880 | |||
| Plus disponible, pas de remplacement | ||||
| 84 | 6688156 | |||
| Pas d'informations disponibles, non commandable | ||||
| 85 | 6684625 | |||
| Support Moteur (ancien 940-04300-20) | ||||
| 86 | 6694785 | 4.95 | 5.94 | |
| Rondelle Ø 5 | ||||
| 87 | 6684918 | 2.15 | 2.58 | |
| Boulon à trou hexagonal 5x22/s (ancien 994-61050-2 | ||||
| 88 | 6695492 | 1.15 | 1.38 | |
| Assemblage de filtre à pompe | ||||
| 90 | 6601175 | 3.14 | 3.76 | |
| Protecteur de silencieux (ancien 738-04300-20) | ||||
| 101 | 6692780 | 11.55 | 13.86 | |
| Rondelle Ø 5 | ||||
| 102 | 6684918 | 2.15 | 2.58 | |
| Vis à Tête Hexagonale M5x12 / s (ancien 994-61050- | ||||
| 103 | 6684667 | 2.15 | 2.58 | |
| Boulon à trou hexagonal 5x15ws (ancien 994-64050-1 | ||||
| 104 | 6695512 | 1.15 | 1.38 | |
| Boulon Hex. Trou 6x65 (ancien 990-51060-653) | ||||
| 105 | 6695067 | 1.15 | 1.38 | |
| Bague | ||||
| 106 | 6684639 | 2.15 | 2.58 | |
| Pas d'informations disponibles, non commandable | ||||
| 107 | 6692468 | |||
| Joint d'échappement (ancien 737-04230-20) | ||||
| 108 | 6692741 | 1.15 | 1.38 | |
| Bouclier thermique | ||||
| 109 | 6687243 | 3.30 | 3.96 | |
| Bague | ||||
| 113 | 6689645 | 1.15 | 1.38 | |
| Garniture d'embrayage complète | ||||
| 114 | 6688614 | 7.93 | 9.51 | |
| Ressort d'embrayage (ancien 342-04200-20) | ||||
| 115 | 6689428 | 1.15 | 1.38 | |
| Rondelle | ||||
| 116 | 6695203 | 1.15 | 1.38 | |
| Boulon d'étape d'embrayage | ||||
| 117 | 6689632 | 3.30 | 3.96 | |
| Pas d'informations disponibles, non commandable | ||||
| 118 | 6699556 | |||
| Caisson de Démarrage à Rappel Assemblé | ||||
| 131A | 6697645 | 21.78 | 26.13 | |
| Corps de démarreur à rappel comp. (ancien 772-0422 | ||||
| 132 | 6693025 | 14.19 | 17.02 | |
| Corps de lanceur à rappel Comp. | ||||
| 132A | 6697646 | 11.71 | 14.06 | |
| Bobine de corde de démarrage (ancienne 769-04220-2 | ||||
| 133 | 6693007 | 4.95 | 5.94 | |
| Bobine de corde de démarrage | ||||
| 133A | 6697647 | 4.13 | 4.95 | |
| Ressort de rappel (ancien 779-04220-20) | ||||
| 134 | 6693114 | 9.08 | 10.89 | |
| STARTER SPRING | ||||
| 134A | 6697648 | 7.08 | 8.50 | |
| Corde de démarrage (ancienne 783-04270-20/6693164) | ||||
| 135 | 6693165 | 3.30 | 3.96 | |
| STARTER ROPE | ||||
| 135A | 6697649 | 2.64 | 3.17 | |
| Poignée de démarrage | ||||
| 136 | 6693607 | 2.31 | 2.78 | |
| Poignée de démarrage | ||||
| 137 | 6693232 | 3.30 | 3.96 | |
| Poignée de démarrage | ||||
| 137A | 6697650 | 2.80 | 3.36 | |
| Vis de réglage (ancienne 839-04220-20) | ||||
| 138 | 6693634 | 1.15 | 1.38 | |
| Pignon de départ (ancien 788-0162v-20) | ||||
| 139 | 6693302 | 2.31 | 2.78 | |
| Pas d'informations disponibles, non commandable | ||||
| 139A | 6697643 | |||
| Bague de retenue D4e (ancien 993-55040-001) | ||||
| 140 | 6685101 | 1.15 | 1.38 | |
| Bague de retenue D4e (ancien 993-55040-001) | ||||
| 140A | 6685101 | 1.15 | 1.38 | |
| Boulon à trou héxagonal 5x20/ps (ancien 994-63050- | ||||
| 141 | 6684634 | 2.15 | 2.58 | |
| Ressort de starter (ancien 790-0162v-20) | ||||
| 142 | 6693345 | 2.31 | 2.78 | |
| Pas d'informations disponibles, non commandable | ||||
| 142A | 6697642 | |||
| Poulie de démarrage (ancien 798-04220-90) | ||||
| 143 | 6693395 | 11.05 | 13.26 | |
| Poulie de démarrage | ||||
| 143A | 6697644 | 11.05 | 13.26 | |
| Corps de pompe comp. (ancien 575-25153-80) | ||||
| 161 | 6684879 | 62.16 | 74.60 | |
| Pompe d'amorçage comp. (ancien 442-25151-80) | ||||
| 162 | 6684687 | 16.34 | 19.60 | |
| Couvercle de membrane (ancien 476-25151-20) | ||||
| 163 | 6684688 | 8.58 | 10.29 | |
| Corps d'amorçage (ancien 447-25108-20) | ||||
| 164 | 6684689 | 6.44 | 7.72 | |
| Membrane de dosage Comp. (ancien 474-25001-80/6690 | ||||
| 165 | 6690827 | 11.71 | 14.06 | |
| Joint de diaphragme (ancien 475-25153-20) | ||||
| 166 | 6684691 | 8.58 | 10.29 | |
| Diaphragme de pompe (ancien 576-25100-20 & 6696325 | ||||
| 167 | 6684693 | 8.58 | 10.29 | |
| Joint de pompe (ancien 577-25100-20) | ||||
| 168 | 6691457 | 7.10 | 8.52 | |
| Jet principal #51 (ancien 599-2000w-51) | ||||
| 169 | 6696382 | 9.58 | 11.49 | |
| O-RING (ancien 550-25100-20) | ||||
| 170 | 6684695 | 4.29 | 5.14 | |
| Bague d'arrêt (ancien 489-25100-20) | ||||
| 171 | 6684696 | 2.15 | 2.58 | |
| Pivot (ancien 539-25120-20) | ||||
| 172 | 6684697 | 6.44 | 7.72 | |
| Vis de Réglage de l'Accélérateur (ancien 514-25100 | ||||
| 174 | 6684870 | 2.15 | 2.58 | |
| Régleur de câble (vieux 544-25164-20) | ||||
| 175 | 6684873 | 6.44 | 7.72 | |
| Écrou de Blocage M6 (ancien 991-01060-013) | ||||
| 176 | 6684872 | 2.15 | 2.58 | |
| Ajusteur de Câble (ancien 614-25137-20) | ||||
| 177 | 6684871 | 4.29 | 5.14 | |
| Joint d'Épurateur (vieux 431-0634c-20) | ||||
| 178 | 6684875 | 4.29 | 5.14 | |
| Vis de réglage (ancien 548-25151-20 & 6696324) | ||||
| 179 | 6684699 | 2.15 | 2.58 | |
| Rondelle (vieux 549-25165-20) | ||||
| 180 | 6684874 | 2.15 | 2.58 | |
| Écran d'entrée (ancien 578-25007-20) | ||||
| 181 | 6684700 | 4.29 | 5.14 | |
| Arbre de la couronne de clutch (ancien 289-04308-8 | ||||
| 201 | 6688585 | 19.51 | 23.42 | |
| Roulement à billes | ||||
| 202 | 6695558 | 6.93 | 8.31 | |
| Anneau d'arrêt C-35, interne (ancien 993-51035-002 | ||||
| 203 | 6695296 | 1.15 | 1.38 | |
| Bague d'arrêt C-15, externe (ancien 993-50015-002) | ||||
| 204 | 6695285 | 1.15 | 1.38 | |
| Couvercle de bougie d'allumage (ancien 257-04300-2 | ||||
| 205 | 6688346 | 3.30 | 3.96 | |
| Boulon à trou héxagonal 5x20/ps (ancien 994-63050- | ||||
| 206 | 6684634 | 2.15 | 2.58 | |
| Boulon à trou hexagonal 6x25 (ancien 990-54060-253 | ||||
| 207 | 6695093 | 1.15 | 1.38 | |
| Enveloppe De Ventilateur | ||||
| 208 | 6686980 | 36.15 | 43.38 | |
| Pas d'informations disponibles, non commandable | ||||
| 209 | 6684668 | |||
| Passe-câble principal (ancien 203-11660-20) | ||||
| 210 | 6688057 | 1.15 | 1.38 | |
| Bague | ||||
| 211 | 6685226 | 1.15 | 1.38 | |
| Arbre d'entraînement, 1552l (ancien 343-38101-20) | ||||
| 231 | 6689476 | 17.70 | 21.24 | |
| Tube de direction | ||||
| 232 | 6689403 | 36.15 | 43.38 | |
| Ensemble de douille (ancien 347-37100-90) | ||||
| 233 | 6689515 | 3.30 | 3.96 | |
| Boulon du bouton (ancien 512-37861-80) | ||||
| 234 | 6691207 | 4.79 | 5.74 | |
| Support de Poignée A (ancien 506-37861-20) | ||||
| 235 | 6691143 | 9.74 | 11.68 | |
| Support de poignée B (ancien 507-37861-20) | ||||
| 236 | 6691159 | 10.23 | 12.27 | |
| Support Holder (ancien 522-37861-20) | ||||
| 237 | 6691237 | 5.28 | 6.33 | |
| Support de poignée Comp. (ancien 521-37861-80) | ||||
| 238 | 6691232 | 34.19 | 41.02 | |
| Écrou spécial M6x1.0 (ancien 315-37861-20) | ||||
| 239 | 6689102 | 8.41 | 10.10 | |
| Caoutchouc anti-vibrateur | ||||
| 240 | 6689165 | 2.31 | 2.78 | |
| Ecrou 6 Ups-p (ancien 991-87060-001 & 6698766) | ||||
| 241 | 6695175 | 1.15 | 1.38 | |
| Boulon à trou hexagonal 6x30 (ancien 990-54060-303 | ||||
| 242 | 6695094 | 1.15 | 1.38 | |
| Serre-cordon (ancien 198-3332a-20) | ||||
| 243 | 6688016 | 1.15 | 1.38 | |
| Poignée Grip (ancien 165-37861-20) | ||||
| 244 | 6687627 | 4.45 | 5.34 | |
| Serre-câble (ancien 198-37861-21/6697035) | ||||
| 245 | 6688025 | 1.15 | 1.38 | |
| Poignée (ancienne 501-37861-21) | ||||
| 247 | 6691079 | 36.15 | 43.38 | |
| Levier de gaz 22 (ancien 870-38110-91) | ||||
| 301 | 6693762 | 42.20 | 50.64 | |
| Tube de protection, 930l (ancien 164-07093-00) | ||||
| 302 | 6687547 | 2.31 | 2.78 | |
| Levier de sécurité (ancien 253-38400-20) | ||||
| 303 | 6684721 | 6.44 | 7.72 | |
| Ressort de rappel (ancien 832-38400-20) | ||||
| 304 | 6684722 | 2.15 | 2.58 | |
| Levier d'accélérateur (ancien 880-38401-20) | ||||
| 305 | 6684723 | 10.23 | 12.27 | |
| Bouchon aveugle (ancien 322-38400-20) | ||||
| 306 | 6684724 | 2.15 | 2.58 | |
| Vis M4x20 (noire) (ancienne 993-46040-202) | ||||
| 307 | 6684725 | 2.15 | 2.58 | |
| Vis 5x30 (noire) (ancienne 994-31050-303) | ||||
| 308 | 6684726 | 2.15 | 2.58 | |
| Pas d'informations disponibles, non commandable | ||||
| 309 | 6684727 | |||
| Composant de l'interrupteur d'arrêt (ancien 156-38 | ||||
| 310 | 6687458 | 14.68 | 17.61 | |
| Câble d'accélérateur, 4t (ancien 887-38110-80) | ||||
| 311 | 6694021 | 10.56 | 12.68 | |
| Pas d'informations disponibles, non commandable | ||||
| 312 | 6693975 | |||
| Carter | ||||
| 331 | 6688801 | 108.45 | 130.14 | |
| Boulon trou hexagonal M5x25/s (ancien 994-16050-25 | ||||
| 332 | 6684709 | 2.15 | 2.58 | |
| Anneau d'arrêt C-28.inner (ancien 993-51028-002) | ||||
| 333 | 6684741 | 2.15 | 2.58 | |
| Anneau d'arrêt C-12 Extérieur | ||||
| 334 | 6684664 | 2.15 | 2.58 | |
| Roulement à billes | ||||
| 335 | 6695532 | 6.60 | 7.92 | |
| Roulement à billes 6001 C3 | ||||
| 336 | 6684608 | 3.80 | 4.56 | |
| Carter de transmission, argent (ancien 300-33392-2 | ||||
| 337 | 6688703 | 28.14 | 33.76 | |
| Vis à Tête Hexagonale M5x12 / s (ancien 994-61050- | ||||
| 338 | 6684667 | 2.15 | 2.58 | |
| Boulon à tête hexagonale M5x12 (ancien 990-51050-1 | ||||
| 338A | 6684829 | 2.15 | 2.58 | |
| Boulon à tête plus 8x10 (ancien 994-23080-100/6694 | ||||
| 339 | 6695437 | 1.15 | 1.38 | |
| Pas d'informations disponibles, non commandable | ||||
| 340 | 6695524 | |||
| Arbre de pignon 6x11x14 M10x1.25 Lh (ancien 304-37 | ||||
| 341 | 6688942 | 22.24 | 26.68 | |
| Roulement à billes | ||||
| 342A | 6695564 | 9.58 | 11.49 | |
| Anneau d'arrêt C-40, interne (ancien 993-51040-002 | ||||
| 343 | 6695298 | 1.15 | 1.38 | |
| Porte-cutter (ancien 310-37100-22/6689020) | ||||
| 344 | 6689022 | 15.28 | 18.33 | |
| Capuchon de Porte-Couteau, 6x11x14 (ancien 311-378 | ||||
| 345 | 6689052 | 4.45 | 5.34 | |
| Écrou de fixation du cutter L/h (ancien 313-38100- | ||||
| 346 | 6689072 | 2.31 | 2.78 | |
| Bague | ||||
| 347 | 6689157 | 1.15 | 1.38 | |
| Protection Couverture A Comp. (ancien 307-37100-81 | ||||
| 349 | 6688982 | 4.45 | 5.34 | |
| Vis 5x16/w.s (ancien 994-16050-162) | ||||
| 350 | 6695418 | 1.15 | 1.38 | |
| Set pignon-engrenage, de rechange (ancien 301-3710 | ||||
| 351 | 6688866 | 26.16 | 31.40 | |
| Rondelle D.5 | ||||
| 352 | 6684834 | 2.15 | 2.58 | |
| VIS A TETE HEXAGONALE AVEC TROU 6X25S (ANCIEN 994- | ||||
| 361 | 6684714 | 2.15 | 2.58 | |
| Pas d'informations disponibles, non commandable | ||||
| 362 | 6690299 | |||
| Support de couverture D30 (ancien 442-37862-20) | ||||
| 362A | 6690312 | 5.11 | 6.14 | |
| Protege-lame 30 Ce (ancien 441-37130-21/6690229) | ||||
| 363 | 6690230 | 15.88 | 19.05 | |
| Protection de lame 31 Ce (ancien 441-37862-20) | ||||
| 363A | 6690264 | 18.15 | 21.78 | |
| Support de couvercle de sécurité (ancien 445-37380 | ||||
| 364 | 6684748 | 4.29 | 5.14 | |
| Plus disponible, pas de remplacement | ||||
| 365 | 6690372 | |||
| Garde de lame (ancien 447-38331-20) | ||||
| 365A | 6690376 | 9.40 | 11.28 | |
| Lame (ancienne 797-37380-21/6693385) | ||||
| 366 | 6693386 | 4.45 | 5.34 | |
| Lame (ancien 797-37714-20) | ||||
| 366A | 6684750 | 4.29 | 5.14 | |
| Vis 5x12/s (ancienne 994-14050-121) | ||||
| 367 | 6695334 | 1.15 | 1.38 | |
| Vis autotaraudeuse 4x14 (ancien 993-48040-142) | ||||
| 367A | 6684751 | 2.15 | 2.58 | |
| Écrou hexagonal 5 (ancien 991-01050-011) | ||||
| 368 | 6684965 | 1.04 | 1.24 | |
| Vis autotaraudeuse 5x20 (ancien 993-17052-002) | ||||
| 369 | 6684753 | 2.15 | 2.58 | |
| Lame (ancienne 797-38331-20) | ||||
| 370 | 6684754 | 8.58 | 10.29 | |
| Pas d'informations disponibles, non commandable | ||||
| 501 | 6684764 | |||
| Pas d'informations disponibles, non commandable | ||||
| 502 | 6693529 | |||
| Pas d'informations disponibles, non commandable | ||||
| 503 | 6699555 | |||
| Couvercle de coupeur (ancien 615-37181-20) | ||||
| 503A | 6692016 | 8.41 | 10.10 | |
| Pas d'informations disponibles, non commandable | ||||
| 504 | 6695792 | |||
| Pas d'informations disponibles, non commandable | ||||
| 506A | 875769 | |||
| Pas d'informations disponibles, non commandable | ||||
| 507 | 6684813 | |||
| Pas d'informations disponibles, non commandable | ||||
| 508 | 6695796 | |||
| Pas d'informations disponibles, non commandable | ||||
| 508A | 6695797 | |||
| Couvercle de protection B (ancien 308-37861-20) | ||||
| 511 | 6688994 | 2.31 | 2.78 | |
| Pas d'informations disponibles, non commandable | ||||
| 601 | 6697855 | |||
| Pas d'informations disponibles, non commandable | ||||
| 602 | 6697856 | |||
| Pas d'informations disponibles, non commandable | ||||
| 603 | 6697851 | |||