Vous trouverez ici toutes les pièces et dessins disponibles du 'Hikoki TBC-340D'. De là, vous pouvez commander directement toutes les pièces souhaitées. De nombreuses pièces doivent être commandées auprès du fabricant, selon la marque, cela prend une à quatre semaines. Toutes les informations dont nous disposons se trouvent sur notre site Web, nous ne pouvons pas vous conseiller sur ce dont vous avez besoin, pour cela vous devrez retourner la machine pour réparation. Veuillez noter ce qui suit lors de la commande:
Dessins des Hikoki TBC-340D
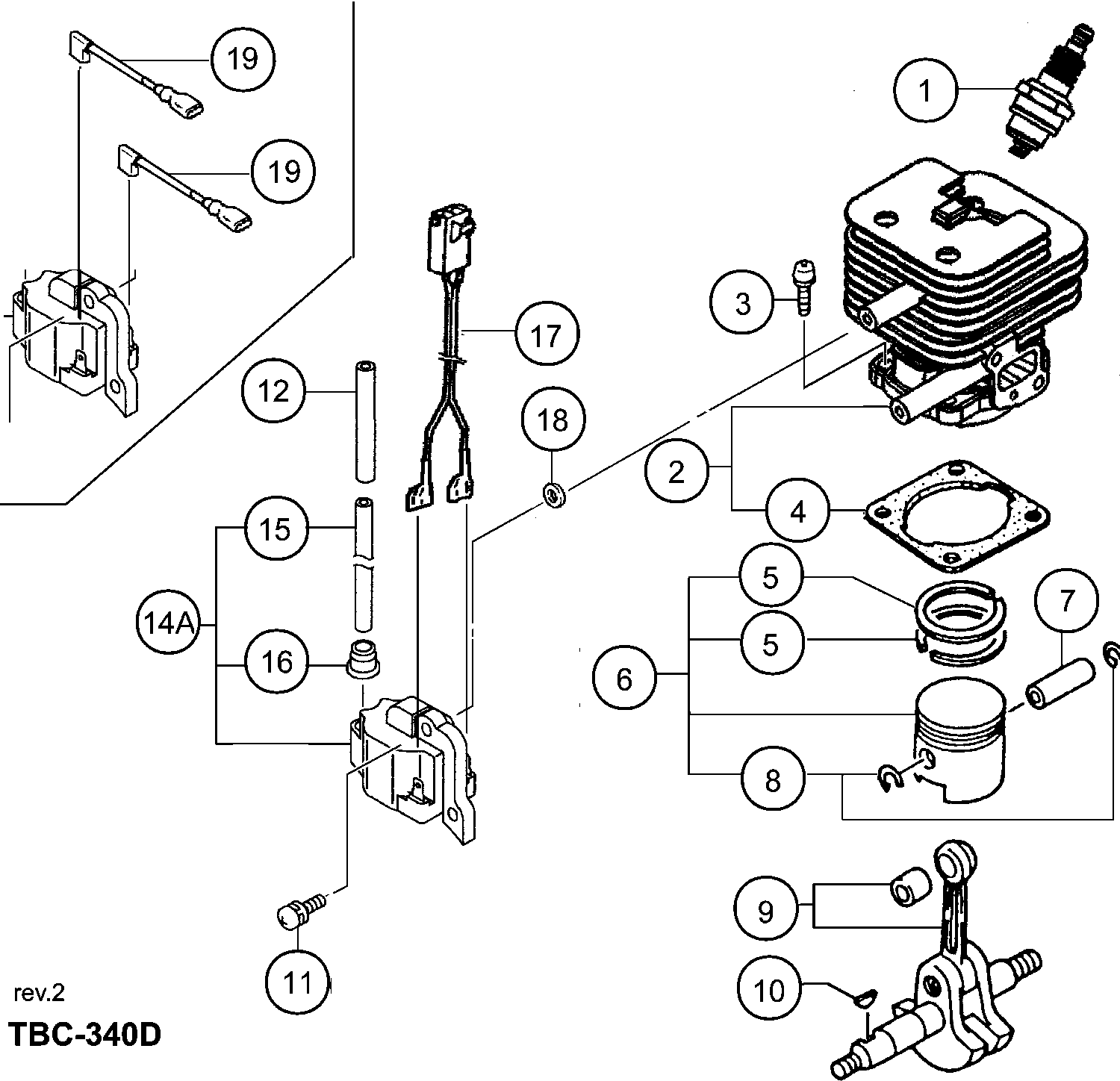
Liste de pièces de rechange des Hikoki TBC-340D
| Pos. | Description | Prix hors TVA | Prix TTC | |
| Les prix affichés incluent la TVA | ||||
| Bougie d'allumage (ancienne 6685775) | ||||
| 1 | 6699326 | 3.30 | 3.96 | |
| Bougie Cj6y (ancien 6685772) | ||||
| 1 | 6699323 | 2.48 | 2.97 | |
| Jeu de cylindres (ancien 001-07031-91/6685486) | ||||
| 2 | 6685487 | 52.34 | 62.80 | |
| Boulon à tête hexagonale M5x16/s (ancien 994-61050 | ||||
| 3 | 6684903 | 2.15 | 2.58 | |
| Joint de cylindre (ancien 017-07020-20) | ||||
| 4 | 6685746 | 1.15 | 1.38 | |
| Anneau de piston (xr1-1856) | ||||
| 5 | 6685331 | 4.05 | 4.86 | |
| Ensemble de pistons (ancienne 030-07030-91/6685897 | ||||
| 6 | 6685898 | 24.20 | 29.04 | |
| Broche de piston 9 X 31 (ancien 037-01400-20/79117 | ||||
| 7 | 6686008 | 2.31 | 2.78 | |
| Circlip (ancien 039-00000-20) | ||||
| 8 | 6685078 | 1.15 | 1.38 | |
| Vilebrequin comp. (ancien 046-07221-80/6686210) | ||||
| 9 | 6696499 | 67.00 | 80.40 | |
| Clavette à ergot 3x13x4.5 (ancien 068-10100-20) | ||||
| 10 | 6684899 | 2.15 | 2.58 | |
| Vis haute tension 4x18ws (ancienne 994-16040-186) | ||||
| 11 | 6695407 | 1.15 | 1.38 | |
| Tube isolant, 110l (ancien 250-07020-20) | ||||
| 12 | 6688319 | 1.15 | 1.38 | |
| Ass'y de Bobine d'Allumage (vieux 6687665/6699774) | ||||
| 14A | 6699772 | 17.85 | 21.42 | |
| Cordon Haute tension 140l (old 178-20549-20/668788 | ||||
| 15 | 6687888 | 2.31 | 2.78 | |
| Capuchon en Caoutchouc | ||||
| 16 | 6684602 | 2.15 | 2.58 | |
| Montage de fils de plomb | ||||
| 17 | 6697836 | 5.45 | 6.54 | |
| Rondelle (ancien 182-0186a-20) | ||||
| 18 | 6684600 | 2.15 | 2.58 | |
| Arrêt de cordon B160m (ancien 178-0703b-80) | ||||
| 19 | 6687874 | 2.31 | 2.78 | |
| Carter de vilebrequin Assy (ancien 072-07020-90) | ||||
| 31 | 6686580 | 38.26 | 45.92 | |
| Joint d'huile | ||||
| 32 | 6684607 | 4.29 | 5.14 | |
| Roulement à billes 6001 C3 | ||||
| 33 | 6684608 | 3.80 | 4.56 | |
| Joint de carter (ancien 090-07020-20) | ||||
| 34 | 6686721 | 1.15 | 1.38 | |
| Cale d'arbre d'engrenage 0.20 (ancien 330-00200-23 | ||||
| 35 | 6684604 | 2.15 | 2.58 | |
| Cale d'arbre d'engrenage 0.30 (ancien 330-00200-24 | ||||
| 35 | 6684605 | 2.15 | 2.58 | |
| Cale d'arbre de transmission 0.10 (ancien 330-0020 | ||||
| 35 | 6689177 | 1.15 | 1.38 | |
| Cale d'arbre de transmission 0.15 (ancien 330-0020 | ||||
| 35 | 6689178 | 1.15 | 1.38 | |
| Roto Magneto Comp. | ||||
| 36 | 6687375 | 20.11 | 24.14 | |
| Écrou M8 (ancien 991-01080-011/327325/332299/72660 | ||||
| 37 | 6684612 | 2.15 | 2.58 | |
| Bague | ||||
| 38 | 6695184 | 1.15 | 1.38 | |
| Boulon à tête hexagonale M5x16/s (ancien 994-61050 | ||||
| 39 | 6684903 | 2.15 | 2.58 | |
| Bague | ||||
| 40 | 6689645 | 1.15 | 1.38 | |
| Joint de collecteur d'admission | ||||
| 51 | 6689864 | 1.15 | 1.38 | |
| Set d'isolateur de carburateur, pièce de rechange | ||||
| 52 | 6689924 | 6.60 | 7.92 | |
| Boulon à trou hexagonal 5x22/ws (ancien 994-64050- | ||||
| 53 | 6695514 | 1.15 | 1.38 | |
| Joint de carburateur (ancien 402-0656a-20) | ||||
| 54 | 6684616 | 2.15 | 2.58 | |
| Set de carburateur | ||||
| 55 | 6690503 | 86.36 | 103.64 | |
| Set de carburateur | ||||
| 55 | 6690505 | 67.65 | 81.18 | |
| Plaque d'étranglement 1.0 (ancien 528-07020-22/669 | ||||
| 56 | 6691278 | 1.15 | 1.38 | |
| Corps de nettoyeur complet (ancien 423-0652n-80) | ||||
| 57 | 6690120 | 4.45 | 5.34 | |
| Éponge de nettoyage | ||||
| 58 | 6690365 | 1.15 | 1.38 | |
| Couvercle du filtre à air | ||||
| 59 | 6690421 | 13.86 | 16.64 | |
| Comp. de boulon de fixation de couvercle | ||||
| 60 | 6698730 | 3.15 | 3.78 | |
| Vis M5x57/s (ancienne 994-14050-571/790190) | ||||
| 61 | 6695353 | 1.15 | 1.38 | |
| Rondelle 5 (ancien 992-00050-011) | ||||
| 62 | 6684864 | 2.15 | 2.58 | |
| Levier de contrôle de l'étranglement (ancien 523-0 | ||||
| 63 | 6691239 | 1.15 | 1.38 | |
| Composant de réservoir blanc (ancien 591-07039-80/ | ||||
| 64 | 6691588 | 11.71 | 14.06 | |
| Collier C (ancien 659-04300-20) | ||||
| 65 | 6684623 | 2.15 | 2.58 | |
| Plus disponible, pas de remplacement | ||||
| 66 | 6688156 | |||
| Plus disponible, pas de remplacement | ||||
| 67 | 6684880 | |||
| Pas d'informations disponibles, non commandable | ||||
| 68 | 6684620 | |||
| Clip D6 (ancien 680-00070-20) | ||||
| 69 | 6685198 | 1.15 | 1.38 | |
| Tuyau de carburant | ||||
| 70 | 6688169 | 2.31 | 2.78 | |
| Boulon à trou hexagonal 5x20ps (ancien 994-63050-2 | ||||
| 71 | 6695506 | 1.15 | 1.38 | |
| Pas d'informations disponibles, non commandable | ||||
| 72 | 6685049 | |||
| Pas d'informations disponibles, non commandable | ||||
| 73 | 6684625 | |||
| Stand (ancien 941-07035-20) | ||||
| 74 | 6694793 | 3.30 | 3.96 | |
| Vis à tôle 4x14 P (ancienne 993-49040-142/6695112) | ||||
| 75 | 6695280 | 1.15 | 1.38 | |
| Bague | ||||
| 76 | 6685070 | 1.15 | 1.38 | |
| Capuchon de réservoir D Ass'y (ancien 595-03002-90 | ||||
| 78 | 6691748 | 7.59 | 9.10 | |
| Capuchon de nettoyage (ancien 424-0652n-21) Nouvea | ||||
| 79 | 6690154 | 4.45 | 5.34 | |
| Vis spéciale (ancien 380-06410-20) Nouveau | ||||
| 80 | 6689738 | 4.45 | 5.34 | |
| Bague | ||||
| 81 | 6684633 | 2.15 | 2.58 | |
| Bague | ||||
| 82 | 6684632 | 2.15 | 2.58 | |
| Garniture d'embrayage complète (ancienne 290-0138a | ||||
| 91 | 6688610 | 7.59 | 9.10 | |
| Ressort d'embrayage (ancien 342-0138a-20) | ||||
| 92 | 6689420 | 2.31 | 2.78 | |
| Bague | ||||
| 93 | 6689645 | 1.15 | 1.38 | |
| Rondelle | ||||
| 94 | 6695203 | 1.15 | 1.38 | |
| Boulon d'étape d'embrayage (ancien 357-0136u-20) | ||||
| 95 | 6689628 | 2.31 | 2.78 | |
| Ensemble d'embrayage Ass'y (ancien 276-0138a-90) | ||||
| 96 | 6688482 | 12.88 | 15.45 | |
| Enveloppe De Ventilateur | ||||
| 97 | 6687019 | 11.05 | 13.26 | |
| Boulon à trou hexagonal 5x15ws (ancien 994-64050-1 | ||||
| 98 | 6695512 | 1.15 | 1.38 | |
| Caoutchouc anti-vibrateur | ||||
| 99 | 6691838 | 3.30 | 3.96 | |
| Vis à fileter D5x14 (ancien 990-72050-144) | ||||
| 100 | 6685275 | 1.15 | 1.38 | |
| Porte-tube (ancien 360-07030-20) | ||||
| 101 | 6689656 | 8.91 | 10.70 | |
| Anneau d'arrêt C-12 Extérieur | ||||
| 102 | 6684664 | 2.15 | 2.58 | |
| Boulon trou hexagonal M5x25/s (ancien 994-16050-25 | ||||
| 103 | 6684709 | 2.15 | 2.58 | |
| Boulon à trou hexagonal 4x12ws (ancien 994-64040-1 | ||||
| 104A | 6695507 | 1.15 | 1.38 | |
| Arbre d'embrayage Comp. 78 (ancien 289-07031-80) | ||||
| 105 | 6688598 | 15.73 | 18.87 | |
| Bague de Butée R-32, Interne (ancien 993-53032-002 | ||||
| 106 | 6695304 | 1.15 | 1.38 | |
| Boitier de palier (ancien 088-07020-20) | ||||
| 107 | 6686667 | 7.75 | 9.30 | |
| Roulement à billes | ||||
| 108 | 6695553 | 6.28 | 7.53 | |
| Passe-câble principal (ancien 203-11660-20) | ||||
| 109 | 6688057 | 1.15 | 1.38 | |
| Protecteur de silencieux (ancienne 738-07021-20) | ||||
| 110 | 6692803 | 7.75 | 9.30 | |
| Capuchon de bougie d'allumage d'ensemble (ancien 1 | ||||
| 111 | 6687468 | 2.31 | 2.78 | |
| Vis autotaraudeuse D4.5x12 (ancien 990-73045-124) | ||||
| 112 | 6684637 | 2.15 | 2.58 | |
| Joint de silencieux (ancien 737-0165a-20) | ||||
| 113 | 6692732 | 1.15 | 1.38 | |
| Bouclier thermique | ||||
| 114 | 6687260 | 3.30 | 3.96 | |
| Ensemble de silencieux (ancien 704-07020-90) | ||||
| 115 | 6692489 | 22.24 | 26.68 | |
| Ensemble de silencieux (ancien 704-0703j-90) | ||||
| 115 | 6692493 | 19.21 | 23.06 | |
| Boulon à trou hexagonal M6x55 (ancien 990-51060-55 | ||||
| 116 | 6684638 | 2.15 | 2.58 | |
| Bague | ||||
| 117 | 6684639 | 2.15 | 2.58 | |
| Joint spécial d'échappement (ancien 751-07020-20) | ||||
| 118 | 6692887 | 1.15 | 1.38 | |
| Ensemble de tuyau d'échappement (ancien 721-07020- | ||||
| 119 | 6692669 | 4.45 | 5.34 | |
| Vis 4x8/s (ancien 994-14040-081) | ||||
| 120 | 6695325 | 1.15 | 1.38 | |
| Ensemble de tuyau d'échappement (ancien 721-07020- | ||||
| 121 | 6692669 | 4.45 | 5.34 | |
| Ensemble de tuyau de finition (ancien 734-07037-90 | ||||
| 121A | 6692712 | 2.31 | 2.78 | |
| Bague | ||||
| 122 | 6685109 | 1.15 | 1.38 | |
| Pare-étincelles, seulement USA (ancien 732-0631a-2 | ||||
| 123 | 6692699 | 1.15 | 1.38 | |
| Lanceur à rappel (ancien 762-0162v-91/6692968) | ||||
| 131 | 6692969 | 22.24 | 26.68 | |
| Poignée de démarrage | ||||
| 132 | 6693227 | 3.30 | 3.96 | |
| Guide de corde (ancien 780-06150-20) | ||||
| 133 | 6693135 | 3.30 | 3.96 | |
| Corps de Démarreur à Rappel (ancien 772-06150-21/6 | ||||
| 134 | 6693036 | 10.23 | 12.27 | |
| Ressort de rappel (ancien 779-0136u-20) | ||||
| 135 | 6693111 | 7.93 | 9.51 | |
| Corde 3.5x890 (ancien 783-0162v-20/6693171) | ||||
| 136 | 6693157 | 2.31 | 2.78 | |
| Bobine de corde de démarrage (ancien 774-0162v-20) | ||||
| 137 | 6693057 | 4.45 | 5.34 | |
| Bague | ||||
| 138 | 6693419 | 1.15 | 1.38 | |
| Vis de réglage (ancienne 839-00025-20) | ||||
| 139 | 6693632 | 1.15 | 1.38 | |
| Boulon Hex. Trou 4x18ps (ancien 994-63040-184) | ||||
| 140 | 6695502 | 1.15 | 1.38 | |
| Poulie de démarrage Ass'y (ancien 798-0166r-90) | ||||
| 141 | 6693394 | 7.59 | 9.10 | |
| Crampon de départ (vieux 788-0138a-20) | ||||
| 142 | 6693299 | 2.31 | 2.78 | |
| Ressort de starter (ancien 790-0162v-20) | ||||
| 143 | 6693345 | 2.31 | 2.78 | |
| Corps de pompe comp. (ancien 575-25153-80) | ||||
| 151 | 6684879 | 62.16 | 74.60 | |
| Pompe d'amorçage comp. (ancien 442-25151-80) | ||||
| 152 | 6684687 | 16.34 | 19.60 | |
| Couvercle de membrane (ancien 476-25151-20) | ||||
| 153 | 6684688 | 8.58 | 10.29 | |
| Corps d'amorçage (ancien 447-25108-20) | ||||
| 154 | 6684689 | 6.44 | 7.72 | |
| Membrane de dosage Comp. (ancien 474-25001-80/6690 | ||||
| 155 | 6690827 | 11.71 | 14.06 | |
| Diaphragme de mesure Comp. (ancien 474-25241-80) | ||||
| 155A | 6690830 | 11.88 | 14.25 | |
| Joint de diaphragme (ancien 475-25153-20) | ||||
| 156 | 6684691 | 8.58 | 10.29 | |
| Diaphragme de pompe (ancien 576-25100-20 & 6696325 | ||||
| 157 | 6684693 | 8.58 | 10.29 | |
| Joint de pompe (ancien 577-25100-20) | ||||
| 158 | 6691457 | 7.10 | 8.52 | |
| Joint de pompe (ancien 577-25292-20 & 6696321) | ||||
| 158A | 6684692 | 29.19 | 35.02 | |
| Jet principal #43 (ancien 599-2000w-43/6691847/669 | ||||
| 159 | 6691848 | 4.45 | 5.34 | |
| Jet principal #45 (ancien 599-2000w-45) Nouveau | ||||
| 159 | 6691850 | 4.05 | 4.86 | |
| O-RING (ancien 550-25100-20) | ||||
| 160 | 6684695 | 4.29 | 5.14 | |
| Bague d'arrêt (ancien 489-25100-20) | ||||
| 161 | 6684696 | 2.15 | 2.58 | |
| Pivot (ancien 539-25120-20) | ||||
| 162 | 6684697 | 6.44 | 7.72 | |
| Vis de Réglage de l'Accélérateur (ancien 514-25100 | ||||
| 163 | 6684870 | 2.15 | 2.58 | |
| Régleur de câble (vieux 544-25164-20) | ||||
| 164 | 6684873 | 6.44 | 7.72 | |
| Écrou de Blocage M6 (ancien 991-01060-013) | ||||
| 165 | 6684872 | 2.15 | 2.58 | |
| Ajusteur de Câble (ancien 614-25137-20) | ||||
| 166 | 6684871 | 4.29 | 5.14 | |
| Joint d'Épurateur (vieux 431-0634c-20) | ||||
| 167 | 6684875 | 4.29 | 5.14 | |
| Vis de réglage (ancien 548-25151-20 & 6696324) | ||||
| 168 | 6684699 | 2.15 | 2.58 | |
| Rondelle (vieux 549-25165-20) | ||||
| 169 | 6684874 | 2.15 | 2.58 | |
| Écran d'entrée (ancien 578-25007-20) | ||||
| 170 | 6684700 | 4.29 | 5.14 | |
| Pas d'informations disponibles, non commandable | ||||
| 171 | 6690700 | |||
| Ressort de réglage haute/basse (ancien 623-25032-2 | ||||
| 172 | 6692048 | 2.31 | 2.78 | |
| Bague | ||||
| 173 | 6691317 | 1.05 | 1.26 | |
| O-ring (ancien 550-25137-20) Nouveau | ||||
| 174 | 6691322 | 2.10 | 2.52 | |
| Valve d'étranglement (ancien 488-25199-90) | ||||
| 175 | 6690947 | 36.15 | 43.38 | |
| Comp. de soupape papillon (ancien 488-25170-80) | ||||
| 175A | 6690940 | 24.20 | 29.04 | |
| Arbre d'entraînement 1533l (ancien 343-38302-20 & | ||||
| 191 | 6689478 | 14.98 | 17.97 | |
| Pas d'informations disponibles, non commandable | ||||
| 192 | 6689407 | |||
| Assemblage de la douille | ||||
| 193 | 6697866 | 1.98 | 2.37 | |
| Poignée de prise (ancien 165-37590-20) | ||||
| 194 | 6684708 | 6.44 | 7.72 | |
| Boulon trou hexagonal M5x25/s (ancien 994-16050-25 | ||||
| 195 | 6684709 | 2.15 | 2.58 | |
| Support de poignée A (ancien 506-37623-20) | ||||
| 196 | 6684710 | 13.20 | 15.84 | |
| Support de poignée B (ancien 507-37623-20) | ||||
| 197 | 6684711 | 18.00 | 21.60 | |
| Caoutchouc d'amortissement (ancien 510-37352-20) | ||||
| 198 | 6691187 | 2.31 | 2.78 | |
| Support de poignée C (ancien 508-37623-20) | ||||
| 199 | 6684713 | 12.38 | 14.85 | |
| VIS A TETE HEXAGONALE AVEC TROU 6X25S (ANCIEN 994- | ||||
| 200 | 6684714 | 2.15 | 2.58 | |
| Pas d'informations disponibles, non commandable | ||||
| 201 | 6689291 | |||
| Collier B. (ancien 460-33111-20) | ||||
| 202 | 6684715 | 2.15 | 2.58 | |
| Poignée gauche (ancien 502-37867-20) | ||||
| 203 | 6696093 | 13.76 | 16.52 | |
| Poignée droite (ancien 501-37867-20) | ||||
| 204 | 6691080 | 13.53 | 16.23 | |
| Levier de papillon Ass'y 19 | ||||
| 205 | 6693766 | 42.20 | 50.64 | |
| Levier de sécurité (ancien 253-38400-20) | ||||
| 206 | 6684721 | 6.44 | 7.72 | |
| Ressort de rappel (ancien 832-38400-20) | ||||
| 207 | 6684722 | 2.15 | 2.58 | |
| Levier d'accélérateur (ancien 880-38401-20) | ||||
| 208 | 6684723 | 10.23 | 12.27 | |
| Bouchon aveugle (ancien 322-38400-20) | ||||
| 209 | 6684724 | 2.15 | 2.58 | |
| Vis M4x20 (noire) (ancienne 993-46040-202) | ||||
| 210 | 6684725 | 2.15 | 2.58 | |
| Vis 5x30 (noire) (ancienne 994-31050-303) | ||||
| 211 | 6684726 | 2.15 | 2.58 | |
| Pas d'informations disponibles, non commandable | ||||
| 212 | 6684727 | |||
| Interrupteur d'arrêt (ancien 156-38401-80) | ||||
| 218 | 6687460 | 13.86 | 16.64 | |
| Interrupteur d'arrêt (ancien 156-38401-81) | ||||
| 218A | 6687461 | 13.86 | 16.64 | |
| Câble d'accélérateur (ancien 887-38401-80) | ||||
| 219 | 6694023 | 12.54 | 15.04 | |
| Tube de protection (ancien 164-07086-50) | ||||
| 220 | 6687546 | 2.31 | 2.78 | |
| Câble d'accélérateur | ||||
| 221 | 6693979 | 28.14 | 33.76 | |
| Câble d'accélérateur | ||||
| 221A | 6693980 | 28.14 | 33.76 | |
| Pas d'informations disponibles, non commandable | ||||
| 222A | 6689275 | |||
| Arbre d'entraînement 1533l (ancien 343-38302-20 & | ||||
| 231 | 6689478 | 14.98 | 17.97 | |
| Poignée de Main Droite (ancien 503-38340-20) Nouve | ||||
| 234 | 6691101 | 4.05 | 4.86 | |
| Grip (ancien 165-38340-20) Nouveau | ||||
| 235 | 6687628 | 4.45 | 5.34 | |
| Poignée (ancien 500-38340-20) Nouveau | ||||
| 236 | 6691055 | 9.74 | 11.68 | |
| Support de poignée A (ancien 506-37623-20) | ||||
| 237 | 6684710 | 13.20 | 15.84 | |
| Support de poignée B,26dia. (ancien 507-37589-20) | ||||
| 238 | 6691156 | 4.05 | 4.86 | |
| Support de poignée C, 26 Dia. (ancien 508-37589-20 | ||||
| 239 | 6691174 | 3.30 | 3.96 | |
| Boulon trou hexagonal M5x25/s (ancien 994-16050-25 | ||||
| 240 | 6684709 | 2.15 | 2.58 | |
| VIS A TETE HEXAGONALE AVEC TROU 6X25S (ANCIEN 994- | ||||
| 241 | 6684714 | 2.15 | 2.58 | |
| Cintre (ancien 335-38360-80) | ||||
| 242 | 6689281 | 12.88 | 15.45 | |
| Support de fixation de cintre pour les États-Unis | ||||
| 243 | 6689294 | 1.15 | 1.38 | |
| Plus disponible, pas de remplacement | ||||
| 244 | 6696988 | |||
| Câble d'accélérateur | ||||
| 245 | 6693966 | 9.58 | 11.49 | |
| Levier de gaz (ancien 870-38340-90) Nouveau | ||||
| 246 | 6693763 | 14.19 | 17.02 | |
| Serre-fil (ancien 198-38340-20) Nouveau | ||||
| 247 | 6688026 | 1.05 | 1.26 | |
| Pas d'informations disponibles, non commandable | ||||
| 248A | 6689291 | |||
| Tube de protection 720l (ancien 164-07072-01) Nouv | ||||
| 250 | 6687539 | 2.10 | 2.52 | |
| Jeu de boîtier d'engrenage Pn (ancien 300-3338r-00 | ||||
| 281 | 6696497 | 60.35 | 72.42 | |
| Pas d'informations disponibles, non commandable | ||||
| 281A | 6697660 | |||
| Jeu de boîtier d'engrenage Pn (ancien 300-3338r-00 | ||||
| 281B | 6696497 | 60.35 | 72.42 | |
| Pas d'informations disponibles, non commandable | ||||
| 281C | 6601215 | |||
| Boulon trou hexagonal M5x25/s (ancien 994-16050-25 | ||||
| 282 | 6684709 | 2.15 | 2.58 | |
| Boulon à tête hexagonale M5x12 (ancien 990-51050-1 | ||||
| 282A | 6684829 | 2.15 | 2.58 | |
| Boulon trou hexagonal M5x25/s (ancien 994-16050-25 | ||||
| 282B | 6684709 | 2.15 | 2.58 | |
| Boulon à tête cylindrique hexagonale M5x30 S (anci | ||||
| 282C | 6684786 | 2.15 | 2.58 | |
| Rondelle D.5 | ||||
| 283 | 6684834 | 2.15 | 2.58 | |
| BAGUE D'ARRÊT C-26, interne (ANCIEN 993-51026-002) | ||||
| 284 | 6695294 | 1.15 | 1.38 | |
| Bague d'arrêt Externe 10 (ancienne 993-57010-002) | ||||
| 285 | 6695315 | 1.15 | 1.38 | |
| Anneau d'arrêt C-10, Extérieur (ancien 993-50010-0 | ||||
| 285A | 6684821 | 2.15 | 2.58 | |
| Bague d'arrêt Externe 10 (ancienne 993-57010-002) | ||||
| 285B | 6695315 | 1.15 | 1.38 | |
| Anneau d'arrêt C-10, Extérieur (ancien 993-50010-0 | ||||
| 285C | 6684821 | 2.15 | 2.58 | |
| Pas d'informations disponibles, non commandable | ||||
| 286 | 6695526 | |||
| Pas d'informations disponibles, non commandable | ||||
| 287 | 6695524 | |||
| Boîtier d'engrenage 26 Dia (ancien 300-37480-20) | ||||
| 288 | 6688770 | 15.88 | 19.05 | |
| Plaque D'engrenages (1) | ||||
| 288A | 6697738 | 12.88 | 15.45 | |
| Boîtier d'engrenage 26 Dia (ancien 300-37480-20) | ||||
| 288B | 6688770 | 15.88 | 19.05 | |
| Plaque D'engrenages (1) | ||||
| 288C | 6697738 | 12.88 | 15.45 | |
| Vis à Tête Hexagonale M5x12 / s (ancien 994-61050- | ||||
| 289 | 6684667 | 2.15 | 2.58 | |
| Boulon à tête cylindrique hexagonale M5x30 S (anci | ||||
| 289A | 6684786 | 2.15 | 2.58 | |
| Vis à Tête Hexagonale M5x12 / s (ancien 994-61050- | ||||
| 289B | 6684667 | 2.15 | 2.58 | |
| Boulon à tête hexagonale M5x12 (ancien 990-51050-1 | ||||
| 289C | 6684829 | 2.15 | 2.58 | |
| Boulon d'huilage (ancien 316-38150-20) | ||||
| 290 | 6689109 | 1.15 | 1.38 | |
| Boulon (avec plus) M6x8 (ancien 990-23060-080) | ||||
| 290A | 6684737 | 2.15 | 2.58 | |
| Boulon d'huilage (ancien 316-38150-20) | ||||
| 290B | 6689109 | 1.15 | 1.38 | |
| Boulon (avec plus) M6x8 (ancien 990-23060-080) | ||||
| 290C | 6684737 | 2.15 | 2.58 | |
| Roulement à billes | ||||
| 291 | 6684734 | 8.58 | 10.29 | |
| Arbre d'engrenage (ancien 304-3338r-20) | ||||
| 292 | 6688924 | 18.15 | 21.78 | |
| Arbre d'engrenage | ||||
| 292A | 6697739 | 14.53 | 17.43 | |
| Arbre d'engrenage (ancien 304-3338r-20) | ||||
| 292B | 6688924 | 18.15 | 21.78 | |
| Arbre d'engrenage | ||||
| 292C | 6697739 | 14.53 | 17.43 | |
| Roulement à billes | ||||
| 293 | 6695554 | 5.94 | 7.12 | |
| Roulement à billes | ||||
| 293A | 6695555 | 7.10 | 8.52 | |
| Bague d'arrêt interne C-32, ancien n° d'art. 993-5 | ||||
| 294 | 6695295 | 1.15 | 1.38 | |
| Porte-cutter (ancien 310-38150-20) | ||||
| 295 | 6689032 | 11.71 | 14.06 | |
| Porte-cutter | ||||
| 295A | 6699008 | 13.04 | 15.64 | |
| Porte-cutter (ancien 310-38150-20) | ||||
| 295B | 6689032 | 11.71 | 14.06 | |
| Porte-coupe Ass'y depuis J032081 pour l'Europe | ||||
| 295C | 6601216 | 25.56 | 30.68 | |
| Capuchon de Porte-Couteau (ancien 311-38150-20) | ||||
| 296 | 6689055 | 5.11 | 6.14 | |
| Capuchon du porte-couteau depuis J032081 pour l'Eu | ||||
| 296A | 6699009 | 3.80 | 4.56 | |
| Capuchon de Porte-Couteau (ancien 311-38150-20) | ||||
| 296B | 6689055 | 5.11 | 6.14 | |
| Capuchon du porte-couteau depuis J032081 pour l'Eu | ||||
| 296C | 6699009 | 3.80 | 4.56 | |
| Couvercle de noix | ||||
| 297 | 6697792 | 2.80 | 3.36 | |
| Écrou de Fixation L M10x1.25 (ancien 313-38150-20) | ||||
| 298 | 6689073 | 4.63 | 5.55 | |
| Pas d'informations disponibles, non commandable | ||||
| 298A | 6698658 | |||
| Écrou de Fixation L M10x1.25 (ancien 313-38150-20) | ||||
| 298B | 6689073 | 4.63 | 5.55 | |
| Pas d'informations disponibles, non commandable | ||||
| 298C | 6698658 | |||
| Bague | ||||
| 299 | 6689159 | 1.15 | 1.38 | |
| VIS A TETE HEXAGONALE AVEC TROU 6X25S (ANCIEN 994- | ||||
| 300 | 6684714 | 2.15 | 2.58 | |
| Support de Garde de Lame D26 (ancien 442-33699-20/ | ||||
| 301 | 6690294 | 1.15 | 1.38 | |
| Support de couverture D26 (ancien 442-38331-20) | ||||
| 301A | 6690315 | 4.45 | 5.34 | |
| Support de couverture D26 | ||||
| 301B | 6697867 | 4.29 | 5.14 | |
| Support de couverture D26 (ancien 442-38331-20) | ||||
| 301C | 6690315 | 4.45 | 5.34 | |
| Support de couverture D26 | ||||
| 301D | 6697867 | 4.29 | 5.14 | |
| Garde de lame 26 Ce (ancien 441-37380-21/6690241) | ||||
| 302 | 6690242 | 16.64 | 19.96 | |
| Garde lame 26ce (ancien 441-38331-20) | ||||
| 302A | 6690276 | 17.55 | 21.06 | |
| Support de couvercle de sécurité (ancien 445-37380 | ||||
| 303 | 6684748 | 4.29 | 5.14 | |
| Plus disponible, pas de remplacement | ||||
| 304 | 6690372 | |||
| Garde de lame (ancien 447-38331-20) | ||||
| 304A | 6690376 | 9.40 | 11.28 | |
| Lame (ancienne 797-37380-21/6693385) | ||||
| 305 | 6693386 | 4.45 | 5.34 | |
| Lame (ancien 797-37714-20) | ||||
| 305A | 6684750 | 4.29 | 5.14 | |
| Vis 5x12/s (ancienne 994-14050-121) | ||||
| 306 | 6695334 | 1.15 | 1.38 | |
| Vis autotaraudeuse 4x14 (ancien 993-48040-142) | ||||
| 306A | 6684751 | 2.15 | 2.58 | |
| Jeux de pignon, de rechange (ancien 301-37480-00) | ||||
| 307 | 6688875 | 22.24 | 26.68 | |
| Ensemble de Pignon d'Engrenage | ||||
| 307A | 6697741 | 20.11 | 24.14 | |
| Jeux de pignon, de rechange (ancien 301-37480-00) | ||||
| 307B | 6688875 | 22.24 | 26.68 | |
| Ensemble de Pignon d'Engrenage | ||||
| 307C | 6697741 | 20.11 | 24.14 | |
| Écrou hexagonal 5 (ancien 991-01050-011) | ||||
| 308 | 6684965 | 1.04 | 1.24 | |
| Vis autotaraudeuse 5x20 (ancien 993-17052-002) | ||||
| 309 | 6684753 | 2.15 | 2.58 | |
| Lame (ancienne 797-38331-20) | ||||
| 310 | 6684754 | 8.58 | 10.29 | |
| Jeu de boîtier d'engrenage Pn (ancien 300-3338r-00 | ||||
| 321 | 6696497 | 60.35 | 72.42 | |
| Pas d'informations disponibles, non commandable | ||||
| 321B | 6601215 | |||
| Boulon trou hexagonal M5x25/s (ancien 994-16050-25 | ||||
| 322 | 6684709 | 2.15 | 2.58 | |
| Boulon à tête hexagonale M5x12 (ancien 990-51050-1 | ||||
| 322A | 6684829 | 2.15 | 2.58 | |
| Rondelle D.5 | ||||
| 323 | 6684834 | 2.15 | 2.58 | |
| BAGUE D'ARRÊT C-26, interne (ANCIEN 993-51026-002) | ||||
| 324 | 6695294 | 1.15 | 1.38 | |
| Bague d'arrêt Externe 10 (ancienne 993-57010-002) | ||||
| 325 | 6695315 | 1.15 | 1.38 | |
| Anneau d'arrêt C-10, Extérieur (ancien 993-50010-0 | ||||
| 325A | 6684821 | 2.15 | 2.58 | |
| Pas d'informations disponibles, non commandable | ||||
| 326 | 6695526 | |||
| Pas d'informations disponibles, non commandable | ||||
| 327 | 6695524 | |||
| Boîtier d'engrenage 26 Dia (ancien 300-37480-20) | ||||
| 328 | 6688770 | 15.88 | 19.05 | |
| Plaque D'engrenages (1) | ||||
| 328A | 6697738 | 12.88 | 15.45 | |
| Vis à Tête Hexagonale M5x12 / s (ancien 994-61050- | ||||
| 329 | 6684667 | 2.15 | 2.58 | |
| Boulon à tête cylindrique hexagonale M5x30 S (anci | ||||
| 329A | 6684786 | 2.15 | 2.58 | |
| Boulon d'huilage (ancien 316-38150-20) | ||||
| 330 | 6689109 | 1.15 | 1.38 | |
| Boulon (avec plus) M6x8 (ancien 990-23060-080) | ||||
| 330A | 6684737 | 2.15 | 2.58 | |
| Roulement à billes | ||||
| 331 | 6684734 | 8.58 | 10.29 | |
| Arbre d'engrenage (ancien 304-3338r-20) | ||||
| 332 | 6688924 | 18.15 | 21.78 | |
| Arbre d'engrenage | ||||
| 332A | 6697739 | 14.53 | 17.43 | |
| Roulement à billes | ||||
| 333 | 6695554 | 5.94 | 7.12 | |
| Roulement à billes | ||||
| 333A | 6695555 | 7.10 | 8.52 | |
| Bague d'arrêt interne C-32, ancien n° d'art. 993-5 | ||||
| 334 | 6695295 | 1.15 | 1.38 | |
| Porte-cutter (ancien 310-38150-20) | ||||
| 335 | 6689032 | 11.71 | 14.06 | |
| Porte-coupe Ass'y depuis J032081 pour l'Europe | ||||
| 335B | 6601216 | 25.56 | 30.68 | |
| Capuchon de Porte-Couteau (ancien 311-38150-20) | ||||
| 336 | 6689055 | 5.11 | 6.14 | |
| Capuchon du porte-couteau depuis J032081 pour l'Eu | ||||
| 336A | 6699009 | 3.80 | 4.56 | |
| Couvercle de noix | ||||
| 337 | 6697792 | 2.80 | 3.36 | |
| Écrou de Fixation L M10x1.25 (ancien 313-38150-20) | ||||
| 338 | 6689073 | 4.63 | 5.55 | |
| Pas d'informations disponibles, non commandable | ||||
| 338A | 6698658 | |||
| Bague | ||||
| 339 | 6689159 | 1.15 | 1.38 | |
| VIS A TETE HEXAGONALE AVEC TROU 6X25S (ANCIEN 994- | ||||
| 340 | 6684714 | 2.15 | 2.58 | |
| Support de couverture D26 (ancien 442-38331-20) | ||||
| 341 | 6690315 | 4.45 | 5.34 | |
| Support de couverture D26 | ||||
| 341A | 6697867 | 4.29 | 5.14 | |
| Garde lame 26ce (ancien 441-38331-20) | ||||
| 342 | 6690276 | 17.55 | 21.06 | |
| Support de couvercle de sécurité (ancien 445-37380 | ||||
| 343 | 6684748 | 4.29 | 5.14 | |
| Garde de lame (ancien 447-38331-20) | ||||
| 344 | 6690376 | 9.40 | 11.28 | |
| Lame (ancien 797-37714-20) | ||||
| 345 | 6684750 | 4.29 | 5.14 | |
| Vis autotaraudeuse 4x14 (ancien 993-48040-142) | ||||
| 346 | 6684751 | 2.15 | 2.58 | |
| Vis autotaraudeuse 5x20 (ancien 993-17052-002) | ||||
| 347 | 6684753 | 2.15 | 2.58 | |
| Lame (ancienne 797-38331-20) | ||||
| 348 | 6684754 | 8.58 | 10.29 | |
| Jeux de pignon, de rechange (ancien 301-37480-00) | ||||
| 349 | 6688875 | 22.24 | 26.68 | |
| Ensemble de Pignon d'Engrenage | ||||
| 349A | 6697741 | 20.11 | 24.14 | |
| Garde de lame (ancien 441-38070-20) Neuf | ||||
| 350 | 6690269 | 7.93 | 9.51 | |
| Support de couverture D26 (ancien 442-38253-20) No | ||||
| 351 | 6690314 | 2.31 | 2.78 | |
| Support de garde de sécurité (ancien 445-38253-20) | ||||
| 352 | 6690345 | 2.31 | 2.78 | |
| Vis à trou hexagonal 6x30 (ancien 990-53060-303) | ||||
| 353 | 6695082 | 1.15 | 1.38 | |
| Jeu de boîtier d'engrenage Pn (ancien 300-3338r-00 | ||||
| 371 | 6696497 | 60.35 | 72.42 | |
| Boulon trou hexagonal M5x25/s (ancien 994-16050-25 | ||||
| 372 | 6684709 | 2.15 | 2.58 | |
| BAGUE D'ARRÊT C-26, interne (ANCIEN 993-51026-002) | ||||
| 373 | 6695294 | 1.15 | 1.38 | |
| Bague d'arrêt Externe 10 (ancienne 993-57010-002) | ||||
| 375 | 6695315 | 1.15 | 1.38 | |
| Pas d'informations disponibles, non commandable | ||||
| 376 | 6695526 | |||
| Pas d'informations disponibles, non commandable | ||||
| 378 | 6695524 | |||
| Boîtier d'engrenage 26 Dia (ancien 300-37480-20) | ||||
| 379 | 6688770 | 15.88 | 19.05 | |
| Vis à Tête Hexagonale M5x12 / s (ancien 994-61050- | ||||
| 380 | 6684667 | 2.15 | 2.58 | |
| Boulon d'huilage (ancien 316-38150-20) | ||||
| 381 | 6689109 | 1.15 | 1.38 | |
| Roulement à billes | ||||
| 382 | 6684734 | 8.58 | 10.29 | |
| Arbre d'engrenage (ancien 304-3338r-20) | ||||
| 383 | 6688924 | 18.15 | 21.78 | |
| Roulement à billes | ||||
| 384 | 6695554 | 5.94 | 7.12 | |
| Bague d'arrêt interne C-32, ancien n° d'art. 993-5 | ||||
| 385 | 6695295 | 1.15 | 1.38 | |
| Porte-cutter (ancien 310-38150-20) | ||||
| 386 | 6689032 | 11.71 | 14.06 | |
| Capuchon de Porte-Couteau (ancien 311-38150-20) | ||||
| 387 | 6689055 | 5.11 | 6.14 | |
| Écrou de Fixation L M10x1.25 (ancien 313-38150-20) | ||||
| 388 | 6689073 | 4.63 | 5.55 | |
| Bague | ||||
| 389 | 6689159 | 1.15 | 1.38 | |
| VIS A TETE HEXAGONALE AVEC TROU 6X25S (ANCIEN 994- | ||||
| 390 | 6684714 | 2.15 | 2.58 | |
| Support de Garde de Lame D26 (ancien 442-33699-20/ | ||||
| 391 | 6690294 | 1.15 | 1.38 | |
| Support de couverture D26 (ancien 442-38331-20) | ||||
| 391A | 6690315 | 4.45 | 5.34 | |
| Garde de lame 26 Ce (ancien 441-37380-21/6690241) | ||||
| 392 | 6690242 | 16.64 | 19.96 | |
| Garde lame 26ce (ancien 441-38331-20) | ||||
| 392A | 6690276 | 17.55 | 21.06 | |
| Support de couvercle de sécurité (ancien 445-37380 | ||||
| 393 | 6684748 | 4.29 | 5.14 | |
| Plus disponible, pas de remplacement | ||||
| 394 | 6690372 | |||
| Garde de lame (ancien 447-38331-20) | ||||
| 394A | 6690376 | 9.40 | 11.28 | |
| Lame (ancienne 797-37380-21/6693385) | ||||
| 395 | 6693386 | 4.45 | 5.34 | |
| Lame (ancien 797-37714-20) | ||||
| 395A | 6684750 | 4.29 | 5.14 | |
| Vis 5x12/s (ancienne 994-14050-121) | ||||
| 396 | 6695334 | 1.15 | 1.38 | |
| Vis autotaraudeuse 4x14 (ancien 993-48040-142) | ||||
| 396A | 6684751 | 2.15 | 2.58 | |
| Jeux de pignon, de rechange (ancien 301-37480-00) | ||||
| 397 | 6688875 | 22.24 | 26.68 | |
| Écrou hexagonal 5 (ancien 991-01050-011) | ||||
| 398 | 6684965 | 1.04 | 1.24 | |
| Vis autotaraudeuse 5x20 (ancien 993-17052-002) | ||||
| 399 | 6684753 | 2.15 | 2.58 | |
| Lame (ancienne 797-38331-20) | ||||
| 400 | 6684754 | 8.58 | 10.29 | |
| Carter | ||||
| 411 | 6688803 | 52.34 | 62.80 | |
| Boulon à trou hexagonal 5x10 (ancien 990-51050-103 | ||||
| 412 | 6695042 | 1.15 | 1.38 | |
| Rondelle D.5 | ||||
| 413 | 6684834 | 2.15 | 2.58 | |
| BAGUE D'ARRÊT C-26, interne (ANCIEN 993-51026-002) | ||||
| 414 | 6695294 | 1.15 | 1.38 | |
| Clip | ||||
| 415 | 6695307 | 1.05 | 1.26 | |
| Pas d'informations disponibles, non commandable | ||||
| 416 | 6695524 | |||
| Pas d'informations disponibles, non commandable | ||||
| 417 | 6695526 | |||
| Boîtier d'engrenage 26 (ancien 300-38020-20) Nouve | ||||
| 418 | 6688802 | 14.38 | 17.25 | |
| Boulon Hex. Trou 6x28s (ancien 994-61060-284) Nouv | ||||
| 419 | 6695498 | 1.05 | 1.26 | |
| Boulon (avec plus) M6x8 (ancien 990-23060-080) | ||||
| 420 | 6684737 | 2.15 | 2.58 | |
| Pas d'informations disponibles, non commandable | ||||
| 421 | 6695524 | |||
| Pas d'informations disponibles, non commandable | ||||
| 422 | 6688944 | |||
| Roulement à billes #6201 | ||||
| 423 | 6695552 | 4.80 | 5.76 | |
| Bague d'arrêt interne C-32, ancien n° d'art. 993-5 | ||||
| 424 | 6695295 | 1.15 | 1.38 | |
| Porte-Cutter (ancien 310-38020-20) Nouveau | ||||
| 425 | 6689030 | 9.58 | 11.49 | |
| Pas d'informations disponibles, non commandable | ||||
| 426 | 6689053 | |||
| Vis 4x8/s (ancien 994-14040-081) | ||||
| 427 | 6695325 | 1.15 | 1.38 | |
| Écrou de Fixation L M10x1.25 (ancien 313-38150-20) | ||||
| 428 | 6689073 | 4.63 | 5.55 | |
| Couvercle de boîte d'engrenages (ancien 303-38020- | ||||
| 429 | 6688916 | 3.30 | 3.96 | |
| Collier (ancien 348-38455-20) Nouveau | ||||
| 430 | 6689532 | 4.45 | 5.34 | |
| Jeu de pignons? (ancien 301-38020-00) Nouveau | ||||
| 432 | 6688880 | 19.36 | 23.24 | |
| Vis à tête hexagonale 6x30s (ancien 994-81060-304) | ||||
| 433 | 6695518 | 1.15 | 1.38 | |
| Support de couverture D26 (ancien 442-38253-20) No | ||||
| 434 | 6690314 | 2.31 | 2.78 | |
| Garde de lame (ancien 441-38070-20) Neuf | ||||
| 435 | 6690269 | 7.93 | 9.51 | |
| Support de garde de sécurité (ancien 445-38253-20) | ||||
| 436 | 6690345 | 2.31 | 2.78 | |
| Vis à trou hexagonal 6x30 (ancien 990-53060-303) | ||||
| 437 | 6695082 | 1.15 | 1.38 | |
| Support de Garde de Lame D26 (ancien 442-33699-20/ | ||||
| 438 | 6690294 | 1.15 | 1.38 | |
| Couverture de sécurité (ancien 441-38302-20) Nouve | ||||
| 439 | 6690275 | 13.05 | 15.66 | |
| Pas d'informations disponibles, non commandable | ||||
| 440 | 6690342 | |||
| Garde de Couverture (ancien 447-37867-20) | ||||
| 441 | 6690374 | 6.44 | 7.72 | |
| Lame (ancienne 797-37380-21/6693385) | ||||
| 442 | 6693386 | 4.45 | 5.34 | |
| Vis autotaraudeuse 5x20 (ancien 993-17052-002) | ||||
| 443 | 6684753 | 2.15 | 2.58 | |
| Pas d'informations disponibles, non commandable | ||||
| 501 | 6684813 | |||
| Pas d'informations disponibles, non commandable | ||||
| 502 | 6684764 | |||
| Pas d'informations disponibles, non commandable | ||||
| 503 | 6699555 | |||
| Couvercle de coupe | ||||
| 503A | 6699756 | 1.15 | 1.38 | |
| Pas d'informations disponibles, non commandable | ||||
| 504 | 6684765 | |||
| Pas d'informations disponibles, non commandable | ||||
| 505 | 6693520 | |||
| Pas d'informations disponibles, non commandable | ||||
| 506 | 6695791 | |||
| Pas d'informations disponibles, non commandable | ||||
| 507 | 6695796 | |||
| Couvercle de protection B (ancien 308-38150-20 & 6 | ||||
| 508 | 6688995 | 3.30 | 3.96 | |
| Pas d'informations disponibles, non commandable | ||||
| 509 | 6695789 | |||
| Pas d'informations disponibles, non commandable | ||||
| 510 | 6695784 | |||
| Écrou de montage L-m10x1.25 (ancien 356-3383b-20) | ||||
| 511 | 6684756 | 9.08 | 10.89 | |
| Corps de coupe (ancien 786-33830-20) | ||||
| 512 | 6684757 | 22.69 | 27.22 | |
| Écrou spécial (ancien 315-33830-20) | ||||
| 513 | 6684758 | 9.40 | 11.28 | |
| Ressort de bobine (ancien 793-33830-20) | ||||
| 514 | 6684759 | 4.29 | 5.14 | |
| Bobine (ancien 787-33830-20) | ||||
| 515 | 6684760 | 15.58 | 18.69 | |
| Couvercle du corps de coupe (ancien 789-33830-20) | ||||
| 516 | 6684761 | 36.15 | 43.38 | |
| Œillet (ancien 788-33830-20) | ||||
| 517 | 6684762 | 4.29 | 5.14 | |
| Ecrou de Montage L-m8x1.25 (ancien 356-3383e-20) | ||||
| 518 | 6689624 | 7.75 | 9.30 | |
| Sure-tap Manuel P/l 9 | ||||
| 519 | 6697805 | 1.98 | 2.37 | |
| Couvercle de coupe (ancien 615-37224-20/790290) | ||||
| 520 | 6684768 | 2.15 | 2.58 | |
| Pas d'informations disponibles, non commandable | ||||
| 521 | 6693509 | |||
| Boite de Prémélange Carburant (ancien 872-20000-20 | ||||
| 523 | 6693785 | 3.30 | 3.96 | |
| Couvercle de coupeur (ancien 615-38360-20) Nouveau | ||||
| 524 | 6692021 | 2.10 | 2.52 | |
| Plaque nominative Tbc340d (ancien 906-07035-20) No | ||||
| 601 | 6694204 | 1.15 | 1.38 | |
| Marque Symbole Tbc340d (ancien 929-07035-20) Nouve | ||||
| 602 | 6694632 | 1.05 | 1.26 | |
| Pas d'informations disponibles, non commandable | ||||
| 603 | 6697851 | |||