Vous trouverez ici toutes les pièces et dessins disponibles du 'Hikoki TBC-225C'. De là, vous pouvez commander directement toutes les pièces souhaitées. De nombreuses pièces doivent être commandées auprès du fabricant, selon la marque, cela prend une à quatre semaines. Toutes les informations dont nous disposons se trouvent sur notre site Web, nous ne pouvons pas vous conseiller sur ce dont vous avez besoin, pour cela vous devrez retourner la machine pour réparation. Veuillez noter ce qui suit lors de la commande:
Dessins des Hikoki TBC-225C
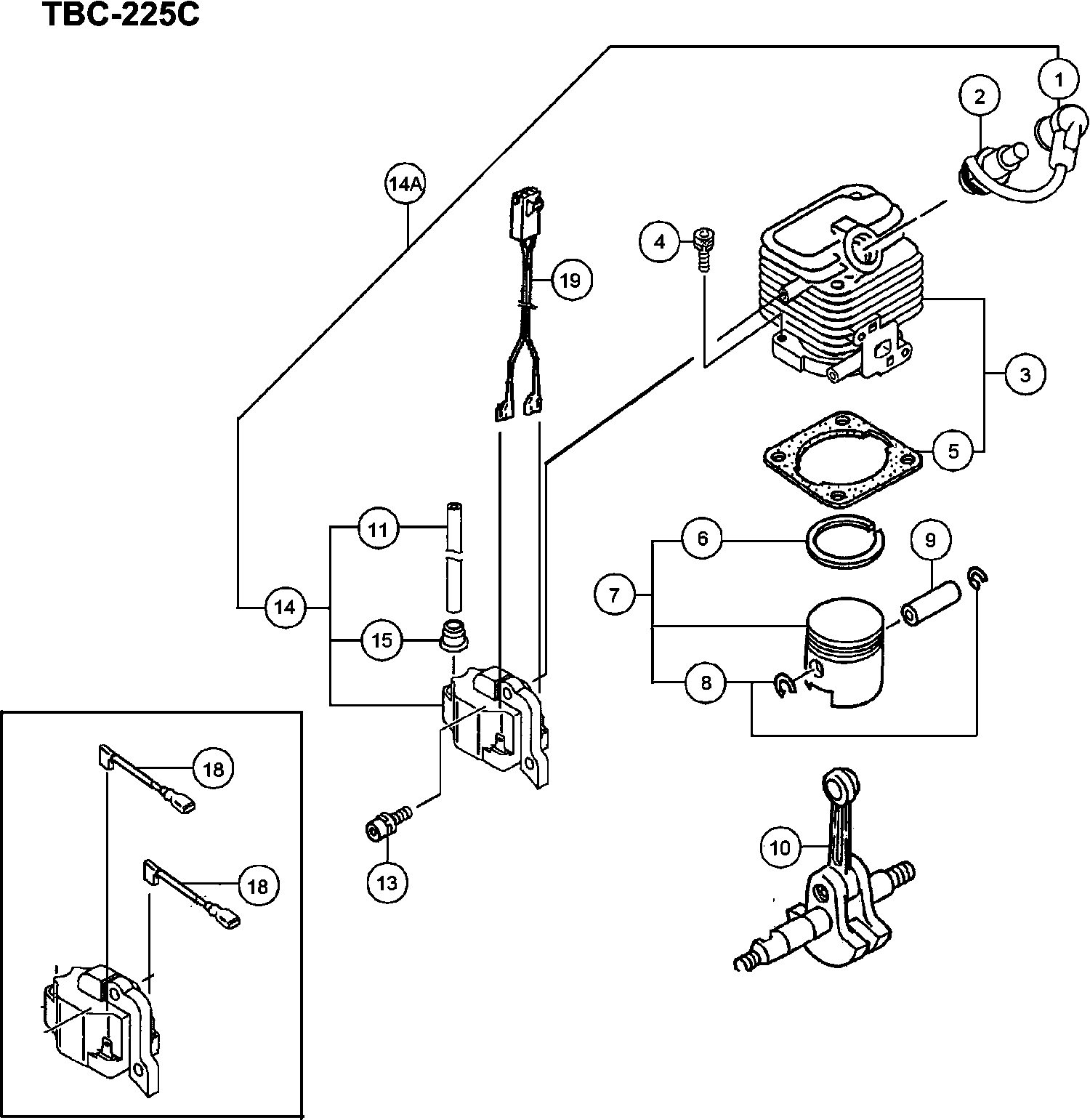
Liste de pièces de rechange des Hikoki TBC-225C
| Pos. | Description | Prix hors TVA | Prix TTC | |
| Les prix affichés incluent la TVA | ||||
| Capuchon de bougie d'allumage d'ensemble (ancien 1 | ||||
| 1 | 6687468 | 2.31 | 2.78 | |
| Bougie d'allumage (ancienne 6685085) | ||||
| 2 | 6699317 | 6.76 | 8.12 | |
| Bougie d'allumage Rcj8y | ||||
| 2 | 6699328 | 3.30 | 3.96 | |
| Jeu de cylindres (ancien 001-07130-91) | ||||
| 3 | 6685489 | 34.19 | 41.02 | |
| Boulon à trou hexagonal M5x18 / s (ancien 994-6105 | ||||
| 4 | 6684586 | 2.15 | 2.58 | |
| Joint de cylindre (ancien 017-00980-20 & 6685743) | ||||
| 5 | 6685709 | 1.15 | 1.38 | |
| Bague de piston (ancien 041-00601-21/ 6686117) | ||||
| 6 | 6686118 | 4.45 | 5.34 | |
| Ensemble piston (ancien 030-00070-90) | ||||
| 7 | 6685869 | 15.58 | 18.69 | |
| Circlip de goupille de piston (ancien 039-00601-20 | ||||
| 8 | 6684590 | 2.15 | 2.58 | |
| Axe de piston | ||||
| 9 | 6696944 | 3.33 | 3.99 | |
| Arbre à manivelle comp. (ancien 046-07135-80) | ||||
| 10 | 6686217 | 42.20 | 50.64 | |
| Cordon Haute tension 140l (old 178-20549-20/668788 | ||||
| 11 | 6687888 | 2.31 | 2.78 | |
| Boulon à trou hexagonal 4x15/ps (ancien 994-63040- | ||||
| 13 | 6684682 | 2.15 | 2.58 | |
| Ass'y de Bobine d'Allumage (vieux 6687665/6699774) | ||||
| 14 | 6699772 | 17.85 | 21.42 | |
| Pas d'informations disponibles, non commandable | ||||
| 14A | 6697638 | |||
| Capuchon en Caoutchouc | ||||
| 15 | 6684602 | 2.15 | 2.58 | |
| Arrêt de cordon Comp. (ancien 178-0136m-80) | ||||
| 18 | 6687826 | 2.31 | 2.78 | |
| Montage de fils de plomb | ||||
| 19 | 6697836 | 5.45 | 6.54 | |
| Cale d'arbre d'engrenage 0.20 (ancien 330-00200-23 | ||||
| 31 | 6684604 | 2.15 | 2.58 | |
| Cale d'arbre d'engrenage 0.30 (ancien 330-00200-24 | ||||
| 31 | 6684605 | 2.15 | 2.58 | |
| Cale d'arbre de transmission 0.10 (ancien 330-0020 | ||||
| 31 | 6689177 | 1.15 | 1.38 | |
| Cale d'arbre de transmission 0.15 (ancien 330-0020 | ||||
| 31 | 6689178 | 1.15 | 1.38 | |
| Carter de Manivelle Ass' (ancien 072-07120-92) | ||||
| 32 | 6686585 | 36.15 | 43.38 | |
| Joint d'huile | ||||
| 33 | 6684607 | 4.29 | 5.14 | |
| Roulement à billes 6001 C3 | ||||
| 34 | 6684608 | 3.80 | 4.56 | |
| Joint de carter de manivelle (ancien 090-06410-20) | ||||
| 35 | 6686719 | 1.15 | 1.38 | |
| Boulon à trou hexagonal M5x18 / s (ancien 994-6105 | ||||
| 36 | 6684586 | 2.15 | 2.58 | |
| Roto Magneto Comp. | ||||
| 37 | 6601171 | 22.99 | 27.58 | |
| Pas d'informations disponibles, non commandable | ||||
| 37A | 6696928 | |||
| Rondelle M8 (ancien 992-01080-011) | ||||
| 38 | 6684611 | 2.15 | 2.58 | |
| Écrou M8 (ancien 991-01080-011/327325/332299/72660 | ||||
| 39 | 6684612 | 2.15 | 2.58 | |
| Joint de collecteur d'admission | ||||
| 51 | 6689890 | 1.15 | 1.38 | |
| Set d'isolateurs de carburateur | ||||
| 52 | 6689914 | 5.94 | 7.12 | |
| Joint de carburateur (ancien 402-0602K-21/6689836) | ||||
| 53 | 6684615 | 2.15 | 2.58 | |
| Boulon à trou hexagonal 5x22/ws (ancien 994-64050- | ||||
| 54 | 6695514 | 1.15 | 1.38 | |
| Tube de protection (ancien 223-07000-90) | ||||
| 57 | 6688174 | 2.31 | 2.78 | |
| Clip D6 (ancien 680-00070-20) | ||||
| 58 | 6685198 | 1.15 | 1.38 | |
| Pas d'informations disponibles, non commandable | ||||
| 59 | 6684620 | |||
| Réservoir, blanc (ancien 591-07120-21/6691593/6691 | ||||
| 60 | 6691592 | 9.58 | 11.49 | |
| Pas d'informations disponibles, non commandable | ||||
| 61 | 6685049 | |||
| Capuchon de réservoir D Ass'y (ancien 595-03002-90 | ||||
| 61A | 6691748 | 7.59 | 9.10 | |
| Collier 5.8 (ancien 659-00801-20) | ||||
| 62 | 6692244 | 1.15 | 1.38 | |
| Set de carburateur | ||||
| 63 | 6690512 | 66.40 | 79.68 | |
| Set de carburateur | ||||
| 63 | 6690513 | 50.21 | 60.26 | |
| Capuchon pivotant (ancien 560-07120-21/6684628) | ||||
| 64 | 6691337 | 1.15 | 1.38 | |
| Boulon à trou hexagonal 5x16/ps (ancien 994-63050- | ||||
| 65 | 6695504 | 1.15 | 1.38 | |
| Boulon (avec bride) | ||||
| 65A | 6696574 | 1.05 | 1.26 | |
| Vis 5x20ws (ancien 994-65050-205) | ||||
| 66 | 6695516 | 1.15 | 1.38 | |
| Boulon L17.8 | ||||
| 66A | 6698511 | 1.05 | 1.26 | |
| Pas d'informations disponibles, non commandable | ||||
| 67 | 6684625 | |||
| Plus disponible, pas de remplacement | ||||
| 68 | 6684880 | |||
| Grommet de retour (ancien 6684627) | ||||
| 69 | 6697846 | 1.04 | 1.24 | |
| Vis plus 5x60ws (ancien 994-16050-601) | ||||
| 71 | 6695431 | 1.15 | 1.38 | |
| Joint torique P-15 | ||||
| 72 | 6698966 | 1.04 | 1.24 | |
| Réservoir F.t. | ||||
| 73A | 6601155 | 145.95 | 175.14 | |
| Capuchon de réservoir D Ass'y (ancien 595-03002-90 | ||||
| 74 | 6691748 | 7.59 | 9.10 | |
| Protecteur de Silencieux Noir (ancien 738-07162-20 | ||||
| 91 | 6692809 | 5.11 | 6.14 | |
| Vis 4x15ps (ancien 994-15040-151) | ||||
| 92 | 6695373 | 1.15 | 1.38 | |
| Vis autotaraudeuse D4.5x12 (ancien 990-73045-124) | ||||
| 94 | 6684637 | 2.15 | 2.58 | |
| Boulon de Tête de Douille Hex. M5x50 (ancien 990-5 | ||||
| 95 | 6685114 | 1.15 | 1.38 | |
| Rondelle Ø 5 | ||||
| 96 | 6684918 | 2.15 | 2.58 | |
| Ensemble de silencieux (ancien 704-07001-90) | ||||
| 98 | 6692487 | 11.88 | 14.25 | |
| Ensemble de silencieux (ancien 704-07139-90 & 6692 | ||||
| 98A | 6692496 | 12.54 | 15.04 | |
| Ensemble de silencieux (ancien 704-07139-90 & 6692 | ||||
| 99 | 6692496 | 12.54 | 15.04 | |
| Joint de silencieux (ancien 737-07000-20 & 6692743 | ||||
| 100 | 6692745 | 1.15 | 1.38 | |
| Bouclier thermique | ||||
| 101 | 6687253 | 2.31 | 2.78 | |
| Pas d'informations disponibles, non commandable | ||||
| 103 | 6697619 | |||
| Chaussure d'accouplement | ||||
| 104 | 6688616 | 7.59 | 9.10 | |
| BRAS D'EMBRAYAGE COMP 54 NOUVEAU | ||||
| 104A | 6697161 | 6.90 | 8.28 | |
| Ressort d'embrayage (ancien 342-06410-20) | ||||
| 105 | 6689430 | 2.31 | 2.78 | |
| Pas d'informations disponibles, non commandable | ||||
| 105A | 6697618 | |||
| Plaque d'embrayage A (ancien 348-0602r-20) | ||||
| 106 | 6689528 | 1.15 | 1.38 | |
| Boulon d'étape (ancien 357-00601-20) | ||||
| 107 | 6689627 | 1.15 | 1.38 | |
| Boulon d'étape (ancien 357-0075t-20) | ||||
| 107A | 6684646 | 2.15 | 2.58 | |
| Bague | ||||
| 108 | 6684648 | 2.15 | 2.58 | |
| Pas d'informations disponibles, non commandable | ||||
| 109 | 6696932 | |||
| Boulon à trou hexagonal M5x18/ws (ancien 994-64050 | ||||
| 110 | 6684647 | 2.15 | 2.58 | |
| Boulon à trou hexagonal M5x30/ws (ancien 994-64050 | ||||
| 112 | 6684973 | 2.15 | 2.58 | |
| Composant de bride de cordon (ancien 198-11600-80/ | ||||
| 113 | 6688011 | 1.15 | 1.38 | |
| Joint spécial du silencieux (ancien 751-04200-20) | ||||
| 114 | 6692883 | 1.15 | 1.38 | |
| Ensemble de tuyau d'échappement, de rechange (anci | ||||
| 115 | 6692709 | 2.31 | 2.78 | |
| Bague | ||||
| 116 | 6685109 | 1.15 | 1.38 | |
| Ensemble de grille de silencieux (ancien 732-0099f | ||||
| 117 | 6692688 | 2.31 | 2.78 | |
| Corps de démarreur à rappel (ancien 762-03045-90) | ||||
| 131 | 6684938 | 23.45 | 28.14 | |
| Corps de départ de rappel Comp. (ancien 772-03045- | ||||
| 132 | 6684944 | 17.24 | 20.68 | |
| Bobine de corde de démarrage (ancien 774-03045-20) | ||||
| 133 | 6684941 | 6.44 | 7.72 | |
| Ressort de rappel (ancien 779-03045-20) | ||||
| 134 | 6684942 | 9.40 | 11.28 | |
| Balancier (ancien 777-03045-20) | ||||
| 135 | 6684940 | 2.15 | 2.58 | |
| Vis de réglage (ancienne 839-03045-20) | ||||
| 136 | 6684679 | 2.15 | 2.58 | |
| Poulie de maintien (ancien 771-03045-20) | ||||
| 137 | 6684939 | 2.15 | 2.58 | |
| Corde 3.0x800 (ancien 783-03045-20) | ||||
| 138 | 6684943 | 4.29 | 5.14 | |
| Poignée de démarrage | ||||
| 139 | 6684680 | 2.15 | 2.58 | |
| Plus disponible, pas de remplacement | ||||
| 140 | 6685000 | |||
| Poulie de démarrage (ancien 798-03045-20) | ||||
| 141 | 6684937 | 6.44 | 7.72 | |
| Boulon à trou hexagonal 4x15/ps (ancien 994-63040- | ||||
| 142 | 6684682 | 2.15 | 2.58 | |
| Ensemble de nettoyeur d'air (ancien 410-00025-90) | ||||
| 171 | 6690005 | 9.58 | 11.49 | |
| Capuchon du purificateur d'air (ancien 424-00025-2 | ||||
| 172 | 6690139 | 4.45 | 5.34 | |
| Élément de filtre à air | ||||
| 173 | 6690347 | 4.45 | 5.34 | |
| Collier (ancien 470-00025-20) | ||||
| 175 | 6690801 | 2.31 | 2.78 | |
| Corps de Nettoyage Comp. (ancien 423-00025-80) | ||||
| 176 | 6690085 | 8.91 | 10.70 | |
| Corps de pompe comp. (ancien 575-25153-80) | ||||
| 191 | 6684879 | 62.16 | 74.60 | |
| Pompe d'amorçage comp. (ancien 442-25151-80) | ||||
| 192 | 6684687 | 16.34 | 19.60 | |
| Couvercle de membrane (ancien 476-25151-20) | ||||
| 193 | 6684688 | 8.58 | 10.29 | |
| Corps d'amorçage (ancien 447-25108-20) | ||||
| 194 | 6684689 | 6.44 | 7.72 | |
| Diaphragme de mesure Comp. (ancien 474-25241-80) | ||||
| 195 | 6690830 | 11.88 | 14.25 | |
| Joint de diaphragme (ancien 475-25153-20) | ||||
| 196 | 6684691 | 8.58 | 10.29 | |
| Diaphragme de pompe (ancien 576-25100-20 & 6696325 | ||||
| 197 | 6684693 | 8.58 | 10.29 | |
| Joint de pompe (ancien 577-25100-20) | ||||
| 198 | 6691457 | 7.10 | 8.52 | |
| Jet principal #38 (ancien 599-2000w-38) | ||||
| 199 | 6691844 | 4.45 | 5.34 | |
| Jet principal #40 (ancien 599-2000w-40) | ||||
| 199 | 6691845 | 4.45 | 5.34 | |
| O-RING (ancien 550-25100-20) | ||||
| 200 | 6684695 | 4.29 | 5.14 | |
| Bague d'arrêt (ancien 489-25100-20) | ||||
| 201 | 6684696 | 2.15 | 2.58 | |
| Pivot (ancien 539-25120-20) | ||||
| 202 | 6684697 | 6.44 | 7.72 | |
| Vis de réglage de l'accélérateur (ancien 548-25140 | ||||
| 203 | 6684698 | 4.29 | 5.14 | |
| Vis de réglage (ancien 548-25151-20 & 6696324) | ||||
| 204 | 6684699 | 2.15 | 2.58 | |
| Écran d'entrée (ancien 578-25007-20) | ||||
| 205 | 6684700 | 4.29 | 5.14 | |
| Soupape de commande d'acceleration comp. (ancien 4 | ||||
| 206 | 6684883 | 18.75 | 22.50 | |
| Tambour d'Embrayage Comp (ancien 6688603) | ||||
| 221 | 6697713 | 11.05 | 13.26 | |
| Vis autotaraudeuse D4.5x14 (ancien 990-75045-144) | ||||
| 222 | 6685152 | 1.15 | 1.38 | |
| Boulon à trou hexagonal M5x30/ws (ancien 994-64050 | ||||
| 223 | 6684973 | 2.15 | 2.58 | |
| Enveloppe De Ventilateur | ||||
| 224 | 6687031 | 14.53 | 17.43 | |
| Ecrou carré 5 (ancien 991-91050-001) | ||||
| 225 | 6695176 | 1.15 | 1.38 | |
| Entretoise (ancien 249-0712k-20) Nouveau | ||||
| 226 | 6688311 | 1.05 | 1.26 | |
| Ensemble de tuyau principal (ancien 353-38474-91) | ||||
| 261 | 6689610 | 88.33 | 105.99 | |
| Boitier de coupe Ass'y (ancien 300-38474-90) | ||||
| 262 | 6685044 | 58.39 | 70.06 | |
| Tuyau principal (ancien 341-38474-21) | ||||
| 263 | 6689413 | 50.21 | 60.26 | |
| Doublure flexible (ancienne 350-38474-20) | ||||
| 264 | 6685037 | 17.70 | 21.24 | |
| Arbre flexible (ancien 344-38474-20) | ||||
| 265 | 6685038 | 17.70 | 21.24 | |
| Pas d'informations disponibles, non commandable | ||||
| 266 | 6698339 | |||
| Roulement à billes 608 Zz C3 | ||||
| 267 | 6695547 | 3.30 | 3.96 | |
| Collier 5 (ancien 348-38474-20) | ||||
| 268 | 6685014 | 2.10 | 2.52 | |
| Boulon M5x10 (ancien 990-21050-101) | ||||
| 269 | 6684994 | 1.15 | 1.38 | |
| Boitier de coupe (ancien 300-38474-20) | ||||
| 270 | 6685042 | 24.20 | 29.04 | |
| Boulon Hex. M5x30 (ancien 990-21050-301) Nouveau J | ||||
| 271 | 6684996 | 1.15 | 1.38 | |
| Bague | ||||
| 272 | 6684971 | 1.04 | 1.24 | |
| Bague | ||||
| 273 | 6685001 | 1.15 | 1.38 | |
| Porte-cutter (ancien 310-38474-20) | ||||
| 274 | 6685073 | 4.45 | 5.34 | |
| Pas d'informations disponibles, non commandable | ||||
| 275 | 6685016 | |||
| Couvercle de sécurité (ancien 441-38452-21) | ||||
| 276 | 6685030 | 12.05 | 14.46 | |
| Bague | ||||
| 277 | 6684639 | 2.15 | 2.58 | |
| Pas d'informations disponibles, non commandable | ||||
| 278 | 6684792 | |||
| Boulon Plus M6x45 (ancien 990-23060-451) Nouveau J | ||||
| 279 | 6684995 | 1.15 | 1.38 | |
| Lame (ancienne 797-38452-20) | ||||
| 280 | 6685015 | 2.31 | 2.78 | |
| Vis autotaraudeuse D5x16 (ancien 990-73050-164) | ||||
| 281 | 6685074 | 1.15 | 1.38 | |
| Support, tuyau noir (ancien 346-3737a-20) | ||||
| 282 | 6689501 | 2.31 | 2.78 | |
| Poignée de l'arbre (ancien 509-38474-20) Nouveau | ||||
| 283 | 6685032 | 14.68 | 17.61 | |
| Poignée avant 22 (ancien 500-38452-20) Nouveau | ||||
| 321 | 6685041 | 20.11 | 24.14 | |
| Pas d'informations disponibles, non commandable | ||||
| 322 | 6685075 | |||
| Boulon à trou hexagonal 5x30s (ancien 994-16050-30 | ||||
| 323 | 6695426 | 1.15 | 1.38 | |
| Levier d'accélérateur Ass'y 22 (ancien 870-38474-9 | ||||
| 324 | 6693772 | 30.25 | 36.30 | |
| Câble d'accélérateur (ancien 885-38451-81) | ||||
| 325 | 6693983 | 3.30 | 3.96 | |
| Levier de gaz (ancien 880-38451-20) Nouveau | ||||
| 326 | 6685006 | 1.15 | 1.38 | |
| Ressort de retour (ancien 832-38451-20) | ||||
| 327 | 6684998 | 1.15 | 1.38 | |
| Interrupteur d'arrêt (ancien 162-38451-20) Nouveau | ||||
| 328 | 6685009 | 2.31 | 2.78 | |
| Marqueur de commutateur (ancien 925-38451-20) Nouv | ||||
| 329 | 6685003 | 1.15 | 1.38 | |
| Composant de l'interrupteur d'arrêt (ancien 156-38 | ||||
| 330 | 6687462 | 9.40 | 11.28 | |
| Vis machine M5x30 (ancien 990-11050-301) | ||||
| 331 | 6685076 | 1.15 | 1.38 | |
| Écrou hexagonal 5 (ancien 991-01050-011) | ||||
| 332 | 6684965 | 1.04 | 1.24 | |
| Vis à fileter D5x14 (ancien 990-72050-144) | ||||
| 333 | 6685275 | 1.15 | 1.38 | |
| Tube de protection D7x170 (ancien 164-07017-01) No | ||||
| 334 | 6685007 | 2.31 | 2.78 | |
| Levier de papillon Ass'y (ancien 870-38449-90) | ||||
| 335 | 6693769 | 36.15 | 43.38 | |
| Câble d'accélérateur | ||||
| 336 | 6693982 | 19.96 | 23.96 | |
| Câble d'accélérateur 4t (ancien 887-38449-80) | ||||
| 337 | 6694025 | 8.41 | 10.10 | |
| Bouton d'arrêt Comp. (ancien 156-37821-80) | ||||
| 338 | 6687452 | 13.91 | 16.70 | |
| Tube de protection 7x145l (ancien 164-07014-50) No | ||||
| 339 | 6687523 | 1.05 | 1.26 | |
| Levier de sécurité (ancien 253-38400-20) | ||||
| 340 | 6684721 | 6.44 | 7.72 | |
| Ressort de rappel (ancien 832-38400-20) | ||||
| 341 | 6684722 | 2.15 | 2.58 | |
| Bouchon aveugle (ancien 322-38400-20) | ||||
| 342 | 6684724 | 2.15 | 2.58 | |
| Vis M5x20 (ancien 994-31050-203) | ||||
| 343 | 6684803 | 2.15 | 2.58 | |
| Pas d'informations disponibles, non commandable | ||||
| 344 | 6684727 | |||
| Vis M4x20 (noire) (ancienne 993-46040-202) | ||||
| 345 | 6684725 | 2.15 | 2.58 | |
| Levier de gaz (ancien 880-38400-20) | ||||
| 346 | 6684804 | 8.58 | 10.29 | |
| Entretoise (ancien 444-38484-20) | ||||
| 347 | 6684794 | 8.58 | 10.29 | |
| Levier de gaz (ancien 880-38451-20) Nouveau | ||||
| 348 | 6685006 | 1.15 | 1.38 | |
| Ressort de retour (ancien 832-38451-20) | ||||
| 349 | 6684998 | 1.15 | 1.38 | |
| Interrupteur d'arrêt (ancien 162-38451-20) Nouveau | ||||
| 350 | 6685009 | 2.31 | 2.78 | |
| Marqueur de commutateur (ancien 925-38451-20) Nouv | ||||
| 351 | 6685003 | 1.15 | 1.38 | |
| Composant de l'interrupteur d'arrêt (ancien 156-38 | ||||
| 352 | 6687462 | 9.40 | 11.28 | |
| Vis machine M5x30 (ancien 990-11050-301) | ||||
| 353 | 6685076 | 1.15 | 1.38 | |
| Écrou hexagonal 5 (ancien 991-01050-011) | ||||
| 354 | 6684965 | 1.04 | 1.24 | |
| Vis à fileter D5x14 (ancien 990-72050-144) | ||||
| 355 | 6685275 | 1.15 | 1.38 | |
| Tube de protection D7x170 (ancien 164-07017-01) No | ||||
| 356 | 6685007 | 2.31 | 2.78 | |
| Levier d'accélérateur Ass'y 22 (ancien 870-38474-9 | ||||
| 357 | 6693772 | 30.25 | 36.30 | |
| Câble d'accélérateur (ancien 885-38451-81) | ||||
| 358 | 6693983 | 3.30 | 3.96 | |
| Pas d'informations disponibles, non commandable | ||||
| 501 | 6684813 | |||
| Pas d'informations disponibles, non commandable | ||||
| 502 | 6684764 | |||
| N/h Nb4 Rm8x1.25 (ancien 783-38474-90) | ||||
| 503 | 6695726 | 28.14 | 33.76 | |
| Pas d'informations disponibles, non commandable | ||||
| 504 | 6693274 | |||
| Écrou de montage à droite (ancien 356-38474-20) No | ||||
| 505 | 6689626 | 2.31 | 2.78 | |
| Dévidoir de câble | ||||
| 506 | 6693293 | 9.08 | 10.89 | |
| Ressort de bobine (ancien 793-38195-20) | ||||
| 507 | 6693379 | 1.15 | 1.38 | |
| Bobine de collecte | ||||
| 508 | 6689852 | 2.31 | 2.78 | |
| Oeillet (ancien 788-38195-20) | ||||
| 509 | 6693329 | 1.15 | 1.38 | |
| Capuchon du corps (ancien 789-38195-20) | ||||
| 510 | 6693339 | 4.45 | 5.34 | |
| Disque (ancien 403-38195-20) Nouveau Sep | ||||
| 511 | 6689906 | 1.15 | 1.38 | |
| Vis 5x14/s (ancienne 994-14050-141) Nouveau | ||||
| 512 | 6695336 | 1.15 | 1.38 | |