Vous trouverez ici toutes les pièces et dessins disponibles du 'Hikoki R14DL'. De là, vous pouvez commander directement toutes les pièces souhaitées. De nombreuses pièces doivent être commandées auprès du fabricant, selon la marque, cela prend une à quatre semaines. Toutes les informations dont nous disposons se trouvent sur notre site Web, nous ne pouvons pas vous conseiller sur ce dont vous avez besoin, pour cela vous devrez retourner la machine pour réparation. Veuillez noter ce qui suit lors de la commande:
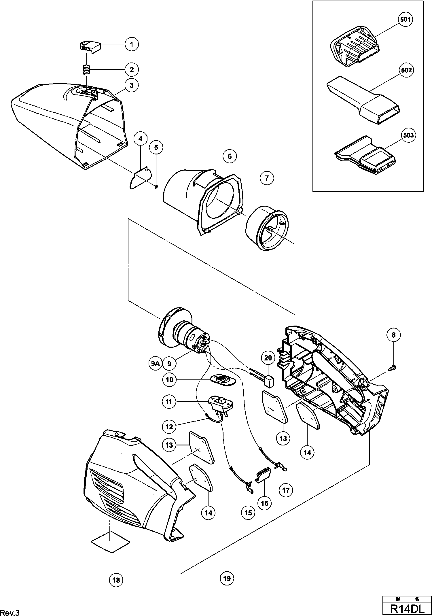
Dessins des Hikoki R14DL
Liste de pièces de rechange des Hikoki R14DL
| Pos. | Description | Prix hors TVA | Prix TTC | |
| Les prix affichés incluent la TVA | ||||
| Bouton R 18dsl | ||||
| 1 | 331382 | 1.05 | 1.26 | |
| Ressort | ||||
| 2 | 331383 | 1.05 | 1.26 | |
| Cuve | ||||
| 3 | 331385 | 11.40 | 13.68 | |
| Ens Verrouillage | ||||
| 4 | 331386 | 1.05 | 1.26 | |
| Ecrou | ||||
| 5 | 331384 | 1.05 | 1.26 | |
| Protecteur | ||||
| 6 | 331387 | 4.58 | 5.49 | |
| Filtre | ||||
| 7 | 331404 | 4.20 | 5.04 | |
| Vis à tarauder D4x20 avec bride (noir) | ||||
| 8 | 301653 | 1.04 | 1.24 | |
| Moteur | ||||
| 9A | 334897 | 18.84 | 22.60 | |
| Plus disponible, pas de remplacement | ||||
| 10 | 331388 | |||
| Commutateur | ||||
| 11 | 331393 | 2.10 | 2.52 | |
| Fil interne | ||||
| 12 | 331396 | 2.10 | 2.52 | |
| Isolation Phonique (a) | ||||
| 13 | 331380 | 2.10 | 2.52 | |
| Isolation Phonique (b) | ||||
| 14 | 331381 | 2.10 | 2.52 | |
| Plus disponible, pas de remplacement | ||||
| 15 | 331395 | |||
| Support | ||||
| 16 | 315141 | 1.20 | 1.44 | |
| Plus disponible, pas de remplacement | ||||
| 17 | 331394 | |||
| Pas d'informations disponibles, non commandable | ||||
| 19 | 331379 | |||
| Pas d'informations disponibles, non commandable | ||||
| 501 | 331405 | |||
| Pas d'informations disponibles, non commandable | ||||
| 502 | 331406 | |||
| Pas d'informations disponibles, non commandable | ||||
| 503 | 331407 | |||