Vous trouverez ici toutes les pièces et dessins disponibles du 'Hikoki NT65GS'. De là, vous pouvez commander directement toutes les pièces souhaitées. De nombreuses pièces doivent être commandées auprès du fabricant, selon la marque, cela prend une à quatre semaines. Toutes les informations dont nous disposons se trouvent sur notre site Web, nous ne pouvons pas vous conseiller sur ce dont vous avez besoin, pour cela vous devrez retourner la machine pour réparation. Veuillez noter ce qui suit lors de la commande:
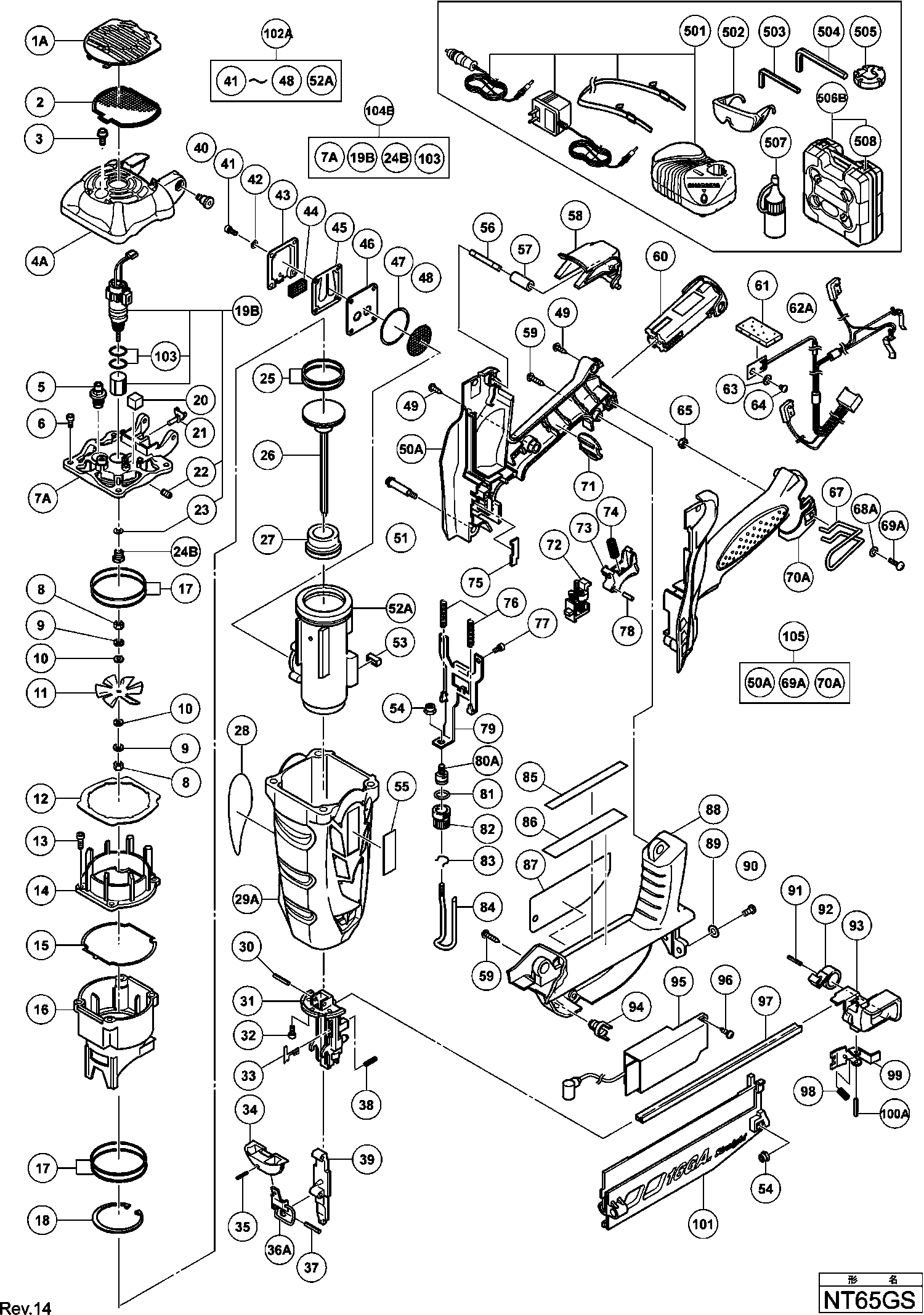
Dessins des Hikoki NT65GS
Liste de pièces de rechange des Hikoki NT65GS
| Pos. | Description | Prix hors TVA | Prix TTC | |
| Les prix affichés incluent la TVA | ||||
| Pas d'informations disponibles, non commandable | ||||
| *60 | 326299 | |||
| Protection B#9r192230 | ||||
| 1A | 886664 | 1.05 | 1.26 | |
| Filtre | ||||
| 2 | 886344 | 10.20 | 12.24 | |
| Vis Ø 5x10 B#9r192232 | ||||
| 3 | 886347 | 1.05 | 1.26 | |
| Couvercle Cartouche | ||||
| 4A | 886335 | 3.15 | 3.78 | |
| Bougie Nr 90gc | ||||
| 5 | 885333 | 3.30 | 3.96 | |
| Vis Dh 40yb | ||||
| 6 | 880630 | 1.05 | 1.26 | |
| Carter Superieur B#9r192236 | ||||
| 7A | 886661 | 20.90 | 25.08 | |
| Ecrou Ø 3 (x10) | ||||
| 8 | 949553 | 1.04 | 1.24 | |
| Rondelle de ressort M3 (10 pièces) | ||||
| 9 | 949451 | 1.05 | 1.26 | |
| Rondelle (x10) | ||||
| 10 | 949422 | 1.04 | 1.24 | |
| Ventilateur | ||||
| 11 | 886309 | 2.10 | 2.52 | |
| Joint B#9r192241 | ||||
| 12 | 886568 | 1.05 | 1.26 | |
| Vis M4x16 (paquet de 10) | ||||
| 13 | 949754 | 2.40 | 2.88 | |
| Couvercle | ||||
| 14 | 886295 | 9.15 | 10.98 | |
| Joint B#9r192244 | ||||
| 15 | 886296 | 1.05 | 1.26 | |
| Chambre Superieur B#9r192245 | ||||
| 16 | 886297 | 10.65 | 12.78 | |
| Segment B#9r192246 | ||||
| 17 | 886312 | 2.10 | 2.52 | |
| Clips B#9r192247 | ||||
| 18 | 886298 | 1.05 | 1.26 | |
| Moteur | ||||
| 19B | 887446 | 104.50 | 125.40 | |
| Joint | ||||
| 20 | 886315 | 1.05 | 1.26 | |
| Adaptateur | ||||
| 21 | 886313 | 1.05 | 1.26 | |
| Vis Ø 4x5 | ||||
| 22 | 886314 | 1.05 | 1.26 | |
| Plaq.en Caoutchouc (1) | ||||
| 23 | 886567 | 1.05 | 1.26 | |
| Recouvrement | ||||
| 24B | 887890 | 2.10 | 2.52 | |
| Segment B#9r192255 | ||||
| 25 | 886286 | 4.20 | 5.04 | |
| Piston B#9r192149 | ||||
| 26 | 886291 | 22.83 | 27.39 | |
| Amortisseur B#9r192257 | ||||
| 27 | 886289 | 2.10 | 2.52 | |
| Pas d'informations disponibles, non commandable | ||||
| 28 | 888773 | |||
| Carter | ||||
| 29A | 331425 | 12.90 | 15.48 | |
| Broche | ||||
| 30 | 886310 | 1.05 | 1.26 | |
| Piece De Guidage | ||||
| 31 | 886302 | 18.84 | 22.60 | |
| Vis Ø 4x12 B#9r192262 | ||||
| 32 | 886311 | 1.05 | 1.26 | |
| Plaque de blocage New | ||||
| 33 | 886304 | 1.05 | 1.26 | |
| Protection B#9r192204 | ||||
| 34 | 886570 | 2.10 | 2.52 | |
| Goupille Nv65ac | ||||
| 35 | 949776 | 2.40 | 2.88 | |
| Levier D'enclenchement | ||||
| 36A | 887453 | 4.20 | 5.04 | |
| Goupille | ||||
| 37 | 949496 | 1.65 | 1.98 | |
| Ressort De Maintien | ||||
| 38 | 886305 | 1.05 | 1.26 | |
| Plaque De Guidage | ||||
| 39 | 886303 | 12.90 | 15.48 | |
| Vis Ø 5 B#9r192253 | ||||
| 40 | 886566 | 1.05 | 1.26 | |
| Vis Ø 4x8 | ||||
| 41 | 886307 | 1.05 | 1.26 | |
| Rondelle | ||||
| 42 | 886319 | 1.05 | 1.26 | |
| Plaque B#9r192276 | ||||
| 43 | 886287 | 4.20 | 5.04 | |
| Filtre B#9r192277 | ||||
| 44 | 886288 | 2.10 | 2.52 | |
| Joint | ||||
| 45 | 886290 | 3.15 | 3.78 | |
| Joint B#9r192279 | ||||
| 46 | 886293 | 2.10 | 2.52 | |
| Anneau O | ||||
| 47 | 886294 | 1.05 | 1.26 | |
| Grille B#9r192281 | ||||
| 48 | 886292 | 3.30 | 3.96 | |
| Vis Ø 4*16 Noir | ||||
| 49 | 305812 | 1.04 | 1.24 | |
| Pas d'informations disponibles, non commandable | ||||
| 50A | 886317 | |||
| Vis Ø 4x32 B#9r192269 | ||||
| 51 | 886565 | 1.05 | 1.26 | |
| Cylindre | ||||
| 52A | 886284 | 32.31 | 38.78 | |
| Caoutchouc | ||||
| 53 | 886285 | 1.05 | 1.26 | |
| Ecrou Plastique M5 | ||||
| 54 | 877371 | 1.05 | 1.26 | |
| Plaque de Marque | ||||
| 55 | 886342 | 1.80 | 2.16 | |
| Plaque de Marque | ||||
| 55A | 886342 | 1.80 | 2.16 | |
| Broche | ||||
| 56 | 886332 | 1.05 | 1.26 | |
| Douille Caoutchouc | ||||
| 57 | 886333 | 1.05 | 1.26 | |
| Levier B#9r192284 | ||||
| 58 | 886326 | 2.10 | 2.52 | |
| Vis autotaraudeuse D4x20 avec bride (noir) | ||||
| 59 | 302086 | 1.05 | 1.26 | |
| Pas d'informations disponibles, non commandable | ||||
| 60 | 326299 | |||
| Support | ||||
| 61 | 886316 | 1.05 | 1.26 | |
| Fil interne (a) | ||||
| 62A | 887635 | 72.19 | 86.62 | |
| Rondelle M4 (x10) paquet de 10 | ||||
| 63 | 949423 | 1.05 | 1.26 | |
| Vis machine M4x10 (10 pièces) (ANCIEN 949216Z) | ||||
| 64 | 949216 | 1.05 | 1.26 | |
| Ecrou Ø 4 Noir B#9r192290 | ||||
| 65 | 886330 | 1.05 | 1.26 | |
| Crochet | ||||
| 67 | 886345 | 3.15 | 3.78 | |
| Bague | ||||
| 68A | 887036 | 1.05 | 1.26 | |
| Vis M4x25 Noir | ||||
| 69A | 887034 | 1.05 | 1.26 | |
| Pas d'informations disponibles, non commandable | ||||
| 70A | 886323 | |||
| Support B#9r192292 | ||||
| 71 | 326316 | 1.05 | 1.26 | |
| Support B#9r192292 | ||||
| 71A | 326316 | 1.05 | 1.26 | |
| Guide B#9r192298 | ||||
| 72 | 886552 | 3.15 | 3.78 | |
| Commutateur | ||||
| 73 | 886327 | 1.05 | 1.26 | |
| Ressort B#9r192293 | ||||
| 74 | 886328 | 1.05 | 1.26 | |
| Plaque De Recouvrement | ||||
| 75 | 886324 | 1.05 | 1.26 | |
| Ressort | ||||
| 76 | 886301 | 1.05 | 1.26 | |
| Vis Ø 4x10 B#9r192299 | ||||
| 77 | 886308 | 1.05 | 1.26 | |
| Goupille D3x20 (10 Pièces) | ||||
| 78 | 949890 | 1.80 | 2.16 | |
| Guide B#9r192300 | ||||
| 79 | 886299 | 7.35 | 8.82 | |
| Pièce de levier de poussée B # 9r192301 | ||||
| 80A | 887035 | 3.15 | 3.78 | |
| O-ring | ||||
| 81 | 992912 | 1.05 | 1.26 | |
| Ajusteur | ||||
| 82 | 886338 | 2.10 | 2.52 | |
| Ressort | ||||
| 83 | 886331 | 1.05 | 1.26 | |
| Guide B#9r192260 | ||||
| 84 | 886337 | 4.20 | 5.04 | |
| ÉTIQUETTE D'AVERTISSEMENT (A) | ||||
| 86 | 888761 | 1.04 | 1.24 | |
| Étiquette d'avertissement (c) | ||||
| 87 | 888774 | 1.04 | 1.24 | |
| Poignee Inferieur B#9r192263 | ||||
| 88 | 886318 | 6.90 | 8.28 | |
| Rondelle Ø5 (x10) paquet de 10 | ||||
| 89 | 949431 | 1.04 | 1.24 | |
| Vis à Machine M5x15 Noir | ||||
| 90 | 885997 | 1.05 | 1.26 | |
| Goupille | ||||
| 91 | 949496 | 1.65 | 1.98 | |
| Ressort A Lame | ||||
| 92 | 881755 | 3.30 | 3.96 | |
| Poussoir | ||||
| 93 | 886340 | 2.10 | 2.52 | |
| Prisme B#9r192321 | ||||
| 94 | 886322 | 1.05 | 1.26 | |
| Controleur B#9r192322 | ||||
| 95 | 886320 | 72.33 | 86.79 | |
| Vis avec bride D4x12 (noir) | ||||
| 96 | 325083 | 1.65 | 1.98 | |
| Rail B#9r192324 | ||||
| 97 | 886341 | 7.35 | 8.82 | |
| Ressort de poussée | ||||
| 98 | 880321 | 1.05 | 1.26 | |
| Guide B#9r192326 | ||||
| 99 | 886339 | 2.10 | 2.52 | |
| Goupille B#9r192327 | ||||
| 100A | 886605 | 1.05 | 1.26 | |
| Reservoir | ||||
| 101 | 886336 | 10.20 | 12.24 | |
| Cylindre Complet B#9r192329 Includ.41-48,52a | ||||
| 102A | 886550 | 45.65 | 54.78 | |
| Joint | ||||
| 103 | 875638 | 1.65 | 1.98 | |
| Couvercle de cylindre complet | ||||
| 104B | 887891 | 138.74 | 166.48 | |
| Ensemble de poignées (ancien 886317+886323) | ||||
| 105 | 331424 | 18.15 | 21.78 | |
| Pas d'informations disponibles, non commandable | ||||
| 502 | 875769 | |||
| Pas d'informations disponibles, non commandable | ||||
| 503 | 944458 | |||
| Pas d'informations disponibles, non commandable | ||||
| 504 | 943277 | |||
| Capuchon nasal | ||||
| 505 | 886349 | 1.65 | 1.98 | |
| Pas d'informations disponibles, non commandable | ||||
| 506B | 886857 | |||
| Pas d'informations disponibles, non commandable | ||||
| 507 | 886036 | |||
| Levier | ||||
| 508 | 887996 | 1.20 | 1.44 | |