Vous trouverez ici toutes les pièces et dessins disponibles du 'Hikoki M12V2'. De là, vous pouvez commander directement toutes les pièces souhaitées. De nombreuses pièces doivent être commandées auprès du fabricant, selon la marque, cela prend une à quatre semaines. Toutes les informations dont nous disposons se trouvent sur notre site Web, nous ne pouvons pas vous conseiller sur ce dont vous avez besoin, pour cela vous devrez retourner la machine pour réparation. Veuillez noter ce qui suit lors de la commande:
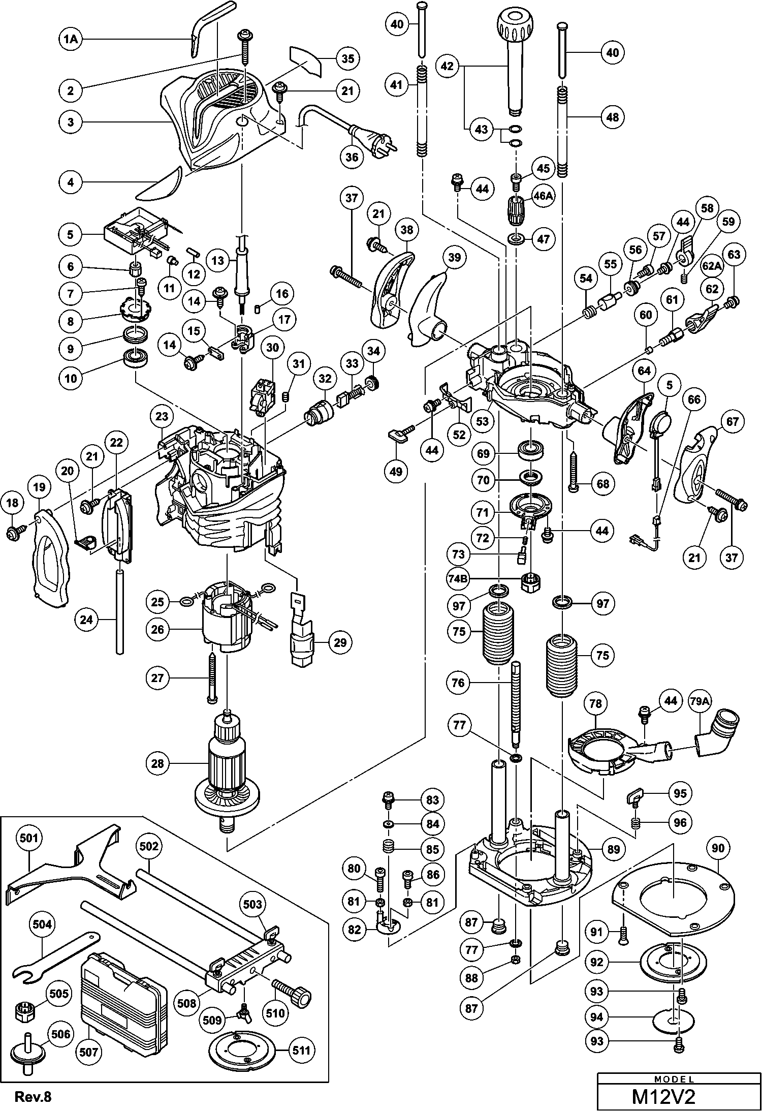
Dessins des Hikoki M12V2
Liste de pièces de rechange des Hikoki M12V2
| Pos. | Description | Prix hors TVA | Prix TTC | |
| Les prix affichés incluent la TVA | ||||
| Entree De Cable Ø 8.8 | ||||
| *13 | 380090 | 1.04 | 1.25 | |
| Entree De Cable Ø 10,1 | ||||
| *13 | 938051 | 1.04 | 1.24 | |
| Manchon à cabler | ||||
| *16 | 981373 | 1.05 | 1.26 | |
| Inducteur M 12v2 Includ.25 | ||||
| *26 | 340659G | 86.21 | 103.46 | |
| Stator Ass'y 120v Includ.25 | ||||
| *26 | 340659C | 61.40 | 73.68 | |
| ANKER 110-120 VOLT | ||||
| *28 | 360748U | 139.20 | 167.04 | |
| SNOER 2.5M 2 X 1.0 H05VV-F W/PLUG 13A/250V (OLD 50 | ||||
| *36 | 500423Z | 12.87 | 15.44 | |
| SNOER 10.7 (USE 714500=2X1 5M) | ||||
| *36 | 500247Z | 6.18 | 7.42 | |
| Contrôleur de vitesse 100-120 volt | ||||
| *5 | 325200 | 92.95 | 111.54 | |
| Circuit Controle Includ.98 | ||||
| *5 | 325368 | 77.28 | 92.73 | |
| Pas d'informations disponibles, non commandable | ||||
| *505 | 325212 | |||
| Pas d'informations disponibles, non commandable | ||||
| *506 | 325213 | |||
| Flasque | ||||
| *53 | 325205 | 52.66 | 63.20 | |
| Bouton | ||||
| *62 | 326042 | 6.75 | 8.10 | |
| Pas d'informations disponibles, non commandable | ||||
| *74B | 325199 | |||
| Plaque de base | ||||
| *89 | 325342 | 43.86 | 52.64 | |
| Vis à tôle D4x30 (noir) | ||||
| 2 | 305490 | 1.04 | 1.24 | |
| Carter Superieur M 12v2 | ||||
| 3 | 325168 | 22.83 | 27.39 | |
| Contrôleur de vitesse 100-120 volt | ||||
| 5 | 325200 | 92.95 | 111.54 | |
| Circuit Controle Includ.98 | ||||
| 5 | 325368 | 77.28 | 92.73 | |
| CONTROLLER CIRCUIT (A) DIAL SET 230 VOLT (OLD 3253 | ||||
| 5A | 379002 | 49.66 | 59.59 | |
| Aimant | ||||
| 6 | 301797 | 6.75 | 8.10 | |
| Vis | ||||
| 7 | 954017 | 1.04 | 1.24 | |
| Coussinet | ||||
| 8 | 325169 | 7.35 | 8.82 | |
| Plaq.en Caoutchouc (1) | ||||
| 9 | 325184 | 1.05 | 1.26 | |
| Roulement à billes 6200 Vv | ||||
| 10 | 6200VV | 6.15 | 7.38 | |
| Connecteur 50092 | ||||
| 11 | 959141 | 3.75 | 4.50 | |
| Manchon (d) | ||||
| 12 | 961820 | 1.05 | 1.26 | |
| Entree De Cable Ø 8.8 | ||||
| 13 | 380090 | 1.04 | 1.25 | |
| Entree De Cable Ø 10,1 | ||||
| 13 | 938051 | 1.04 | 1.24 | |
| Pas d'informations disponibles, non commandable | ||||
| 14 | 984750 | |||
| Serre Cable | ||||
| 15 | 937631 | 1.04 | 1.24 | |
| Manchon à cabler | ||||
| 16 | 981373 | 1.05 | 1.26 | |
| Pas d'informations disponibles, non commandable | ||||
| 17 | 325203 | |||
| Vis autotaraudeuse D4x20 avec bride (noir) | ||||
| 18 | 302086 | 1.05 | 1.26 | |
| Couvercle | ||||
| 19 | 325170 | 3.90 | 4.68 | |
| Marqueur M12s2 | ||||
| 20 | 325198 | 1.05 | 1.26 | |
| Vis Ø 4*16 Noir | ||||
| 21 | 305812 | 1.04 | 1.24 | |
| Porte-arbre M12sa2 | ||||
| 22 | 325197 | 1.95 | 2.34 | |
| Carcasse | ||||
| 23 | 325219 | 61.46 | 73.76 | |
| Butee De Profondeur | ||||
| 24 | 325196 | 3.90 | 4.68 | |
| Connecteur de balai de charbon | ||||
| 25 | 958032 | 1.04 | 1.24 | |
| Inducteur M 12v2 Includ.25 | ||||
| 26 | 340659G | 86.21 | 103.46 | |
| Stator Ass'y 120v Includ.25 | ||||
| 26 | 340659C | 61.40 | 73.68 | |
| Vis M 12v | ||||
| 27 | 961400 | 1.04 | 1.24 | |
| ANKER 110-120 VOLT | ||||
| 28 | 360748U | 139.20 | 167.04 | |
| Induit 230v-240v | ||||
| 28A | 360748F | 65.86 | 79.04 | |
| Bouton | ||||
| 29 | 325960 | 3.90 | 4.68 | |
| Commutateur | ||||
| 30 | 301821 | 18.43 | 22.11 | |
| Vis de réglage hexagonale M5x8 | ||||
| 31 | 938477 | 1.05 | 1.26 | |
| Porte Charbon | ||||
| 32 | 980487 | 5.68 | 6.81 | |
| Jeu De Charbons (1 paire) | ||||
| 33 | 999044 | 4.50 | 5.40 | |
| Bouchon De Charbon | ||||
| 34 | 940540 | 1.04 | 1.24 | |
| SNOER 2.5M 2 X 1.0 H05VV-F W/PLUG 13A/250V (OLD 50 | ||||
| 36 | 500423Z | 12.87 | 15.44 | |
| SNOER 10.7 (USE 714500=2X1 5M) | ||||
| 36 | 500247Z | 6.18 | 7.42 | |
| Vis de machine (avec rondelles) M6x30 (noire) | ||||
| 37 | 307443 | 1.05 | 1.26 | |
| Couvercle Droit | ||||
| 38 | 325220 | 6.15 | 7.38 | |
| Poignée Gauche (a) M12sa2 | ||||
| 39 | 325171 | 3.00 | 3.60 | |
| Guide De Ressort | ||||
| 40 | 325180 | 1.95 | 2.34 | |
| Ressort de Plongée (r) | ||||
| 41 | 325177 | 14.85 | 17.82 | |
| Bouton de Réglage de Profondeur | ||||
| 42 | 325214 | 4.35 | 5.22 | |
| Plus disponible, pas de remplacement | ||||
| 43 | 872654 | |||
| Vis Ø 4x12 noir Till 8.2019 (since 9.2017 Except | ||||
| 44 | 935196 | 1.04 | 1.24 | |
| Vis M.5*14 | ||||
| 45 | 984509 | 1.05 | 1.26 | |
| Bouton (c) M12sa2 | ||||
| 46A | 325194 | 1.05 | 1.26 | |
| Bague Guide | ||||
| 47 | 325195 | 1.05 | 1.26 | |
| Ressort de Plongée (l) | ||||
| 48 | 325176 | 1.95 | 2.34 | |
| Vis Papillon M6x27 | ||||
| 49 | 301801 | 1.05 | 1.26 | |
| Couvercle Avant (c) M12sa2 | ||||
| 52 | 325173 | 4.80 | 5.76 | |
| Flasque | ||||
| 53 | 325205 | 52.66 | 63.20 | |
| Ressort | ||||
| 54 | 325193 | 1.05 | 1.26 | |
| Ecrou | ||||
| 55 | 325192 | 7.95 | 9.54 | |
| Boulon spécial M12sa2 | ||||
| 56 | 325191 | 3.00 | 3.60 | |
| Vis M4x8 (paquet de 10) | ||||
| 57 | 949811 | 1.50 | 1.80 | |
| Bouton | ||||
| 58 | 325190 | 4.35 | 5.22 | |
| Vis Dh 50sa1 | ||||
| 59 | 985033 | 1.05 | 1.26 | |
| Blocage | ||||
| 60 | 971848 | 1.05 | 1.26 | |
| Vis de Blocage M10 | ||||
| 61 | 325187 | 5.40 | 6.48 | |
| Bouton | ||||
| 62 | 326042 | 6.75 | 8.10 | |
| Levier For Usa,can | ||||
| 62A | 323923 | 1.05 | 1.26 | |
| Vis de machine M6 X 10(ancien303405) | ||||
| 63 | 997314 | 1.05 | 1.26 | |
| Poignee Gauche | ||||
| 64 | 325172 | 3.00 | 3.60 | |
| Câble pour Unité de Contrôle | ||||
| 66 | 325202 | 9.60 | 11.52 | |
| Couvercle Gauche | ||||
| 67 | 325962 | 6.15 | 7.38 | |
| Vis Autotaraudeuse D5x50 | ||||
| 68 | 307100 | 1.05 | 1.26 | |
| Roulement C 8fc | ||||
| 69 | 6004VV | 8.55 | 10.26 | |
| Écrou de Blocage | ||||
| 70 | 325186 | 5.40 | 6.48 | |
| Flasque De Palier | ||||
| 71 | 325185 | 12.75 | 15.30 | |
| LAGER DEKSEL | ||||
| 71A | 379689 | 2.94 | 3.53 | |
| Ressort De Maintien | ||||
| 72 | 325183 | 1.05 | 1.26 | |
| Bouton-poussoir | ||||
| 73 | 325182 | 1.95 | 2.34 | |
| Pas d'informations disponibles, non commandable | ||||
| 74 | 325199 | |||
| Pas d'informations disponibles, non commandable | ||||
| 74B | 325199 | |||
| Soufflet | ||||
| 75 | 325207 | 11.55 | 13.86 | |
| Boulon Spécial Tr12 | ||||
| 76 | 325189 | 7.95 | 9.54 | |
| Bague | ||||
| 77 | 325188 | 1.05 | 1.26 | |
| Pas d'informations disponibles, non commandable | ||||
| 78 | 325210 | |||
| Pas d'informations disponibles, non commandable | ||||
| 79 | 325215 | |||
| Pas d'informations disponibles, non commandable | ||||
| 79A | 339381 | |||
| Vis M5x25 (paquet de 10) | ||||
| 80 | 949662 | 2.10 | 2.52 | |
| Ecrou M.5 | ||||
| 81 | 302012 | 1.05 | 1.26 | |
| Bloc de Butée | ||||
| 82 | 325181 | 4.80 | 5.76 | |
| Vis M.4*8 | ||||
| 83 | 317200 | 1.65 | 1.98 | |
| Rondelle de fermeture (b) (ancien 976448) | ||||
| 84 | 962569 | 1.05 | 1.26 | |
| Ressort | ||||
| 85 | 971858 | 1.05 | 1.26 | |
| Vis M5x12 (paquet de 10) | ||||
| 86 | 949765 | 2.55 | 3.06 | |
| Boulon | ||||
| 87 | 325178 | 3.90 | 4.68 | |
| Ecrou M8(x10) (paquet de 10) | ||||
| 88 | 949558 | 1.05 | 1.26 | |
| Plaque de base | ||||
| 89 | 325206 | 43.86 | 52.64 | |
| Plaque de base | ||||
| 89 | 325342 | 43.86 | 52.64 | |
| Base Inférieure en Plastique | ||||
| 90 | 325179 | 6.75 | 8.10 | |
| Vis M.5*14 | ||||
| 91 | 992013 | 1.05 | 1.26 | |
| Adaptateur de Guide de Modèle | ||||
| 92 | 325211 | 12.75 | 15.30 | |
| Vis M5x6 | ||||
| 93 | 949234 | 1.05 | 1.26 | |
| Pas d'informations disponibles, non commandable | ||||
| 94 | 956790 | |||
| Ecrou Papillon M.6*15 | ||||
| 95 | 301806 | 1.05 | 1.26 | |
| Ressort (ancien 996224) | ||||
| 96 | 947859 | 1.04 | 1.24 | |
| Rondelle De Feutre | ||||
| 97 | 323426 | 1.50 | 1.80 | |
| Cadran | ||||
| 98 | 371931 | 2.70 | 3.24 | |
| Pas d'informations disponibles, non commandable | ||||
| 501 | 956797 | |||
| Pas d'informations disponibles, non commandable | ||||
| 502 | 325216 | |||
| Ecrou Papillon M.6*15 | ||||
| 503 | 301806 | 1.05 | 1.26 | |
| Pas d'informations disponibles, non commandable | ||||
| 504 | 323295 | |||
| Pas d'informations disponibles, non commandable | ||||
| 505 | 325212 | |||
| Pas d'informations disponibles, non commandable | ||||
| 506 | 325223 | |||
| Pas d'informations disponibles, non commandable | ||||
| 507 | 325222 | |||
| Pas d'informations disponibles, non commandable | ||||
| 508 | 325217 | |||
| STAAFHOUDER (OUD 325217) | ||||
| 508A | 382120 | 4.56 | 5.47 | |
| Vis M6x10 (paquet de 10) | ||||
| 509 | 949394 | 7.05 | 8.46 | |
| Vis | ||||
| 510 | 956793 | 5.25 | 6.30 | |
| Pas d'informations disponibles, non commandable | ||||
| 511 | 325224 | |||
| Pas d'informations disponibles, non commandable | ||||
| 601 | 313765 | |||
| Pas d'informations disponibles, non commandable | ||||
| 602 | 307801 | |||
| Pas d'informations disponibles, non commandable | ||||
| 603 | 323293 | |||
| Adaptateur de Guide de Modèle | ||||
| 604 | 325369 | 12.75 | 15.30 | |
| Pas d'informations disponibles, non commandable | ||||
| 605 | 323298 | |||
| Pas d'informations disponibles, non commandable | ||||
| 606 | 323299 | |||
| Pas d'informations disponibles, non commandable | ||||
| 607 | 323300 | |||
| Pas d'informations disponibles, non commandable | ||||
| 608 | 323301 | |||
| Pas d'informations disponibles, non commandable | ||||
| 609 | 323302 | |||
| Pas d'informations disponibles, non commandable | ||||
| 610 | 323303 | |||
| Pas d'informations disponibles, non commandable | ||||
| 611 | 323304 | |||
| Pas d'informations disponibles, non commandable | ||||
| 612 | 323305 | |||
| Pas d'informations disponibles, non commandable | ||||
| 613 | 956794 | |||
| Pas d'informations disponibles, non commandable | ||||
| 614 | 956803 | |||
| Pas d'informations disponibles, non commandable | ||||
| 615 | 956802 | |||
| Pas d'informations disponibles, non commandable | ||||
| 616 | 956801 | |||
| Pas d'informations disponibles, non commandable | ||||
| 617 | 956806 | |||
| Pas d'informations disponibles, non commandable | ||||
| 618 | 956805 | |||
| Pas d'informations disponibles, non commandable | ||||
| 619 | 956804 | |||
| Pas d'informations disponibles, non commandable | ||||
| 620 | 956810 | |||
| Pas d'informations disponibles, non commandable | ||||
| 621 | 956809 | |||
| Pas d'informations disponibles, non commandable | ||||
| 622 | 312273 | |||
| Pas d'informations disponibles, non commandable | ||||
| 623 | 956813 | |||
| Pas d'informations disponibles, non commandable | ||||
| 624 | 956812 | |||
| Pas d'informations disponibles, non commandable | ||||
| 625 | 956811 | |||
| Pas d'informations disponibles, non commandable | ||||
| 626 | 956814 | |||
| Pas d'informations disponibles, non commandable | ||||
| 627 | 956816 | |||
| Pas d'informations disponibles, non commandable | ||||
| 628 | 956815 | |||
| Pas d'informations disponibles, non commandable | ||||
| 629 | 956928Z | |||
| Pas d'informations disponibles, non commandable | ||||
| 630 | 956931Z | |||
| Pas d'informations disponibles, non commandable | ||||
| 631 | 956759 | |||
| Pas d'informations disponibles, non commandable | ||||
| 632 | 303347 | |||
| Pas d'informations disponibles, non commandable | ||||
| 633 | 303348 | |||
| Pas d'informations disponibles, non commandable | ||||
| 634 | 303349 | |||
| Pas d'informations disponibles, non commandable | ||||
| 635 | 303350 | |||
| Pas d'informations disponibles, non commandable | ||||
| 636 | 303351 | |||
| Pas d'informations disponibles, non commandable | ||||
| 637 | 303352 | |||
| Pas d'informations disponibles, non commandable | ||||
| 638 | 303353 | |||
| Pas d'informations disponibles, non commandable | ||||
| 639 | 956932 | |||
| Pas d'informations disponibles, non commandable | ||||
| 640 | 303354 | |||
| Pas d'informations disponibles, non commandable | ||||
| 641 | 956933 | |||
| Pas d'informations disponibles, non commandable | ||||
| 642 | 956934 | |||
| Pas d'informations disponibles, non commandable | ||||
| 643 | 303355 | |||