Vous trouverez ici toutes les pièces et dessins disponibles du 'Hikoki HTD-2522PF'. De là, vous pouvez commander directement toutes les pièces souhaitées. De nombreuses pièces doivent être commandées auprès du fabricant, selon la marque, cela prend une à quatre semaines. Toutes les informations dont nous disposons se trouvent sur notre site Web, nous ne pouvons pas vous conseiller sur ce dont vous avez besoin, pour cela vous devrez retourner la machine pour réparation. Veuillez noter ce qui suit lors de la commande:
Dessins des Hikoki HTD-2522PF
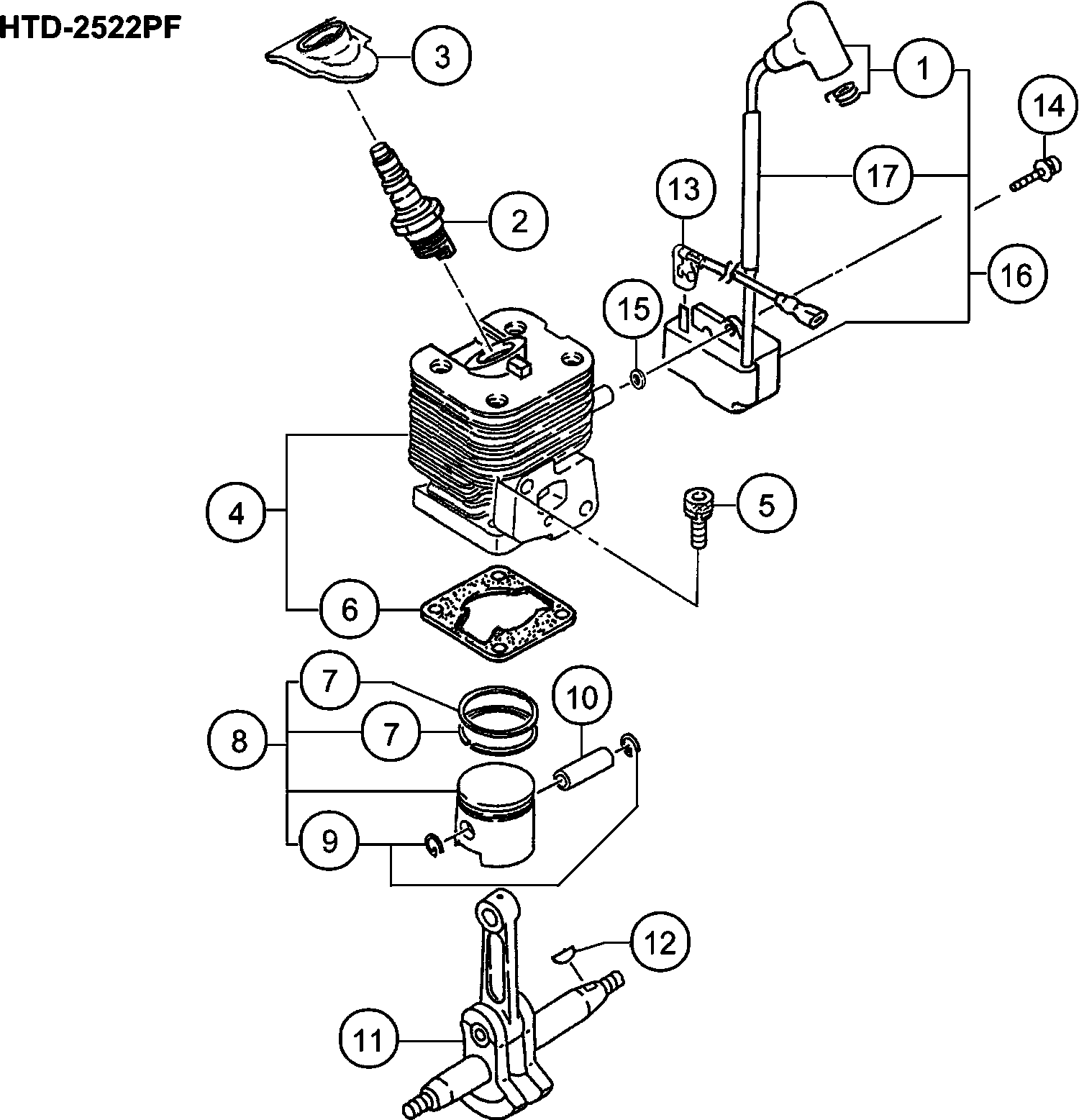
Liste de pièces de rechange des Hikoki HTD-2522PF
| Pos. | Description | Prix hors TVA | Prix TTC | |
| Les prix affichés incluent la TVA | ||||
| Anti Parasite | ||||
| 1 | 6684894 | 8.58 | 10.29 | |
| Bougie d'allumage (ancienne 6685085) | ||||
| 2 | 6699317 | 6.76 | 8.12 | |
| Couvercle en caoutchouc pour bougie d'allumage (an | ||||
| 3 | 6688334 | 3.30 | 3.96 | |
| Ensemble de cylindres (ancien 001-03002-90) | ||||
| 4 | 6685462 | 66.40 | 79.68 | |
| Boulon à trou hexagonal M5x18 / s (ancien 994-6105 | ||||
| 5 | 6684586 | 2.15 | 2.58 | |
| Joint de cylindre (ancien 017-03002-21) | ||||
| 6 | 6685728 | 1.15 | 1.38 | |
| Anneau de piston (ancien 041-01601-20) | ||||
| 7 | 6684588 | 8.58 | 10.29 | |
| Ensemble de piston (ancien 030-01680-90) | ||||
| 8 | 6685877 | 28.14 | 33.76 | |
| Circlip (ancien 039-00000-20) | ||||
| 9 | 6685078 | 1.15 | 1.38 | |
| Axe de piston (ancien 037-07020-20/6686011) | ||||
| 10 | 6686016 | 2.31 | 2.78 | |
| Plus disponible, pas de remplacement | ||||
| 11 | 6686176 | |||
| Clavette à ergot 3x13x4.5 (ancien 068-10100-20) | ||||
| 12 | 6684899 | 2.15 | 2.58 | |
| Câble, B 140m (ancien 178-03002-80) | ||||
| 13 | 6687840 | 3.30 | 3.96 | |
| Vis Ø4x18 Till H124040 | ||||
| 14 | 6684599 | 2.15 | 2.58 | |
| Rondelle (ancien 182-0186a-20) | ||||
| 15 | 6684600 | 2.15 | 2.58 | |
| Pas d'informations disponibles, non commandable | ||||
| 16 | 6687704 | |||
| Tube isolant (ancien 250-01680-20) | ||||
| 17 | 6688316 | 1.05 | 1.26 | |
| Cale d'arbre d'engrenage 0.20 (ancien 330-00200-23 | ||||
| 31 | 6684604 | 2.15 | 2.58 | |
| Cale d'arbre d'engrenage 0.30 (ancien 330-00200-24 | ||||
| 31 | 6684605 | 2.15 | 2.58 | |
| Cale d'arbre de transmission 0.10 (ancien 330-0020 | ||||
| 31 | 6689177 | 1.15 | 1.38 | |
| Cale d'arbre de transmission 0.15 (ancien 330-0020 | ||||
| 31 | 6689178 | 1.15 | 1.38 | |
| Plus disponible, pas de remplacement | ||||
| 32 | 6688047 | |||
| Plus disponible, pas de remplacement | ||||
| 33 | 6686529 | |||
| Joint d'huile | ||||
| 34 | 6684607 | 4.29 | 5.14 | |
| Roulement à billes 6001 C3 | ||||
| 35 | 6684608 | 3.80 | 4.56 | |
| Plus disponible, pas de remplacement | ||||
| 36 | 6686705 | |||
| Boulon d'étude 6x22 (ancien 100-02100-20) | ||||
| 37 | 6686771 | 1.15 | 1.38 | |
| Boulon à tête cylindrique hexagonale M5x30 S (anci | ||||
| 38 | 6684786 | 2.15 | 2.58 | |
| Boulon Hex. Trou 5x45 (ancien 990-51050-453) | ||||
| 39 | 6695055 | 1.15 | 1.38 | |
| Rondelle D.5 | ||||
| 40 | 6684834 | 2.15 | 2.58 | |
| Roto Magneto Comp. | ||||
| 41 | 6687418 | 28.14 | 33.76 | |
| Bague | ||||
| 42 | 6684971 | 1.04 | 1.24 | |
| Rondelle M8 (ancien 992-01080-011) | ||||
| 43 | 6684611 | 2.15 | 2.58 | |
| Écrou M8 (ancien 991-01080-011/327325/332299/72660 | ||||
| 44 | 6684612 | 2.15 | 2.58 | |
| Joint de collecteur d'admission (ancien 403-03002- | ||||
| 51 | 6689874 | 2.31 | 2.78 | |
| Jeu d'Isolateurs de Rechange (ancien 404-03002-91) | ||||
| 52 | 6689937 | 6.60 | 7.92 | |
| Boulon à trou hexagonal 5x25ws (ancien 994-64050-2 | ||||
| 53 | 6695515 | 1.15 | 1.38 | |
| Joint de carburateur (ancien 402-03002-20) | ||||
| 54 | 6689828 | 3.30 | 3.96 | |
| Joint torique P-15 | ||||
| 55 | 6698966 | 1.04 | 1.24 | |
| Corps de nettoyeur complet (ancien 423-06500-81/66 | ||||
| 56 | 6690119 | 4.45 | 5.34 | |
| Collier 7.5 (ancien 470-06500-20) | ||||
| 57 | 6690804 | 1.15 | 1.38 | |
| Soupape d'étranglement (ancien 528-03002-20) | ||||
| 58 | 6691261 | 3.30 | 3.96 | |
| Pas d'informations disponibles, non commandable | ||||
| 59 | 6684658 | |||
| Boîte de contrôle du soufflage (ancien 476-01700-2 | ||||
| 60 | 6690843 | 1.15 | 1.38 | |
| Rondelle (ancienne 992-10050-012) | ||||
| 61 | 6684662 | 2.15 | 2.58 | |
| Vis M5x60 (ancien 990-11050-602) | ||||
| 62 | 6684660 | 2.15 | 2.58 | |
| Éponge de nettoyage | ||||
| 63 | 6690364 | 1.15 | 1.38 | |
| Couvercle du filtre à air | ||||
| 64 | 6690415 | 5.28 | 6.33 | |
| Vis spéciale (ancien 380-0637c-20) | ||||
| 65 | 6689737 | 1.15 | 1.38 | |
| Set de carburateur | ||||
| 66 | 6690461 | 62.31 | 74.78 | |
| Tube de protection (ancien 223-07000-90) | ||||
| 67 | 6688174 | 2.31 | 2.78 | |
| Clip.6.3 Dia. (ancien 680-00731-20) | ||||
| 68 | 6684619 | 2.15 | 2.58 | |
| Pas d'informations disponibles, non commandable | ||||
| 69 | 6684620 | |||
| Pas d'informations disponibles, non commandable | ||||
| 70 | 6699738 | |||
| Réservoir F T | ||||
| 70A | 6699335 | 15.28 | 18.33 | |
| Capuchon de réservoir D Ass'y (ancien 595-03002-90 | ||||
| 71 | 6691748 | 7.59 | 9.10 | |
| Collier 5.8 (ancien 659-00801-20) | ||||
| 72 | 6692244 | 1.15 | 1.38 | |
| Boulon à trou hexagonal 5x18ps (ancien 994-63050-1 | ||||
| 73 | 6695505 | 1.15 | 1.38 | |
| Capuchon pivotant (ancien 560-07120-21/6684628) | ||||
| 76 | 6691337 | 1.15 | 1.38 | |
| Pompe d'amorçage Comp. (ancien 442-25143-80) | ||||
| 77 | 6685139 | 5.94 | 7.12 | |
| Tuyau de carburant 2.5x4x80 (ancien 700-02504-08) | ||||
| 78 | 6692347 | 1.15 | 1.38 | |
| Tuyau de carburant 2.5x4x70 (ancien 700-02504-07) | ||||
| 79 | 6692346 | 1.15 | 1.38 | |
| Grommet de retour (ancien 6684627) | ||||
| 80 | 6697846 | 1.04 | 1.24 | |
| Protecteur de pot d'échappement (ancien 738-03002- | ||||
| 91 | 6692772 | 9.90 | 11.88 | |
| Silencieux Ass'y | ||||
| 92A | 6601160 | 72.45 | 86.94 | |
| Rondelle | ||||
| 94A | 6696547 | 1.05 | 1.26 | |
| Vis à trou hexagonal 6x55 (ancien 990-53060-553) | ||||
| 95 | 6695086 | 1.15 | 1.38 | |
| Enveloppe De Ventilateur | ||||
| 97 | 6686957 | 16.79 | 20.14 | |
| Ressort de rappel (ancien 780-06097-20/6697591) | ||||
| 98 | 6684675 | 11.55 | 13.86 | |
| Bobine de corde de démarrage (ancienne 774-06097-2 | ||||
| 99 | 6693066 | 3.30 | 3.96 | |
| Vis de réglage (ancienne 839-02010-20/6693638) | ||||
| 100 | 6693633 | 1.15 | 1.38 | |
| Assemblage de poulie de démarrage (ancien 798-0650 | ||||
| 101 | 6693405 | 4.45 | 5.34 | |
| Passage de câble primaire (ancien 203-06000-20) | ||||
| 102 | 6688049 | 1.15 | 1.38 | |
| Corde de démarrage (ancien 783-06097-20/6693174) | ||||
| 103 | 6693168 | 2.31 | 2.78 | |
| Poignée de démarrage | ||||
| 104 | 6693237 | 1.15 | 1.38 | |
| Boulon à trou hexagonal 4x15/ps (ancien 994-63040- | ||||
| 105 | 6684682 | 2.15 | 2.58 | |
| Pas d'informations disponibles, non commandable | ||||
| 106 | 6692718 | |||
| Bague | ||||
| 108 | 6684661 | 2.15 | 2.58 | |
| Vis 5x8/s (ancienne 994-14050-081) | ||||
| 110 | 6695332 | 1.05 | 1.26 | |
| EMBRAYAGE À GLISSEMENT COMPLET | ||||
| 111 | 6688494 | 9.74 | 11.68 | |
| Vis à tôle 4.5x10 (ancienne 990-73045-104) | ||||
| 112 | 6695104 | 1.15 | 1.38 | |
| Boulon 4x12ps (ancien 994-25040-128) | ||||
| 113 | 6695441 | 1.15 | 1.38 | |
| Ressort de griffe de démarrage (ancien 790-06097-2 | ||||
| 114 | 6684684 | 4.29 | 5.14 | |
| Cliquet de démarrage (ancien 788-06500-20) | ||||
| 115 | 6693319 | 2.31 | 2.78 | |
| Vis de réglage de l'accélérateur (ancien 548-25140 | ||||
| 121 | 6684698 | 4.29 | 5.14 | |
| Pivot (ancien 539-25120-20) | ||||
| 122 | 6684697 | 6.44 | 7.72 | |
| Bague d'arrêt (ancien 489-25100-20) | ||||
| 123 | 6684696 | 2.15 | 2.58 | |
| O-RING (ancien 550-25100-20) | ||||
| 124 | 6684695 | 4.29 | 5.14 | |
| Gicleur principal #35 (ancien 599-2001w-35) | ||||
| 125 | 6691873 | 6.28 | 7.53 | |
| Joint de pompe (ancien 577-25100-20) | ||||
| 126 | 6691457 | 7.10 | 8.52 | |
| Diaphragme de pompe (ancien 576-25100-20 & 6696325 | ||||
| 127 | 6684693 | 8.58 | 10.29 | |
| Écran d'entrée (ancien 578-25007-20) | ||||
| 128 | 6684700 | 4.29 | 5.14 | |
| Corps de Pompe Comp. (ancien 575-25225-80) Nouveau | ||||
| 129 | 6691435 | 15.26 | 18.32 | |
| Plus disponible, pas de remplacement | ||||
| 130 | 6685220 | |||
| Diaphragme de mesure Comp. (ancien 474-25241-80) | ||||
| 131 | 6690830 | 11.88 | 14.25 | |
| Couvercle de diaphragme (ancien 476-25004-20) | ||||
| 132 | 6685222 | 4.45 | 5.34 | |
| Vis de réglage (ancienne 548-25101-20) | ||||
| 133 | 6691312 | 1.15 | 1.38 | |
| Boîtier d'engrenage Comp. (ancien 300-3317a-81/668 | ||||
| 151 | 6688671 | 28.14 | 33.76 | |
| Plus disponible, pas de remplacement | ||||
| 151A | 6688828 | |||
| Bague d'arrêt C-15, externe (ancien 993-50015-002) | ||||
| 152 | 6695285 | 1.15 | 1.38 | |
| Roulement à billes | ||||
| 153 | 6695538 | 6.60 | 7.92 | |
| Tambour d'embrayage Comp. (ancien 288-33180-80) | ||||
| 154 | 6688570 | 17.70 | 21.24 | |
| Arbre d'engrenage (ancien 305-33160-20) | ||||
| 155 | 6688960 | 2.31 | 2.78 | |
| Plaque de guidage (ancienne 075-33160-20) | ||||
| 156 | 6686612 | 1.15 | 1.38 | |
| Tige de came (ancienne 101-33190-20) | ||||
| 157 | 6686811 | 5.78 | 6.93 | |
| Engrenage 2 (ancien 307-33180-20) | ||||
| 158 | 6688974 | 26.16 | 31.40 | |
| Joint de carter d'engrenage (ancien 303-33160-20) | ||||
| 159 | 6688909 | 1.15 | 1.38 | |
| Pas d'informations disponibles, non commandable | ||||
| 160 | 6692100 | |||
| Plus disponible, pas de remplacement | ||||
| 161 | 6687135 | |||
| Guide de coupe 625.5l M6 (ancien 122-33178-20) | ||||
| 161A | 6687137 | 24.20 | 29.04 | |
| Vis à tête fraisée à trou hexagonal 6x16 (ancien 9 | ||||
| 162 | 6695073 | 1.15 | 1.38 | |
| Boulon à tête fraisée à trou hexagonal 6x25 (ancie | ||||
| 162A | 6695075 | 1.15 | 1.38 | |
| Couteau supérieur (a) | ||||
| 163 | 6687084 | 42.20 | 50.64 | |
| Plus disponible, pas de remplacement | ||||
| 164 | 6686654 | |||
| Plus disponible, pas de remplacement | ||||
| 165 | 6687187 | |||
| Boulon | ||||
| 166 | 6687160 | 1.15 | 1.38 | |
| Boulon | ||||
| 166A | 6687158 | 1.15 | 1.38 | |
| Ecrou de bride | ||||
| 167A | 6695170 | 1.15 | 1.38 | |
| Boulon à trou hexagonal 4x10s (ancien 994-61040-10 | ||||
| 168 | 6695484 | 1.15 | 1.38 | |
| Boulon à trou hexagonal M4x12/s (ancien 994-61040- | ||||
| 168A | 6684595 | 2.15 | 2.58 | |
| COMP. DE GRAISSEUR (VIEUX 300-32250-80) | ||||
| 169 | 6688643 | 1.15 | 1.38 | |
| Boulon Hex. Trou 6x14 (ancien 990-51060-143 T) | ||||
| 170 | 6695058 | 1.15 | 1.38 | |
| Boulon à trou hexagonal 6x18/s (ancien 994-61060-1 | ||||
| 170A | 6695495 | 1.15 | 1.38 | |
| Plaque d'appui depuis C192401 | ||||
| 171 | 6690764 | 4.45 | 5.34 | |
| Bague | ||||
| 172 | 6684822 | 2.15 | 2.58 | |
| Ecrou 6 Ups-p (ancien 991-87060-001 & 6698766) | ||||
| 173 | 6695175 | 1.15 | 1.38 | |
| Bague | ||||
| 174 | 6684639 | 2.15 | 2.58 | |
| Boîtier d'engrenage B (ancien 301-33160-21) | ||||
| 175 | 6688844 | 7.50 | 9.00 | |
| Capot de coupeur (ancien 138-33168-20) | ||||
| 176 | 6687301 | 8.41 | 10.10 | |
| Écrou à ressort 6 (ancien 994-40060-011) | ||||
| 177 | 6695475 | 1.15 | 1.38 | |
| Boulon à trou hexagonal 4x10s (ancien 994-61040-10 | ||||
| 178 | 6695484 | 1.15 | 1.38 | |
| Pas d'informations disponibles, non commandable | ||||
| 179 | 6687285 | |||
| Bague | ||||
| 180 | 6695219 | 1.15 | 1.38 | |
| Composant de bride de cordon (ancien 198-10246-80) | ||||
| 181 | 6688008 | 1.15 | 1.38 | |
| Bague | ||||
| 182 | 6684639 | 2.15 | 2.58 | |
| Poignée A (ancien 050-33150-22) | ||||
| 201 | 6686270 | 9.08 | 10.89 | |
| Commute de stop comp. (ancien 170-3317a-80) | ||||
| 202 | 6687764 | 10.56 | 12.68 | |
| Bouton Stop (ancien 258-11650-20) | ||||
| 203 | 6688366 | 1.15 | 1.38 | |
| Vis 3x10 (ancien 994-31030-101) | ||||
| 204 | 6684913 | 2.15 | 2.58 | |
| Levier de Gaz (ancien 230-33150-20) | ||||
| 205 | 6688226 | 2.31 | 2.78 | |
| Levier de sécurité (ancien 231-33150-20) | ||||
| 206 | 6688235 | 2.31 | 2.78 | |
| Ressort de levier d'accélérateur (ancien 232-33150 | ||||
| 207 | 6688243 | 2.31 | 2.78 | |
| Poignée B (ancien 051-33150-23) | ||||
| 208 | 6686307 | 9.08 | 10.89 | |
| Capuchon (ancien 765-32120-20) | ||||
| 209 | 6693002 | 1.15 | 1.38 | |
| Vis autotaraudeuse 4x18 (ancienne 993-11041-812) | ||||
| 210 | 6695246 | 1.15 | 1.38 | |
| Câble d'accélérateur | ||||
| 211 | 6693912 | 5.11 | 6.14 | |
| Bouton d'arrêt Mark (ancien 925-32530-20) | ||||
| 212 | 6694585 | 1.15 | 1.38 | |
| Vis 5x45s (ancienne 994-14050-451) | ||||
| 213 | 6695350 | 1.15 | 1.38 | |
| Pas d'informations disponibles, non commandable | ||||
| 214 | 6696987 | |||
| Rondelle 5 (ancien 992-00050-011) | ||||
| 216 | 6684864 | 2.15 | 2.58 | |
| Poignée (ancien 210-33247-20) | ||||
| 217 | 6688097 | 9.90 | 11.88 | |
| Bague | ||||
| 218 | 6689680 | 1.15 | 1.38 | |
| Rondelle D.5 | ||||
| 219 | 6684834 | 2.15 | 2.58 | |
| Boulon Hex. Trou 5x40 (ancien 990-51050-403) | ||||
| 220 | 6695054 | 1.15 | 1.38 | |
| PROTECTION TUBE, 140L (OLD 164-07014-00) | ||||
| 221 | 6687522 | 1.00 | 1.20 | |
| Collier 5.8 (ancien 659-00801-20) | ||||
| 222 | 6692244 | 1.15 | 1.38 | |
| Poignée B (ancien 051-33290-20) | ||||
| 231 | 6686314 | 5.11 | 6.14 | |
| Poignée A (ancien 050-33290-20) | ||||
| 232 | 6686279 | 5.11 | 6.14 | |
| Levier d'accélérateur (ancien 230-33290-20) À part | ||||
| 233 | 6688230 | 1.15 | 1.38 | |
| Levier de sécurité Or (ancien 231-33290-21 & 66882 | ||||
| 234 | 6688240 | 1.15 | 1.38 | |
| Ressort de levier d'accélérateur (ancien 232-33160 | ||||
| 235 | 6688244 | 1.15 | 1.38 | |
| Interrupteur d'arrêt Comp. (nouveau 170-33253-80) | ||||
| 236 | 6687769 | 9.58 | 11.49 | |
| Levier de verrouillage (ancien 233-33290-20) | ||||
| 237 | 6688246 | 1.15 | 1.38 | |
| Ressort (ancien 245-33290-20) | ||||
| 238 | 6688279 | 1.15 | 1.38 | |
| Bague | ||||
| 239 | 6685070 | 1.15 | 1.38 | |
| Vis à Tôle D4x10 (ancien 993-41040-101) | ||||
| 240 | 6685161 | 1.15 | 1.38 | |
| Vis autotaraudeuse D4.5x16 (ancien 990-72045-164/7 | ||||
| 241 | 6684636 | 2.15 | 2.58 | |
| Câble d'accélérateur | ||||
| 242 | 6693993 | 4.45 | 5.34 | |
| Bouton Stop (ancien 258-11650-20) | ||||
| 243 | 6688366 | 1.15 | 1.38 | |
| Vis 3x10 (ancien 994-31030-101) | ||||
| 244 | 6684913 | 2.15 | 2.58 | |
| Bouton d'arrêt Marque (ancien 925-33160-20) | ||||
| 245 | 6694588 | 1.15 | 1.38 | |
| Emballage du carter de vilebrequin | ||||
| 246 | 6696539 | 1.05 | 1.26 | |
| Poignée (ancien 210-33247-20) | ||||
| 247 | 6688097 | 9.90 | 11.88 | |
| Bague | ||||
| 248 | 6689680 | 1.15 | 1.38 | |
| Rondelle D.5 | ||||
| 249 | 6684834 | 2.15 | 2.58 | |
| Boulon Hex. Trou 5x40 (ancien 990-51050-403) | ||||
| 250 | 6695054 | 1.15 | 1.38 | |
| Tube de protection 130l (ancien 164-07013-01) | ||||
| 251 | 6687521 | 1.15 | 1.38 | |
| Pas d'informations disponibles, non commandable | ||||
| 501 | 6684813 | |||
| Clé mixte 10x19 ,plus (ancien 036-29331-50) | ||||
| 502 | 6685997 | 4.45 | 5.34 | |
| Plaque de nom Htd2522pf (ancien 906-03002-21) Nouv | ||||
| 601 | 6694122 | 2.10 | 2.52 | |