Vous trouverez ici toutes les pièces et dessins disponibles du 'Hikoki H50'. De là, vous pouvez commander directement toutes les pièces souhaitées. De nombreuses pièces doivent être commandées auprès du fabricant, selon la marque, cela prend une à quatre semaines. Toutes les informations dont nous disposons se trouvent sur notre site Web, nous ne pouvons pas vous conseiller sur ce dont vous avez besoin, pour cela vous devrez retourner la machine pour réparation. Veuillez noter ce qui suit lors de la commande:
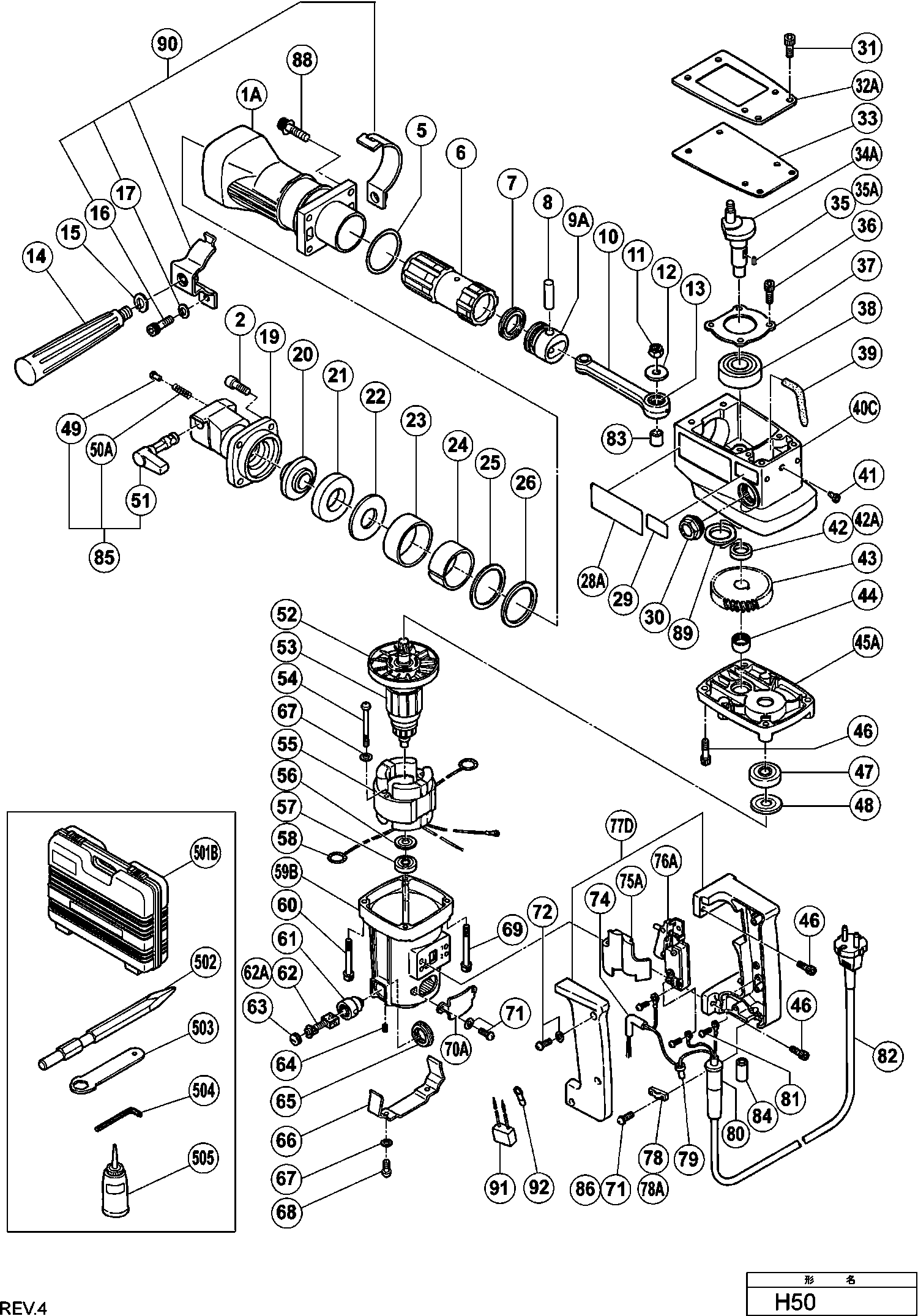
Dessins des Hikoki H50
Liste de pièces de rechange des Hikoki H50
| Pos. | Description | Prix hors TVA | Prix TTC | |
| Les prix affichés incluent la TVA | ||||
| Pas d'informations disponibles, non commandable | ||||
| *40C | 332162 | |||
| Pas d'informations disponibles, non commandable | ||||
| *45A | 332164 | |||
| Induit 230v | ||||
| *53 | 980001E | 131.86 | 158.24 | |
| Stator 220v-230v H-90sa Includ.103 Pour Nzl,saf | ||||
| *55 | 944535E | 46.75 | 56.10 | |
| Ensemble Stator 240v Includ.103 | ||||
| *55 | 944535F | 46.75 | 56.10 | |
| Boîtier (vert argenté métallique) Inclut.2,10 | ||||
| *59B | 332168 | 48.81 | 58.58 | |
| Pas d'informations disponibles, non commandable | ||||
| *82 | 500430Z | |||
| Pas d'informations disponibles, non commandable | ||||
| 1A | 332163 | |||
| Vis H-90sa | ||||
| 2 | 986894 | 1.05 | 1.26 | |
| O-ring | ||||
| 5 | 980715 | 2.40 | 2.88 | |
| Pas d'informations disponibles, non commandable | ||||
| 6 | 995390 | |||
| Anneau en X | ||||
| 7 | 955594 | 3.60 | 4.32 | |
| Broche | ||||
| 8 | 955593 | 3.00 | 3.60 | |
| Piston | ||||
| 9A | 995409 | 35.06 | 42.08 | |
| Bielle | ||||
| 10 | 980007 | 58.30 | 69.96 | |
| U-NUT M6 | ||||
| 11 | 984259 | 1.38 | 1.66 | |
| Pas d'informations disponibles, non commandable | ||||
| 12 | 980042Z | |||
| Roulement Aiguilles Dh38ya/45sa | ||||
| 13 | 980756 | 10.65 | 12.78 | |
| Pas d'informations disponibles, non commandable | ||||
| 14 | 980020 | |||
| Rondelle M 12(x10) Paquet de 10 | ||||
| 15 | 949463 | 1.65 | 1.98 | |
| Vis M8x25 (paquet de 10) | ||||
| 16 | 949760 | 5.55 | 6.66 | |
| Rondelle M8 (x10) Paquet de 10 | ||||
| 17 | 949457 | 1.05 | 1.26 | |
| Couvercle avant | ||||
| 19 | 980123 | 99.14 | 118.96 | |
| Pas d'informations disponibles, non commandable | ||||
| 20 | 980014 | |||
| DEMPERRING | ||||
| 21 | 955602 | 6.90 | 8.28 | |
| Rondelle de bouche (b) | ||||
| 22 | 980013 | 7.50 | 9.00 | |
| MOUTH COVER | ||||
| 23 | 995391 | 2.10 | 2.52 | |
| MOUTH H50 | ||||
| 24 | 995392 | 11.66 | 13.99 | |
| MOUTH WASHER (A) | ||||
| 25 | 955599 | 1.50 | 1.80 | |
| Bague en uréthane | ||||
| 26 | 955598 | 3.00 | 3.60 | |
| Pas d'informations disponibles, non commandable | ||||
| 29 | 955006C | |||
| Niveau d'huile | ||||
| 30 | 955011 | 10.95 | 13.14 | |
| OIL GAUGE (OLD 955011) | ||||
| 30A | 375619 | 5.52 | 6.62 | |
| Vis à tête hexagonale avec frein d'étanchéité M6x1 | ||||
| 31 | 990935 | 1.05 | 1.26 | |
| Pas d'informations disponibles, non commandable | ||||
| 32A | 332165 | |||
| Joint de Couverture | ||||
| 33 | 995394 | 1.50 | 1.80 | |
| Vilebrequin | ||||
| 34A | 980041Z | 51.84 | 62.20 | |
| Goupille 3X13 | ||||
| 35 | 932815 | 1.35 | 1.62 | |
| Clé à plume 3x3x12 | ||||
| 35A | 937177 | 1.65 | 1.98 | |
| Vis M5*16 | ||||
| 36 | 990079 | 1.05 | 1.26 | |
| Pas d'informations disponibles, non commandable | ||||
| 37 | 955587 | |||
| Roulement à billes 6204dducmps2s | ||||
| 38 | 6204DD | 9.00 | 10.80 | |
| Feutre à huile | ||||
| 39 | 956967 | 1.05 | 1.26 | |
| Pas d'informations disponibles, non commandable | ||||
| 40C | 332162 | |||
| VALVE | ||||
| 41 | 995396 | 1.80 | 2.16 | |
| DISTANCE RING (B) | ||||
| 42 | 980040 | 1.50 | 1.80 | |
| Entretoise H60ma/ka | ||||
| 42A | 995402 | 10.20 | 12.24 | |
| GEAR (B) | ||||
| 43 | 980039 | 18.32 | 21.98 | |
| NEEDLE BEARING NTN HK1512 | ||||
| 44 | 873251 | 6.90 | 8.28 | |
| Pas d'informations disponibles, non commandable | ||||
| 45A | 332164 | |||
| Boulon Hd. M6x22 (10 Pièces) | ||||
| 46 | 949670 | 3.00 | 3.60 | |
| Roulement A Bille | ||||
| 47 | 6202DD | 6.75 | 8.10 | |
| Joint Etanche Pouss (1) | ||||
| 48 | 971054 | 3.60 | 4.32 | |
| GOUJON D'ARRÊT | ||||
| 49 | 980121 | 7.95 | 9.54 | |
| Pas d'informations disponibles, non commandable | ||||
| 50A | 301558 | |||
| BEITELPAL | ||||
| 51 | 995395 | 12.65 | 15.18 | |
| Ventilateur Dh 40yb | ||||
| 52 | 971097 | 7.65 | 9.18 | |
| Induit 230v | ||||
| 53 | 980001E | 131.86 | 158.24 | |
| MACHINESCHROEF M5X55 (10 STUKS) | ||||
| 54 | 949233 | 1.62 | 1.94 | |
| Ensemble Stator 240v Includ.103 | ||||
| 55 | 944535F | 46.75 | 56.10 | |
| Stator 220v-230v H-90sa Includ.103 Pour Nzl,saf | ||||
| 55 | 944535E | 46.75 | 56.10 | |
| Bague | ||||
| 56 | 944433 | 1.65 | 1.98 | |
| Roulement | ||||
| 57 | 6000VV | 6.15 | 7.38 | |
| Raccord | ||||
| 58 | 930703 | 2.40 | 2.88 | |
| Boîtier (vert argenté métallique) Inclut.2,10 | ||||
| 59B | 332168 | 48.81 | 58.58 | |
| INBUSBOUT M6X35 (OUD 949692Z,10S) | ||||
| 60 | 949692 | 3.18 | 3.82 | |
| S/e Porte Balais | ||||
| 61 | 971001 | 6.45 | 7.74 | |
| Charbons (1 Paire) | ||||
| 62 | 999043 | 4.50 | 5.40 | |
| Charbons Autorupteurs (1 paire) | ||||
| 62A | 999073 | 14.40 | 17.28 | |
| Bouchon Charbon H41sa Vb13y | ||||
| 63 | 935829 | 1.05 | 1.26 | |
| Vis de réglage hexagonale M5x8 | ||||
| 64 | 938477 | 1.05 | 1.26 | |
| Pas d'informations disponibles, non commandable | ||||
| 65 | 956127 | |||
| ACHTERDEKSEL | ||||
| 66 | 971091 | 3.48 | 4.18 | |
| Rondelle de ressort M5 (10 pièces) | ||||
| 67 | 949454 | 1.04 | 1.24 | |
| Vis M5*8 (paquet de 10) | ||||
| 68 | 949235 | 1.05 | 1.26 | |
| Pas d'informations disponibles, non commandable | ||||
| 69 | 944547 | |||
| Couvercle latéral (vert argenté métallique) Depuis | ||||
| 70A | 332171 | 1.80 | 2.16 | |
| Vis M4*12 | ||||
| 71 | 987203 | 1.05 | 1.26 | |
| Vis Ø4*12 | ||||
| 72 | 951039 | 1.05 | 1.26 | |
| Pas d'informations disponibles, non commandable | ||||
| 75A | 971163 | |||
| Interrupteur (avec verrou) | ||||
| 76A | 995398 | 26.40 | 31.68 | |
| Poignée Ass'y (a) Vert Argent Métallique Incl.93a | ||||
| 77D | 334511 | 47.03 | 56.43 | |
| CORD CLIP | ||||
| 78 | 930108 | 1.00 | 1.20 | |
| Serre Cable | ||||
| 78A | 960266 | 1.04 | 1.24 | |
| Connecteur 50092 | ||||
| 79 | 959141 | 3.75 | 4.50 | |
| Entree De Cable Ø 10,7 | ||||
| 80 | 940778 | 2.10 | 2.52 | |
| Protecteur de câble D8.2 (ancien 958049z) | ||||
| 80 | 958049 | 1.04 | 1.24 | |
| Pas d'informations disponibles, non commandable | ||||
| 81 | 949292 | |||
| Pas d'informations disponibles, non commandable | ||||
| 82 | 500430Z | |||
| Pas d'informations disponibles, non commandable | ||||
| 83 | 980044Z | |||
| Verrouillage Complet H55sa/60ka Includ.23b,24a,25 | ||||
| 85 | 995399 | 23.38 | 28.05 | |
| Pas d'informations disponibles, non commandable | ||||
| 86 | 957147 | |||
| Vis Ø8*30 | ||||
| 88 | 995400 | 1.05 | 1.26 | |
| Joint | ||||
| 89 | 995403 | 2.40 | 2.88 | |
| Assemblée de bande de manche incl.26,27 | ||||
| 90 | 995414 | 14.71 | 17.66 | |
| Condensateur | ||||
| 91 | 930039 | 1.95 | 2.34 | |
| Cosses de câble (10 pièces) | ||||
| 92 | 959144 | 3.00 | 3.60 | |
| Pas d'informations disponibles, non commandable | ||||
| 501B | 312831 | |||
| Pas d'informations disponibles, non commandable | ||||
| 502 | 955613 | |||
| Pas d'informations disponibles, non commandable | ||||
| 503 | 971109 | |||
| Pas d'informations disponibles, non commandable | ||||
| 504 | 872422 | |||
| Huile de lubrification (120cc) | ||||
| 505 | 931848 | 8.40 | 10.08 | |
| Huile de lubrification (120cc) | ||||
| 505A | 931848 | 8.40 | 10.08 | |
| Pas d'informations disponibles, non commandable | ||||
| 601 | 955623 | |||
| Pas d'informations disponibles, non commandable | ||||
| 602 | 955629 | |||
| Pas d'informations disponibles, non commandable | ||||
| 603 | 955614 | |||
| Pas d'informations disponibles, non commandable | ||||
| 604 | 955624 | |||
| Pas d'informations disponibles, non commandable | ||||
| 605 | 955183 | |||
| Pas d'informations disponibles, non commandable | ||||
| 606 | 955625 | |||
| Pas d'informations disponibles, non commandable | ||||
| 607 | 955181 | |||
| Pas d'informations disponibles, non commandable | ||||
| 608 | 944574 | |||
| Pas d'informations disponibles, non commandable | ||||
| 610 | 980029 | |||
| Pas d'informations disponibles, non commandable | ||||
| 611 | 980030 | |||
| Pas d'informations disponibles, non commandable | ||||
| 612 | 980031 | |||
| Pas d'informations disponibles, non commandable | ||||
| 613 | 980032 | |||
| Pas d'informations disponibles, non commandable | ||||
| 614 | 980033 | |||
| Pas d'informations disponibles, non commandable | ||||
| 615 | 980034 | |||
| Huile OMALA (1 litre) | ||||
| 617 | 955009 | 21.04 | 25.24 | |
| Pas d'informations disponibles, non commandable | ||||
| 617A | 318085 | |||
| OLIEPAKKING | ||||
| 618 | 980982 | 1.38 | 1.66 | |
| Pas d'informations disponibles, non commandable | ||||
| 619 | 320859 | |||
| Feutre d'huile | ||||
| 620 | 324896 | 3.75 | 4.50 | |