Vous trouverez ici toutes les pièces et dessins disponibles du 'Hikoki GP2V'. De là, vous pouvez commander directement toutes les pièces souhaitées. De nombreuses pièces doivent être commandées auprès du fabricant, selon la marque, cela prend une à quatre semaines. Toutes les informations dont nous disposons se trouvent sur notre site Web, nous ne pouvons pas vous conseiller sur ce dont vous avez besoin, pour cela vous devrez retourner la machine pour réparation. Veuillez noter ce qui suit lors de la commande:
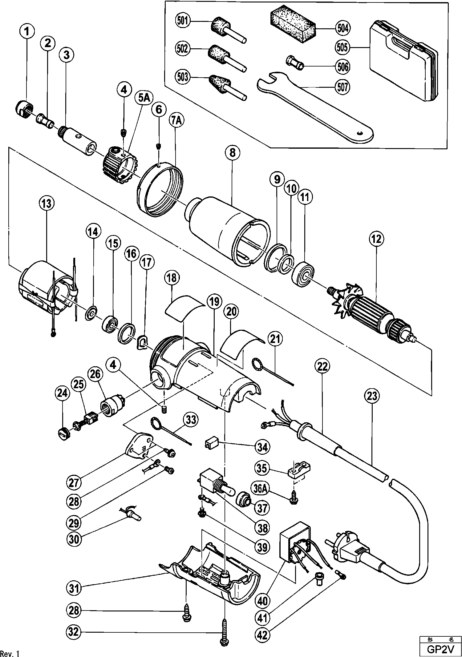
Dessins des Hikoki GP2V
Liste de pièces de rechange des Hikoki GP2V
| Pos. | Description | Prix hors TVA | Prix TTC | |
| Les prix affichés incluent la TVA | ||||
| Pas d'informations disponibles, non commandable | ||||
| 1 | 995527 | |||
| COLLET 6MM | ||||
| 2 | 995530 | 16.28 | 19.54 | |
| Pas d'informations disponibles, non commandable | ||||
| 3 | 995526 | |||
| Vis M4*5 Cr12v | ||||
| 4 | 961681 | 1.04 | 1.24 | |
| Pas d'informations disponibles, non commandable | ||||
| 5A | 995528 | |||
| Pas d'informations disponibles, non commandable | ||||
| 6 | 995525 | |||
| Pas d'informations disponibles, non commandable | ||||
| 7A | 333863 | |||
| Pas d'informations disponibles, non commandable | ||||
| 8 | 995522 | |||
| Pas d'informations disponibles, non commandable | ||||
| 9 | 995536 | |||
| VILT | ||||
| 10 | 991365 | 1.00 | 1.20 | |
| Roulement | ||||
| 11 | 6000VV | 6.15 | 7.38 | |
| Pas d'informations disponibles, non commandable | ||||
| 12 | 360060C | |||
| Pas d'informations disponibles, non commandable | ||||
| 13 | 340122C | |||
| Rondelle | ||||
| 14 | 980865 | 1.04 | 1.24 | |
| Roulement à billes 626vvmc2erps2s | ||||
| 15 | 626VVM | 5.70 | 6.84 | |
| Pas d'informations disponibles, non commandable | ||||
| 16 | 995535 | |||
| Pas d'informations disponibles, non commandable | ||||
| 17 | 962606 | |||
| Pas d'informations disponibles, non commandable | ||||
| 19 | 995520 | |||
| Pas d'informations disponibles, non commandable | ||||
| 21 | 995534 | |||
| Entree De Cable | ||||
| 22 | 930487 | 2.25 | 2.70 | |
| Pas d'informations disponibles, non commandable | ||||
| 23 | 500205Z | |||
| Bouchon Charbon | ||||
| 24 | 936551 | 1.05 | 1.26 | |
| Plus disponible, pas de remplacement | ||||
| 25 | 999021 | |||
| BRUSH HOLDER | ||||
| 26 | 937701 | 1.74 | 2.09 | |
| Pas d'informations disponibles, non commandable | ||||
| 27 | 993793 | |||
| Pas d'informations disponibles, non commandable | ||||
| 28 | 995532 | |||
| Pas d'informations disponibles, non commandable | ||||
| 29 | 949292 | |||
| Connecteur 50091 | ||||
| 30 | 959140 | 3.30 | 3.96 | |
| Pas d'informations disponibles, non commandable | ||||
| 31 | 997730 | |||
| Plus disponible, pas de remplacement | ||||
| 32 | 981814 | |||
| Pas d'informations disponibles, non commandable | ||||
| 33 | 995533 | |||
| Pas d'informations disponibles, non commandable | ||||
| 34 | 991089 | |||
| Serre Cable | ||||
| 35 | 937631 | 1.04 | 1.24 | |
| Pas d'informations disponibles, non commandable | ||||
| 36A | 984750 | |||
| Pas d'informations disponibles, non commandable | ||||
| 37 | 991079 | |||
| Pas d'informations disponibles, non commandable | ||||
| 38 | 991076 | |||
| Vis Fpc-100 | ||||
| 39 | 980060 | 1.05 | 1.26 | |
| Pas d'informations disponibles, non commandable | ||||
| 40 | 997493 | |||
| Connecteur 50092 | ||||
| 41 | 959141 | 3.75 | 4.50 | |
| Terminal Vtp 18 | ||||
| 42 | 960356 | 3.00 | 3.60 | |
| Pas d'informations disponibles, non commandable | ||||
| 501 | 949022 | |||
| Pas d'informations disponibles, non commandable | ||||
| 502 | 949021 | |||
| Pas d'informations disponibles, non commandable | ||||
| 503 | 949023 | |||
| Pas d'informations disponibles, non commandable | ||||
| 504 | 939120 | |||
| CASE | ||||
| 505A | 933525 | 13.58 | 16.30 | |
| Pas d'informations disponibles, non commandable | ||||
| 506 | 995531 | |||
| Pas d'informations disponibles, non commandable | ||||
| 507 | 873929 | |||
| Pas d'informations disponibles, non commandable | ||||
| 601 | 939110 | |||
| Pas d'informations disponibles, non commandable | ||||
| 602 | 939111 | |||
| Pas d'informations disponibles, non commandable | ||||
| 603 | 939112 | |||
| Pas d'informations disponibles, non commandable | ||||
| 604 | 939113 | |||
| Pas d'informations disponibles, non commandable | ||||
| 605 | 939114 | |||
| Pas d'informations disponibles, non commandable | ||||
| 606 | 939115 | |||
| Pas d'informations disponibles, non commandable | ||||
| 607 | 939116 | |||
| Pas d'informations disponibles, non commandable | ||||
| 608 | 939117 | |||
| Pas d'informations disponibles, non commandable | ||||
| 609 | 939118 | |||
| Pas d'informations disponibles, non commandable | ||||
| 610 | 939119 | |||