Vous trouverez ici toutes les pièces et dessins disponibles du 'Hikoki G18UC'. De là, vous pouvez commander directement toutes les pièces souhaitées. De nombreuses pièces doivent être commandées auprès du fabricant, selon la marque, cela prend une à quatre semaines. Toutes les informations dont nous disposons se trouvent sur notre site Web, nous ne pouvons pas vous conseiller sur ce dont vous avez besoin, pour cela vous devrez retourner la machine pour réparation. Veuillez noter ce qui suit lors de la commande:
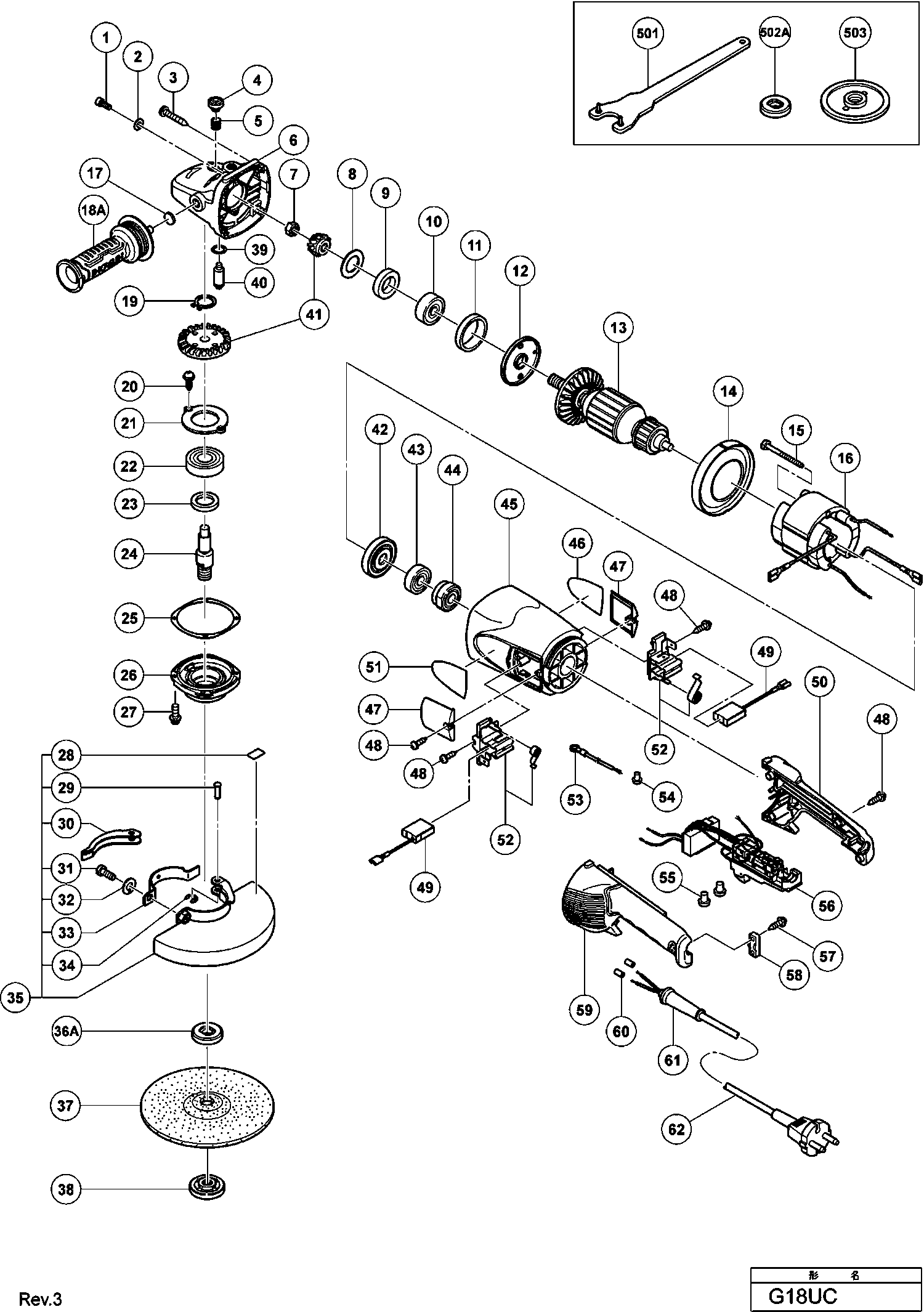
Dessins des Hikoki G18UC
Liste de pièces de rechange des Hikoki G18UC
| Pos. | Description | Prix hors TVA | Prix TTC | |
| Les prix affichés incluent la TVA | ||||
| Vis M.5*14 | ||||
| 1 | 984509 | 1.05 | 1.26 | |
| Rondelle de ressort M5 (10 pièces) | ||||
| 2 | 949454 | 1.04 | 1.24 | |
| Vis Ø 5*35 Noir | ||||
| 3 | 323209 | 1.35 | 1.62 | |
| Bouton G23se | ||||
| 4 | 306888 | 1.04 | 1.24 | |
| Ressort | ||||
| 5 | 320219 | 1.35 | 1.62 | |
| Carter Pignon Includ.4,5,17,39,40 | ||||
| 6 | 320217 | 17.76 | 21.32 | |
| Ecrou M10 G23sf2/se2/sc3 | ||||
| 7 | 320226 | 1.35 | 1.62 | |
| Rondelle G23sf2/se2/sc3 | ||||
| 8 | 320221 | 1.35 | 1.62 | |
| Feutre | ||||
| 9 | 320222 | 1.35 | 1.62 | |
| Roulement A Bille | ||||
| 10 | 6301DD | 6.75 | 8.10 | |
| Bague G-23 | ||||
| 11 | 994208 | 1.04 | 1.24 | |
| Couvercle Roulement | ||||
| 12 | 320220 | 2.55 | 3.06 | |
| INDUIT 220 -230 VOLT | ||||
| 13 | 360777E | 82.64 | 99.16 | |
| Baffle | ||||
| 14 | 320215 | 1.35 | 1.62 | |
| Vis D5x75 (ancien 963454z) | ||||
| 15 | 984271 | 1.04 | 1.24 | |
| CHAMP 230-240 VOLTS | ||||
| 16 | 340846E | 49.36 | 59.24 | |
| Rondelle | ||||
| 17 | 937033 | 1.04 | 1.24 | |
| Pas d'informations disponibles, non commandable | ||||
| 18A | 336864 | |||
| Circlips Ø12 (x10) paquet de 10 | ||||
| 19 | 939542 | 1.50 | 1.80 | |
| Vis G-23 | ||||
| 20A | 992038 | 1.04 | 1.24 | |
| Couvercle Roulemement | ||||
| 21 | 320229 | 1.35 | 1.62 | |
| Roulement | ||||
| 22 | 6302DD | 8.85 | 10.62 | |
| Feutre | ||||
| 23 | 990852 | 1.04 | 1.24 | |
| Arbre | ||||
| 24 | 320234 | 6.96 | 8.36 | |
| Joint G23sf2/se2/sc3 | ||||
| 25 | 320228 | 1.35 | 1.62 | |
| Couvercle d'engrenages | ||||
| 26 | 320227 | 4.96 | 5.96 | |
| Vis M5*16 (g23sc2/se2/sc3/vb13y) | ||||
| 27 | 994192 | 1.04 | 1.24 | |
| Etiquette | ||||
| 28 | 311492 | 1.20 | 1.44 | |
| Goupille G 13se Till 11.2014 | ||||
| 29 | 321546 | 3.00 | 3.60 | |
| Manette Vb13y | ||||
| 30 | 321545 | 3.00 | 3.60 | |
| Vis M8x22 Pour G 23sc2/se2/sc3 | ||||
| 31 | 306887 | 1.05 | 1.26 | |
| Rondelle M8 (x10) Paquet de 10 | ||||
| 32 | 949457 | 1.05 | 1.26 | |
| Collier pour couvercle de protection | ||||
| 33 | 321544 | 1.50 | 1.80 | |
| Bague | ||||
| 34 | 673489 | 1.04 | 1.24 | |
| Protecteur Complet Includ.32-38 For Aus,nzl | ||||
| 35 | 321543 | 24.48 | 29.37 | |
| Pas d'informations disponibles, non commandable | ||||
| 36 | 937908Z | |||
| Pas d'informations disponibles, non commandable | ||||
| 36A | 376202 | |||
| Pas d'informations disponibles, non commandable | ||||
| 37 | 316824 | |||
| Pas d'informations disponibles, non commandable | ||||
| 38 | 937909Z | |||
| Joint Torique | ||||
| 39 | 320218 | 1.20 | 1.44 | |
| Goupille de blocage | ||||
| 40 | 306890 | 1.80 | 2.16 | |
| Couple Pignon G 23ss/cm 7mc | ||||
| 41 | 330032 | 20.90 | 25.08 | |
| Bague | ||||
| 42 | 330029 | 1.80 | 2.16 | |
| Roulement | ||||
| 43 | 6000VV | 6.15 | 7.38 | |
| Bague de palier | ||||
| 44 | 321536 | 11.55 | 13.86 | |
| Carcasse | ||||
| 45 | 321535 | 34.10 | 40.92 | |
| Capot Charbons G23sf2/sc3 | ||||
| 47 | 320232 | 1.35 | 1.62 | |
| Vis Ø 4*16 Noir | ||||
| 48 | 305812 | 1.04 | 1.24 | |
| Charbons (1 Paire) For Aus,nzl,gbr,nor,swe,den,fi | ||||
| 49 | 999061 | 4.20 | 5.04 | |
| Poignee Droite | ||||
| 50 | 330034 | 4.20 | 5.04 | |
| Ensemble De Porte-Balai | ||||
| 52 | 322323 | 4.96 | 5.96 | |
| Câblage Interne 270l | ||||
| 53 | 330216 | 1.05 | 1.26 | |
| Connecteur 50091 | ||||
| 54 | 959140 | 3.30 | 3.96 | |
| Connecteur 50092 | ||||
| 55 | 959141 | 3.75 | 4.50 | |
| Interrupteur de contrôleur 250v sur type de verrou | ||||
| 56 | 335122 | 53.35 | 64.02 | |
| INTERRUPTEUR DE CONTRÔLE 250 VOLT OFF/LOCK | ||||
| 56 | 370378 | 51.84 | 62.20 | |
| Pas d'informations disponibles, non commandable | ||||
| 57 | 984750 | |||
| Serre Cable | ||||
| 58 | 960266 | 1.04 | 1.24 | |
| Poignee Gauche | ||||
| 59 | 330033 | 4.20 | 5.04 | |
| Manchon à cabler | ||||
| 60 | 981373 | 1.05 | 1.26 | |
| Protecteur de câble D8.2 (ancien 958049z) | ||||
| 61 | 958049 | 1.04 | 1.24 | |
| Pas d'informations disponibles, non commandable | ||||
| 62 | 500408Z | |||
| Pas d'informations disponibles, non commandable | ||||
| 501 | 325491 | |||
| Pas d'informations disponibles, non commandable | ||||
| 502A | 376202 | |||
| Pas d'informations disponibles, non commandable | ||||
| 503 | 937917Z | |||
| Ensemble de poignée de tuyau Includ.602 | ||||
| 601 | 323993 | 63.66 | 76.40 | |
| Boulon | ||||
| 602 | 985597 | 2.85 | 3.42 | |
| Pas d'informations disponibles, non commandable | ||||
| 603 | 310337 | |||