Vous trouverez ici toutes les pièces et dessins disponibles du 'Hikoki G14DBL'. De là, vous pouvez commander directement toutes les pièces souhaitées. De nombreuses pièces doivent être commandées auprès du fabricant, selon la marque, cela prend une à quatre semaines. Toutes les informations dont nous disposons se trouvent sur notre site Web, nous ne pouvons pas vous conseiller sur ce dont vous avez besoin, pour cela vous devrez retourner la machine pour réparation. Veuillez noter ce qui suit lors de la commande:
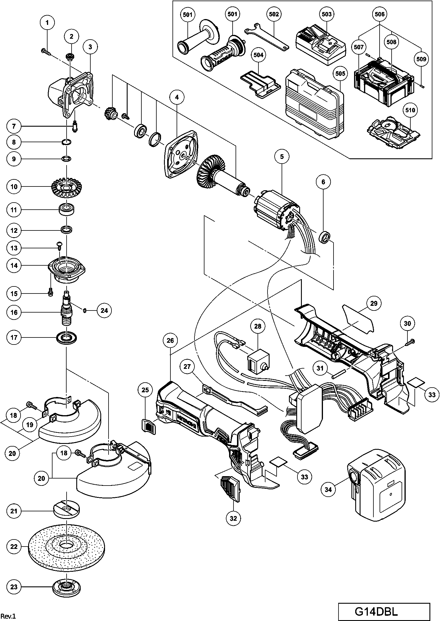
Dessins des Hikoki G14DBL
Liste de pièces de rechange des Hikoki G14DBL
| Pos. | Description | Prix hors TVA | Prix TTC | |
| Les prix affichés incluent la TVA | ||||
| Vis à métaux (avec rondelle) M5x16 (noir) | ||||
| *18 | 308386 | 1.05 | 1.26 | |
| Vis M5 | ||||
| *18 | 338868 | 1.04 | 1.24 | |
| Protecteur | ||||
| *20 | 315492 | 12.75 | 15.30 | |
| Protecteur | ||||
| *20 | 331766 | 10.80 | 12.96 | |
| Garde de Roue Sans Outil 125mm Incl.27 | ||||
| *20 | 333840 | 6.15 | 7.38 | |
| Pas d'informations disponibles, non commandable | ||||
| *22 | 316822 | |||
| Poignée latérale G13sr3 | ||||
| *501 | 318312 | 7.50 | 9.00 | |
| Vis Tôlière Avec Rondelle D4x23 (noir) | ||||
| 1 | 328643 | 1.05 | 1.26 | |
| Bouton Bloc | ||||
| 2 | 301944 | 1.04 | 1.24 | |
| Carter | ||||
| 3 | 339183 | 14.99 | 17.98 | |
| Ensemble Couvercle Intérieur Rotor Inclu.5-11 | ||||
| 4 | 360991 | 125.68 | 150.81 | |
| Ensemble de câblage (14.4v simple) inclut.28 | ||||
| 5 | 337879 | 235.81 | 282.98 | |
| Douille | ||||
| 6 | 338867 | 1.80 | 2.16 | |
| Goupille De Blocage | ||||
| 7 | 301943 | 1.65 | 1.98 | |
| Circlips Dim 11 Till 9.2012 | ||||
| 8 | 316487 | 1.65 | 1.98 | |
| Bague | ||||
| 9 | 316486 | 1.65 | 1.98 | |
| Pignon | ||||
| 10 | 328364 | 11.70 | 14.04 | |
| Roulement A Billes | ||||
| 11 | 6001VV | 6.60 | 7.92 | |
| Feutre | ||||
| 12 | 301946 | 1.04 | 1.24 | |
| Pas d'informations disponibles, non commandable | ||||
| 13 | 301936 | |||
| Vis à tête ranurée (Seal Lock) M4x10 | ||||
| 13A | 314430 | 1.05 | 1.26 | |
| Palier | ||||
| 14 | 328198 | 3.15 | 3.78 | |
| Vis de scellage M4*12 | ||||
| 15 | 307127 | 1.05 | 1.26 | |
| Axe Ø 14 | ||||
| 16 | 328359 | 4.20 | 5.04 | |
| Joint Anti Poussiere | ||||
| 17 | 301945 | 1.05 | 1.26 | |
| Vis à métaux (avec rondelle) M5x16 (noir) | ||||
| 18 | 308386 | 1.05 | 1.26 | |
| Vis M5 | ||||
| 18 | 338868 | 1.04 | 1.24 | |
| Collier Fg 12sb | ||||
| 19 | 301949 | 1.04 | 1.24 | |
| Protecteur | ||||
| 20 | 315492 | 12.75 | 15.30 | |
| Protecteur | ||||
| 20 | 331766 | 10.80 | 12.96 | |
| Garde de Roue Sans Outil 125mm Incl.27 | ||||
| 20 | 333840 | 6.15 | 7.38 | |
| Pas d'informations disponibles, non commandable | ||||
| 21 | 937817Z | |||
| Pas d'informations disponibles, non commandable | ||||
| 21A | 376067 | |||
| Pas d'informations disponibles, non commandable | ||||
| 22 | 316822 | |||
| Pas d'informations disponibles, non commandable | ||||
| 23 | 337329 | |||
| Pas d'informations disponibles, non commandable | ||||
| 23B | 339579 | |||
| Clavette G13sd | ||||
| 24 | 302047 | 1.05 | 1.26 | |
| Bouton Interrupteur | ||||
| 25 | 314428 | 1.04 | 1.24 | |
| Pas d'informations disponibles, non commandable | ||||
| 26 | 338859 | |||
| ENSEMBLE DE BOÎTIER (A+B) NOUVEAU | ||||
| 26A | 373744 | 26.54 | 31.84 | |
| ENSEMBLE DE BOÎTIER (A+B) NOUVEAU | ||||
| 26C | 373744 | 26.54 | 31.84 | |
| Tirant DF 700 | ||||
| 27 | 337871 | 1.04 | 1.24 | |
| Plus disponible, pas de remplacement | ||||
| 28 | 329057 | |||
| Interrupteur | ||||
| 28A | 373565 | 4.65 | 5.58 | |
| Vis à tarauder D4x20 avec bride (noir) | ||||
| 30 | 301653 | 1.04 | 1.24 | |
| Broche | ||||
| 31 | 338869 | 1.04 | 1.24 | |
| Filtre | ||||
| 32 | 338870 | 1.05 | 1.26 | |
| Coussin en caoutchouc (b) | ||||
| 33 | 338871 | 1.04 | 1.24 | |
| Pas d'informations disponibles, non commandable | ||||
| 34 | 336383 | |||
| Pas d'informations disponibles, non commandable | ||||
| 34A | 338888 | |||
| Pignon (1) | ||||
| 39 | 371811 | 4.65 | 5.58 | |
| Vis à tête fendue (serrure d’étanchéité) M4 | ||||
| 40 | 371814 | 1.04 | 1.24 | |
| Roulement A Billes (1) | ||||
| 41 | 371033 | 3.15 | 3.78 | |
| Anneau en Caoutchouc (a) | ||||
| 42 | 328453 | 1.80 | 2.16 | |
| Couverture intérieure | ||||
| 43 | 371816 | 7.50 | 9.00 | |
| Roulement à billes 625dd | ||||
| 44 | 333826 | 5.10 | 6.12 | |
| Poignée latérale G13sr3 | ||||
| 501 | 318312 | 7.50 | 9.00 | |
| Pas d'informations disponibles, non commandable | ||||
| 502 | 938332Z | |||
| Capuchon de protection pour batterie | ||||
| 504 | 329897 | 1.80 | 2.16 | |
| Pas d'informations disponibles, non commandable | ||||
| 505 | 337867 | |||
| Pas d'informations disponibles, non commandable | ||||
| 506 | 336471 | |||
| Pas d'informations disponibles, non commandable | ||||
| 507 | 336472 | |||
| Pas d'informations disponibles, non commandable | ||||
| 508 | 336473 | |||
| Pas d'informations disponibles, non commandable | ||||
| 509 | 336474 | |||
| Pas d'informations disponibles, non commandable | ||||
| 510 | 338872 | |||
| Pas d'informations disponibles, non commandable | ||||
| 601 | 937826Z | |||
| Pas d'informations disponibles, non commandable | ||||
| 602 | 937825Z | |||
| Pas d'informations disponibles, non commandable | ||||
| 603 | 314095 | |||
| Pas d'informations disponibles, non commandable | ||||
| 604 | 314096 | |||
| Pas d'informations disponibles, non commandable | ||||
| 605 | 314097 | |||
| Pas d'informations disponibles, non commandable | ||||
| 606 | 314098 | |||
| Pas d'informations disponibles, non commandable | ||||
| 607 | 314099 | |||
| Pas d'informations disponibles, non commandable | ||||
| 608 | 314100 | |||
| Pas d'informations disponibles, non commandable | ||||
| 609 | 314101 | |||
| Pas d'informations disponibles, non commandable | ||||
| 610 | 314102 | |||
| Pas d'informations disponibles, non commandable | ||||
| 611 | 314103 | |||
| Pas d'informations disponibles, non commandable | ||||
| 612 | 314104 | |||
| Pas d'informations disponibles, non commandable | ||||
| 613 | 314105 | |||
| Pas d'informations disponibles, non commandable | ||||
| 614 | 332785 | |||
| Pas d'informations disponibles, non commandable | ||||
| 615 | 332788 | |||
| Pas d'informations disponibles, non commandable | ||||
| 616 | 332787 | |||
| Bague | ||||
| 617 | 339151 | 3.90 | 4.68 | |
| Pas d'informations disponibles, non commandable | ||||
| 618 | 338497 | |||
| Pas d'informations disponibles, non commandable | ||||
| 619 | 314062 | |||
| Pas d'informations disponibles, non commandable | ||||
| 620 | 314063 | |||
| Pas d'informations disponibles, non commandable | ||||
| 621 | 314064 | |||
| Pas d'informations disponibles, non commandable | ||||
| 622 | 314065 | |||
| Pas d'informations disponibles, non commandable | ||||
| 623 | 314066 | |||
| Pas d'informations disponibles, non commandable | ||||
| 624 | 314067 | |||
| Pas d'informations disponibles, non commandable | ||||
| 625 | 314068 | |||
| Pas d'informations disponibles, non commandable | ||||
| 626 | 314069 | |||
| Pas d'informations disponibles, non commandable | ||||
| 627 | 314070 | |||
| Pas d'informations disponibles, non commandable | ||||
| 628 | 314071 | |||
| Pas d'informations disponibles, non commandable | ||||
| 629 | 314072 | |||