Vous trouverez ici toutes les pièces et dessins disponibles du 'Hikoki ECS-4000'. De là, vous pouvez commander directement toutes les pièces souhaitées. De nombreuses pièces doivent être commandées auprès du fabricant, selon la marque, cela prend une à quatre semaines. Toutes les informations dont nous disposons se trouvent sur notre site Web, nous ne pouvons pas vous conseiller sur ce dont vous avez besoin, pour cela vous devrez retourner la machine pour réparation. Veuillez noter ce qui suit lors de la commande:
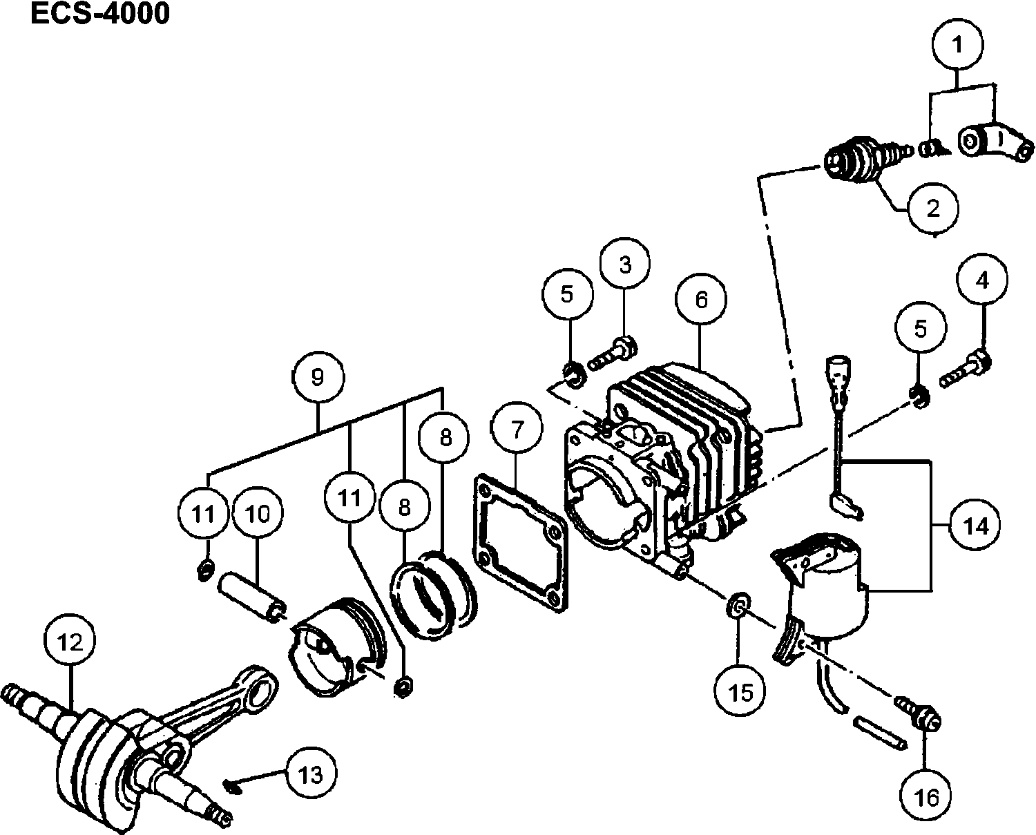
Dessins des Hikoki ECS-4000
Liste de pièces de rechange des Hikoki ECS-4000
| Pos. | Description | Prix hors TVA | Prix TTC | |
| Les prix affichés incluent la TVA | ||||
| Capuchon de bougie d'allumage d'ensemble (ancien 1 | ||||
| 1 | 6687468 | 2.31 | 2.78 | |
| Bougie d'allumage (ancienne 6685085) | ||||
| 2 | 6699317 | 6.76 | 8.12 | |
| Boulon à trou hexagonal 5x22s (ancien 994-61050-22 | ||||
| 3 | 6695493 | 1.15 | 1.38 | |
| Boulon à trou hexagonal 5x22s (ancien 994-61050-22 | ||||
| 4 | 6695493 | 1.15 | 1.38 | |
| Bague | ||||
| 5 | 6685226 | 1.15 | 1.38 | |
| Cylindre (ancien 6685536) | ||||
| 6 | 6697224 | 66.40 | 79.68 | |
| Joint de cylindre (ancien 017-04090-21) | ||||
| 7 | 6685734 | 1.15 | 1.38 | |
| Bague de piston (ancien 041-04050-20) | ||||
| 8 | 6686123 | 4.45 | 5.34 | |
| Piston (ancien 031-04050-20) | ||||
| 9 | 6685934 | 19.96 | 23.96 | |
| Broche de piston 9 X 31 (ancien 037-01400-20/79117 | ||||
| 10 | 6686008 | 2.31 | 2.78 | |
| Circlip (ancien 039-00000-20) | ||||
| 11 | 6685078 | 1.15 | 1.38 | |
| Plus disponible, pas de remplacement | ||||
| 12 | 6686184 | |||
| Clavette à ergot 3x13x4.5 (ancien 068-10100-20) | ||||
| 13 | 6684899 | 2.15 | 2.58 | |
| Bobine d'allumage (ancienne 167-21952-90) | ||||
| 14 | 6695941 | 44.31 | 53.18 | |
| Rondelle (ancien 182-0186a-20) | ||||
| 15 | 6684600 | 2.15 | 2.58 | |
| Pas d'informations disponibles, non commandable | ||||
| 16 | 6695410 | |||
| Cale de vilebrequin 0.10 (ancien 071-02007-21) | ||||
| 31 | 6686470 | 1.15 | 1.38 | |
| Cale d'arbre à cames 0.20 (ancienne 071-02007-23) | ||||
| 31 | 6686472 | 1.15 | 1.38 | |
| Cale d'arbre à cames 0.30 (ancienne 071-02007-24) | ||||
| 31 | 6686473 | 1.15 | 1.38 | |
| Bague | ||||
| 32 | 6686463 | 1.15 | 1.38 | |
| Plus disponible, pas de remplacement | ||||
| 33 | 6686544 | |||
| Ensemble support de valve (ancien 645-32530-90) | ||||
| 34 | 6692168 | 3.30 | 3.96 | |
| Valve de ventilation d'air (b) (ancien 562-04060-2 | ||||
| 35 | 6685173 | 2.31 | 2.78 | |
| Joint d'huile | ||||
| 36 | 6695637 | 3.30 | 3.96 | |
| Pas d'informations disponibles, non commandable | ||||
| 37 | 6695557 | |||
| Joint de carter (ancien 090-04060-20) | ||||
| 38 | 6686708 | 1.15 | 1.38 | |
| Joint d'huile | ||||
| 39 | 6684607 | 4.29 | 5.14 | |
| Boulon à trou hexagonal 5x30 (ancien 990-51050-303 | ||||
| 40 | 6695052 | 1.15 | 1.38 | |
| Joint d'ajustement d'huile (ancien 488-32530-20) N | ||||
| 41 | 6690953 | 1.05 | 1.26 | |
| Tuyau d'Huile B (ancien 505-32530-22) | ||||
| 42 | 6691117 | 4.95 | 5.94 | |
| Clip 7 (ancien 680-04019-21) | ||||
| 43 | 6692312 | 1.15 | 1.38 | |
| Corps de filtre à huile (ancien 486-32710-90) | ||||
| 44 | 6685249 | 2.31 | 2.78 | |
| Ensemble rotor de magnéto (ancien 155-21719-90) | ||||
| 45 | 6687408 | 30.25 | 36.30 | |
| Pas d'informations disponibles, non commandable | ||||
| 46 | 6693248 | |||
| Ressort de starter (ancien 790-01800-20) Nouveau | ||||
| 47 | 6693347 | 1.15 | 1.38 | |
| Crampon de départ (vieux 788-00601-20) | ||||
| 48 | 6693297 | 1.15 | 1.38 | |
| Plus disponible, pas de remplacement | ||||
| 49 | 6693562 | |||
| Boulon à marche (ancien 793-10200-20) | ||||
| 50 | 6693366 | 1.15 | 1.38 | |
| Bague | ||||
| 51 | 6685103 | 1.15 | 1.38 | |
| Bague | ||||
| 52 | 6695222 | 1.15 | 1.38 | |
| Écrou de volant (ancien 066-01800-20) Nouveau | ||||
| 53 | 6686442 | 1.15 | 1.38 | |
| Bouton de nettoyage Comp. (ancien 175-32530-80) | ||||
| 71 | 6687794 | 3.30 | 3.96 | |
| Couvercle du filtre à air | ||||
| 72 | 6686296 | 5.11 | 6.14 | |
| Pas d'informations disponibles, non commandable | ||||
| 73 | 6695658 | |||
| Pas d'informations disponibles, non commandable | ||||
| 74 | 6690068 | |||
| Composants du bouton de starter (ancien 704-32540- | ||||
| 75 | 6692508 | 2.10 | 2.52 | |
| Vis 5x40/s (ancien 994-14050-401) | ||||
| 76 | 6695348 | 1.15 | 1.38 | |
| Plus disponible, pas de remplacement | ||||
| 77 | 6690846 | |||
| Pas d'informations disponibles, non commandable | ||||
| 78 | 6692404 | |||
| Cale d'étranglement 0.8 (ancien 708-32350-20) | ||||
| 79 | 6692596 | 1.15 | 1.38 | |
| Joint de collecteur d'admission | ||||
| 80 | 6689877 | 1.15 | 1.38 | |
| Collecteur d'admission (ancien 393-04090-20) | ||||
| 81 | 6689797 | 6.28 | 7.53 | |
| Flange de collecteur (ancien 392-04090-20) | ||||
| 82 | 6689790 | 4.45 | 5.34 | |
| Pas d'informations disponibles, non commandable | ||||
| 83 | 6687292 | |||
| Bague | ||||
| 84 | 6685149 | 1.15 | 1.38 | |
| Pas d'informations disponibles, non commandable | ||||
| 85 | 6689813 | |||
| Passage de câble secondaire (ancien 202-01003-20) | ||||
| 86 | 6688037 | 1.15 | 1.38 | |
| Pas d'informations disponibles, non commandable | ||||
| 87 | 6690981 | |||
| Tuyau de carburant (ancien 700-12665-11) Nouveau | ||||
| 88 | 6692372 | 1.15 | 1.38 | |
| Clip.6.3 Dia. (ancien 680-00731-20) | ||||
| 89 | 6684619 | 2.15 | 2.58 | |
| Plus disponible, pas de remplacement | ||||
| 90 | 6685684 | |||
| Passage de câble principal (ancien 203-10000-20) | ||||
| 91 | 6688055 | 1.15 | 1.38 | |
| Passage de câble primaire (ancien 203-06000-20) | ||||
| 92 | 6688049 | 1.15 | 1.38 | |
| Pas d'informations disponibles, non commandable | ||||
| 93 | 6688449 | |||
| Vis 5x16/s (ancienne 994-14050-162) | ||||
| 94 | 6695338 | 1.15 | 1.38 | |
| Vis 5x16/ps (ancienne 994-15050-162) | ||||
| 95 | 6695386 | 1.15 | 1.38 | |
| Collier (ancien 027-0630a-20) | ||||
| 96 | 6685853 | 2.31 | 2.78 | |
| Plus disponible, pas de remplacement | ||||
| 101 | 6692528 | |||
| Boîtier de silencieux B Comp. (ancien 717-04075-80 | ||||
| 102 | 6692629 | 5.25 | 6.30 | |
| Collier de Silencieux (ancien 740-01802-20) Nouvea | ||||
| 103 | 6692840 | 1.15 | 1.38 | |
| Joint d'échappement (ancien 737-04069-20) Nouveau | ||||
| 104A | 6692738 | 4.65 | 5.58 | |
| Bague | ||||
| 105 | 6684661 | 2.15 | 2.58 | |
| Boulon à trou hexagonal M5x35 (ancien 990-51050-35 | ||||
| 106 | 6684934 | 2.15 | 2.58 | |
| Boulon à tête hexagonale M5x35 (ancien 994-60050-3 | ||||
| 108 | 6685057 | 1.15 | 1.38 | |
| Plus disponible, pas de remplacement | ||||
| 109 | 6692598 | |||
| Démarreur à rappel Assy (vieux 756-04080-90) | ||||
| 121 | 6692919 | 34.19 | 41.02 | |
| Vis à tête liante 5x12 (ancienne 990-15050-121) | ||||
| 122 | 6694966 | 1.15 | 1.38 | |
| Bague | ||||
| 123 | 6693250 | 1.05 | 1.26 | |
| Bobine de corde de démarrage Comp. (ancienne 774-0 | ||||
| 124 | 6693063 | 7.75 | 9.30 | |
| Boîtier d'enrouleur de rappel (ancien 778-00601-90 | ||||
| 125 | 6693090 | 7.59 | 9.10 | |
| Plaque (ancien 795-04063-20) | ||||
| 126 | 6685189 | 1.15 | 1.38 | |
| Poignée de démarrage | ||||
| 127 | 6693230 | 4.45 | 5.34 | |
| Corde de démarrage (ancienne 783-04075-20) Nouveau | ||||
| 128 | 6693162 | 3.30 | 3.96 | |
| Plus disponible, pas de remplacement | ||||
| 129 | 6686966 | |||
| Vis 5x16/w.s (ancien 994-16050-162) | ||||
| 130 | 6695418 | 1.15 | 1.38 | |
| Guide de corde (ancien 780-04063-20) Nouveau | ||||
| 131 | 6696199 | 3.00 | 3.60 | |
| Pas d'informations disponibles, non commandable | ||||
| 151 | 6690599 | |||
| Pas d'informations disponibles, non commandable | ||||
| 152 | 6691421 | |||
| Joint de pompe (ancien 577-25007-20) | ||||
| 153 | 6685212 | 2.31 | 2.78 | |
| Diaphragme de pompe (ancien 576-25006-20) | ||||
| 154 | 6685213 | 4.45 | 5.34 | |
| Joint de diaphragme (ancien 475-25001-20) | ||||
| 155 | 6690837 | 2.31 | 2.78 | |
| Plus disponible, pas de remplacement | ||||
| 156 | 6690827 | |||
| Couvercle de diaphragme (ancien 476-25004-20) | ||||
| 157 | 6685222 | 4.45 | 5.34 | |
| Vis de réglage haute (ancien 460-25027-20) | ||||
| 158 | 6690691 | 4.79 | 5.74 | |
| Ressort de réglage en hauteur (ancien 485-25040-20 | ||||
| 159 | 6690897 | 3.30 | 3.96 | |
| Pas d'informations disponibles, non commandable | ||||
| 160 | 6697669 | |||
| Ressort de réglage haute/basse (ancien 623-25032-2 | ||||
| 161 | 6692048 | 2.31 | 2.78 | |
| Vis de réglage au ralenti (ancien 462-25016-20) | ||||
| 162 | 6685298 | 2.31 | 2.78 | |
| Ressort de réglage au ralenti (ancien 463-25006-20 | ||||
| 163 | 6685297 | 2.31 | 2.78 | |
| Ressort de soupape (ancien 477-25013-20) | ||||
| 164 | 6690870 | 2.31 | 2.78 | |
| Valve d'aiguille (ancien 603-25001-20) | ||||
| 165 | 6691943 | 5.78 | 6.93 | |
| Levier de contrôle (ancien 473-25001-20) | ||||
| 166 | 6685217 | 3.30 | 3.96 | |
| Broche de charnière (ancien 605-25001-20) | ||||
| 167 | 6685219 | 1.15 | 1.38 | |
| Écran d'entrée (ancien 578-25007-20) | ||||
| 168 | 6684700 | 4.29 | 5.14 | |
| Vis (ancien 514-25001-20) | ||||
| 169 | 6685210 | 1.15 | 1.38 | |
| Vis de fixation de goupille de charnière (ancien 5 | ||||
| 170 | 6685218 | 2.31 | 2.78 | |
| Vis de réglage (ancien 548-25012-20) | ||||
| 171 | 6685223 | 1.15 | 1.38 | |
| Bouchon de réservoir complet | ||||
| 191 | 6692115 | 10.23 | 12.27 | |
| Jeu de joints de bouchon de réservoir (ancien 642- | ||||
| 192 | 6692153 | 1.15 | 1.38 | |
| Pas d'informations disponibles, non commandable | ||||
| 193A | 6601144 | |||
| Clip 7 (ancien 680-04019-21) | ||||
| 194 | 6692312 | 1.15 | 1.38 | |
| Tuyau en caoutchouc | ||||
| 195 | 6697912 | 3.30 | 3.96 | |
| Pas d'informations disponibles, non commandable | ||||
| 196 | 6684620 | |||
| Vis 3x10 (ancien 994-31030-101) | ||||
| 197 | 6684913 | 2.15 | 2.58 | |
| Bouton Stop (ancien 258-11650-20) | ||||
| 198 | 6688366 | 1.15 | 1.38 | |
| Bouton d'arrêt Mark (ancien 925-32530-20) | ||||
| 199 | 6694585 | 1.15 | 1.38 | |
| Composant de bouton d'arrêt (ancien 170-04080-80) | ||||
| 200 | 6687741 | 8.25 | 9.90 | |
| Levier de sécurité (ancien 257-32810-20) Nouveau | ||||
| 201 | 6688359 | 1.15 | 1.38 | |
| Levier de papillon (ancien 060-32810-20) Nouveau | ||||
| 202 | 6686388 | 1.15 | 1.38 | |
| Ressort de levier de gaz (ancien 061-32810-20) Nou | ||||
| 203 | 6686418 | 2.31 | 2.78 | |
| Tige d'accélérateur (ancien 490-32810-20) Nouveau | ||||
| 204 | 6690973 | 2.10 | 2.52 | |
| Goupille (ancienne 064-32530-20) | ||||
| 205 | 6686430 | 1.15 | 1.38 | |
| Ressort de butée (ancien 066-32300-20) | ||||
| 206 | 6686447 | 1.15 | 1.38 | |
| Capuchon de broche à pousser (ancien 725-32600-20) | ||||
| 207 | 6692681 | 1.15 | 1.38 | |
| Composant de Poignée Arrière B (ancien 011-32810-8 | ||||
| 208 | 6685644 | 5.78 | 6.93 | |
| Poignée Arrière B (ancien 011-32810-20) Nouveau | ||||
| 209 | 6685643 | 4.50 | 5.40 | |
| Pas d'informations disponibles, non commandable | ||||
| 210 | 6695412 | |||
| Pas d'informations disponibles, non commandable | ||||
| 211 | 6695410 | |||
| Écrou M4 (ancien 991-01040-011) | ||||
| 212 | 6685069 | 1.15 | 1.38 | |
| Écrou spécial (ancien 856-32810-20) Nouveau | ||||
| 213 | 6693659 | 3.30 | 3.96 | |
| Capuchon de réglage (ancien 190-32540-20) Nouveau | ||||
| 214 | 6687955 | 1.15 | 1.38 | |
| Soufflet (ancien 191-32710-20) | ||||
| 215 | 6687976 | 1.15 | 1.38 | |
| Vis 5x25ps (ancienne 994-15050-252) | ||||
| 231 | 6695395 | 1.15 | 1.38 | |
| Amortisseur Comp. (ancien 219-32530-80) | ||||
| 232 | 6688111 | 4.45 | 5.34 | |
| Vis 5x12/s (ancienne 994-14050-121) | ||||
| 233 | 6695334 | 1.15 | 1.38 | |
| Jeu de boulons d'amortisseur A (ancien 295-32600-2 | ||||
| 234 | 6688630 | 2.31 | 2.78 | |
| Capuchon d'amortisseur (ancien 224-32600-20) Nouve | ||||
| 235 | 6688182 | 2.10 | 2.52 | |
| Vis 4x8/w (ancien 994-17040-081) Nouveau | ||||
| 236 | 6695432 | 1.05 | 1.26 | |
| Bouchon de réservoir d'huile Ass'y (ancien 642-326 | ||||
| 237 | 6692157 | 5.28 | 6.33 | |
| Ensemble capuchon de réservoir avec chaîne (ancien | ||||
| 238 | 6692052 | 3.00 | 3.60 | |
| Joint Torique | ||||
| 239 | 6697898 | 1.04 | 1.24 | |
| Attrape-chaîne (ancien 125-32540-20) Nouveau | ||||
| 240 | 6687164 | 1.15 | 1.38 | |
| Collier (ancien 478-32540-20) Nouveau | ||||
| 241 | 6690877 | 2.10 | 2.52 | |
| Rondelle 5 (ancien 992-00050-011) | ||||
| 242 | 6684864 | 2.15 | 2.58 | |
| Boulon à trou hexagonal 5x25 (ancien 990-51050-253 | ||||
| 243 | 6695051 | 1.15 | 1.38 | |
| Bouchon de Niveau d'Huile Ass'y (ancien 525-32530- | ||||
| 244 | 6691249 | 2.31 | 2.78 | |
| Joint Torique | ||||
| 245 | 6697898 | 1.04 | 1.24 | |
| Plus disponible, pas de remplacement | ||||
| 246 | 6685584 | |||
| Plus disponible, pas de remplacement | ||||
| 247 | 6688113 | |||
| Amortisseur B Comp. (vieux 266-32530-80) | ||||
| 248 | 6688410 | 5.61 | 6.74 | |
| Poignée avant complète (ancien 209-32810-80) | ||||
| 249 | 6688078 | 12.38 | 14.85 | |
| Pas d'informations disponibles, non commandable | ||||
| 250 | 6695384 | |||
| Vis 5x12/s (ancienne 994-14050-121) | ||||
| 251 | 6695334 | 1.15 | 1.38 | |
| Vis 5x25ps (ancienne 994-15050-252) | ||||
| 253 | 6695395 | 1.15 | 1.38 | |
| Vis 5x16/ps (ancienne 994-15050-162) | ||||
| 254 | 6695386 | 1.15 | 1.38 | |
| Ecrou (ancien 121-32530-20) | ||||
| 271 | 6685166 | 2.31 | 2.78 | |
| Plaque de guidage B (ancien 462-32525-20) | ||||
| 273 | 6690749 | 2.31 | 2.78 | |
| Vis à Tôle D4x10 (ancien 993-41040-101) | ||||
| 274 | 6685161 | 1.15 | 1.38 | |
| Vis 4x8 (ancien 990-11040-081) | ||||
| 275 | 6694861 | 1.15 | 1.38 | |
| Pas d'informations disponibles, non commandable | ||||
| 276 | 6690729 | |||
| Boulon d'étude de barre de chaîne (ancien 101-3253 | ||||
| 278 | 6686804 | 2.31 | 2.78 | |
| Boulon d'ajustement de la tension complet (ancien | ||||
| 279 | 6687066 | 1.15 | 1.38 | |
| Embrayage Comp. (ancien 287-01801-80) | ||||
| 280 | 6688561 | 28.14 | 33.76 | |
| Roulement à aiguilles (ancien 999-62101-301) | ||||
| 281 | 6685143 | 4.45 | 5.34 | |
| Boîtier d'embrayage Comp. P-0.325 (ancien 310-0185 | ||||
| 282 | 6688999 | 34.19 | 41.02 | |
| Bague | ||||
| 283 | 6685145 | 2.31 | 2.78 | |
| Couvercle de pompe à huile Comp. (ancien 097-32530 | ||||
| 284 | 6686757 | 5.11 | 6.14 | |
| Vis 5x22 (ancien 990-11050-221) | ||||
| 285 | 6694893 | 1.15 | 1.38 | |
| Boîtier de pompe à huile (ancien 088-32530-91) | ||||
| 286 | 6686672 | 52.34 | 62.80 | |
| Régulateur de pompe à huile (ancien 501-32530-20) | ||||
| 287 | 6691067 | 8.25 | 9.90 | |
| Ressort de réglage (ancien 502-32550-20) Nouveau | ||||
| 288 | 6691085 | 1.05 | 1.26 | |
| Bague | ||||
| 289 | 6684661 | 2.15 | 2.58 | |
| O-ring P-5 (ancien 999-67005-000/6698965) | ||||
| 290 | 6695661 | 1.15 | 1.38 | |
| Chapeau de réglage de la pompe à huile (ancien 503 | ||||
| 291 | 6691091 | 2.10 | 2.52 | |
| Pompe à huile Comp (ancien 145-32530-80) | ||||
| 292 | 6687332 | 36.15 | 43.38 | |
| Joint d'huile | ||||
| 293 | 6695634 | 3.30 | 3.96 | |
| Plus disponible, pas de remplacement | ||||
| 294 | 6686639 | |||
| Tuyau d'huile A (ancien 515-32530-22) | ||||
| 295 | 6691220 | 3.30 | 3.96 | |
| Pas d'informations disponibles, non commandable | ||||
| 296 | 6692313 | |||
| Assemblage du Boîtier Latéral (ancien 040-32818-92 | ||||
| 297 | 6686089 | 74.41 | 89.30 | |
| Vis 5x16/s (ancienne 994-14050-162) | ||||
| 298 | 6695338 | 1.15 | 1.38 | |
| Plus disponible, pas de remplacement | ||||
| 299 | 6689743 | |||
| Écrou hexagonal 5 (ancien 991-01050-011) | ||||
| 300 | 6684965 | 1.04 | 1.24 | |
| Levier de frein Comp (ancien 361-32750-82/6689669) | ||||
| 301 | 6689670 | 7.75 | 9.30 | |
| Boîtier latéral comp. (ancien 040-32529-81) | ||||
| 302 | 6686071 | 30.25 | 36.30 | |
| Ressort de frein (ancien 374-32367-21) | ||||
| 304 | 6689698 | 2.31 | 2.78 | |
| Boulon à échelon A (ancien 382-32750-20) | ||||
| 305 | 6689760 | 4.05 | 4.86 | |
| Goupille de printemps 4x12 (ancien 993-24040-120) | ||||
| 306 | 6695268 | 1.15 | 1.38 | |
| Levier de frein (ancien 373-32771-20) | ||||
| 307 | 6689694 | 2.31 | 2.78 | |
| Pas d'informations disponibles, non commandable | ||||
| 308 | 6689723 | |||
| Bague | ||||
| 309 | 6689680 | 1.15 | 1.38 | |
| Pas d'informations disponibles, non commandable | ||||
| 310 | 6689769 | |||
| Pas d'informations disponibles, non commandable | ||||
| 311 | 6689647 | |||
| Plus disponible, pas de remplacement | ||||
| 501 | 6685666 | |||
| Plus pilote 4 (ancien 862-20000-20) Nouveau | ||||
| 502 | 6693665 | 3.00 | 3.60 | |
| Pas d'informations disponibles, non commandable | ||||
| 503 | 6694040 | |||
| Couverture de chaîne 20" (ancien 945-3254d-21) | ||||
| 504 | 6694804 | 6.93 | 8.31 | |
| Couverture de chaîne 18" (ancien 942-3257b-20) | ||||
| 504A | 6694798 | 6.93 | 8.31 | |
| Pas d'informations disponibles, non commandable | ||||
| 505 | 6687282 | |||
| Plus disponible, pas de remplacement | ||||
| 506 | 6686828 | |||