Vous trouverez ici toutes les pièces et dessins disponibles du 'Hikoki ECS-3300D'. De là, vous pouvez commander directement toutes les pièces souhaitées. De nombreuses pièces doivent être commandées auprès du fabricant, selon la marque, cela prend une à quatre semaines. Toutes les informations dont nous disposons se trouvent sur notre site Web, nous ne pouvons pas vous conseiller sur ce dont vous avez besoin, pour cela vous devrez retourner la machine pour réparation. Veuillez noter ce qui suit lors de la commande:
Dessins des Hikoki ECS-3300D
Liste de pièces de rechange des Hikoki ECS-3300D
| Pos. | Description | Prix hors TVA | Prix TTC | |
| Les prix affichés incluent la TVA | ||||
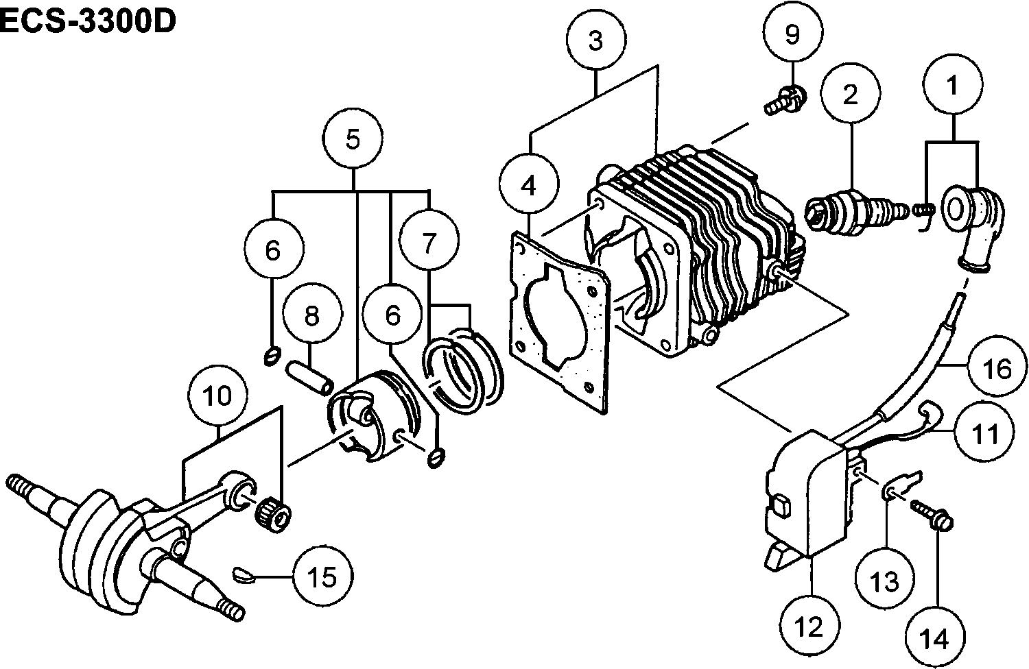
| Capuchon de bougie d'allumage d'ensemble (ancien 1 | ||||
| 1 | 6687468 | 2.31 | 2.78 | |
| Bougie Cj8 (ancien 6685771) | ||||
| 2 | 6699324 | 3.30 | 3.96 | |
| Ensemble de cylindres (ancien 001-01740-91/6685458 | ||||
| 3 | 6685457 | 44.31 | 53.18 | |
| Joint de cylindre (ancien 017-01740-20) | ||||
| 4 | 6685724 | 1.15 | 1.38 | |
| Ensemble de piston (ancien 030-01741-90) | ||||
| 5 | 6685879 | 22.24 | 26.68 | |
| Circlip (ancien 039-00000-20) | ||||
| 6 | 6685078 | 1.15 | 1.38 | |
| Anneau de piston (xr1-1856) | ||||
| 7 | 6685331 | 4.05 | 4.86 | |
| Broche de piston 9 X 31 (ancien 037-01400-20/79117 | ||||
| 8 | 6686008 | 2.31 | 2.78 | |
| Boulon à tête hexagonale M5x16/s (ancien 994-61050 | ||||
| 9 | 6684903 | 2.15 | 2.58 | |
| CRANK SHAFT COMP (OLD 6686171) | ||||
| 10 | 6697636 | 61.54 | 73.85 | |
| Câble, B 70m (ancien 178-01740-80) | ||||
| 11 | 6687837 | 2.31 | 2.78 | |
| Bobine | ||||
| 12 | 6687700 | 44.31 | 53.18 | |
| Onglet (ancien 205-01700-20) | ||||
| 13 | 6688060 | 1.15 | 1.38 | |
| Vis haute tension 4x18ws (ancienne 994-16040-186) | ||||
| 14 | 6695407 | 1.15 | 1.38 | |
| Clavette à ergot 3x13x4.5 (ancien 068-10100-20) | ||||
| 15 | 6684899 | 2.15 | 2.58 | |
| Tube isolant pour câble (ancien 755-32050-20) | ||||
| 16 | 6692900 | 1.15 | 1.38 | |
| Ensemble Carter de Manivelle (ancien 072-01740-94) | ||||
| 20A | 6686523 | 36.15 | 43.38 | |
| Joint d'huile | ||||
| 21 | 6684607 | 4.29 | 5.14 | |
| Pas d'informations disponibles, non commandable | ||||
| 22 | 6685095 | |||
| Roulement à billes 6201 A2c3 | ||||
| 23 | 6685096 | 5.28 | 6.33 | |
| Joint de carter de vilebrequin (ancien 090-0174g-2 | ||||
| 24A | 6686701 | 1.15 | 1.38 | |
| Pas d'informations disponibles, non commandable | ||||
| 25 | 6684668 | |||
| Ensemble rotor de magnéto (ancien 155-21540-90) | ||||
| 26 | 6687394 | 24.20 | 29.04 | |
| Pas d'informations disponibles, non commandable | ||||
| 26A | 6697953 | |||
| Bague de retenue D4e (ancien 993-55040-001) | ||||
| 27 | 6685101 | 1.15 | 1.38 | |
| Ressort de cliquet de démarrage (ancien 790-01740- | ||||
| 28 | 6685105 | 1.15 | 1.38 | |
| Crampon de démarrage | ||||
| 29A | 6685334 | 1.05 | 1.26 | |
| Bague | ||||
| 30 | 6685103 | 1.15 | 1.38 | |
| Écrou de volant (ancien 066-00000-20) | ||||
| 31 | 6685104 | 1.15 | 1.38 | |
| Cale S T0.2 (ancien 071-04063-23) | ||||
| 32 | 6685098 | 1.15 | 1.38 | |
| Cale S T0.3 (ancien 071-04063-24) | ||||
| 32 | 6685099 | 1.15 | 1.38 | |
| Cale 0.1 (ancienne 071-04063-21) | ||||
| 32 | 6686474 | 1.15 | 1.38 | |
| Cale 0.4 (ancienne 071-04063-25) | ||||
| 32 | 6686475 | 1.15 | 1.38 | |
| Bague | ||||
| 33 | 6695222 | 1.15 | 1.38 | |
| Assemblage du boîtier du moteur, vermillon (ancien | ||||
| 40 | 6691365 | 40.24 | 48.28 | |
| Valve de ventilation d'air (b) (ancien 562-04060-2 | ||||
| 41 | 6685173 | 2.31 | 2.78 | |
| Ensemble de valve d'évent d'air (ancien 6692164) | ||||
| 42 | 6697231 | 5.45 | 6.54 | |
| Boulon à trou héxagonal 5x20/ps (ancien 994-63050- | ||||
| 43 | 6684634 | 2.15 | 2.58 | |
| Fil de terre 90mm (ancien 6688444) | ||||
| 44 | 6697602 | 1.98 | 2.37 | |
| Ass'y de l'interrupteur d'arrêt (ancien 6687502) | ||||
| 45A | 6601374 | 11.71 | 14.06 | |
| Plaque nominative de l’interrupteur (ancien 183-01 | ||||
| 46 | 6687949 | 1.15 | 1.38 | |
| Couvercle du filtre à air | ||||
| 50 | 6686299 | 3.30 | 3.96 | |
| Couvercle du filtre à air | ||||
| 51 | 6689735 | 1.15 | 1.38 | |
| Élément de filtre à air | ||||
| 52 | 6690064 | 3.30 | 3.96 | |
| Jeu D'Isolateurs de Carburateur (ancien 404-01740- | ||||
| 53 | 6689934 | 8.91 | 10.70 | |
| Jeu d'Isolateurs (ancien 404-0174g-90) | ||||
| 53A | 6689935 | 12.05 | 14.46 | |
| Joint d'admission (ancien 403-01740-21 & 6689869) | ||||
| 54 | 6689870 | 1.15 | 1.38 | |
| Joint d'isolant (ancien 403-0174g-20) | ||||
| 54A | 6689871 | 1.15 | 1.38 | |
| Isolateur en caoutchouc de carburateur (ancien 409 | ||||
| 55 | 6690001 | 1.15 | 1.38 | |
| Porte-soupape Reed (ancien 395-01730-20) | ||||
| 56 | 6689805 | 1.15 | 1.38 | |
| Porte-soupape (ancien 395-0174g-20) | ||||
| 56A | 6689806 | 1.15 | 1.38 | |
| Soupape Reed (ancien 394-01700-20) | ||||
| 57 | 6689802 | 2.31 | 2.78 | |
| Soupape Reed (ancien 394-0174g-20) | ||||
| 57A | 6689803 | 3.30 | 3.96 | |
| Plus disponible, pas de remplacement | ||||
| 58 | 6694964 | |||
| Joint de carburateur | ||||
| 59 | 6698108 | 1.80 | 2.16 | |
| Set de carburateur | ||||
| 60 | 6690666 | 64.28 | 77.13 | |
| Vis 5x45s (ancienne 994-14050-451) | ||||
| 61 | 6695350 | 1.15 | 1.38 | |
| Cale d'étranglement 1.0 (ancien 708-32911-20) Nouv | ||||
| 62 | 6692597 | 1.05 | 1.26 | |
| Rondelle 5 (ancien 992-00050-011) | ||||
| 63 | 6684864 | 2.15 | 2.58 | |
| Soupape de coupage (ancien 700-32918-20/6692409) | ||||
| 64 | 6692410 | 2.31 | 2.78 | |
| Vis autotaraudeuse D4.5x14 (ancien 990-75045-144) | ||||
| 65 | 6685152 | 1.15 | 1.38 | |
| Couvercle du filtre à air | ||||
| 66 | 6687344 | 4.45 | 5.34 | |
| Pas d'informations disponibles, non commandable | ||||
| 67 | 6684668 | |||
| Rondelle 5 (ancien 992-00050-011) | ||||
| 68 | 6684864 | 2.15 | 2.58 | |
| Éponge au ralenti (ancien 191-32970-20) | ||||
| 69 | 6685224 | 1.15 | 1.38 | |
| Éponge H/l 10l (ancien 191-32964-20) | ||||
| 70 | 6687978 | 1.15 | 1.38 | |
| Éponge de nettoyeur d'air (ancien 446-01740-20) | ||||
| 71 | 6690355 | 1.15 | 1.38 | |
| Couvercle d'étanchéité (ancien 129-01730-20) | ||||
| 72 | 6687182 | 1.15 | 1.38 | |
| Pas d'informations disponibles, non commandable | ||||
| 81 | 6692443 | |||
| Joint de silencieux (ancien 737-01700-20) | ||||
| 82 | 6692734 | 1.15 | 1.38 | |
| Plus disponible, pas de remplacement | ||||
| 83 | 6692625 | |||
| Raccord de silencieux en métal (ancien 724-01700-2 | ||||
| 84 | 6692676 | 2.31 | 2.78 | |
| Corps de silencieux A Comp. (ancien 716-01700-80) | ||||
| 86 | 6692606 | 3.30 | 3.96 | |
| Boulon à trou hexagonal M5x35 (ancien 990-51050-35 | ||||
| 87 | 6684934 | 2.15 | 2.58 | |
| Bague | ||||
| 88 | 6684661 | 2.15 | 2.58 | |
| Tuyau d'Huile B (ancien 505-32710-20) | ||||
| 101 | 6691121 | 4.45 | 5.34 | |
| Clip 7 (ancien 680-04019-21) | ||||
| 102 | 6692312 | 1.15 | 1.38 | |
| Bague | ||||
| 103 | 6684661 | 2.15 | 2.58 | |
| Filtre à huile (ancien 487-32712-20/6696804) | ||||
| 104 | 6690919 | 1.15 | 1.38 | |
| Corps de filtre à huile (ancien 486-32710-90) | ||||
| 105 | 6685249 | 2.31 | 2.78 | |
| Tige d'accélérateur (ancienne 490-32910-20) | ||||
| 106 | 6690974 | 4.45 | 5.34 | |
| Guide de l'Accélérateur (ancien 491-32710-20) | ||||
| 107 | 6690982 | 1.15 | 1.38 | |
| Pompe d'amorçage Comp. (ancien 442-25143-80) | ||||
| 108 | 6685139 | 5.94 | 7.12 | |
| Tuyau de carburant 2,5x4x42 (ancien 700-02504-042 | ||||
| 109 | 6685138 | 1.15 | 1.38 | |
| Tuyau en caoutchouc (ancien 678-01740-20/6692291) | ||||
| 110 | 6692292 | 4.45 | 5.34 | |
| Corps de filtre de pompe (ancien 675-11600-90/6692 | ||||
| 111 | 6685199 | 4.45 | 5.34 | |
| Tuyau de carburant 2.5x4x150 (ancien 700-02504-15) | ||||
| 112 | 6692351 | 1.15 | 1.38 | |
| Grommet de retour (ancien 6684627) | ||||
| 113 | 6697846 | 1.04 | 1.24 | |
| Pas d'informations disponibles, non commandable | ||||
| 114 | 6697780 | |||
| Capuchon d'ajustement (ancien 190-32710-20) | ||||
| 115 | 6687956 | 1.15 | 1.38 | |
| Bague (ancien 707-32710-20) | ||||
| 116 | 6692590 | 1.15 | 1.38 | |
| Bouton de starter comp. (ancien 704-32710-80) | ||||
| 117 | 6692513 | 2.31 | 2.78 | |
| Soufflet (ancien 191-32710-20) | ||||
| 118 | 6687976 | 1.15 | 1.38 | |
| Joint Torique | ||||
| 119 | 6697898 | 1.04 | 1.24 | |
| Joint torique P-21 | ||||
| 119A | 6699285 | 1.04 | 1.24 | |
| Bouchon de réservoir d'huile Ass'y (ancien 642-327 | ||||
| 120 | 6692159 | 5.11 | 6.14 | |
| Bouchon de réservoir complet | ||||
| 121A | 6692121 | 9.58 | 11.49 | |
| Assemblage du démarreur à rappel (ancien 756-01740 | ||||
| 131 | 6692906 | 44.31 | 53.18 | |
| Vis à fileter D5x14 (ancien 990-72050-144) | ||||
| 132 | 6685275 | 1.15 | 1.38 | |
| Bague | ||||
| 133 | 6689681 | 1.15 | 1.38 | |
| Poulie de démarreur (ancienne 774-01740-20) | ||||
| 134 | 6693060 | 3.30 | 3.96 | |
| Corde de démarrage 3 X 890 (ancien 783-01740-20) | ||||
| 135 | 6693159 | 1.15 | 1.38 | |
| Boîtier de ressort de rappel (ancienne Art.nr. 778 | ||||
| 136 | 6693093 | 7.75 | 9.30 | |
| Poignée de démarrage | ||||
| 137 | 6693228 | 2.31 | 2.78 | |
| Enveloppe De Ventilateur | ||||
| 138 | 6686947 | 8.58 | 10.29 | |
| Vis à tôle D4.5x20 (ancien 990-72045-204) | ||||
| 139 | 6685191 | 1.15 | 1.38 | |
| Bague | ||||
| 140 | 6684632 | 2.15 | 2.58 | |
| Écran d'entrée (ancien 578-25007-20) | ||||
| 151 | 6684700 | 4.29 | 5.14 | |
| Corps de la pompe (ancien 575-25028-20/6696844) | ||||
| 152 | 6685211 | 8.41 | 10.10 | |
| Vis (ancien 514-25001-20) | ||||
| 153 | 6685210 | 1.15 | 1.38 | |
| Joint de pompe (ancien 577-25007-20) | ||||
| 154 | 6685212 | 2.31 | 2.78 | |
| Diaphragme de pompe (ancien 576-25006-20) | ||||
| 155 | 6685213 | 4.45 | 5.34 | |
| Vis de réglage basse (ancien 461-25027-20) | ||||
| 156 | 6690714 | 5.28 | 6.33 | |
| Ressort de réglage haute/basse (ancien 623-25032-2 | ||||
| 157 | 6692048 | 2.31 | 2.78 | |
| Levier de contrôle (ancien 473-25001-20) | ||||
| 158 | 6685217 | 3.30 | 3.96 | |
| Vis de fixation de goupille de charnière (ancien 5 | ||||
| 159 | 6685218 | 2.31 | 2.78 | |
| Ressort de soupape (ancien 477-25088-20) | ||||
| 160 | 6690873 | 4.45 | 5.34 | |
| Broche de charnière (ancien 605-25001-20) | ||||
| 161 | 6685219 | 1.15 | 1.38 | |
| Couvercle de diaphragme (ancien 476-25004-20) | ||||
| 162 | 6685222 | 4.45 | 5.34 | |
| Plus disponible, pas de remplacement | ||||
| 163 | 6690827 | |||
| Plus disponible, pas de remplacement | ||||
| 164 | 6685220 | |||
| Valve à aiguille (ancien 603-25012-20) | ||||
| 165 | 6685215 | 5.28 | 6.33 | |
| Ressort de réglage au ralenti (ancien 463-25006-20 | ||||
| 166 | 6685297 | 2.31 | 2.78 | |
| Vis de réglage au ralenti (ancien 462-25016-20) | ||||
| 167 | 6685298 | 2.31 | 2.78 | |
| Vis de réglage haute (ancien 460-25027-20) | ||||
| 168 | 6690691 | 4.79 | 5.74 | |
| Ressort de réglage en hauteur (ancien 485-25040-20 | ||||
| 169 | 6690897 | 3.30 | 3.96 | |
| Vis de réglage (ancien 548-25012-20) | ||||
| 170 | 6685223 | 1.15 | 1.38 | |
| Vis 5x14/w.s (ancien 994-16050-141) | ||||
| 191 | 6695416 | 1.15 | 1.38 | |
| Couvercle de pompe à huile (ancien 097-32900-20) | ||||
| 192 | 6686763 | 2.31 | 2.78 | |
| Tuyau d'huile A (ancien 515-32710-20) | ||||
| 193 | 6691223 | 3.30 | 3.96 | |
| Vis d'Engrenage (ancien 084-32900-20) | ||||
| 194 | 6686645 | 10.40 | 12.48 | |
| Éponge de ventilation (ancien 567-01700-20) | ||||
| 195 | 6691400 | 1.15 | 1.38 | |
| Ensemble pompe à huile (ancien 144-32902-90 / 6686 | ||||
| 196 | 6687324 | 10.56 | 12.68 | |
| Joint d'ajustement d'huile (ancien 488-32710-21/66 | ||||
| 197 | 6690956 | 1.15 | 1.38 | |
| Régulateur de pompe à huile (ancien 501-32710-21) | ||||
| 198 | 6691070 | 1.15 | 1.38 | |
| Joint torique P-6 (ancien 6695663) | ||||
| 199 | 6697917 | 1.04 | 1.24 | |
| Set de boîtier de pompe à huile, de rechange (anci | ||||
| 200 | 6686681 | 9.74 | 11.68 | |
| Joint torique P-6 (ancien 6695663) | ||||
| 201 | 6697917 | 1.04 | 1.24 | |
| Vis à fileter D5x14 (ancien 990-72050-144) | ||||
| 202 | 6685275 | 1.15 | 1.38 | |
| Tuyau de carburant (ancien 700-07105-02) | ||||
| 203 | 6685154 | 1.15 | 1.38 | |
| Attrape-chaîne (ancien 125-32710-20) | ||||
| 204 | 6685155 | 1.15 | 1.38 | |
| Vis autotaraudeuse D4.5x14 (ancien 990-75045-144) | ||||
| 205 | 6685152 | 1.15 | 1.38 | |
| Ecrou (ancien 121-32530-20) | ||||
| 221 | 6685166 | 2.31 | 2.78 | |
| Ecrou de serrage pour guide de chaine (ancien 121- | ||||
| 221A | 6687105 | 1.15 | 1.38 | |
| Embrayage Comp. (ancien 6688559/6685362) | ||||
| 222 | 6685142 | 14.38 | 17.25 | |
| Roulement à aiguilles (ancien 999-62101-301) | ||||
| 223 | 6685143 | 4.45 | 5.34 | |
| Carter d'embrayage comp.3/8 (ancien 310-32900-20) | ||||
| 224 | 6689013 | 14.19 | 17.02 | |
| Bague | ||||
| 225 | 6685145 | 2.31 | 2.78 | |
| Vis à Tôle D4x10 (ancien 993-41040-101) | ||||
| 226 | 6685161 | 1.15 | 1.38 | |
| Plaque (ancien 466-32710-21 & 6690789) | ||||
| 227 | 6690790 | 2.31 | 2.78 | |
| Plaque de guidage A (ancien 6690733) | ||||
| 227A | 6697599 | 2.80 | 3.36 | |
| Bague de l'arbre moteur (ancien 511-32900-20) | ||||
| 228 | 6685146 | 2.31 | 2.78 | |
| Vis à Tôle D4x10 (ancien 993-41040-101) | ||||
| 229 | 6685161 | 1.15 | 1.38 | |
| Vis 2.6x5 (ancien 993-30026-050) | ||||
| 232 | 6695269 | 1.15 | 1.38 | |
| Extracteur de Chaine | ||||
| 234B | 6698986 | 13.35 | 16.02 | |
| Engrenage (a) (ancien 301-72000-20) | ||||
| 235 | 6685168 | 2.31 | 2.78 | |
| Plaque de guidage B (ancien 462-32911-21/6690755) | ||||
| 237 | 6690756 | 2.31 | 2.78 | |
| Boîtier latéral comp. (ancien 6686104) | ||||
| 244 | 6698015 | 9.24 | 11.08 | |
| Ensemble boulon de réglage de tension (ancien 116- | ||||
| 247 | 6687072 | 3.30 | 3.96 | |
| Écrou de blocage en nylon 4 (ancien 991-78040-010) | ||||
| 261 | 6695163 | 1.15 | 1.38 | |
| Vis autotaraudeuse 5x40 (ancien 990-73050-404) | ||||
| 262 | 6695108 | 1.15 | 1.38 | |
| Collier d'amortisseur A (ancien 275-32710-20) Nouv | ||||
| 263 | 6688480 | 1.15 | 1.38 | |
| Amortisseur A (ancien 219-32750-20) | ||||
| 264 | 6688117 | 1.15 | 1.38 | |
| Composant de Poignée Arrière B (ancien 011-32900-8 | ||||
| 266 | 6685645 | 5.61 | 6.74 | |
| Capuchon de broche à pousser (ancien 725-32161-20) | ||||
| 267 | 6692680 | 1.15 | 1.38 | |
| Ressort de butée (ancien 066-32300-20) | ||||
| 268 | 6686447 | 1.15 | 1.38 | |
| Goupille (ancienne 064-32530-20) | ||||
| 269 | 6686430 | 1.15 | 1.38 | |
| Levier de sécurité (ancien 257-32910-20) | ||||
| 270 | 6688363 | 1.15 | 1.38 | |
| Levier de papillon (ancien 060-32910-20) | ||||
| 271 | 6686392 | 1.15 | 1.38 | |
| Ressort de levier de gaz (ancien 061-32710-20) | ||||
| 272 | 6686416 | 2.31 | 2.78 | |
| Poignée arrière (ancien 010-32900-20) | ||||
| 273 | 6685620 | 7.59 | 9.10 | |
| Vis autotaraudeuse 5x35 (ancien 990-73050-354) | ||||
| 274 | 6695107 | 1.15 | 1.38 | |
| Vis autotaraudeuse D4x15 (ancien 993-41040-151) | ||||
| 275 | 6685148 | 1.15 | 1.38 | |
| Poignée avant (ancien 209-32946-20/6688076) | ||||
| 276 | 6688083 | 6.28 | 7.53 | |
| Amortisseur B (vieux 266-32750-20/6688412) | ||||
| 277 | 6688412 | 1.15 | 1.38 | |
| Collier amortisseur B (ancien 276-32710-20) | ||||
| 278 | 6688485 | 1.15 | 1.38 | |
| Vis autotaraudeuse 5x35 (ancien 990-73050-354) | ||||
| 279 | 6695107 | 1.15 | 1.38 | |
| Plus disponible, pas de remplacement | ||||
| 280 | 6694879 | |||
| Bague | ||||
| 281 | 6695211 | 1.15 | 1.38 | |
| Bague | ||||
| 282 | 6685070 | 1.15 | 1.38 | |
| Garde-main avant comp. (ancien 805-32710-80) | ||||
| 283 | 6693461 | 6.28 | 7.53 | |
| Clé Mixte 10/19mm (ancienne 013-29323-50/668566) | ||||
| 501 | 6685257 | 3.30 | 3.96 | |
| Clé à tuyau combinée 13x19 Minus (ancien 883-32600 | ||||
| 501A | 6693809 | 4.45 | 5.34 | |
| Couvercle de Chaîne 14" (ancien 946-32753-20) | ||||
| 502 | 6685256 | 6.44 | 7.72 | |
| Pas d'informations disponibles, non commandable | ||||
| 503A | 6685401 | |||
| Pas d'informations disponibles, non commandable | ||||
| 510 | 6685159 | |||
| Pas d'informations disponibles, non commandable | ||||
| 511 | 6685160 | |||
| Pas d'informations disponibles, non commandable | ||||
| 512 | 6686854 | |||
| Pas d'informations disponibles, non commandable | ||||
| 513 | 6697852 | |||
| Pas d'informations disponibles, non commandable | ||||
| 514 | 6697854 | |||
| Pas d'informations disponibles, non commandable | ||||
| 515 | 6697889 | |||
| Pas d'informations disponibles, non commandable | ||||
| 601 | 6699529 | |||