Vous trouverez ici toutes les pièces et dessins disponibles du 'Hikoki DS9DVF3'. De là, vous pouvez commander directement toutes les pièces souhaitées. De nombreuses pièces doivent être commandées auprès du fabricant, selon la marque, cela prend une à quatre semaines. Toutes les informations dont nous disposons se trouvent sur notre site Web, nous ne pouvons pas vous conseiller sur ce dont vous avez besoin, pour cela vous devrez retourner la machine pour réparation. Veuillez noter ce qui suit lors de la commande:
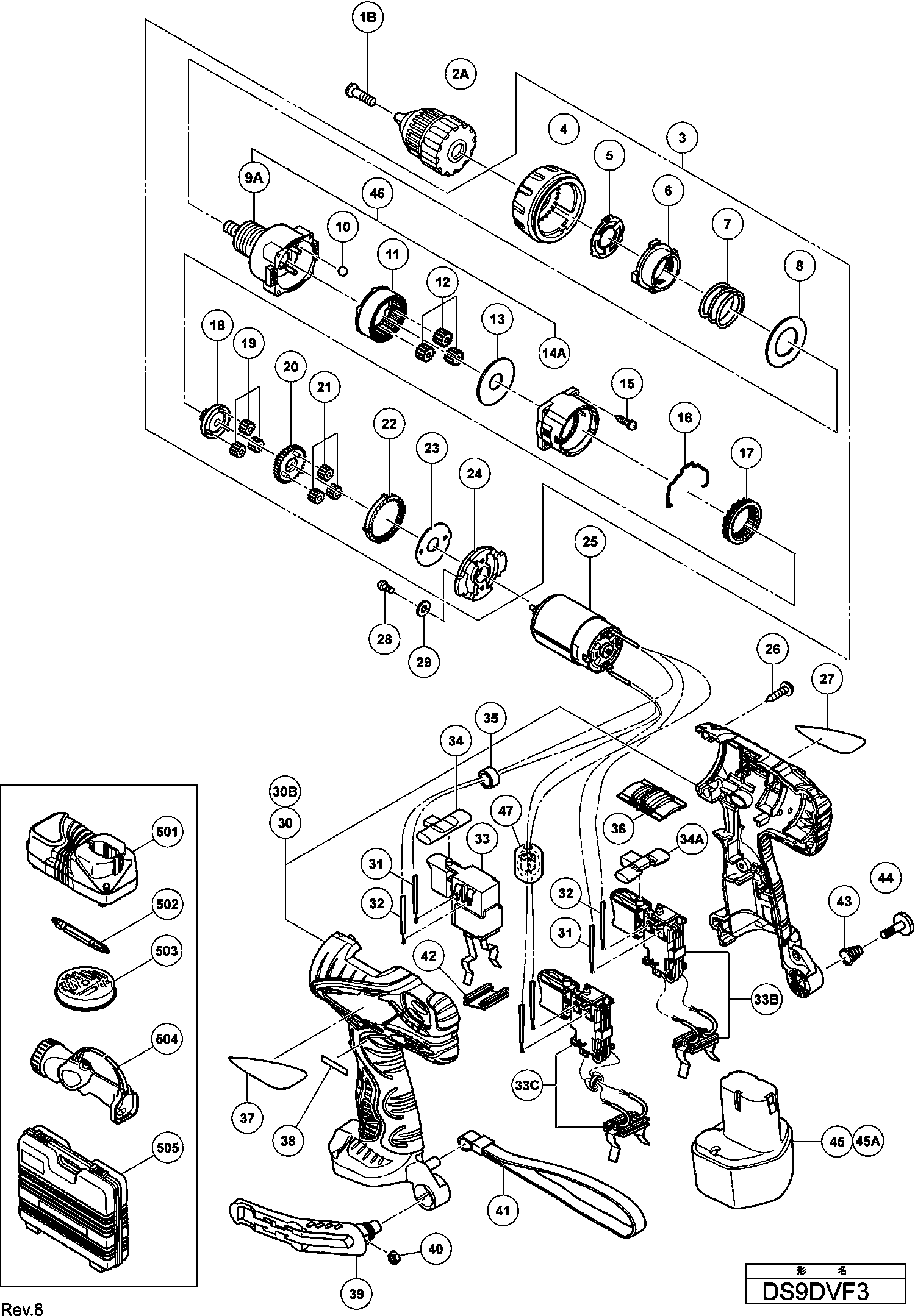
Dessins des Hikoki DS9DVF3
Liste de pièces de rechange des Hikoki DS9DVF3
| Pos. | Description | Prix hors TVA | Prix TTC | |
| Les prix affichés incluent la TVA | ||||
| Bouton Inverseur Ds 18dvf3 Till 12.2007 | ||||
| *34 | 324117 | 1.05 | 1.26 | |
| Bouton Inverseur depuis 01/2008 Since 01.2008 | ||||
| *34A | 329181 | 1.05 | 1.26 | |
| Pas d'informations disponibles, non commandable | ||||
| *45A | 333434 | |||
| Pas d'informations disponibles, non commandable | ||||
| *502 | 983006 | |||
| Hexalobulaire à gauche M5 | ||||
| 1B | 337426 | 1.04 | 1.24 | |
| Pas d'informations disponibles, non commandable | ||||
| 2A | 323250 | |||
| Boite De Vitesse Complete (4à24) Include.4-24 | ||||
| 3 | 324719 | 44.41 | 53.30 | |
| Bague De Reglage | ||||
| 4 | 324114 | 6.45 | 7.74 | |
| Tôle à ressort | ||||
| 5 | 324108 | 4.80 | 5.76 | |
| Ecrou | ||||
| 6 | 324109 | 3.30 | 3.96 | |
| Ressort | ||||
| 7 | 324110 | 3.30 | 3.96 | |
| Rondelle | ||||
| 8 | 324347 | 3.30 | 3.96 | |
| Carter De Boite | ||||
| 9A | 324720 | 23.38 | 28.05 | |
| Bille Ø5 | ||||
| 10 | 306936 | 1.05 | 1.26 | |
| Roue Dentee | ||||
| 11 | 324111 | 4.80 | 5.76 | |
| Pignons Planetaires | ||||
| 12 | 324348 | 3.30 | 3.96 | |
| Rondelle | ||||
| 13 | 324349 | 3.30 | 3.96 | |
| Logement d'engrenage | ||||
| 14A | 324501 | 4.80 | 5.76 | |
| Vis à tête Phillips D3X12 (4 pièces) | ||||
| 15 | 324357 | 1.65 | 1.98 | |
| Selecteur De Vitesse | ||||
| 16 | 324115 | 3.30 | 3.96 | |
| Engrenage | ||||
| 17 | 324351 | 4.80 | 5.76 | |
| Pignon | ||||
| 18 | 324112 | 4.80 | 5.76 | |
| Pignons Planetaires | ||||
| 19 | 324352 | 3.30 | 3.96 | |
| Pignon | ||||
| 20 | 324113 | 4.80 | 5.76 | |
| Pignons Planetaires | ||||
| 21 | 324354 | 3.30 | 3.96 | |
| Roue Dentee | ||||
| 22 | 324353 | 3.30 | 3.96 | |
| Rondelle | ||||
| 23 | 324355 | 3.30 | 3.96 | |
| Palier | ||||
| 24 | 324356 | 3.30 | 3.96 | |
| Moteur | ||||
| 25 | 318244 | 19.39 | 23.26 | |
| Vis autotaraudeuse (avec bride) D3x16 (noir) | ||||
| 26 | 313687 | 1.04 | 1.24 | |
| Vis M.3*8 (paquet de 10) Since 9.2012 For Europe | ||||
| 28 | 949203 | 1.05 | 1.26 | |
| Rondelle de ressort M3 (10 pièces) | ||||
| 29 | 949451 | 1.05 | 1.26 | |
| Carcasse Complete depuis 01/2008 Since 1.2008 Exc | ||||
| 30 | 329179 | 22.83 | 27.39 | |
| Carcasse Complete depuis 01/2008 Since 1.2008 Exc | ||||
| 30B | 329179 | 22.83 | 27.39 | |
| Fil Noir Except For Europe(till 2.2012 For Europe | ||||
| 31 | 324121 | 1.05 | 1.26 | |
| Fil Rouge Except For Europe(till 2.2012 For Europ | ||||
| 32 | 324120 | 1.05 | 1.26 | |
| Interrupteur Ds 9dvf3 Till 5.2010 For Usa,can | ||||
| 33 | 324119 | 32.04 | 38.44 | |
| Interrupteur de contrôle pour DS9DVF3/12DVF3 | ||||
| 33B | 332806 | 24.75 | 29.70 | |
| Ensemble de bornes SW depuis 3.2012 pour l'Europe | ||||
| 33C | 334886 | 32.31 | 38.78 | |
| Bouton Inverseur Ds 18dvf3 Till 12.2007 | ||||
| 34 | 324117 | 1.05 | 1.26 | |
| Bouton Inverseur depuis 01/2008 Since 01.2008 | ||||
| 34A | 329181 | 1.05 | 1.26 | |
| Entretoise Ds 14dmr | ||||
| 35 | 323229 | 1.35 | 1.62 | |
| Levier De Vitesse | ||||
| 36 | 324116 | 1.05 | 1.26 | |
| Crochet | ||||
| 39 | 320287 | 4.80 | 5.76 | |
| Ecrou M5 | ||||
| 40 | 320288 | 1.65 | 1.98 | |
| Sangle (noir) | ||||
| 41 | 306952 | 4.05 | 4.86 | |
| Support | ||||
| 42 | 315141 | 1.20 | 1.44 | |
| Ressort de crochet | ||||
| 43 | 319926 | 1.65 | 1.98 | |
| Vis M5 | ||||
| 44 | 319927 | 1.65 | 1.98 | |
| Pas d'informations disponibles, non commandable | ||||
| 45 | 324079 | |||
| Pas d'informations disponibles, non commandable | ||||
| 45A | 333434 | |||
| Carter De Boite Aut,fra,frg,hol,ita,usa,kor,chn,t | ||||
| 46 | 325245 | 27.78 | 33.33 | |
| ENSEMBLE DE FILS EN FERRITE INTERNES | ||||
| 47 | 334863 | 4.20 | 5.04 | |
| Pas d'informations disponibles, non commandable | ||||
| 502 | 983006 | |||
| Pas d'informations disponibles, non commandable | ||||
| 505 | 324083 | |||