Vous trouverez ici toutes les pièces et dessins disponibles du 'Hikoki DS18DSFL'. De là, vous pouvez commander directement toutes les pièces souhaitées. De nombreuses pièces doivent être commandées auprès du fabricant, selon la marque, cela prend une à quatre semaines. Toutes les informations dont nous disposons se trouvent sur notre site Web, nous ne pouvons pas vous conseiller sur ce dont vous avez besoin, pour cela vous devrez retourner la machine pour réparation. Veuillez noter ce qui suit lors de la commande:
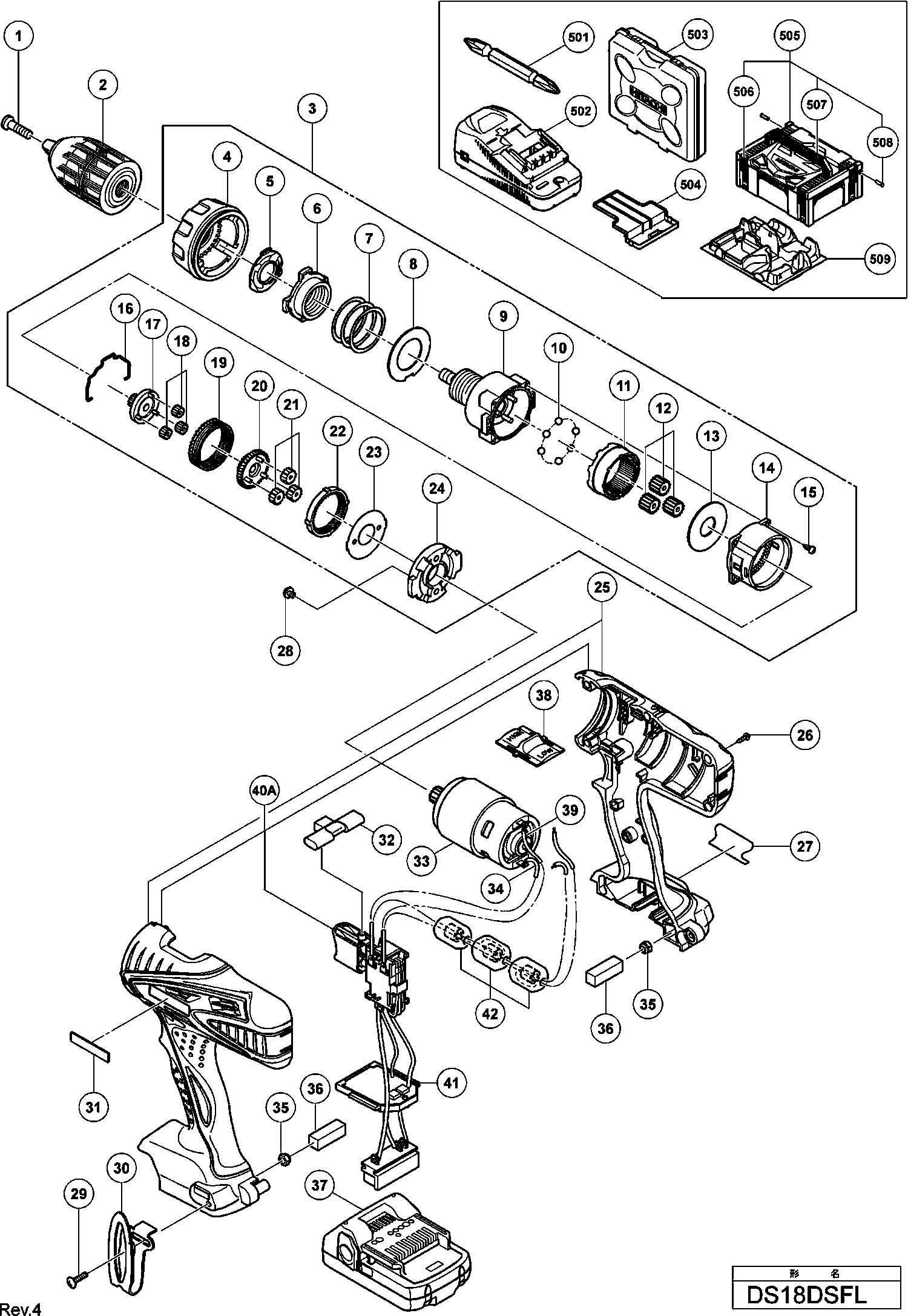
Dessins des Hikoki DS18DSFL
Liste de pièces de rechange des Hikoki DS18DSFL
| Pos. | Description | Prix hors TVA | Prix TTC | |
| Les prix affichés incluent la TVA | ||||
| Vis spéciale (à gauche) M6x23 | ||||
| 1 | 311959 | 1.50 | 1.80 | |
| Pas d'informations disponibles, non commandable | ||||
| 2 | 332049 | |||
| Accouplement à Glissement Complet | ||||
| 3 | 333315 | 74.11 | 88.94 | |
| Cadran d'embrayage | ||||
| 4 | 332025 | 5.03 | 6.03 | |
| Ressort | ||||
| 5 | 332741 | 8.33 | 9.99 | |
| Ecrou | ||||
| 6 | 324109 | 3.30 | 3.96 | |
| Ressort | ||||
| 7 | 324110 | 3.30 | 3.96 | |
| Rondelle | ||||
| 8 | 324347 | 3.30 | 3.96 | |
| Boîtier avant | ||||
| 9 | 333314 | 16.78 | 20.13 | |
| Bille Ø5 | ||||
| 10 | 306936 | 1.05 | 1.26 | |
| Pignon Annulaire | ||||
| 11 | 332027 | 5.03 | 6.03 | |
| Pignons Planetaire Ds13dv2/fds9 | ||||
| 12 | 332028 | 3.38 | 4.05 | |
| Rondelle | ||||
| 13 | 324349 | 3.30 | 3.96 | |
| Logement d'engrenage | ||||
| 14 | 324501 | 4.80 | 5.76 | |
| Vis à tête Phillips D3X12 (4 pièces) | ||||
| 15 | 324357 | 1.65 | 1.98 | |
| Selecteur De Vitesse | ||||
| 16 | 324115 | 3.30 | 3.96 | |
| Pignon (c) | ||||
| 17 | 332029 | 3.38 | 4.05 | |
| Kit de Engrenages Planétaires (b) (3 Pcs) | ||||
| 18 | 332031 | 1.73 | 2.07 | |
| Pignon Glissant | ||||
| 19 | 332030 | 6.68 | 8.01 | |
| Pignon (b) | ||||
| 20 | 332032 | 3.38 | 4.05 | |
| Kit de Engrenages Planétaires (a) (3 Pcs) | ||||
| 21 | 332034 | 3.38 | 4.05 | |
| Premier Pignon Annulaire | ||||
| 22 | 332033 | 3.38 | 4.05 | |
| Rondelle | ||||
| 23 | 324355 | 3.30 | 3.96 | |
| Palier Ds 12dm | ||||
| 24 | 332035 | 1.73 | 2.07 | |
| Pas d'informations disponibles, non commandable | ||||
| 25 | 332821 | |||
| Vis autotaraudeuse (avec bride) D3x16 (noir) | ||||
| 26 | 313687 | 1.04 | 1.24 | |
| Vis à métaux M4x6 (avec rondelle sp.) | ||||
| 28 | 317333 | 1.50 | 1.80 | |
| Vis Noir | ||||
| 29 | 327001 | 1.80 | 2.16 | |
| Crochet | ||||
| 30 | 332824 | 4.58 | 5.49 | |
| Plaque de Nom | ||||
| 31 | 330719 | 2.10 | 2.52 | |
| Bouton-poussoir | ||||
| 32 | 332836 | 1.13 | 1.35 | |
| Pas d'informations disponibles, non commandable | ||||
| 33 | 332558 | |||
| Fil Interne (noir) | ||||
| 34 | 332843 | 1.05 | 1.26 | |
| Écrou de blocage M4 (noir) | ||||
| 35 | 327002 | 1.80 | 2.16 | |
| Joint | ||||
| 36 | 327004 | 1.80 | 2.16 | |
| Pas d'informations disponibles, non commandable | ||||
| 37 | 333353 | |||
| Levier De Vitesses | ||||
| 38 | 332036 | 1.05 | 1.26 | |
| Câblage interne rouge 140L | ||||
| 39 | 324499 | 1.05 | 1.26 | |
| Set de commutateur de logement (ancien 333313) | ||||
| 40A | 336805 | 26.26 | 31.52 | |
| Ensemble de terminaux du contrôleur | ||||
| 41 | 332823 | 30.45 | 36.54 | |
| ENSEMBLE DE FILS EN FERRITE INTERNES | ||||
| 42 | 334858 | 7.35 | 8.82 | |
| Pas d'informations disponibles, non commandable | ||||
| 501 | 983006 | |||
| Pas d'informations disponibles, non commandable | ||||
| 503 | 332022 | |||
| Capuchon de protection pour batterie | ||||
| 504 | 329897 | 1.80 | 2.16 | |
| Pas d'informations disponibles, non commandable | ||||
| 505 | 336471 | |||
| Pas d'informations disponibles, non commandable | ||||
| 506 | 336472 | |||
| Pas d'informations disponibles, non commandable | ||||
| 507 | 336473 | |||
| Pas d'informations disponibles, non commandable | ||||
| 508 | 336474 | |||
| Pas d'informations disponibles, non commandable | ||||
| 509 | 336475 | |||
| Pas d'informations disponibles, non commandable | ||||
| 601 | 955657 | |||
| Pas d'informations disponibles, non commandable | ||||
| 602 | 955659 | |||
| Pas d'informations disponibles, non commandable | ||||
| 603 | 955674 | |||
| Pas d'informations disponibles, non commandable | ||||
| 604 | 983004 | |||
| Pas d'informations disponibles, non commandable | ||||
| 605 | 983011 | |||