Vous trouverez ici toutes les pièces et dessins disponibles du 'Hikoki DS18DGL'. De là, vous pouvez commander directement toutes les pièces souhaitées. De nombreuses pièces doivent être commandées auprès du fabricant, selon la marque, cela prend une à quatre semaines. Toutes les informations dont nous disposons se trouvent sur notre site Web, nous ne pouvons pas vous conseiller sur ce dont vous avez besoin, pour cela vous devrez retourner la machine pour réparation. Veuillez noter ce qui suit lors de la commande:
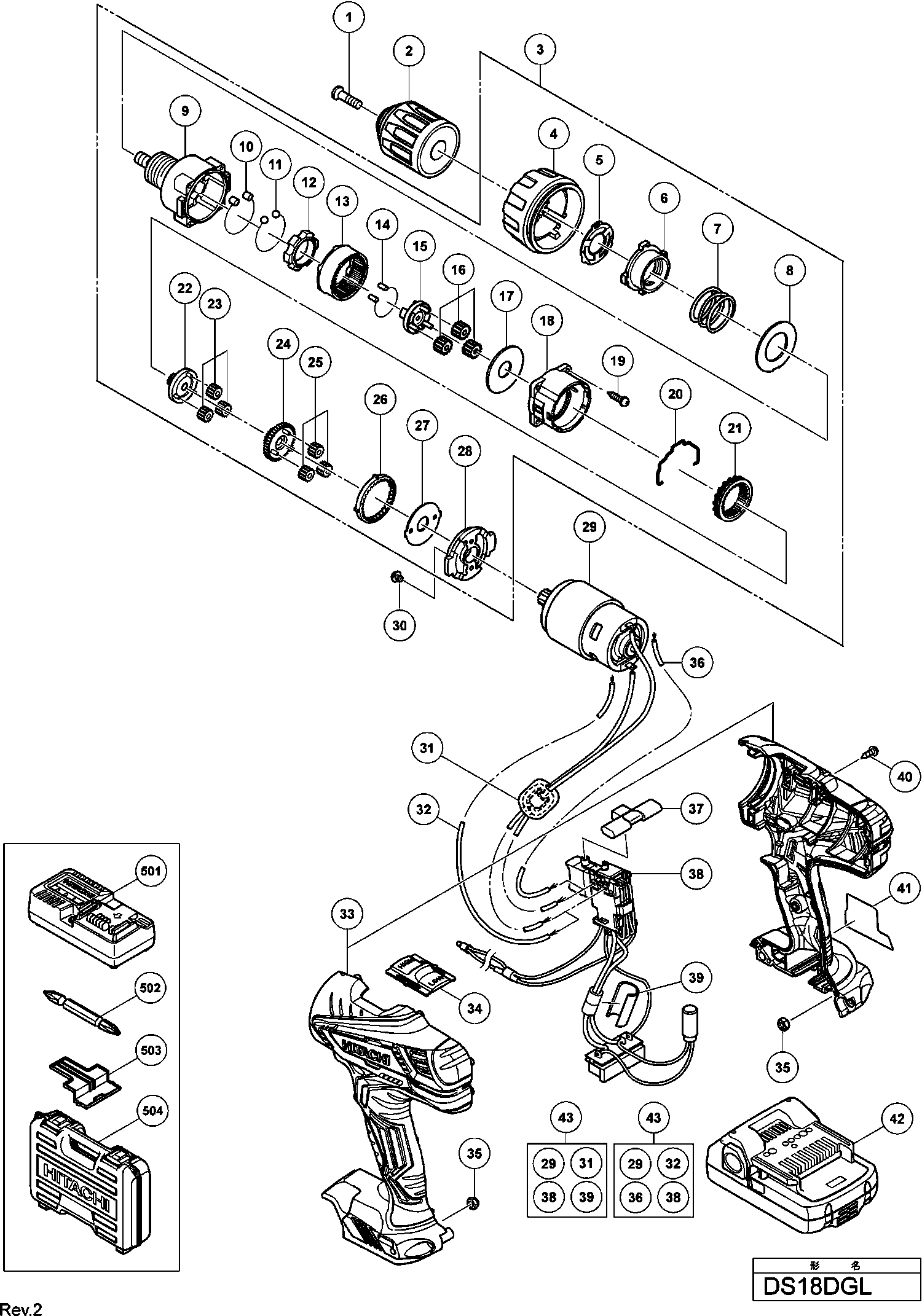
Dessins des Hikoki DS18DGL
Liste de pièces de rechange des Hikoki DS18DGL
| Pos. | Description | Prix hors TVA | Prix TTC | |
| Les prix affichés incluent la TVA | ||||
| Anneau, Retenue | ||||
| *12 | 330805 | 14.03 | 16.83 | |
| Pignon Annulaire | ||||
| *13 | 332027 | 5.03 | 6.03 | |
| Entraîneur | ||||
| *15 | 330807 | 9.75 | 11.70 | |
| Pignons Planetaire Ds13dv2/fds9 | ||||
| *16 | 332028 | 3.38 | 4.05 | |
| Rondelle | ||||
| *17 | 324349 | 3.30 | 3.96 | |
| Logement d'engrenage | ||||
| *18 | 324501 | 4.80 | 5.76 | |
| Pas d'informations disponibles, non commandable | ||||
| *2 | 336859 | |||
| Selecteur De Vitesse | ||||
| *20 | 324115 | 3.30 | 3.96 | |
| Pignon Glissant | ||||
| *21 | 332030 | 6.68 | 8.01 | |
| Pignon (c) | ||||
| *22 | 332029 | 3.38 | 4.05 | |
| Kit de Engrenages Planétaires (b) (3 Pcs) | ||||
| *23 | 332031 | 1.73 | 2.07 | |
| Pignon (b) | ||||
| *24 | 332032 | 3.38 | 4.05 | |
| Kit de Engrenages Planétaires (a) (3 Pcs) | ||||
| *25 | 332034 | 3.38 | 4.05 | |
| Premier Pignon Annulaire | ||||
| *26 | 332033 | 3.38 | 4.05 | |
| Rondelle | ||||
| *27 | 324355 | 3.30 | 3.96 | |
| Palier Ds 12dm | ||||
| *28 | 332035 | 1.73 | 2.07 | |
| Pas d'informations disponibles, non commandable | ||||
| *3 | 336853 | |||
| Boîtier (a)+(b) ensemble | ||||
| *33B | 336851 | 10.20 | 12.24 | |
| Pas d'informations disponibles, non commandable | ||||
| *4 | 336854 | |||
| Pas d'informations disponibles, non commandable | ||||
| *42 | 333353M | |||
| Ressort | ||||
| *5 | 332741 | 8.33 | 9.99 | |
| Ecrou | ||||
| *6 | 324109 | 3.30 | 3.96 | |
| Ressort | ||||
| *7 | 324110 | 3.30 | 3.96 | |
| Rondelle | ||||
| *8 | 324347 | 3.30 | 3.96 | |
| Boîtier Avant | ||||
| *9 | 330802 | 42.76 | 51.32 | |
| Vis spéciale (à gauche) M6x23 | ||||
| 1 | 311959 | 1.50 | 1.80 | |
| Pas d'informations disponibles, non commandable | ||||
| 2 | 336859 | |||
| Pas d'informations disponibles, non commandable | ||||
| 3 | 336853 | |||
| Pas d'informations disponibles, non commandable | ||||
| 4 | 336854 | |||
| Ressort | ||||
| 5 | 332741 | 8.33 | 9.99 | |
| Ecrou | ||||
| 6 | 324109 | 3.30 | 3.96 | |
| Ressort | ||||
| 7 | 324110 | 3.30 | 3.96 | |
| Rondelle | ||||
| 8 | 324347 | 3.30 | 3.96 | |
| Boîtier Avant | ||||
| 9 | 330802 | 42.76 | 51.32 | |
| Set de rouleaux | ||||
| 10 | 330803 | 6.75 | 8.10 | |
| Bille Ø5 | ||||
| 11 | 306936 | 1.05 | 1.26 | |
| Anneau, Retenue | ||||
| 12 | 330805 | 14.03 | 16.83 | |
| Pignon Annulaire | ||||
| 13 | 332027 | 5.03 | 6.03 | |
| Jeu de rouleaux à aiguilles (a) (6 pièces) | ||||
| 14 | 330806 | 6.75 | 8.10 | |
| Entraîneur | ||||
| 15 | 330807 | 9.75 | 11.70 | |
| Pignons Planetaire Ds13dv2/fds9 | ||||
| 16 | 332028 | 3.38 | 4.05 | |
| Rondelle | ||||
| 17 | 324349 | 3.30 | 3.96 | |
| Logement d'engrenage | ||||
| 18 | 324501 | 4.80 | 5.76 | |
| Vis à tête Phillips D3X12 (4 pièces) | ||||
| 19 | 324357 | 1.65 | 1.98 | |
| Selecteur De Vitesse | ||||
| 20 | 324115 | 3.30 | 3.96 | |
| Pignon Glissant | ||||
| 21 | 332030 | 6.68 | 8.01 | |
| Pignon (c) | ||||
| 22 | 332029 | 3.38 | 4.05 | |
| Kit de Engrenages Planétaires (b) (3 Pcs) | ||||
| 23 | 332031 | 1.73 | 2.07 | |
| Pignon (b) | ||||
| 24 | 332032 | 3.38 | 4.05 | |
| Kit de Engrenages Planétaires (a) (3 Pcs) | ||||
| 25 | 332034 | 3.38 | 4.05 | |
| Premier Pignon Annulaire | ||||
| 26 | 332033 | 3.38 | 4.05 | |
| Rondelle | ||||
| 27 | 324355 | 3.30 | 3.96 | |
| Palier Ds 12dm | ||||
| 28 | 332035 | 1.73 | 2.07 | |
| MOTEUR DC 18V (ANCIEN 324497) | ||||
| 29A | 371191 | 23.79 | 28.54 | |
| Vis à métaux M4x6 (avec rondelle sp.) | ||||
| 30 | 317333 | 1.50 | 1.80 | |
| Boîtier (a)+(b) ensemble | ||||
| 33 | 336851 | 10.20 | 12.24 | |
| Levier De Vitesses | ||||
| 34 | 336855 | 1.05 | 1.26 | |
| Écrou de blocage M4 (noir) | ||||
| 35 | 327002 | 1.80 | 2.16 | |
| Bouton-poussoir | ||||
| 37 | 336856 | 1.05 | 1.26 | |
| Jeu de bornes de l'interrupteur | ||||
| 38 | 336632 | 23.38 | 28.05 | |
| Support | ||||
| 39 | 337137 | 1.04 | 1.24 | |
| Vis autotaraudeuse (avec bride) D3x16 (noir) | ||||
| 40 | 313687 | 1.04 | 1.24 | |
| Pas d'informations disponibles, non commandable | ||||
| 42 | 333353 | |||
| Pas d'informations disponibles, non commandable | ||||
| 43A | 371192 | |||
| Pas d'informations disponibles, non commandable | ||||
| 43B | 371192 | |||
| Pas d'informations disponibles, non commandable | ||||
| 502 | 983006 | |||
| Capuchon de protection pour batterie | ||||
| 503 | 329897 | 1.80 | 2.16 | |
| Pas d'informations disponibles, non commandable | ||||
| 504 | 336642 | |||
| Pas d'informations disponibles, non commandable | ||||
| 601 | 955657 | |||
| Pas d'informations disponibles, non commandable | ||||
| 602 | 955659 | |||
| Pas d'informations disponibles, non commandable | ||||
| 603 | 955674 | |||
| Pas d'informations disponibles, non commandable | ||||
| 604 | 983004 | |||
| Pas d'informations disponibles, non commandable | ||||
| 605 | 983011 | |||
| Ensemble de Crochets | ||||
| 606 | 337131 | 3.75 | 4.50 | |
| Sangle (noir) | ||||
| 607 | 306952 | 4.05 | 4.86 | |