Vous trouverez ici toutes les pièces et dessins disponibles du 'Hikoki DS14DL'. De là, vous pouvez commander directement toutes les pièces souhaitées. De nombreuses pièces doivent être commandées auprès du fabricant, selon la marque, cela prend une à quatre semaines. Toutes les informations dont nous disposons se trouvent sur notre site Web, nous ne pouvons pas vous conseiller sur ce dont vous avez besoin, pour cela vous devrez retourner la machine pour réparation. Veuillez noter ce qui suit lors de la commande:
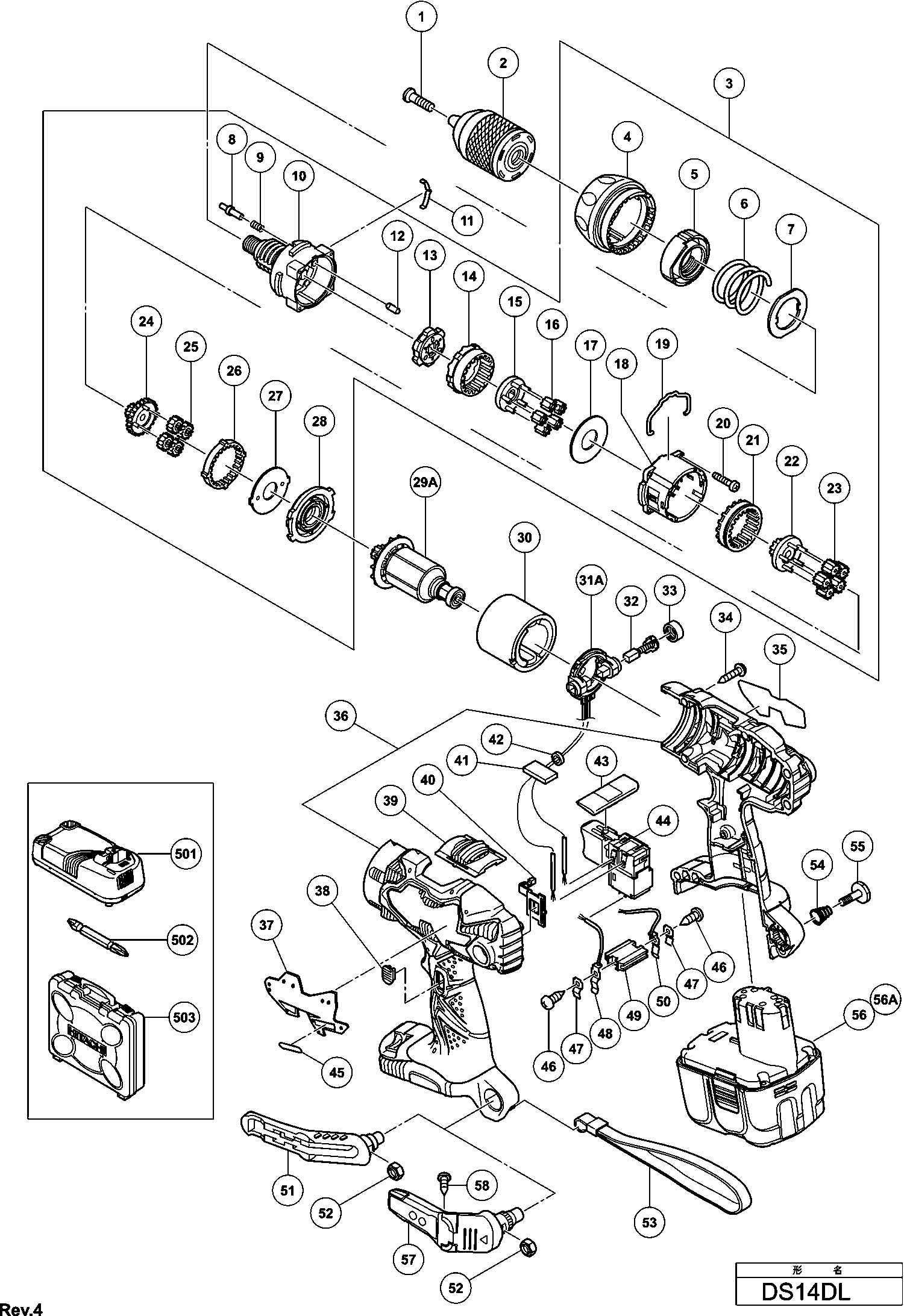
Dessins des Hikoki DS14DL
Liste de pièces de rechange des Hikoki DS14DL
| Pos. | Description | Prix hors TVA | Prix TTC | |
| Les prix affichés incluent la TVA | ||||
| Vis spéciale (à gauche) M6x23 | ||||
| 1 | 311959 | 1.50 | 1.80 | |
| Boorkop | ||||
| 2 | 752065 | 52.50 | 63.00 | |
| Accouplement à Glissement Complet | ||||
| 3 | 322969 | 42.08 | 50.49 | |
| Couvercle Avant H 45/h 60ma/mr | ||||
| 4 | 322991 | 15.81 | 18.98 | |
| Porte-ressort | ||||
| 5 | 322974 | 3.00 | 3.60 | |
| Ressort | ||||
| 6 | 323228 | 3.30 | 3.96 | |
| Anneau de retenue | ||||
| 7 | 322973 | 1.65 | 1.98 | |
| Pas d'informations disponibles, non commandable | ||||
| 8 | 322972 | |||
| Ressort | ||||
| 9 | 322971 | 1.65 | 1.98 | |
| Logement avant + axe | ||||
| 10 | 322970 | 40.84 | 49.00 | |
| Tôle à ressort | ||||
| 11 | 323231 | 1.65 | 1.98 | |
| Set de Goupilles (6 Pièces) | ||||
| 12 | 322975 | 19.94 | 23.92 | |
| Pas d'informations disponibles, non commandable | ||||
| 13 | 322976 | |||
| Bague d'Engrenage | ||||
| 14 | 322977 | 7.05 | 8.46 | |
| Entraîneur | ||||
| 15 | 322978 | 3.30 | 3.96 | |
| Kit d'Engrenages (C) (5 Pièces) | ||||
| 16 | 322979 | 4.35 | 5.22 | |
| Bague | ||||
| 17 | 322980 | 1.65 | 1.98 | |
| Carter | ||||
| 18 | 322981 | 4.80 | 5.76 | |
| Bras de Décalage | ||||
| 19 | 322990 | 1.65 | 1.98 | |
| Vis D3*12 (6 pièces) | ||||
| 20 | 315817 | 6.45 | 7.74 | |
| Pignon Glissant | ||||
| 21 | 322983 | 6.45 | 7.74 | |
| Pignon (c) | ||||
| 22 | 322982 | 6.45 | 7.74 | |
| Kit d'Engrenages (B) (5 Pièces) | ||||
| 23 | 322984 | 4.80 | 5.76 | |
| Pignon (b) | ||||
| 24 | 322985 | 4.80 | 5.76 | |
| Ensemble d'Engrenages (A) (4 Pièces) | ||||
| 25 | 322987 | 3.30 | 3.96 | |
| Premier Pignon Annulaire | ||||
| 26 | 322986 | 4.80 | 5.76 | |
| Rondelle | ||||
| 27 | 322988 | 1.50 | 1.80 | |
| Palier Ds 12dm | ||||
| 28 | 322989 | 3.30 | 3.96 | |
| Jeux d'Induit et Pignon 14.4v | ||||
| 29A | 360976 | 23.51 | 28.22 | |
| Aimant | ||||
| 30 | 322996 | 10.80 | 12.96 | |
| Pas d'informations disponibles, non commandable | ||||
| 31 | 322993 | |||
| Bloc de brosse sauf pour l'Europe, kor | ||||
| 31A | 338733 | 11.70 | 14.04 | |
| Charbon Wh8dh/wh9dm/wr12dh | ||||
| 32 | 999054 | 6.45 | 7.74 | |
| Bouchon Charbons Wh9/12dm | ||||
| 33 | 319918 | 3.30 | 3.96 | |
| Vis autotaraudeuse (avec bride) D3x16 (noir) | ||||
| 34 | 313687 | 1.04 | 1.24 | |
| Boîtier (a)+(b) ensemble | ||||
| 36 | 326280 | 20.90 | 25.08 | |
| Plaque | ||||
| 37 | 326279 | 19.11 | 22.94 | |
| Curseur | ||||
| 38 | 326276 | 1.05 | 1.26 | |
| Levier De Vitesses | ||||
| 39 | 324137 | 2.10 | 2.52 | |
| Curseur | ||||
| 40 | 326277 | 1.05 | 1.26 | |
| Support | ||||
| 41 | 326493 | 1.05 | 1.26 | |
| Entretoise Ds 14dmr | ||||
| 42 | 323229 | 1.35 | 1.62 | |
| Pas d'informations disponibles, non commandable | ||||
| 43 | 322997 | |||
| Interrupteur de contrôle de vitesse DC | ||||
| 44 | 333640 | 16.65 | 19.98 | |
| Vis | ||||
| 46 | 958715 | 1.04 | 1.24 | |
| Ressort | ||||
| 47 | 996118 | 2.55 | 3.06 | |
| Terminal Ds 14dmr | ||||
| 48 | 323003 | 1.05 | 1.26 | |
| Support Ds 14dmr | ||||
| 49 | 320997 | 1.20 | 1.44 | |
| Terminal Ds 14dmr | ||||
| 50 | 322995 | 1.05 | 1.26 | |
| Crochet | ||||
| 51 | 320287 | 4.80 | 5.76 | |
| Ecrou M5 | ||||
| 52 | 320288 | 1.65 | 1.98 | |
| Sangle (noir) | ||||
| 53 | 306952 | 4.05 | 4.86 | |
| Ressort de crochet | ||||
| 54 | 319926 | 1.65 | 1.98 | |
| Vis spéciale (a) M5 | ||||
| 55 | 320881 | 1.65 | 1.98 | |
| Pas d'informations disponibles, non commandable | ||||
| 56 | 326823 | |||
| Pas d'informations disponibles, non commandable | ||||
| 56A | 326824 | |||
| Pas d'informations disponibles, non commandable | ||||
| 57 | 321918 | |||
| Vis autotaraudeuse D2x6 | ||||
| 58 | 321672 | 1.65 | 1.98 | |
| Pas d'informations disponibles, non commandable | ||||
| 502 | 983006 | |||
| Pas d'informations disponibles, non commandable | ||||
| 503 | 323230 | |||
| Pas d'informations disponibles, non commandable | ||||
| 601 | 323001 | |||