Vous trouverez ici toutes les pièces et dessins disponibles du 'Hikoki DH24PH'. De là, vous pouvez commander directement toutes les pièces souhaitées. De nombreuses pièces doivent être commandées auprès du fabricant, selon la marque, cela prend une à quatre semaines. Toutes les informations dont nous disposons se trouvent sur notre site Web, nous ne pouvons pas vous conseiller sur ce dont vous avez besoin, pour cela vous devrez retourner la machine pour réparation. Veuillez noter ce qui suit lors de la commande:
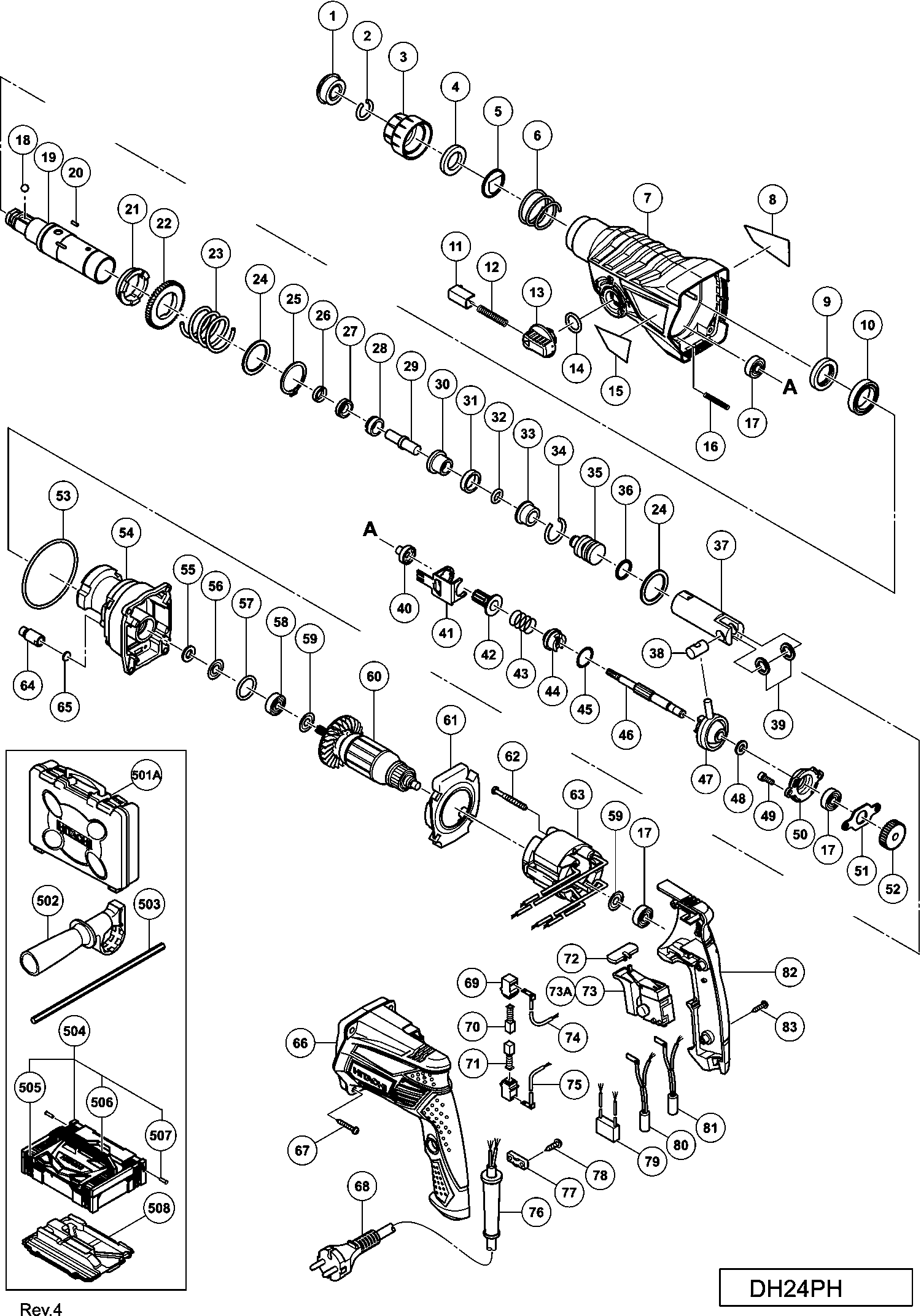
Dessins des Hikoki DH24PH
Liste de pièces de rechange des Hikoki DH24PH
| Pos. | Description | Prix hors TVA | Prix TTC | |
| Les prix affichés incluent la TVA | ||||
| Pas d'informations disponibles, non commandable | ||||
| *503 | 310331 | |||
| Induit 230v | ||||
| *60 | 360962E | 24.34 | 29.20 | |
| ANKER 110 VOLT | ||||
| *60 | 360962C | 22.72 | 27.26 | |
| Stator 220v-230v H-90sa Includ.103 Pour Nzl,saf | ||||
| *63 | 340866E | 20.76 | 24.92 | |
| VELD 110 VOLT | ||||
| *63 | 340866C | 19.69 | 23.63 | |
| Cord | ||||
| *68 | 930051 | 14.30 | 17.16 | |
| Cordon | ||||
| *68 | 500240Z | 13.18 | 15.81 | |
| SNOER 2.5M 2 X 1.0 H05VV-F W/PLUG 13A/250V (OLD 50 | ||||
| *68 | 500423Z | 12.87 | 15.44 | |
| SNOER 10.7 (USE 714500=2X1 5M) | ||||
| *68 | 500247Z | 6.18 | 7.42 | |
| SCHAKELAAR 110-127 VOLT | ||||
| *73A | 337388 | 18.10 | 21.72 | |
| Câblage (a) Brun | ||||
| *74 | 324537 | 4.35 | 5.22 | |
| Fil interne (a) (bleu) | ||||
| *75 | 324538 | 4.35 | 5.22 | |
| Entree De Cable Ø 8.8 | ||||
| *76 | 380090 | 1.04 | 1.25 | |
| Entree De Cable Ø 10,1 | ||||
| *76 | 938051 | 1.04 | 1.24 | |
| Condensateur | ||||
| *79 | 930039 | 1.95 | 2.34 | |
| Bobine d'Étranglement (a) Marron | ||||
| *80 | 335857 | 1.95 | 2.34 | |
| Fil Bleu | ||||
| *81 | 324551 | 11.55 | 13.86 | |
| Pas d'informations disponibles, non commandable | ||||
| 1 | 306345 | |||
| Anneau de retenue | ||||
| 2 | 306340 | 1.35 | 1.62 | |
| Verrouillage Dh 24pc3 | ||||
| 3 | 324527 | 3.30 | 3.96 | |
| Bague | ||||
| 4 | 324528 | 6.45 | 7.74 | |
| Rondelle | ||||
| 5 | 324526 | 3.30 | 3.96 | |
| Ressort | ||||
| 6 | 322812 | 1.65 | 1.98 | |
| Couvercle d'engrenages | ||||
| 7 | 335274 | 19.80 | 23.76 | |
| Couvercle d'engrenages | ||||
| 7A | 335274 | 19.80 | 23.76 | |
| Joint d'huile | ||||
| 9 | 335259 | 2.85 | 3.42 | |
| Roulement à billes 6805dd | ||||
| 10 | 335260 | 3.30 | 3.96 | |
| Bouton-poussoir | ||||
| 11 | 322789 | 4.80 | 5.76 | |
| Ressort Dh 24pc | ||||
| 12 | 317223 | 1.65 | 1.98 | |
| Levier de changement | ||||
| 13 | 334011 | 2.10 | 2.52 | |
| O Ring (s-18) | ||||
| 14 | 878885 | 1.05 | 1.26 | |
| Ressort (e) | ||||
| 16 | 335800 | 1.04 | 1.24 | |
| Roulement A Billes | ||||
| 17 | 608VVM | 5.70 | 6.84 | |
| Balle en acier D7.0 (10 Pcs.) | ||||
| 18 | 335300 | 1.04 | 1.24 | |
| Cylindre | ||||
| 19 | 335261 | 22.28 | 26.73 | |
| PIN D2.5 | ||||
| 20 | 335264 | 1.04 | 1.24 | |
| Embrayage de cylindre | ||||
| 21 | 335263 | 12.45 | 14.94 | |
| Second Pignon Dh 22vb | ||||
| 22 | 335265 | 6.15 | 7.38 | |
| Ressort (a) | ||||
| 23 | 335266 | 1.50 | 1.80 | |
| Bague | ||||
| 24 | 301679 | 1.20 | 1.44 | |
| Clips Ø 30 | ||||
| 25 | 948310 | 1.35 | 1.62 | |
| Joint d'Huile (A) | ||||
| 26 | 335262 | 1.80 | 2.16 | |
| Porte-marteau (c) | ||||
| 27 | 335268 | 9.60 | 11.52 | |
| Manchon (fw) | ||||
| 28 | 335795 | 4.20 | 5.04 | |
| Second Frappeur | ||||
| 29 | 335269 | 3.90 | 4.68 | |
| Porte-marteau (a) | ||||
| 30 | 335267 | 3.00 | 3.60 | |
| BAGUE D'AMORTISSEMENT (A) | ||||
| 31 | 322805 | 1.65 | 1.98 | |
| O Ring Dh 40ma | ||||
| 32 | 322808 | 1.65 | 1.98 | |
| Logement D Amortisseur | ||||
| 33 | 324524 | 6.45 | 7.74 | |
| ANNEAU DE BUTÉE | ||||
| 34 | 322807 | 1.65 | 1.98 | |
| Percuteur | ||||
| 35 | 335246 | 4.20 | 5.04 | |
| Joint torique D17 | ||||
| 36 | 335247 | 2.55 | 3.06 | |
| Piston | ||||
| 37 | 335255 | 1.04 | 1.24 | |
| Goupille Dh 38ms | ||||
| 38 | 335793 | 3.15 | 3.78 | |
| Rondelle de piston | ||||
| 39 | 335794 | 1.20 | 1.44 | |
| Manchon de pignon | ||||
| 40 | 335275 | 3.00 | 3.60 | |
| Chapeau D.roulement (1) | ||||
| 41 | 335276 | 11.10 | 13.32 | |
| Second Pignon Dh 22vb | ||||
| 42 | 335278 | 7.20 | 8.64 | |
| Ressort | ||||
| 43 | 323182 | 1.65 | 1.98 | |
| Embrayage | ||||
| 44 | 335254 | 3.90 | 4.68 | |
| Bague | ||||
| 45 | 331315 | 1.05 | 1.26 | |
| Deuxième Arbre | ||||
| 46 | 335277 | 6.60 | 7.92 | |
| Palier à Reciprocation | ||||
| 47 | 335249 | 13.65 | 16.38 | |
| Rondelle de Roulement | ||||
| 48 | 335250 | 1.04 | 1.24 | |
| Vis M5*16 | ||||
| 49 | 990079 | 1.05 | 1.26 | |
| Support de palier | ||||
| 50 | 335270 | 11.40 | 13.68 | |
| Chapeau D.roulement (1) | ||||
| 51 | 335271 | 1.04 | 1.24 | |
| Engrenage | ||||
| 52 | 335253 | 6.75 | 8.10 | |
| Joint torique D72.2 | ||||
| 53 | 335245 | 1.20 | 1.44 | |
| Couvercle Interne | ||||
| 54 | 335272 | 9.90 | 11.88 | |
| Feutre | ||||
| 55 | 322816 | 1.65 | 1.98 | |
| Rondelle de joint | ||||
| 56 | 322818 | 3.30 | 3.96 | |
| O-ring Dh-14v | ||||
| 57 | 876796 | 1.05 | 1.26 | |
| Roulement | ||||
| 58 | 608DDM | 5.55 | 6.66 | |
| Rondelle | ||||
| 59 | 982631 | 1.04 | 1.24 | |
| Induit 230v | ||||
| 60 | 360962E | 24.34 | 29.20 | |
| ANKER 110 VOLT | ||||
| 60 | 360962C | 22.72 | 27.26 | |
| Guide de ventilateur | ||||
| 61 | 335244 | 1.04 | 1.24 | |
| Vis Ø 4x45 | ||||
| 62 | 981824 | 1.05 | 1.26 | |
| Stator 220v-230v H-90sa Includ.103 Pour Nzl,saf | ||||
| 63 | 340866E | 20.76 | 24.92 | |
| VELD 110 VOLT | ||||
| 63 | 340866C | 19.69 | 23.63 | |
| Capuchon d'Air | ||||
| 64 | 334008 | 1.20 | 1.44 | |
| Feutre | ||||
| 65 | 324543 | 1.65 | 1.98 | |
| Carcasse | ||||
| 66 | 335660 | 7.50 | 9.00 | |
| Carcasse | ||||
| 66A | 335660 | 7.50 | 9.00 | |
| VIS C M4X34 | ||||
| 67 | 301654 | 1.05 | 1.26 | |
| Cord | ||||
| 68 | 930051 | 14.30 | 17.16 | |
| Cordon | ||||
| 68 | 500240Z | 13.18 | 15.81 | |
| SNOER 2.5M 2 X 1.0 H05VV-F W/PLUG 13A/250V (OLD 50 | ||||
| 68 | 500423Z | 12.87 | 15.44 | |
| SNOER 10.7 (USE 714500=2X1 5M) | ||||
| 68 | 500247Z | 6.18 | 7.42 | |
| S/e Porte Balais | ||||
| 69 | 955203 | 2.40 | 2.88 | |
| Charbons (1 paire) | ||||
| 70 | 999041 | 4.50 | 5.40 | |
| Jeu De Charbons (auto stop) | ||||
| 71 | 999072 | 14.40 | 17.28 | |
| Selecteur | ||||
| 72 | 322853 | 1.05 | 1.26 | |
| Interrupteur | ||||
| 73 | 335796 | 17.05 | 20.46 | |
| SCHAKELAAR 110-127 VOLT | ||||
| 73A | 337388 | 18.10 | 21.72 | |
| Câblage (a) Brun | ||||
| 74 | 324537 | 4.35 | 5.22 | |
| Fil interne (a) (bleu) | ||||
| 75 | 324538 | 4.35 | 5.22 | |
| Entree De Cable Ø 8.8 | ||||
| 76 | 380090 | 1.04 | 1.25 | |
| Entree De Cable Ø 10,1 | ||||
| 76 | 938051 | 1.04 | 1.24 | |
| Serre Cable | ||||
| 77 | 937631 | 1.04 | 1.24 | |
| Pas d'informations disponibles, non commandable | ||||
| 78 | 984750 | |||
| Condensateur | ||||
| 79 | 930039 | 1.95 | 2.34 | |
| Bobine d'Étranglement (a) Marron | ||||
| 80 | 335857 | 1.95 | 2.34 | |
| Fil Bleu | ||||
| 81 | 324551 | 11.55 | 13.86 | |
| Couverture de Poignée | ||||
| 82 | 335661 | 3.45 | 4.14 | |
| Vis à tarauder D4x20 avec bride (noir) | ||||
| 83 | 301653 | 1.04 | 1.24 | |
| ENSEMBLE DE POIGNÉE | ||||
| 85 | 375172 | 4.50 | 5.40 | |
| Pas d'informations disponibles, non commandable | ||||
| 501A | 337257 | |||
| Pas d'informations disponibles, non commandable | ||||
| 502 | 324548 | |||
| Pas d'informations disponibles, non commandable | ||||
| 503 | 310331 | |||
| Pas d'informations disponibles, non commandable | ||||
| 504 | 337739 | |||
| Pas d'informations disponibles, non commandable | ||||
| 505 | 336472 | |||
| Pas d'informations disponibles, non commandable | ||||
| 506 | 336473 | |||
| Pas d'informations disponibles, non commandable | ||||
| 507 | 336474 | |||
| Pas d'informations disponibles, non commandable | ||||
| 508 | 337741 | |||
| Pas d'informations disponibles, non commandable | ||||
| 601 | 306885 | |||
| Pas d'informations disponibles, non commandable | ||||
| 602 | 986802 | |||
| STOFVANGER | ||||
| 603 | 986803 | 6.54 | 7.85 | |
| Joint | ||||
| 604 | 986804 | 3.38 | 4.05 | |
| Clips Ø 30 | ||||
| 605 | 948310 | 1.35 | 1.62 | |
| RING | ||||
| 606 | 958063 | 1.00 | 1.20 | |
| Bille d'acier D6.35 (10 pièces) | ||||
| 607 | 959150 | 1.35 | 1.62 | |
| OUTER RACE | ||||
| 608 | 986805 | 4.26 | 5.11 | |
| Douille | ||||
| 609 | 986806 | 5.10 | 6.12 | |
| Adaptateur de Douille (b) | ||||
| 610 | 306910 | 4.50 | 5.40 | |
| Pas d'informations disponibles, non commandable | ||||
| 611 | 971787 | |||
| Pas d'informations disponibles, non commandable | ||||
| 612 | 931844 | |||
| Pas d'informations disponibles, non commandable | ||||
| 613 | 321814 | |||
| Vis à tête plate (main gauche) M6x20 | ||||
| 614 | 331966 | 6.75 | 8.10 | |
| Pas d'informations disponibles, non commandable | ||||
| 615 | 321813 | |||
| Pas d'informations disponibles, non commandable | ||||
| 616 | 971511Z | |||
| Pas d'informations disponibles, non commandable | ||||
| 617 | 971512Z | |||
| Pas d'informations disponibles, non commandable | ||||
| 618 | 944477 | |||
| Pas d'informations disponibles, non commandable | ||||
| 619 | 982684 | |||
| Pas d'informations disponibles, non commandable | ||||
| 620 | 982685 | |||
| Pas d'informations disponibles, non commandable | ||||
| 621 | 982672 | |||
| Pas d'informations disponibles, non commandable | ||||
| 622 | 982673 | |||
| Pas d'informations disponibles, non commandable | ||||
| 623 | 982674 | |||
| Pas d'informations disponibles, non commandable | ||||
| 624 | 982686 | |||
| Pas d'informations disponibles, non commandable | ||||
| 625 | 982675 | |||
| Pas d'informations disponibles, non commandable | ||||
| 626 | 982687 | |||
| Pas d'informations disponibles, non commandable | ||||
| 627 | 982676 | |||
| Pas d'informations disponibles, non commandable | ||||
| 628 | 982688 | |||
| Pas d'informations disponibles, non commandable | ||||
| 629 | 982677 | |||
| Pas d'informations disponibles, non commandable | ||||
| 630 | 982689 | |||
| Pas d'informations disponibles, non commandable | ||||
| 631 | 982678 | |||
| Pas d'informations disponibles, non commandable | ||||
| 632 | 982690 | |||
| Pas d'informations disponibles, non commandable | ||||
| 633 | 971794 | |||
| Pas d'informations disponibles, non commandable | ||||
| 634 | 971795 | |||
| Pas d'informations disponibles, non commandable | ||||
| 635 | 971796 | |||
| Pas d'informations disponibles, non commandable | ||||
| 636 | 971797 | |||
| Pas d'informations disponibles, non commandable | ||||
| 637 | 971798 | |||
| Pas d'informations disponibles, non commandable | ||||
| 638 | 971799 | |||
| Pas d'informations disponibles, non commandable | ||||
| 639 | 971800 | |||
| Pas d'informations disponibles, non commandable | ||||
| 640 | 971801 | |||
| Pas d'informations disponibles, non commandable | ||||
| 641 | 971802 | |||
| Pas d'informations disponibles, non commandable | ||||
| 642 | 971803 | |||
| Pas d'informations disponibles, non commandable | ||||
| 643 | 944460 | |||
| Pas d'informations disponibles, non commandable | ||||
| 644 | 944461 | |||
| Pas d'informations disponibles, non commandable | ||||
| 645 | 993038 | |||
| Pas d'informations disponibles, non commandable | ||||
| 647 | 944500 | |||
| Pas d'informations disponibles, non commandable | ||||
| 649 | 944464 | |||
| Pas d'informations disponibles, non commandable | ||||
| 650 | 320859 | |||
| Pas d'informations disponibles, non commandable | ||||
| 651 | 303046 | |||
| Pas d'informations disponibles, non commandable | ||||
| 652 | 303044 | |||
| Pas d'informations disponibles, non commandable | ||||
| 653 | 303045 | |||
| Vis Dvr-13 | ||||
| 654 | 981122 | 1.35 | 1.62 | |
| Pas d'informations disponibles, non commandable | ||||
| 655 | 930515 | |||
| Pas d'informations disponibles, non commandable | ||||
| 656 | 302976 | |||
| Pas d'informations disponibles, non commandable | ||||
| 657 | 302975 | |||
| Pas d'informations disponibles, non commandable | ||||
| 658 | 303621 | |||
| Pas d'informations disponibles, non commandable | ||||
| 659 | 302974 | |||
| Pas d'informations disponibles, non commandable | ||||
| 660 | 302979 | |||
| Pas d'informations disponibles, non commandable | ||||
| 661 | 302978 | |||
| Pas d'informations disponibles, non commandable | ||||
| 662 | 303622 | |||
| Pas d'informations disponibles, non commandable | ||||
| 663 | 302977 | |||
| Pas d'informations disponibles, non commandable | ||||
| 664 | 303332 | |||
| Pas d'informations disponibles, non commandable | ||||
| 665 | 303334 | |||
| Pas d'informations disponibles, non commandable | ||||
| 666 | 303335 | |||
| Pas d'informations disponibles, non commandable | ||||
| 667 | 303617 | |||
| Pas d'informations disponibles, non commandable | ||||
| 668 | 303618 | |||
| Pas d'informations disponibles, non commandable | ||||
| 669 | 303619 | |||
| Pas d'informations disponibles, non commandable | ||||
| 670 | 303620 | |||
| Pas d'informations disponibles, non commandable | ||||
| 671 | 303625 | |||
| Pas d'informations disponibles, non commandable | ||||
| 672 | 303626 | |||
| Pas d'informations disponibles, non commandable | ||||
| 673 | 303627 | |||
| Pas d'informations disponibles, non commandable | ||||
| 674 | 303624 | |||
| Pas d'informations disponibles, non commandable | ||||
| 675 | 321825 | |||
| Pas d'informations disponibles, non commandable | ||||
| 676 | 303623 | |||
| Pas d'informations disponibles, non commandable | ||||
| 677 | 306370 | |||
| Graisse Pour Marteau Rotatif (500g) | ||||
| 678 | 335781 | 67.24 | 80.68 | |
| Graisse Pour Marteau Rotatif (60g) | ||||
| 679 | 335782 | 13.50 | 16.20 | |