Vous trouverez ici toutes les pièces et dessins disponibles du 'Hikoki DC120V'. De là, vous pouvez commander directement toutes les pièces souhaitées. De nombreuses pièces doivent être commandées auprès du fabricant, selon la marque, cela prend une à quatre semaines. Toutes les informations dont nous disposons se trouvent sur notre site Web, nous ne pouvons pas vous conseiller sur ce dont vous avez besoin, pour cela vous devrez retourner la machine pour réparation. Veuillez noter ce qui suit lors de la commande:
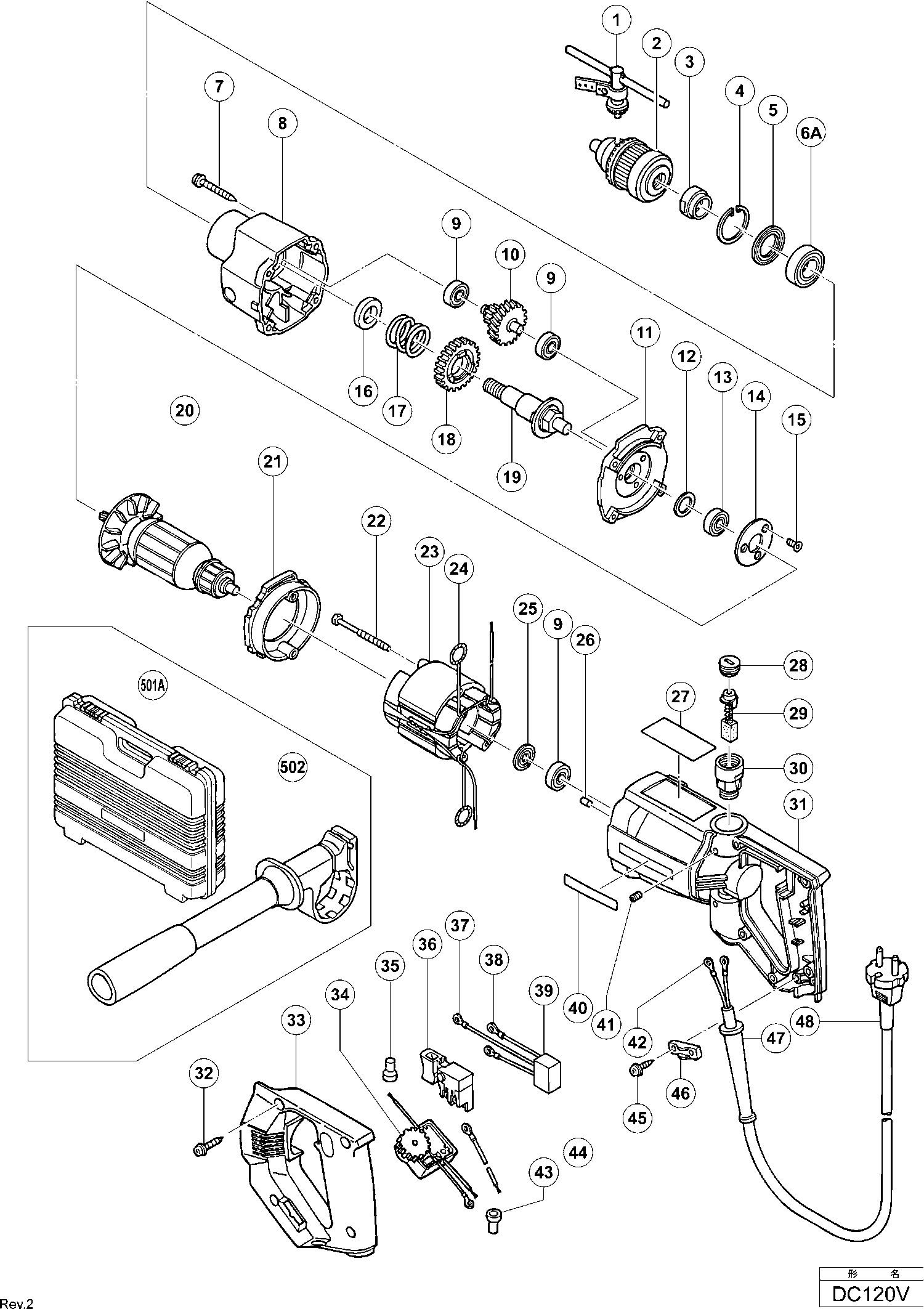
Dessins des Hikoki DC120V
Liste de pièces de rechange des Hikoki DC120V
| Pos. | Description | Prix hors TVA | Prix TTC | |
| Les prix affichés incluent la TVA | ||||
| Pas d'informations disponibles, non commandable | ||||
| 1 | 930515 | |||
| Pas d'informations disponibles, non commandable | ||||
| 2 | 321816 | |||
| Ecrou | ||||
| 3 | 309125 | 14.70 | 17.64 | |
| Clips D35 (x10) paquet de 10 | ||||
| 4 | 939556 | 10.20 | 12.24 | |
| Joint | ||||
| 5 | 981572 | 3.30 | 3.96 | |
| Roulement à billes 6003 Dd | ||||
| 6A | 6003DD | 7.50 | 9.00 | |
| Roulement A Bille | ||||
| 6A | 6202DD | 6.75 | 8.10 | |
| Vis Ø5*35 | ||||
| 7 | 986140 | 1.05 | 1.26 | |
| Boîtier d'engrenages Dc120v | ||||
| 8 | 309124 | 37.95 | 45.54 | |
| Roulement A Billes | ||||
| 9 | 608VVM | 5.70 | 6.84 | |
| Pas d'informations disponibles, non commandable | ||||
| 10 | 309129 | |||
| Pas d'informations disponibles, non commandable | ||||
| 11 | 319542 | |||
| Bague | ||||
| 12 | 984357 | 1.05 | 1.26 | |
| Roulement A Billes | ||||
| 13 | 609VVM | 6.00 | 7.20 | |
| Pas d'informations disponibles, non commandable | ||||
| 14 | 309132 | |||
| Boulon à six pans creux M15x16 Hd Seal Lock | ||||
| 15 | 981588 | 1.04 | 1.24 | |
| Manchon | ||||
| 16 | 300399 | 7.35 | 8.82 | |
| Douille | ||||
| 16 | 309128 | 6.45 | 7.74 | |
| Ressort | ||||
| 17 | 309167 | 4.50 | 5.40 | |
| Engrenage H90sc/se | ||||
| 18 | 309127 | 37.95 | 45.54 | |
| Pas d'informations disponibles, non commandable | ||||
| 19 | 309126 | |||
| Pas d'informations disponibles, non commandable | ||||
| 20 | 360342E | |||
| Baffle | ||||
| 21 | 981562 | 2.55 | 3.06 | |
| Vis Ø5*60 | ||||
| 22 | 961501 | 1.04 | 1.24 | |
| STATOR ASS'Y 110 VOLT | ||||
| 23 | 340302C | 59.95 | 71.94 | |
| Raccord | ||||
| 24 | 930703 | 2.40 | 2.88 | |
| Joint Till 2.1995 | ||||
| 25 | 956387 | 2.10 | 2.52 | |
| GOUJON EN CAOUTCHOUC (ANCIEN 976441) | ||||
| 26 | 946362 | 1.05 | 1.26 | |
| Bouchon Charbon | ||||
| 28 | 961781 | 2.55 | 3.06 | |
| Charbons (1 Paire) | ||||
| 29 | 999043 | 4.50 | 5.40 | |
| S/e Porte Balais | ||||
| 30 | 981586 | 6.45 | 7.74 | |
| Carcasse | ||||
| 31 | 983552 | 49.64 | 59.56 | |
| Vis à tarauder D4x20 avec bride (noir) | ||||
| 32 | 301653 | 1.04 | 1.24 | |
| Pas d'informations disponibles, non commandable | ||||
| 33 | 309123 | |||
| Circuit De Controle Dc 120v | ||||
| 34 | 983582 | 67.10 | 80.52 | |
| Connecteur 50091 | ||||
| 35 | 959140 | 3.30 | 3.96 | |
| Interrupteur | ||||
| 36 | 302470 | 10.95 | 13.14 | |
| Borne For Noise Suppressor | ||||
| 37 | 938108 | 1.20 | 1.44 | |
| Borne | ||||
| 38 | 980063 | 1.04 | 1.24 | |
| Condensateur | ||||
| 39 | 994273 | 4.29 | 5.14 | |
| Vis à tête hexagonale M4x6 | ||||
| 41 | 985114 | 1.05 | 1.26 | |
| Borne | ||||
| 42 | 980063 | 1.04 | 1.24 | |
| Connecteur 50092 | ||||
| 43 | 959141 | 3.75 | 4.50 | |
| Pas d'informations disponibles, non commandable | ||||
| 44 | 309165 | |||
| Pas d'informations disponibles, non commandable | ||||
| 45 | 984750 | |||
| Serre Cable | ||||
| 46 | 960266 | 1.04 | 1.24 | |
| Pas d'informations disponibles, non commandable | ||||
| 47 | 953327 | |||
| Câble 2,5m 2 X 1.0 Sans Fiche | ||||
| 48 | 500237Z | 11.40 | 13.68 | |
| Pas d'informations disponibles, non commandable | ||||
| 501A | 310905 | |||
| Pas d'informations disponibles, non commandable | ||||
| 502 | 309122 | |||