Vous trouverez ici toutes les pièces et dessins disponibles du 'Hikoki DA300E'. De là, vous pouvez commander directement toutes les pièces souhaitées. De nombreuses pièces doivent être commandées auprès du fabricant, selon la marque, cela prend une à quatre semaines. Toutes les informations dont nous disposons se trouvent sur notre site Web, nous ne pouvons pas vous conseiller sur ce dont vous avez besoin, pour cela vous devrez retourner la machine pour réparation. Veuillez noter ce qui suit lors de la commande:
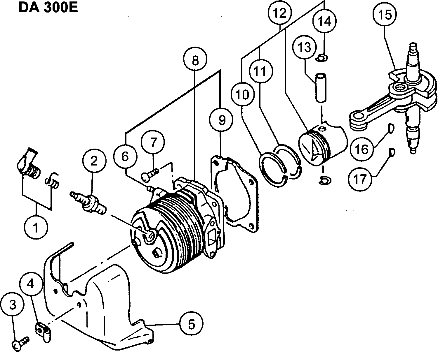
Dessins des Hikoki DA300E
Liste de pièces de rechange des Hikoki DA300E
| Pos. | Description | Prix hors TVA | Prix TTC | |
| Les prix affichés incluent la TVA | ||||
| Capuchon de bougie d'allumage d'ensemble (ancien 1 | ||||
| 1 | 6687468 | 2.31 | 2.78 | |
| BOUGIE BMR6A | ||||
| 2 | 6699315 | 13.35 | 16.02 | |
| Vis 5x10/p (ancien 994-13050-101) | ||||
| 3 | 6695319 | 1.15 | 1.38 | |
| Bride de cordon L (ancien 198-11109-20) | ||||
| 4 | 6688009 | 1.15 | 1.38 | |
| Bouchon de couvercle du cylindre (ancien 016-10244 | ||||
| 5 | 6685695 | 13.53 | 16.23 | |
| Boulon d'étude 6x22 (ancien 100-02100-20) | ||||
| 6 | 6686771 | 1.15 | 1.38 | |
| Boulon à trou hexagonal 6x18/s (ancien 994-61060-1 | ||||
| 7 | 6695495 | 1.15 | 1.38 | |
| Pas d'informations disponibles, non commandable | ||||
| 8 | 6697742 | |||
| Joint de cylindre (ancien 017-10200-21/6685751) | ||||
| 9 | 6685752 | 1.15 | 1.38 | |
| Anneau de piston (ancien 040-10100-20) | ||||
| 10 | 6686051 | 7.10 | 8.52 | |
| Bague de piston (ancien 041-10100-20) | ||||
| 11 | 6686133 | 4.45 | 5.34 | |
| Ensemble de pistons Pn (ancien 030-10266-90) (anci | ||||
| 12 | 6685904 | 34.19 | 41.02 | |
| Axe de piston 10x35 (ancien 037-10100-20 & 6686012 | ||||
| 13 | 6686019 | 2.31 | 2.78 | |
| Circlip de goupille du piston (vieux 039-02000-20) | ||||
| 14 | 6686029 | 1.15 | 1.38 | |
| Vilebrequin comp. (ancien 046-10244-81) | ||||
| 15 | 6686224 | 98.46 | 118.16 | |
| Clavette à ergot 3x13x4.5 (ancien 068-10100-20) | ||||
| 16 | 6684899 | 2.15 | 2.58 | |
| Clavette Wood-ruff 3x13x5 (ancien 068-02000-20/790 | ||||
| 17 | 6686457 | 1.15 | 1.38 | |
| Cale d'arbre à cames 0.20 (ancienne 071-02007-23) | ||||
| 31 | 6686472 | 1.15 | 1.38 | |
| Cale d'arbre à cames 0.30 (ancienne 071-02007-24) | ||||
| 31 | 6686473 | 1.15 | 1.38 | |
| Petit Écrou 10 (ancien 991-11100-013/6695138/79021 | ||||
| 32 | 6695139 | 1.05 | 1.26 | |
| Bague | ||||
| 33 | 6684820 | 2.15 | 2.58 | |
| Poulie de Démarreur (old 798-10205-20) | ||||
| 34 | 6693409 | 6.93 | 8.31 | |
| Carter de vilebrequin Ass'y (ancien 072-10243-91) | ||||
| 35 | 6686595 | 66.40 | 79.68 | |
| Joint de carter (ancien 090-10200-21) | ||||
| 36 | 6686727 | 1.15 | 1.38 | |
| Joint d'huile | ||||
| 37 | 6695641 | 2.31 | 2.78 | |
| Pas d'informations disponibles, non commandable | ||||
| 38 | 6695557 | |||
| Pas d'informations disponibles, non commandable | ||||
| 39 | 6695562 | |||
| Joint d'huile | ||||
| 40 | 6695648 | 3.30 | 3.96 | |
| Pas d'informations disponibles, non commandable | ||||
| 41 | 6695499 | |||
| Joint d'Évacuation (ancien 727-01040-20) | ||||
| 42 | 6692685 | 1.15 | 1.38 | |
| Vis 6x10 (ancien 990-11060-102) | ||||
| 43 | 6694926 | 1.15 | 1.38 | |
| Pas d'informations disponibles, non commandable | ||||
| 44 | 6689682 | |||
| Bras d'arbre de gouverneur (ancien 367-10250-21) | ||||
| 45 | 6689679 | 2.31 | 2.78 | |
| Vis 3x6 (ancien 990-11030-061) | ||||
| 46 | 6694855 | 1.15 | 1.38 | |
| Partition d'huile (ancien 329-10250-21 & 6689174) | ||||
| 47 | 6689175 | 1.15 | 1.38 | |
| Vis 4x8 (ancien 990-11040-081) | ||||
| 48 | 6694861 | 1.15 | 1.38 | |
| Assemblée de régulateur (ancien 114-10250-91) | ||||
| 49 | 6687057 | 22.24 | 26.68 | |
| Plaque de gouverneur (ancien 388-10250-21) | ||||
| 50 | 6689780 | 2.31 | 2.78 | |
| Manchon de gouverneur (ancien 389-10250-21) | ||||
| 51 | 6689782 | 10.23 | 12.27 | |
| Bague d'arrêt C-15, externe (ancien 993-50015-002) | ||||
| 52 | 6695285 | 1.15 | 1.38 | |
| Joint du couvercle du régulateur (ancien 385-10250 | ||||
| 61 | 6689775 | 1.15 | 1.38 | |
| Couverture du régulateur Ass'y (ancien 384-10243-9 | ||||
| 62 | 6689771 | 7.26 | 8.72 | |
| Joint d'huile | ||||
| 63 | 6695637 | 3.30 | 3.96 | |
| Vis 4x10 (ancien 990-11040-101) | ||||
| 64 | 6694863 | 1.15 | 1.38 | |
| Rotor de magnéto comp. | ||||
| 65 | 6699709 | 45.23 | 54.27 | |
| Bague | ||||
| 66 | 6695198 | 1.15 | 1.38 | |
| Écrou 10 (filetage gch.) (ancien 991-09100-001) | ||||
| 67 | 6695134 | 1.15 | 1.38 | |
| Vis 4x22/ws (ancienne 994-16040-226) | ||||
| 68 | 6695410 | 1.15 | 1.38 | |
| Bobine d'allumage 255 (ancienne 167-21954-81/66877 | ||||
| 69 | 6695942 | 42.20 | 50.64 | |
| Enveloppe De Ventilateur | ||||
| 70 | 6687046 | 26.16 | 31.40 | |
| Passage de câble (ancien 202-10200-20) | ||||
| 71 | 6688040 | 1.15 | 1.38 | |
| Serre-câble comp. (ancien 198-05015-80/6687996/668 | ||||
| 72 | 6688004 | 1.15 | 1.38 | |
| Vis 6x25/s (ancien 994-14060-251) | ||||
| 73 | 6695363 | 1.15 | 1.38 | |
| Boulon d'étude 6x36 (ancien 100-04001-20) | ||||
| 74 | 6686772 | 1.15 | 1.38 | |
| Arrêt de cordon Comp. (ancien 178-0136m-80) | ||||
| 75 | 6687826 | 2.31 | 2.78 | |
| Corde B 135m (ancien 178-10269-80) Nouveau | ||||
| 75A | 6696371 | 3.30 | 3.96 | |
| Corde B 135m (ancien 178-10269-80) Nouveau | ||||
| 76 | 6696371 | 3.30 | 3.96 | |
| Joint de collecteur d'admission | ||||
| 91 | 6689899 | 1.15 | 1.38 | |
| Ensemble d'isolants pour carburateur (ancien 404-1 | ||||
| 92 | 6689980 | 8.91 | 10.70 | |
| Joint de carburateur (ancien 402-01740-20/6689844) | ||||
| 93 | 6689826 | 1.15 | 1.38 | |
| Vis 5x24ws (ancien 994-16050-241) | ||||
| 94 | 6695423 | 1.15 | 1.38 | |
| Levier d'étranglement (ancien 495-04200-20) | ||||
| 95 | 6691004 | 1.15 | 1.38 | |
| Corps de nettoyeur Blk (ancien 423-1024a-20/669012 | ||||
| 96 | 6696027 | 3.30 | 3.96 | |
| Collier 5.8 (ancien 659-00801-20) | ||||
| 97 | 6692244 | 1.15 | 1.38 | |
| Vis 5x55s (ancienne 994-14050-551) | ||||
| 98 | 6695352 | 1.15 | 1.38 | |
| Rondelle 5 (ancien 992-00050-011) | ||||
| 99 | 6684864 | 2.15 | 2.58 | |
| Éponge (ancien 446-10244-20) | ||||
| 100 | 6690366 | 2.31 | 2.78 | |
| Capuchon de nettoyage (ancien 424-10244-21) | ||||
| 101 | 6690158 | 3.30 | 3.96 | |
| Set de carburateur | ||||
| 102 | 6690523 | 58.39 | 70.06 | |
| Tige d'accélérateur (ancienne 490-10244-20) | ||||
| 103 | 6690964 | 1.15 | 1.38 | |
| Ressort de tige de gouverneur (ancien 376-12121-20 | ||||
| 104 | 6689714 | 1.15 | 1.38 | |
| Levier externe du gouverneur (ancien 377-10244-20) | ||||
| 105 | 6689719 | 2.31 | 2.78 | |
| Levier de ressort de régulateur (ancien 372-10250- | ||||
| 106 | 6689687 | 1.15 | 1.38 | |
| Bague | ||||
| 107 | 6695219 | 1.15 | 1.38 | |
| Écrou de Blocage M6 (ancien 991-01060-013) | ||||
| 108 | 6684872 | 2.15 | 2.58 | |
| Vis 4x8/ps (ancien 994-15040-081) | ||||
| 109 | 6695368 | 1.15 | 1.38 | |
| Ressort du régulateur (ancien 374-10244-20) | ||||
| 110 | 6689697 | 1.15 | 1.38 | |
| Pas d'informations disponibles, non commandable | ||||
| 111 | 6693590 | |||
| Levier de contrôle Ass'y (ancien 830-10250-90) | ||||
| 112 | 6693591 | 6.93 | 8.31 | |
| Vis 5x10 Ws (ancienne 994-16050-101/6695473) | ||||
| 113 | 6695413 | 1.15 | 1.38 | |
| Pas d'informations disponibles, non commandable | ||||
| 114 | 6694056 | |||
| Ressort de retour de fil (ancien 902-10243-20) | ||||
| 115 | 6694055 | 1.15 | 1.38 | |
| Guide d'arbre de papillon (ancien 891-10244-20) | ||||
| 116 | 6694037 | 3.30 | 3.96 | |
| Boulon d'étape (ancien 357-00601-20) | ||||
| 117 | 6689627 | 1.15 | 1.38 | |
| Serre-fil (ancien 903-10244-20) | ||||
| 118 | 6694057 | 1.15 | 1.38 | |
| Vis 5x10 Ws (ancienne 994-16050-101/6695473) | ||||
| 119 | 6695413 | 1.15 | 1.38 | |
| Écrou U 6 (ancien 991-74060-010) | ||||
| 120 | 6695159 | 1.15 | 1.38 | |
| Vis 6x8/s (ancien 994-14060-081) | ||||
| 131 | 6695356 | 1.15 | 1.38 | |
| Bague | ||||
| 132 | 6684639 | 2.15 | 2.58 | |
| Protecteur de silencieux (ancien 738-10244-20) | ||||
| 133 | 6692820 | 32.21 | 38.66 | |
| Support Du Silencieux (ancien 733-10244-20) | ||||
| 134 | 6692706 | 2.31 | 2.78 | |
| Vis M6x12/ps (ancienne 994-15060-121) | ||||
| 135 | 6695399 | 1.15 | 1.38 | |
| Pas d'informations disponibles, non commandable | ||||
| 136 | 6697637 | |||
| Pas d'informations disponibles, non commandable | ||||
| 137 | 6684792 | |||
| Bague | ||||
| 138 | 6695219 | 1.15 | 1.38 | |
| Joint de silencieux 1.5t (ancien 737-10100-20) | ||||
| 139 | 6692746 | 1.15 | 1.38 | |
| Vis 5x18/ps (ancienne 994-15050-181) | ||||
| 140 | 6695388 | 1.15 | 1.38 | |
| Pas d'informations disponibles, non commandable | ||||
| 141 | 6691926 | |||
| Réservoir Wht (ancien 6696381) | ||||
| 142A | 6601173 | 11.55 | 13.86 | |
| Resevoir | ||||
| 142B | 6601177 | 8.58 | 10.29 | |
| Pas d'informations disponibles, non commandable | ||||
| 143 | 6684620 | |||
| Assemblage de clip de tuyau (ancien 680-0632s-90) | ||||
| 144 | 6692316 | 3.30 | 3.96 | |
| Bague d'arrêt E-6 (ancien 993-55060-000) | ||||
| 145 | 6695310 | 1.15 | 1.38 | |
| Bague | ||||
| 146 | 6695184 | 1.15 | 1.38 | |
| Caoutchouc de retenue pour robinet à essence (anci | ||||
| 147 | 6691333 | 1.15 | 1.38 | |
| Montage de robinet Pet (ancien 592-06020-90) | ||||
| 148 | 6691653 | 9.08 | 10.89 | |
| Pas d'informations disponibles, non commandable | ||||
| 149 | 6692366 | |||
| Clip 7 (ancien 680-04019-21) | ||||
| 150 | 6692312 | 1.15 | 1.38 | |
| Clip D6 (ancien 680-00070-20) | ||||
| 150A | 6685198 | 1.15 | 1.38 | |
| Pas d'informations disponibles, non commandable | ||||
| 151 | 6692297 | |||
| Coussin en caoutchouc (ancien 655-10244-20) | ||||
| 152 | 6692232 | 2.31 | 2.78 | |
| Pas d'informations disponibles, non commandable | ||||
| 153 | 6691985 | |||
| Vis M6x12/ps (ancienne 994-15060-121) | ||||
| 154 | 6695399 | 1.15 | 1.38 | |
| Capuchon de réservoir D Ass'y noir (ancien 595-014 | ||||
| 155 | 6691740 | 7.59 | 9.10 | |
| Pas d'informations disponibles, non commandable | ||||
| 156 | 6684625 | |||
| Bague | ||||
| 157 | 6689645 | 1.15 | 1.38 | |
| Garniture d'embrayage complète | ||||
| 158 | 6688617 | 8.25 | 9.90 | |
| Bague | ||||
| 159 | 6689638 | 1.15 | 1.38 | |
| Boulon d'étape d'embrayage | ||||
| 160 | 6689633 | 2.31 | 2.78 | |
| Ressort d'embrayage (ancien 342-10205-22/6689432/6 | ||||
| 161 | 6689434 | 1.15 | 1.38 | |
| Tube de protection Ass'y | ||||
| 162 | 6601178 | 3.14 | 3.76 | |
| Bobine de tuyauterie de carburant (ancienne 702-30 | ||||
| 163 | 6692428 | 1.15 | 1.38 | |
| Composant de bride de cordon (ancien 198-10246-80) | ||||
| 164 | 6688008 | 1.15 | 1.38 | |
| Ensemble du corps du départ à rappel (ancien 762-1 | ||||
| 181 | 6692995 | 30.25 | 36.30 | |
| Corps de démarreur à rappel (ancien 772-10244-20) | ||||
| 182 | 6693044 | 16.19 | 19.42 | |
| Ressort de rappel (ancien 779-10205-20) | ||||
| 183 | 6693123 | 14.53 | 17.43 | |
| Bobine de corde de démarrage Comp. (ancien 774-102 | ||||
| 184 | 6693085 | 8.58 | 10.29 | |
| Corde de démarrage (ancienne 783-10205-20) | ||||
| 185 | 6693176 | 4.45 | 5.34 | |
| Cliquet de démarrage (ancien 788-10205-20) | ||||
| 186 | 6693322 | 3.30 | 3.96 | |
| Ressort de frottement (ancien 836-10205-20) | ||||
| 187 | 6693617 | 2.31 | 2.78 | |
| Plaque de friction (ancienne 837-10205-20) | ||||
| 188 | 6693630 | 5.94 | 7.12 | |
| Boulon 6x12 (ancien 990-21060-121) | ||||
| 189 | 6694982 | 1.15 | 1.38 | |
| Poignée de démarrage | ||||
| 190 | 6693610 | 1.15 | 1.38 | |
| Arrêt de corde (ancien 795-10243-20) | ||||
| 191 | 6693383 | 1.15 | 1.38 | |
| Poignée de démarrage | ||||
| 192 | 6693241 | 3.30 | 3.96 | |
| Guide de corde (ancien 780-10108-20) | ||||
| 193 | 6693140 | 3.30 | 3.96 | |
| Vis (ancien 514-25001-20) | ||||
| 211 | 6685210 | 1.15 | 1.38 | |
| Corps de pompe (ancien 575-25012-20) | ||||
| 212 | 6691420 | 8.25 | 9.90 | |
| Joint de pompe (ancien 577-25012-20) | ||||
| 213 | 6691455 | 2.31 | 2.78 | |
| Diaphragme de pompe (ancien 576-25012-20) | ||||
| 214 | 6691446 | 5.28 | 6.33 | |
| Écran d'entrée (ancien 578-25007-20) | ||||
| 215 | 6684700 | 4.29 | 5.14 | |
| Vis de réglage du ralenti (ancien 462-25006-20) | ||||
| 216 | 6690736 | 3.30 | 3.96 | |
| Ressort de réglage au ralenti (ancien 463-25012-20 | ||||
| 217 | 6690766 | 2.31 | 2.78 | |
| Ressort de réglage au ralenti (ancien 463-25006-20 | ||||
| 217 | 6685297 | 2.31 | 2.78 | |
| Ressort de soupape (ancien 477-25088-20) | ||||
| 218 | 6690873 | 4.45 | 5.34 | |
| Levier de commande (ancien 473-25012-20) | ||||
| 219 | 6690819 | 4.45 | 5.34 | |
| Broche de charnière (ancien 605-25001-20) | ||||
| 220 | 6685219 | 1.15 | 1.38 | |
| Vis de fixation de goupille de charnière (ancien 5 | ||||
| 221 | 6685218 | 2.31 | 2.78 | |
| Valve à aiguille (ancien 603-25012-20) | ||||
| 222 | 6685215 | 5.28 | 6.33 | |
| Joint de diaphragme (ancien 475-25012-20) | ||||
| 223 | 6690838 | 2.31 | 2.78 | |
| Membrane de dosage Comp. (ancien 474-25012-80) | ||||
| 224 | 6690828 | 11.88 | 14.25 | |
| Couvercle du diaphragme (ancien 476-25012-20) | ||||
| 225 | 6690858 | 6.93 | 8.31 | |
| Vis de réglage (ancien 548-25012-20) | ||||
| 226 | 6685223 | 1.15 | 1.38 | |
| Arbre d'embrayage comp. (ancien 030-32203-80) | ||||
| 241 | 6685911 | 36.15 | 43.38 | |
| Clavette à ergot 3x13x4.5 (ancien 068-10100-20) | ||||
| 242 | 6684899 | 2.15 | 2.58 | |
| Boîtier d'engrenage C (ancien 008-32250-20) | ||||
| 243 | 6685596 | 34.19 | 41.02 | |
| Écrou à ressort 6 (ancien 994-40060-011) | ||||
| 244 | 6695475 | 1.15 | 1.38 | |
| Bague d'arrêt interne C-32, ancien n° d'art. 993-5 | ||||
| 245 | 6695295 | 1.15 | 1.38 | |
| Roulement à billes | ||||
| 246 | 6695538 | 6.60 | 7.92 | |
| Bague d'arrêt C-15, externe (ancien 993-50015-002) | ||||
| 247 | 6695285 | 1.15 | 1.38 | |
| Boîte de Vitesse A Comp. (ancien 002-32250-81/6685 | ||||
| 248 | 6696365 | 194.81 | 233.78 | |
| Bague | ||||
| 249 | 6695219 | 1.15 | 1.38 | |
| Boulon à trou hexagonal 6x18 (ancien 990-51060-183 | ||||
| 250 | 6695059 | 1.15 | 1.38 | |
| COMP. DE GRAISSEUR (VIEUX 300-32250-80) | ||||
| 251 | 6688643 | 1.15 | 1.38 | |
| Comp. de verrouillage (ancien 404-32250-80) | ||||
| 252 | 6689987 | 17.40 | 20.88 | |
| Ressort de goupille de verrouillage (ancien 403-32 | ||||
| 253 | 6689905 | 2.31 | 2.78 | |
| Bague | ||||
| 254 | 6692944 | 1.15 | 1.38 | |
| O-ring P-7 (ancien 999-67007-000) | ||||
| 255 | 6695665 | 1.15 | 1.38 | |
| Vis 5x16/w.s (ancien 994-16050-161) | ||||
| 256 | 6695417 | 1.15 | 1.38 | |
| Pas d'informations disponibles, non commandable | ||||
| 257 | 6685606 | |||
| Anneau d'arrêt C-10, Extérieur (ancien 993-50010-0 | ||||
| 258 | 6684821 | 2.15 | 2.58 | |
| Arrêt Bague C-22, Externe (ancien 993-50022-002) | ||||
| 259 | 6695288 | 1.15 | 1.38 | |
| Plus disponible, pas de remplacement | ||||
| 260 | 6685789 | |||
| Pas d'informations disponibles, non commandable | ||||
| 261 | 6695557 | |||
| Engrenage 2 (ancien 012-32250-20) | ||||
| 262 | 6685658 | 64.28 | 77.13 | |
| Engrenage 3 (ancien 016-32201-20) | ||||
| 263 | 6685704 | 17.55 | 21.06 | |
| Clavette Wood-ruff 4x16x5 (ancienne 068-12101-20) | ||||
| 264 | 6686460 | 1.15 | 1.38 | |
| Roulement à billes #6200 | ||||
| 265 | 6695551 | 5.94 | 7.12 | |
| Carter de boîte à chaînes B | ||||
| 266 | 6685594 | 50.21 | 60.26 | |
| Bague | ||||
| 267 | 6695219 | 1.15 | 1.38 | |
| Boulon Plus 6x22 (ancien 990-23060-221) | ||||
| 268 | 6695021 | 1.15 | 1.38 | |
| Roulement à rouleaux 30205j 6.5x10.5 (ancien 999-6 | ||||
| 269 | 6695523 | 14.85 | 17.82 | |
| Arrêt de roulement (ancien 040-32250-20) | ||||
| 270 | 6686066 | 7.59 | 9.10 | |
| Roulement à billes | ||||
| 271 | 6695565 | 9.40 | 11.28 | |
| Pas d'informations disponibles, non commandable | ||||
| 272 | 6695208 | |||
| Anneau d'arrêt C-52, interne (ancien 993-51052-002 | ||||
| 273 | 6695300 | 2.31 | 2.78 | |
| Arbre d'entraînement (ancien 022-32250-20) | ||||
| 274 | 6685825 | 46.29 | 55.54 | |
| Arbre d'entraînement (ancien 022-32251-20) | ||||
| 274A | 6685826 | 44.31 | 53.18 | |
| Broche (ancien 820-32250-20) | ||||
| 275 | 6693554 | 5.11 | 6.14 | |
| Broche à bouton pression 8 (ancienne 821-32203-20) | ||||
| 276 | 6693558 | 1.15 | 1.38 | |
| Pas d'informations disponibles, non commandable | ||||
| 291 | 6695841 | |||
| Carter de boîte à chaînes B | ||||
| 292 | 6685595 | 62.31 | 74.78 | |
| Pas d'informations disponibles, non commandable | ||||
| 293 | 6695557 | |||
| Roulement à billes | ||||
| 294 | 6695538 | 6.60 | 7.92 | |
| Bague d'arrêt interne C-32, ancien n° d'art. 993-5 | ||||
| 295 | 6695295 | 1.15 | 1.38 | |
| Arbre d'entraînement (ancien 022-32251-20) | ||||
| 296 | 6685826 | 44.31 | 53.18 | |
| Roulement à billes #6200 | ||||
| 297 | 6695551 | 5.94 | 7.12 | |
| Roulement à rouleaux 30205j 6.5x10.5 (ancien 999-6 | ||||
| 298 | 6695523 | 14.85 | 17.82 | |
| Arrêt de roulement (ancien 040-32250-20) | ||||
| 299 | 6686066 | 7.59 | 9.10 | |
| Roulement à billes | ||||
| 300 | 6695565 | 9.40 | 11.28 | |
| Anneau d'arrêt C-52, interne (ancien 993-51052-002 | ||||
| 301 | 6695300 | 2.31 | 2.78 | |
| Arbre d'embrayage comp. (ancien 030-32203-80) | ||||
| 302 | 6685911 | 36.15 | 43.38 | |
| Bague d'arrêt C-15, externe (ancien 993-50015-002) | ||||
| 303 | 6695285 | 1.15 | 1.38 | |
| Clavette à ergot 3x13x4.5 (ancien 068-10100-20) | ||||
| 304 | 6684899 | 2.15 | 2.58 | |
| Pas d'informations disponibles, non commandable | ||||
| 305 | 6685606 | |||
| Engrenage 2 (ancien 012-32201-20) | ||||
| 306 | 6685657 | 70.33 | 84.39 | |
| Engrenage 3 (ancien 016-32201-20) | ||||
| 307 | 6685704 | 17.55 | 21.06 | |
| Plus disponible, pas de remplacement | ||||
| 308 | 6685789 | |||
| Clavette Wood-ruff 4x16x5 (ancienne 068-12101-20) | ||||
| 309 | 6686460 | 1.15 | 1.38 | |
| Anneau d'arrêt C-10, Extérieur (ancien 993-50010-0 | ||||
| 310 | 6684821 | 2.15 | 2.58 | |
| Arrêt Bague C-22, Externe (ancien 993-50022-002) | ||||
| 311 | 6695288 | 1.15 | 1.38 | |
| COMP. DE GRAISSEUR (VIEUX 300-32250-80) | ||||
| 312 | 6688643 | 1.15 | 1.38 | |
| Bague | ||||
| 313 | 6695219 | 1.15 | 1.38 | |
| Boulon 6x45 (ancien 990-21060-451) Nouveau | ||||
| 314 | 6694994 | 1.15 | 1.38 | |
| Bague | ||||
| 315 | 6695219 | 1.15 | 1.38 | |
| Boulon Plus 6x22 (ancien 990-23060-221) | ||||
| 316 | 6695021 | 1.15 | 1.38 | |
| Bague | ||||
| 317 | 6695219 | 1.15 | 1.38 | |
| Boulon Plus 6x18 (ancien 990-23060-181) | ||||
| 318 | 6695020 | 1.15 | 1.38 | |
| Pas d'informations disponibles, non commandable | ||||
| 319 | 6695208 | |||
| Pas d'informations disponibles, non commandable | ||||
| 331 | 6688342 | |||
| Poignée de prise (ancienne 055-32250-20) | ||||
| 332 | 6686351 | 6.60 | 7.92 | |
| Pas d'informations disponibles, non commandable | ||||
| 333 | 6696373 | |||
| Pas d'informations disponibles, non commandable | ||||
| 334 | 6695132 | |||
| Pas d'informations disponibles, non commandable | ||||
| 335 | 6699394 | |||
| Câble d'accélérateur | ||||
| 336 | 6693930 | 14.68 | 17.61 | |
| Arrêt Cordon Comp. (ancien 178-10244-80) | ||||
| 337 | 6687880 | 4.45 | 5.34 | |
| Boulon 6x35 (ancien 990-21060-351) | ||||
| 338 | 6694992 | 1.15 | 1.38 | |
| Bague | ||||
| 339 | 6684639 | 2.15 | 2.58 | |
| Levier d'accélérateur Complet. (ancien 101-32250-8 | ||||
| 340 | 6686801 | 15.58 | 18.69 | |
| Écrou U 6 (ancien 991-74060-010) | ||||
| 341 | 6695159 | 1.15 | 1.38 | |
| Broche de poussée comp. (ancien 064-33225-80) | ||||
| 342 | 6686434 | 2.31 | 2.78 | |
| Support de commutateur d'arrêt (ancien 163-32250-2 | ||||
| 343 | 6696370 | 6.44 | 7.72 | |
| Ass'y de l'interrupteur d'arrêt (ancien 6687502) | ||||
| 344A | 6601374 | 11.71 | 14.06 | |
| Plaque nominative de l’interrupteur (ancien 183-01 | ||||
| 345 | 6687949 | 1.15 | 1.38 | |
| Caoutchouc anti-vibrateur | ||||
| 346 | 6691822 | 1.15 | 1.38 | |
| Serre-câble (ancien 198-33576-20/6688023) | ||||
| 347 | 6688022 | 1.15 | 1.38 | |
| Tube de Protection 13x680l (ancien 164-13068-00) | ||||
| 348 | 6687616 | 3.30 | 3.96 | |
| Tube de Protection 13x500l (ancien 164-13050-00) | ||||
| 349 | 6687614 | 2.31 | 2.78 | |
| Collier B. (ancien 460-33111-20) | ||||
| 361 | 6684715 | 2.15 | 2.58 | |
| Plus disponible, pas de remplacement | ||||
| 362 | 6686252 | |||
| Câble d'accélérateur | ||||
| 363 | 6693932 | 11.55 | 13.86 | |
| Assemblage du levier d'ajustement (ancien 472-3311 | ||||
| 364 | 6690816 | 9.08 | 10.89 | |
| Support du bouton d'arrêt (ancien 640-0062m-20) | ||||
| 365 | 6692127 | 1.15 | 1.38 | |
| Pas d'informations disponibles, non commandable | ||||
| 366 | 6687737 | |||
| Tube de protection 13x360l (ancien 164-13036-00) N | ||||
| 367 | 6687607 | 2.31 | 2.78 | |
| Plus disponible, pas de remplacement | ||||
| 368 | 6696507 | |||
| Bague | ||||
| 369 | 6684971 | 1.04 | 1.24 | |
| Écrou de fixation du bouton d'arrêt (ancien 180-01 | ||||
| 370 | 6687935 | 1.15 | 1.38 | |
| Clé Mixte 10/19mm (ancienne 013-29323-50/668566) | ||||
| 501 | 6685257 | 3.30 | 3.96 | |
| Clé 10x13 (ancienne 808-20000-20) Nouveau | ||||
| 502 | 6693479 | 2.31 | 2.78 | |
| Plus pilote 4 (ancien 862-20000-20) Nouveau | ||||
| 503 | 6693665 | 3.00 | 3.60 | |
| Clé 13x17 (ancienne 810-20000-20) Nouvelle | ||||
| 504 | 6693498 | 4.45 | 5.34 | |
| Broche (ancien 820-32250-20) | ||||
| 505 | 6693554 | 5.11 | 6.14 | |
| Broche à bouton pression 8 (ancienne 821-32203-20) | ||||
| 506 | 6693558 | 1.15 | 1.38 | |
| Plaque signalétique Da300e (ancien 906-32255-21) | ||||
| 601 | 6694260 | 1.15 | 1.38 | |
| Pas d'informations disponibles, non commandable | ||||
| 602 | 6697919 | |||