Vous trouverez ici toutes les pièces et dessins disponibles du 'Hikoki D28770'. De là, vous pouvez commander directement toutes les pièces souhaitées. De nombreuses pièces doivent être commandées auprès du fabricant, selon la marque, cela prend une à quatre semaines. Toutes les informations dont nous disposons se trouvent sur notre site Web, nous ne pouvons pas vous conseiller sur ce dont vous avez besoin, pour cela vous devrez retourner la machine pour réparation. Veuillez noter ce qui suit lors de la commande:
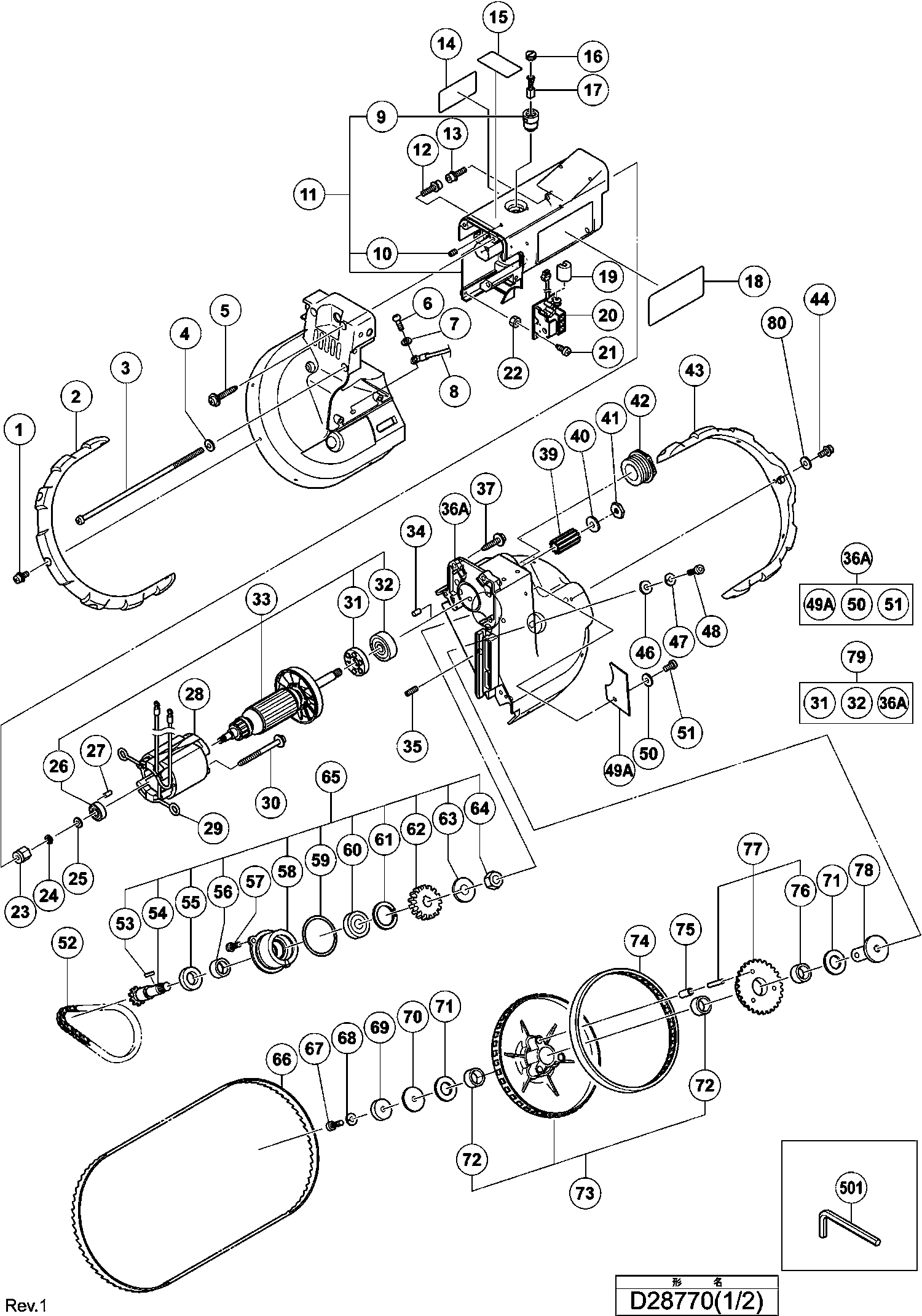
Dessins des Hikoki D28770
Liste de pièces de rechange des Hikoki D28770
| Pos. | Description | Prix hors TVA | Prix TTC | |
| Les prix affichés incluent la TVA | ||||
| Vis machine (avec rondelles) M4x10 (noir) | ||||
| 1 | 304043 | 1.05 | 1.26 | |
| Pas d'informations disponibles, non commandable | ||||
| 2 | 322698 | |||
| Pas d'informations disponibles, non commandable | ||||
| 3 | 319161 | |||
| Rondelle de ressort M5 (10 pièces) | ||||
| 4 | 949454 | 1.04 | 1.24 | |
| Vis Ø 5*35 Noir | ||||
| 5 | 323209 | 1.35 | 1.62 | |
| Vis machine M4x10 (10 pièces) (ANCIEN 949216Z) | ||||
| 6 | 949216 | 1.05 | 1.26 | |
| Rondelle de ressort M4 (10 pièces) | ||||
| 7 | 949453 | 1.05 | 1.26 | |
| Pas d'informations disponibles, non commandable | ||||
| 8 | 323044 | |||
| BRUSH HOLDER | ||||
| 9 | 937701 | 1.74 | 2.09 | |
| INBUSSTELSCHROEF M4X6 | ||||
| 10 | 308073 | 1.00 | 1.20 | |
| Pas d'informations disponibles, non commandable | ||||
| 11 | 322674 | |||
| Vis à tête hexagonale (avec rondelles) M5x20 | ||||
| 12 | 316107 | 1.80 | 2.16 | |
| Vis à tête hexagonale (avec rondelles) M5x20 | ||||
| 13 | 316107 | 1.80 | 2.16 | |
| Pas d'informations disponibles, non commandable | ||||
| 15 | 323201 | |||
| Bouchon Charbon | ||||
| 16 | 936551 | 1.05 | 1.26 | |
| Plus disponible, pas de remplacement | ||||
| 17 | 999021 | |||
| Pas d'informations disponibles, non commandable | ||||
| 18 | 323202 | |||
| Pas d'informations disponibles, non commandable | ||||
| 19 | 323203 | |||
| Pas d'informations disponibles, non commandable | ||||
| 20 | 326660 | |||
| Pas d'informations disponibles, non commandable | ||||
| 21 | 319531 | |||
| Entretoise M5 (10 pces) | ||||
| 22 | 949566 | 1.04 | 1.24 | |
| Pas d'informations disponibles, non commandable | ||||
| 23 | 309817 | |||
| Rondelle Psu Single-phase | ||||
| 24 | 948167 | 1.04 | 1.24 | |
| Rondelle M.6 (x10) paquet de 10 | ||||
| 25 | 949432 | 1.05 | 1.26 | |
| Roulement A Billes | ||||
| 26 | 608VVM | 5.70 | 6.84 | |
| GOUJON EN CAOUTCHOUC (ANCIEN 976441) | ||||
| 27 | 946362 | 1.05 | 1.26 | |
| Pas d'informations disponibles, non commandable | ||||
| 28 | 340579D | |||
| Raccord Gp-2 | ||||
| 29 | 931867 | 1.05 | 1.26 | |
| Pas d'informations disponibles, non commandable | ||||
| 30 | 319358 | |||
| Pas d'informations disponibles, non commandable | ||||
| 31 | 322676 | |||
| Roulement | ||||
| 32 | 6300VV | 8.25 | 9.90 | |
| Pas d'informations disponibles, non commandable | ||||
| 33 | 360638U | |||
| PIN D4X10 (10 STUKS) | ||||
| 34 | 949891 | 1.98 | 2.38 | |
| Vis Cc-14 | ||||
| 35 | 971884 | 1.05 | 1.26 | |
| Pas d'informations disponibles, non commandable | ||||
| 36A | 326272 | |||
| Vis auto-taraudeuse (avec bride) D5x25 (noir) | ||||
| 37 | 305558 | 1.04 | 1.24 | |
| Pas d'informations disponibles, non commandable | ||||
| 38 | 323204 | |||
| Pas d'informations disponibles, non commandable | ||||
| 39 | 319146 | |||
| Rondelle Diam 8 Noir H65sd2 | ||||
| 40 | 323212 | 1.05 | 1.26 | |
| Ecrou M.8 (x10) (paquet de 10) | ||||
| 41 | 949568 | 1.50 | 1.80 | |
| Pas d'informations disponibles, non commandable | ||||
| 42 | 319147 | |||
| Pas d'informations disponibles, non commandable | ||||
| 43 | 322697 | |||
| Vis machine (avec rondelles) M4x10 (noir) | ||||
| 44 | 304043 | 1.05 | 1.26 | |
| Bague (h) | ||||
| 46 | 322677 | 1.65 | 1.98 | |
| Rondelle de ressort M6 (ancien 949455z, 10 pieces) | ||||
| 47 | 949455 | 1.05 | 1.26 | |
| Vis M6*20 (paquet de 10) | ||||
| 48 | 949660 | 3.30 | 3.96 | |
| Pas d'informations disponibles, non commandable | ||||
| 49A | 326273 | |||
| Rondelle de boulon M4 (noir) Pour 220v-240v | ||||
| 50 | 323210 | 1.05 | 1.26 | |
| Vis Ø 4x8 Noir | ||||
| 51 | 323211 | 1.05 | 1.26 | |
| Pas d'informations disponibles, non commandable | ||||
| 52 | 325372 | |||
| Clavette 4*4*12 | ||||
| 53 | 931008 | 1.05 | 1.26 | |
| Pas d'informations disponibles, non commandable | ||||
| 54 | 319149 | |||
| Pas d'informations disponibles, non commandable | ||||
| 55 | 977102 | |||
| NAALDLAGER | ||||
| 56 | 319150 | 5.52 | 6.62 | |
| Vis à Métaux M5X16 (10 Pièces) | ||||
| 57 | 949239 | 1.05 | 1.26 | |
| Pas d'informations disponibles, non commandable | ||||
| 58 | 319151 | |||
| Pas d'informations disponibles, non commandable | ||||
| 59 | 977100 | |||
| Roulement Cr12v H90sc | ||||
| 60 | 6201VV | 6.45 | 7.74 | |
| Bague d'arrêt D32 | ||||
| 61 | 948001 | 1.20 | 1.44 | |
| Pas d'informations disponibles, non commandable | ||||
| 62 | 323240 | |||
| Rondelle M10 (x10) paquet de 10 | ||||
| 63 | 949458 | 1.05 | 1.26 | |
| Écrou de blocage (insert en nylon) M10 | ||||
| 64 | 949572 | 2.40 | 2.88 | |
| Pas d'informations disponibles, non commandable | ||||
| 65 | 325412 | |||
| Vis M6*20 (paquet de 10) | ||||
| 67 | 949660 | 3.30 | 3.96 | |
| Rondelle de ressort M6 (ancien 949455z, 10 pieces) | ||||
| 68 | 949455 | 1.05 | 1.26 | |
| Pas d'informations disponibles, non commandable | ||||
| 69 | 977109 | |||
| RING (B) | ||||
| 70 | 936311 | 1.00 | 1.20 | |
| PLASTIC RING | ||||
| 71 | 977108 | 1.00 | 1.20 | |
| NAALDLAGER | ||||
| 72 | 319150 | 5.52 | 6.62 | |
| Pas d'informations disponibles, non commandable | ||||
| 73 | 322678 | |||
| RUBBERWIEL | ||||
| 74 | 977110 | 7.50 | 9.00 | |
| RUBBER BUSHING | ||||
| 75 | 319157 | 1.50 | 1.80 | |
| NAALDLAGER | ||||
| 76 | 319150 | 5.52 | 6.62 | |
| Pas d'informations disponibles, non commandable | ||||
| 77 | 325371 | |||
| Pas d'informations disponibles, non commandable | ||||
| 78 | 319152 | |||
| Pas d'informations disponibles, non commandable | ||||
| 79 | 323207 | |||
| Rondelle de boulon M4 (noir) Pour 220v-240v | ||||
| 80 | 323210 | 1.05 | 1.26 | |
| Pas d'informations disponibles, non commandable | ||||
| 81 | 322704 | |||
| Vis à Métaux M5X16 (10 Pièces) | ||||
| 82 | 949239 | 1.05 | 1.26 | |
| Rondelle Ø5 (x10) paquet de 10 | ||||
| 83 | 949431 | 1.04 | 1.24 | |
| Pas d'informations disponibles, non commandable | ||||
| 84 | 322682 | |||
| Borne | ||||
| 85 | 980063 | 1.04 | 1.24 | |
| Serre Cable | ||||
| 86 | 937631 | 1.04 | 1.24 | |
| Pas d'informations disponibles, non commandable | ||||
| 87 | 984750 | |||
| Pas d'informations disponibles, non commandable | ||||
| 88 | 981276 | |||
| Rondelle de boulon M4 (noir) Pour 220v-240v | ||||
| 89 | 323210 | 1.05 | 1.26 | |
| Pas d'informations disponibles, non commandable | ||||
| 90 | 319505 | |||
| Pas d'informations disponibles, non commandable | ||||
| 91 | 322684 | |||
| Vis autotaraudeuse D4x20 avec bride (noir) | ||||
| 92 | 302086 | 1.05 | 1.26 | |
| Vis autotaraudeuse (avec bride) D4x25 (noire) | ||||
| 93 | 304035 | 1.04 | 1.24 | |
| Pas d'informations disponibles, non commandable | ||||
| 94 | 322683 | |||
| Vis M6x10 (paquet de 10) | ||||
| 95 | 949256 | 1.35 | 1.62 | |
| Pas d'informations disponibles, non commandable | ||||
| 96 | 320504 | |||
| Connecteur 50091 | ||||
| 97 | 959140 | 3.30 | 3.96 | |
| Pince pour cordon | ||||
| 98 | 975144 | 1.04 | 1.24 | |
| Pas d'informations disponibles, non commandable | ||||
| 99 | 322703 | |||
| Pas d'informations disponibles, non commandable | ||||
| 100 | 322699 | |||
| Rondelle de ressort M6 (ancien 949455z, 10 pieces) | ||||
| 101 | 949455 | 1.05 | 1.26 | |
| Vis M6x16 (paquet de 10) | ||||
| 102 | 949755 | 3.00 | 3.60 | |
| Vis machine M5x10 (noir) | ||||
| 103 | 323040 | 1.05 | 1.26 | |
| BLADE COVER (C) | ||||
| 104 | 322694 | 1.86 | 2.23 | |
| HEX SOCKET HD FLAT SCREW M6X16 NEW | ||||
| 105 | 968771 | 1.00 | 1.20 | |
| GUIDE PLATE | ||||
| 106 | 319165 | 6.42 | 7.70 | |
| Ecrou | ||||
| 107 | 319166 | 1.80 | 2.16 | |
| Vis machine M5x30 (noir) | ||||
| 108 | 323041 | 1.05 | 1.26 | |
| PIN D4X10 (10 STUKS) | ||||
| 109 | 949891 | 1.98 | 2.38 | |
| Pas d'informations disponibles, non commandable | ||||
| 110 | 325375 | |||
| Rondelle Ø5 (x10) paquet de 10 | ||||
| 111 | 949431 | 1.04 | 1.24 | |
| Pas d'informations disponibles, non commandable | ||||
| 112 | 323042 | |||
| Rondelle M.6 (x10) paquet de 10 | ||||
| 113 | 949432 | 1.05 | 1.26 | |
| Rondelle de ressort M6 (ancien 949455z, 10 pieces) | ||||
| 114 | 949455 | 1.05 | 1.26 | |
| Broche de roulement (b) | ||||
| 115 | 322681 | 1.20 | 1.44 | |
| Rondelle de boulon M4 (noir) Pour 220v-240v | ||||
| 116 | 323210 | 1.05 | 1.26 | |
| Rouleau 604vv | ||||
| 117 | 323043 | 3.15 | 3.78 | |
| Broche de roulement | ||||
| 118 | 322680 | 1.20 | 1.44 | |
| Pas d'informations disponibles, non commandable | ||||
| 119 | 322679 | |||
| Vis M6*20 (paquet de 10) | ||||
| 120 | 949660 | 3.30 | 3.96 | |
| Rondelle de ressort M6 (ancien 949455z, 10 pieces) | ||||
| 121 | 949455 | 1.05 | 1.26 | |
| Pas d'informations disponibles, non commandable | ||||
| 122 | 977109 | |||
| RING (B) | ||||
| 123 | 936311 | 1.00 | 1.20 | |
| PLASTIC RING | ||||
| 124 | 977108 | 1.00 | 1.20 | |
| NAALDLAGER | ||||
| 125 | 319150 | 5.52 | 6.62 | |
| BLADE PULLEY ASS'Y | ||||
| 126 | 322690 | 14.90 | 17.88 | |
| RUBBERWIEL | ||||
| 127 | 977110 | 7.50 | 9.00 | |
| PULLEY SHAFT (B) | ||||
| 128 | 322689 | 5.52 | 6.62 | |
| MOER | ||||
| 129 | 322686 | 1.00 | 1.20 | |
| Pas d'informations disponibles, non commandable | ||||
| 130 | 322685 | |||
| SCHACHT | ||||
| 131 | 977116 | 10.86 | 13.03 | |
| Vis M6x16 (paquet de 10) | ||||
| 132 | 949755 | 3.00 | 3.60 | |
| SCHROEF (A) | ||||
| 133 | 977117 | 2.58 | 3.10 | |
| BORGRING | ||||
| 134 | 973040 | 1.74 | 2.09 | |
| SCHROEF (A) | ||||
| 135 | 977117 | 2.58 | 3.10 | |
| Rondelle de ressort M6 (ancien 949455z, 10 pieces) | ||||
| 136 | 949455 | 1.05 | 1.26 | |
| Rondelle M8 (x10) Paquet de 10 | ||||
| 137 | 949426 | 1.05 | 1.26 | |
| Pas d'informations disponibles, non commandable | ||||
| 138 | 322688 | |||
| Goupille fendue D2x12 (10 pièces) | ||||
| 139 | 949531 | 1.05 | 1.26 | |
| CAM SHAFT (A) | ||||
| 140 | 322687 | 13.20 | 15.84 | |
| LAGERHOUDER (B) | ||||
| 141 | 320172 | 11.70 | 14.04 | |
| Rondelle Ø5 (x10) paquet de 10 | ||||
| 142 | 949431 | 1.04 | 1.24 | |
| Pas d'informations disponibles, non commandable | ||||
| 143 | 323042 | |||
| Rondelle M.6 (x10) paquet de 10 | ||||
| 144 | 949432 | 1.05 | 1.26 | |
| Rondelle de ressort M6 (ancien 949455z, 10 pieces) | ||||
| 145 | 949455 | 1.05 | 1.26 | |
| Broche de roulement (b) | ||||
| 146 | 322681 | 1.20 | 1.44 | |
| Rondelle de boulon M4 (noir) Pour 220v-240v | ||||
| 147 | 323210 | 1.05 | 1.26 | |
| Rouleau 604vv | ||||
| 148 | 323043 | 3.15 | 3.78 | |
| Broche de roulement | ||||
| 149 | 322680 | 1.20 | 1.44 | |
| Pas d'informations disponibles, non commandable | ||||
| 150 | 322691 | |||
| Pas d'informations disponibles, non commandable | ||||
| 151 | 323205 | |||
| Pas d'informations disponibles, non commandable | ||||
| 152 | 323045 | |||
| Pas d'informations disponibles, non commandable | ||||
| 153 | 323046 | |||
| Lampe Temoin (12v 5w) | ||||
| 154 | 315229 | 9.30 | 11.16 | |
| Pas d'informations disponibles, non commandable | ||||
| 155 | 317838 | |||
| Pas d'informations disponibles, non commandable | ||||
| 156 | 319169 | |||
| Pas d'informations disponibles, non commandable | ||||
| 157 | 322692 | |||
| Pas d'informations disponibles, non commandable | ||||
| 158 | 322701 | |||
| Vis auto-taraudeuse (avec bride) D5x25 (noir) | ||||
| 159 | 305558 | 1.04 | 1.24 | |
| Pas d'informations disponibles, non commandable | ||||
| 160 | 323206 | |||
| Pas d'informations disponibles, non commandable | ||||
| 161 | 322702 | |||
| Pas d'informations disponibles, non commandable | ||||
| 162 | 319840 | |||
| Vis Diam 5x12 Cc 14se | ||||
| 163 | 996247 | 1.05 | 1.26 | |
| Pas d'informations disponibles, non commandable | ||||
| 164 | 323047 | |||
| ROLPIN D4X20 RVS | ||||
| 165 | 321956 | 1.50 | 1.80 | |
| Palier | ||||
| 166 | 322695 | 3.15 | 3.78 | |
| PIN D4X10 (10 STUKS) | ||||
| 167 | 949891 | 1.98 | 2.38 | |
| Rondelle de ressort M6 (ancien 949455z, 10 pieces) | ||||
| 168 | 949455 | 1.05 | 1.26 | |
| Vis M6*20 (paquet de 10) | ||||
| 169 | 949660 | 3.30 | 3.96 | |
| Pas d'informations disponibles, non commandable | ||||
| 170 | 322693 | |||
| Pas d'informations disponibles, non commandable | ||||
| 171 | 323208 | |||
| Pas d'informations disponibles, non commandable | ||||
| 172 | 323038 | |||
| Rondelle Diam 8 Noir H65sd2 | ||||
| 173 | 323212 | 1.05 | 1.26 | |
| Pas d'informations disponibles, non commandable | ||||
| 174 | 323039 | |||
| ROL PIN D4X20 (10 STUKS) | ||||
| 175 | 949499 | 1.74 | 2.09 | |
| SPANNER | ||||
| 176 | 977119 | 20.79 | 24.95 | |
| Pas d'informations disponibles, non commandable | ||||
| 501 | 944458 | |||