Vous trouverez ici toutes les pièces et dessins disponibles du 'Hikoki D13VF'. De là, vous pouvez commander directement toutes les pièces souhaitées. De nombreuses pièces doivent être commandées auprès du fabricant, selon la marque, cela prend une à quatre semaines. Toutes les informations dont nous disposons se trouvent sur notre site Web, nous ne pouvons pas vous conseiller sur ce dont vous avez besoin, pour cela vous devrez retourner la machine pour réparation. Veuillez noter ce qui suit lors de la commande:
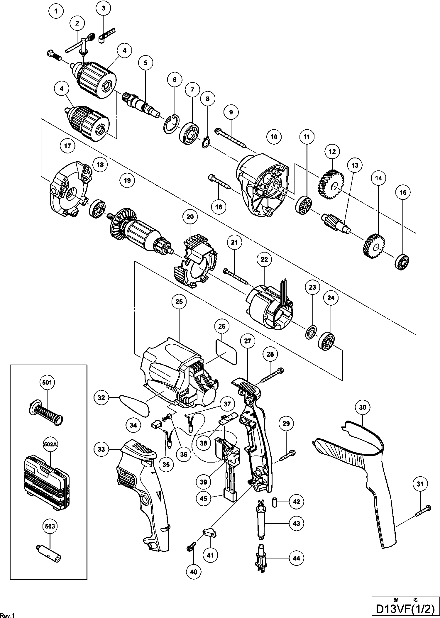
Dessins des Hikoki D13VF
Liste de pièces de rechange des Hikoki D13VF
| Pos. | Description | Prix hors TVA | Prix TTC | |
| Les prix affichés incluent la TVA | ||||
| Induit 230v | ||||
| *19 | 360543E | 67.24 | 80.68 | |
| Inducteur | ||||
| *22 | 340504E | 41.94 | 50.32 | |
| Self antiparasite | ||||
| *35 | 320197 | 6.60 | 7.92 | |
| Self antiparasite | ||||
| *37 | 320196 | 6.60 | 7.92 | |
| Commutateur | ||||
| *39 | 320195 | 32.18 | 38.61 | |
| Pas d'informations disponibles, non commandable | ||||
| *4 | 319304 | |||
| Cordon | ||||
| *44 | 500240Z | 13.18 | 15.81 | |
| Cordon 2,5m 2 X 1.0 H05vv-f (ancien 500395z) | ||||
| *44 | 500447Z | 6.60 | 7.92 | |
| SNOER 10.7 (USE 714500=2X1 5M) | ||||
| *44 | 500247Z | 6.18 | 7.42 | |
| Vis spéciale (à gauche) M6x23 | ||||
| 1 | 311959 | 1.50 | 1.80 | |
| Pas d'informations disponibles, non commandable | ||||
| 2 | 319527 | |||
| Pas d'informations disponibles, non commandable | ||||
| 3 | 950288 | |||
| Pas d'informations disponibles, non commandable | ||||
| 4 | 319304 | |||
| Arbre D'entrainement | ||||
| 5 | 319346 | 13.83 | 16.59 | |
| Bague d'arrêt D32 | ||||
| 6 | 948001 | 1.20 | 1.44 | |
| Roulement A Billes | ||||
| 7 | 6002VV | 7.35 | 8.82 | |
| Clips Pour Ø 15 (x10) paquet 10 | ||||
| 8 | 939544 | 2.13 | 2.55 | |
| Vis Cr 17y/dv 20v2 | ||||
| 9 | 305701 | 1.05 | 1.26 | |
| Carter D 13vg | ||||
| 10 | 319345 | 21.86 | 26.24 | |
| Roulement A Billes D13vg | ||||
| 11 | 627VVM | 5.55 | 6.66 | |
| Engrenage H90sc/se | ||||
| 12 | 319299 | 5.25 | 6.30 | |
| Second Pignon Dh 22vb | ||||
| 13 | 319547 | 9.00 | 10.80 | |
| Engrenage | ||||
| 14 | 319544 | 5.40 | 6.48 | |
| Roulement A Billes | ||||
| 15 | 606ZZM | 15.40 | 18.48 | |
| Vis Ø 5*40 D10yb,d13vg | ||||
| 16 | 316458 | 1.50 | 1.80 | |
| Palier | ||||
| 17 | 319344 | 24.06 | 28.88 | |
| Roulement | ||||
| 18 | 608DDM | 5.55 | 6.66 | |
| Induit 230v | ||||
| 19 | 360543E | 67.24 | 80.68 | |
| Baffle | ||||
| 20 | 319329 | 3.90 | 4.68 | |
| Vis autotaraudeuse hexagonale D4x55 | ||||
| 21 | 981421 | 1.04 | 1.24 | |
| Inducteur | ||||
| 22 | 340504E | 41.94 | 50.32 | |
| Rondelle | ||||
| 23 | 982631 | 1.04 | 1.24 | |
| Roulement A Billes | ||||
| 24 | 608VVM | 5.70 | 6.84 | |
| Carcasse | ||||
| 25 | 319328 | 12.89 | 15.46 | |
| Demi_poignee Droite (b) | ||||
| 27 | 319331 | 5.25 | 6.30 | |
| Vis à taraudage (avec bride) D4x35 (noir) | ||||
| 28 | 303694 | 1.04 | 1.24 | |
| Vis à tarauder D4x20 avec bride (noir) | ||||
| 29 | 301653 | 1.04 | 1.24 | |
| Poignée de prise | ||||
| 30 | 319332 | 15.26 | 18.32 | |
| Vis en plastique D4x25 | ||||
| 31 | 319337 | 1.50 | 1.80 | |
| Poignee | ||||
| 33 | 319330 | 5.25 | 6.30 | |
| S/e Porte Balais | ||||
| 34 | 955203 | 2.40 | 2.88 | |
| Self antiparasite | ||||
| 35 | 320197 | 6.60 | 7.92 | |
| Fil interne bleu 86l | ||||
| 35 | 319341 | 1.50 | 1.80 | |
| Charbons (1 paire) | ||||
| 36 | 999041 | 4.50 | 5.40 | |
| SMOORSPOEL (BRUIN) 110 VOLT | ||||
| 37 | 320203 | 11.22 | 13.46 | |
| Self antiparasite | ||||
| 37 | 320196 | 6.60 | 7.92 | |
| Fil interne brun 86l | ||||
| 37 | 319340 | 1.50 | 1.80 | |
| Bouton Inverseur Wh8/9/12/14dh | ||||
| 38 | 316166 | 1.65 | 1.98 | |
| Commutateur | ||||
| 39 | 319302 | 37.95 | 45.54 | |
| Commutateur | ||||
| 39 | 319339 | 32.18 | 38.61 | |
| Commutateur | ||||
| 39 | 320195 | 32.18 | 38.61 | |
| Pas d'informations disponibles, non commandable | ||||
| 40 | 984750 | |||
| Serre Cable | ||||
| 41 | 937631 | 1.04 | 1.24 | |
| Manchon à cabler | ||||
| 42 | 981373 | 1.05 | 1.26 | |
| Entree De Cable Ø 8.8 | ||||
| 43 | 380090 | 1.04 | 1.25 | |
| Câble 3M 2 X 1,0 H05vv-f avec prise 16a CEE | ||||
| 44 | 500461Z | 17.88 | 21.45 | |
| Cordon | ||||
| 44 | 500240Z | 13.18 | 15.81 | |
| Cordon 2,5m 2 X 1.0 H05vv-f (ancien 500395z) | ||||
| 44 | 500447Z | 6.60 | 7.92 | |
| SNOER 10.7 (USE 714500=2X1 5M) | ||||
| 44 | 500247Z | 6.18 | 7.42 | |
| Condensateur | ||||
| 45 | 320198 | 10.95 | 13.14 | |
| Pas d'informations disponibles, non commandable | ||||
| 46 | 378115 | |||
| Poignée (old 500335) | ||||
| 501 | 981205 | 5.85 | 7.02 | |
| Pas d'informations disponibles, non commandable | ||||
| 502A | 319543 | |||
| Joint de poignée | ||||
| 503 | 319550 | 7.45 | 8.94 | |
| Pas d'informations disponibles, non commandable | ||||
| 601 | 319528 | |||
| Roulement à aiguilles Hk0810 | ||||
| 602 | 670714 | 6.45 | 7.74 | |
| TANDWIEL | ||||
| 603 | 986149 | 19.69 | 23.63 | |
| Roulement à billes 6301vvcmps2s | ||||
| 604 | 6301VV | 8.55 | 10.26 | |
| Bague | ||||
| 605 | 986147 | 1.05 | 1.26 | |
| INLEGSPIE 3X10 *TD5-1-2* | ||||
| 606 | 932819 | 1.26 | 1.51 | |
| AS | ||||
| 607 | 986146 | 26.46 | 31.75 | |
| Connecteur | ||||
| 608 | 986143 | 6.75 | 8.10 | |
| Pas d'informations disponibles, non commandable | ||||
| 609 | 986142 | |||
| BOUT M8X45 (10 STUKS) | ||||
| 610 | 949632 | 2.34 | 2.81 | |
| Rondelle M8 (x10) Paquet de 10 | ||||
| 611 | 949426 | 1.05 | 1.26 | |
| TANDWIELHUIS + NAALDLAGER | ||||
| 612 | 986144 | 40.70 | 48.84 | |
| AS EN TANDWIELSET | ||||
| 613 | 986156 | 64.52 | 77.42 | |
| Pas d'informations disponibles, non commandable | ||||
| 614 | 949168 | |||
| Crochet | ||||
| 615 | 317676 | 3.30 | 3.96 | |