Vous trouverez ici toutes les pièces et dessins disponibles du 'Hikoki D10VJ'. De là, vous pouvez commander directement toutes les pièces souhaitées. De nombreuses pièces doivent être commandées auprès du fabricant, selon la marque, cela prend une à quatre semaines. Toutes les informations dont nous disposons se trouvent sur notre site Web, nous ne pouvons pas vous conseiller sur ce dont vous avez besoin, pour cela vous devrez retourner la machine pour réparation. Veuillez noter ce qui suit lors de la commande:
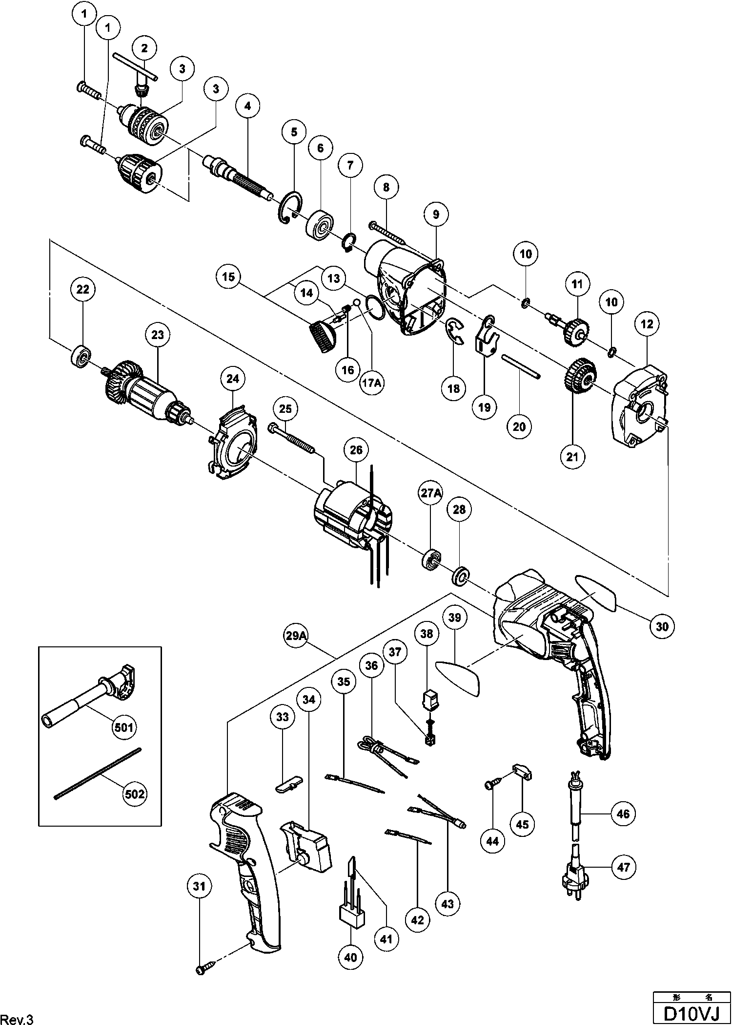
Dessins des Hikoki D10VJ
Liste de pièces de rechange des Hikoki D10VJ
| Pos. | Description | Prix hors TVA | Prix TTC | |
| Les prix affichés incluent la TVA | ||||
| Vis spéciale (à gauche) M6x23 | ||||
| 1 | 311959 | 1.50 | 1.80 | |
| Pas d'informations disponibles, non commandable | ||||
| 2 | 987575 | |||
| Pas d'informations disponibles, non commandable | ||||
| 3 | 322581 | |||
| Fuseau (e) | ||||
| 4 | 323956 | 16.91 | 20.30 | |
| Clips D35 (x10) paquet de 10 | ||||
| 5 | 939556 | 10.20 | 12.24 | |
| Roulement A Bille | ||||
| 6 | 6202DD | 6.75 | 8.10 | |
| Clips Pour Ø 15 (x10) paquet 10 | ||||
| 7 | 939544 | 2.13 | 2.55 | |
| Vis D5*45 | ||||
| 8 | 316321 | 1.65 | 1.98 | |
| Carter Pignon D 13vb3 | ||||
| 9 | 323959 | 20.90 | 25.08 | |
| Rondelle | ||||
| 10 | 322852 | 1.05 | 1.26 | |
| Second Pignon Dv 18v/dv 20vb2 | ||||
| 11 | 322858 | 23.51 | 28.22 | |
| Pas d'informations disponibles, non commandable | ||||
| 12 | 323958 | |||
| O'ring (s-22) | ||||
| 13 | 306353 | 1.04 | 1.24 | |
| Goupille | ||||
| 14 | 322848 | 1.05 | 1.26 | |
| Ensemble Levier de changement | ||||
| 15 | 322847 | 3.00 | 3.60 | |
| Ressort (voir 984123) | ||||
| 16 | 981328 | 1.05 | 1.26 | |
| Bille d'acier D3.5 (10 Pcs.) | ||||
| 17A | 335299 | 1.04 | 1.24 | |
| Bague de retenue (de type E) pour arbre D15 | ||||
| 18 | 323048 | 1.35 | 1.62 | |
| Bras Dv 18v/dv 20vb2 | ||||
| 19 | 322849 | 1.05 | 1.26 | |
| Broche D5 | ||||
| 20 | 322860 | 1.05 | 1.26 | |
| Pignon | ||||
| 21 | 322846 | 20.90 | 25.08 | |
| Roulement | ||||
| 22 | 608DDM | 5.55 | 6.66 | |
| Induit 230v | ||||
| 23 | 360655E | 36.16 | 43.40 | |
| ANKER 110 VOLT | ||||
| 23 | 360655C | 33.77 | 40.52 | |
| Baffle | ||||
| 24 | 322843 | 2.10 | 2.52 | |
| Vis Ø 4x45 | ||||
| 25 | 981824 | 1.05 | 1.26 | |
| Inducteur Dv 18v | ||||
| 26 | 340589E | 16.36 | 19.64 | |
| VELD 110 VOLT | ||||
| 26 | 340589C | 15.29 | 18.35 | |
| Pas d'informations disponibles, non commandable | ||||
| 27A | 698VVC | |||
| Plaq.en Caoutchouc (1) | ||||
| 28 | 309929 | 1.04 | 1.24 | |
| Poignée et Couvercle (ancien 322861+322862) | ||||
| 29A | 331663 | 44.00 | 52.80 | |
| Vis à tarauder D4x20 avec bride (noir) | ||||
| 31 | 301653 | 1.04 | 1.24 | |
| Selecteur | ||||
| 33 | 322853 | 1.05 | 1.26 | |
| Commutateur | ||||
| 34 | 322854 | 20.90 | 25.08 | |
| Fil Interne (marron) 100l Pour Kuw,ina,sau,sin | ||||
| 35 | 321630 | 3.30 | 3.96 | |
| Anti Parasite Marron Except For Sin,usa,can | ||||
| 36 | 322517 | 7.65 | 9.18 | |
| SMOORSPOEL BRUIN 110 VOLT | ||||
| 36 | 322518 | 7.14 | 8.57 | |
| Charbons (1 paire) | ||||
| 37 | 999041 | 4.50 | 5.40 | |
| S/e Porte Balais | ||||
| 38 | 955203 | 2.40 | 2.88 | |
| Condensateur | ||||
| 40 | 994273 | 4.29 | 5.14 | |
| Terminale | ||||
| 41 | 992635 | 1.05 | 1.26 | |
| Fil Interne (bleu) 55l Pour Kuw,ina,sau,sin | ||||
| 42 | 321631 | 3.30 | 3.96 | |
| Self antiparasite | ||||
| 43 | 321634 | 6.15 | 7.38 | |
| SMOORSPOEL BLAUW 110 VOLT | ||||
| 43 | 322519 | 5.46 | 6.55 | |
| Pas d'informations disponibles, non commandable | ||||
| 44 | 984750 | |||
| Serre Cable | ||||
| 45 | 937631 | 1.04 | 1.24 | |
| Pas d'informations disponibles, non commandable | ||||
| 46 | 953327 | |||
| Cordon 2,5m 2 X 1.0 H05vv-f (ancien 500395z) | ||||
| 47 | 500447Z | 6.60 | 7.92 | |
| Poignee Laterale | ||||
| 501 | 323050 | 28.53 | 34.23 | |
| Pas d'informations disponibles, non commandable | ||||
| 502 | 303709 | |||
| Pas d'informations disponibles, non commandable | ||||
| 601 | 322370 | |||