Vous trouverez ici toutes les pièces et dessins disponibles du 'Hikoki D10VH'. De là, vous pouvez commander directement toutes les pièces souhaitées. De nombreuses pièces doivent être commandées auprès du fabricant, selon la marque, cela prend une à quatre semaines. Toutes les informations dont nous disposons se trouvent sur notre site Web, nous ne pouvons pas vous conseiller sur ce dont vous avez besoin, pour cela vous devrez retourner la machine pour réparation. Veuillez noter ce qui suit lors de la commande:
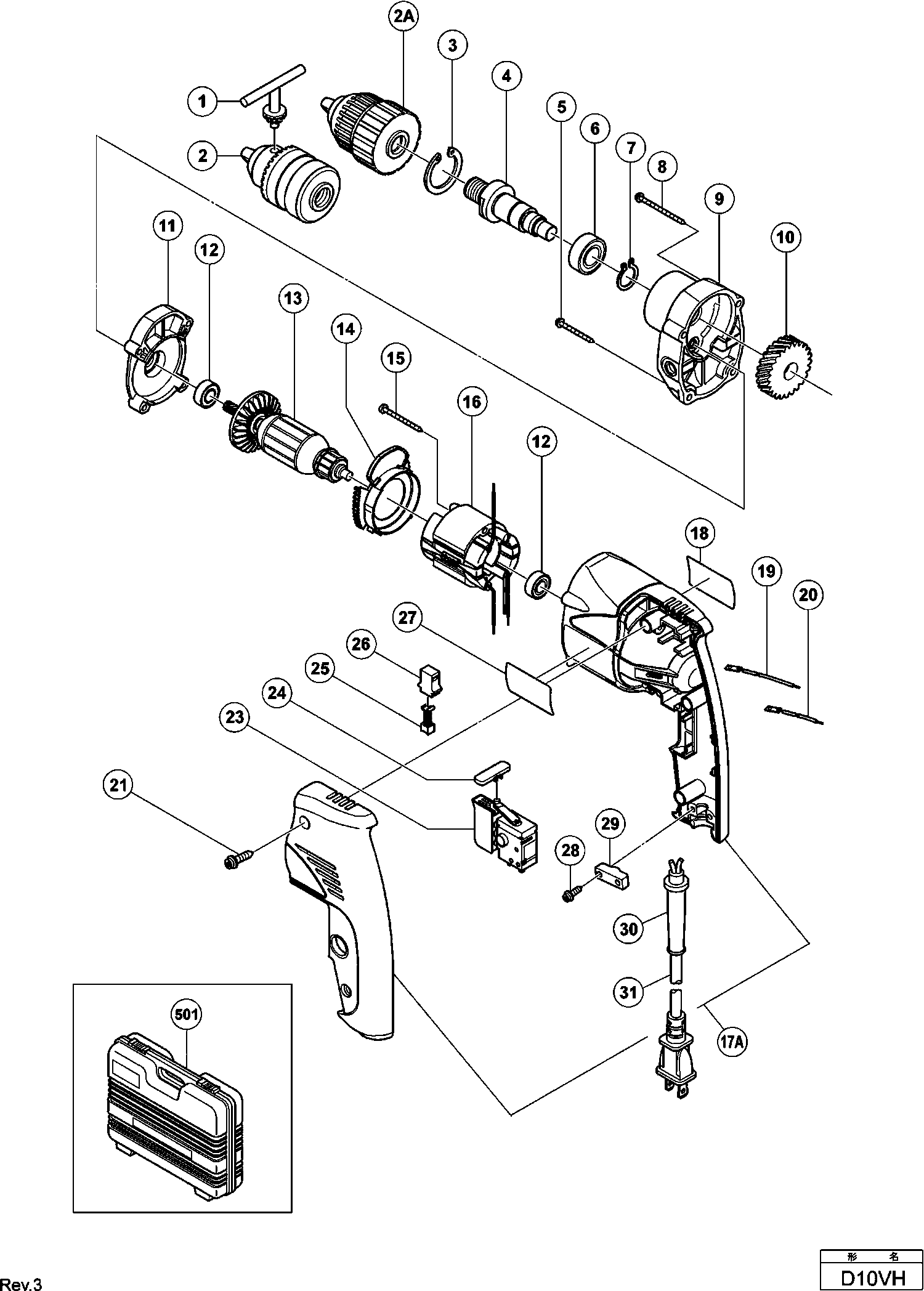
Dessins des Hikoki D10VH
Liste de pièces de rechange des Hikoki D10VH
| Pos. | Description | Prix hors TVA | Prix TTC | |
| Les prix affichés incluent la TVA | ||||
| Pas d'informations disponibles, non commandable | ||||
| 1 | 980057 | |||
| Pas d'informations disponibles, non commandable | ||||
| 2 | 950292 | |||
| Pas d'informations disponibles, non commandable | ||||
| 2A | 323250 | |||
| Bague d'arrêt D32 | ||||
| 3 | 948001 | 1.20 | 1.44 | |
| Arbre | ||||
| 4 | 321626 | 5.46 | 6.56 | |
| Vis à tôle D4x30 (noir) | ||||
| 5 | 305490 | 1.04 | 1.24 | |
| Roulement A Billes | ||||
| 6 | 6002VV | 7.35 | 8.82 | |
| Clips Pour Ø 15 (x10) paquet 10 | ||||
| 7 | 939544 | 2.13 | 2.55 | |
| Vis autotaraudeuse (avec bride) D4x45 (noir) | ||||
| 8 | 301815 | 1.05 | 1.26 | |
| Carter Pignon | ||||
| 9 | 321625 | 9.98 | 11.97 | |
| Pignon | ||||
| 10 | 321627 | 10.43 | 12.51 | |
| Palier | ||||
| 11 | 321624 | 6.15 | 7.38 | |
| Roulement A Billes | ||||
| 12 | 608VVM | 5.70 | 6.84 | |
| Pas d'informations disponibles, non commandable | ||||
| 13 | 360597U | |||
| Baffle | ||||
| 14 | 321623 | 1.50 | 1.80 | |
| SCHROEF D4X45 | ||||
| 15 | 991031 | 1.00 | 1.20 | |
| Pas d'informations disponibles, non commandable | ||||
| 16 | 340548D | |||
| Couvercle Poignee | ||||
| 17A | 331661 | 32.53 | 39.03 | |
| Fil Interne (marron) 100l Pour Kuw,ina,sau,sin | ||||
| 19 | 321630 | 3.30 | 3.96 | |
| Fil Interne (bleu) 55l Pour Kuw,ina,sau,sin | ||||
| 20 | 321631 | 3.30 | 3.96 | |
| Vis à tarauder D4x20 avec bride (noir) | ||||
| 21 | 301653 | 1.04 | 1.24 | |
| Interrupteur D 10vc2 | ||||
| 23 | 321632 | 29.29 | 35.14 | |
| Bouton Inverseur | ||||
| 24 | 321628 | 1.65 | 1.98 | |
| Charbons (1 paire) | ||||
| 25 | 999041 | 4.50 | 5.40 | |
| S/e Porte Balais | ||||
| 26 | 955203 | 2.40 | 2.88 | |
| Pas d'informations disponibles, non commandable | ||||
| 28 | 984750 | |||
| Serre Cable | ||||
| 29 | 937631 | 1.04 | 1.24 | |
| Pas d'informations disponibles, non commandable | ||||
| 30 | 953327 | |||
| Cordon | ||||
| 31 | 500240Z | 13.18 | 15.81 | |
| Pas d'informations disponibles, non commandable | ||||
| 501 | 321635 | |||
| Pas d'informations disponibles, non commandable | ||||
| 601 | 982593 | |||
| Pas d'informations disponibles, non commandable | ||||
| 602 | 321612 | |||
| Poignée (old 500335) | ||||
| 603 | 981205 | 5.85 | 7.02 | |
| Pas d'informations disponibles, non commandable | ||||
| 604 | 873929 | |||