Vous trouverez ici toutes les pièces et dessins disponibles du 'Hikoki D10VG'. De là, vous pouvez commander directement toutes les pièces souhaitées. De nombreuses pièces doivent être commandées auprès du fabricant, selon la marque, cela prend une à quatre semaines. Toutes les informations dont nous disposons se trouvent sur notre site Web, nous ne pouvons pas vous conseiller sur ce dont vous avez besoin, pour cela vous devrez retourner la machine pour réparation. Veuillez noter ce qui suit lors de la commande:
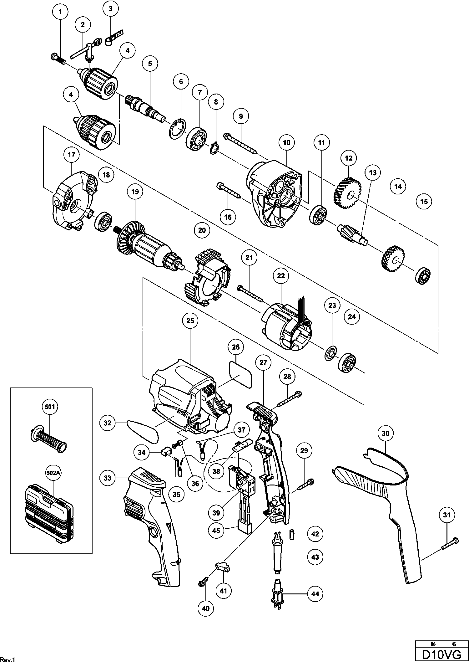
Dessins des Hikoki D10VG
Liste de pièces de rechange des Hikoki D10VG
| Pos. | Description | Prix hors TVA | Prix TTC | |
| Les prix affichés incluent la TVA | ||||
| Induit 230v | ||||
| *19 | 360543E | 67.24 | 80.68 | |
| Inducteur | ||||
| *22 | 340504E | 41.94 | 50.32 | |
| Stator 120v pour Pan (127v),bra (127v) | ||||
| *22 | 340486C | 38.64 | 46.36 | |
| Self antiparasite | ||||
| *35 | 320197 | 6.60 | 7.92 | |
| Self antiparasite | ||||
| *37 | 320196 | 6.60 | 7.92 | |
| Commutateur | ||||
| *39 | 320195 | 32.18 | 38.61 | |
| Pas d'informations disponibles, non commandable | ||||
| *4 | 319342 | |||
| Cordon 2,5m 2 X 1.0 H05vv-f (ancien 500395z) | ||||
| *44 | 500447Z | 6.60 | 7.92 | |
| SNOER 10.7 (USE 714500=2X1 5M) | ||||
| *44 | 500247Z | 6.18 | 7.42 | |
| Vis spéciale (à gauche) M6x23 | ||||
| 1 | 311959 | 1.50 | 1.80 | |
| Pas d'informations disponibles, non commandable | ||||
| 2 | 319529 | |||
| Pas d'informations disponibles, non commandable | ||||
| 3 | 950288 | |||
| Pas d'informations disponibles, non commandable | ||||
| 4 | 319343 | |||
| Arbre D'entrainement | ||||
| 5 | 319346 | 13.83 | 16.59 | |
| Bague d'arrêt D32 | ||||
| 6 | 948001 | 1.20 | 1.44 | |
| Roulement A Billes | ||||
| 7 | 6002VV | 7.35 | 8.82 | |
| Clips Pour Ø 15 (x10) paquet 10 | ||||
| 8 | 939544 | 2.13 | 2.55 | |
| Vis Cr 17y/dv 20v2 | ||||
| 9 | 305701 | 1.05 | 1.26 | |
| Carter D 13vg | ||||
| 10 | 319345 | 21.86 | 26.24 | |
| Roulement A Billes D13vg | ||||
| 11 | 627VVM | 5.55 | 6.66 | |
| Pas d'informations disponibles, non commandable | ||||
| 12 | 319347 | |||
| Second Pignon Dh 22vb | ||||
| 13 | 319545 | 8.40 | 10.08 | |
| Engrenage | ||||
| 14 | 319544 | 5.40 | 6.48 | |
| Roulement A Billes | ||||
| 15 | 606ZZM | 15.40 | 18.48 | |
| Vis Ø 5*40 D10yb,d13vg | ||||
| 16 | 316458 | 1.50 | 1.80 | |
| Palier | ||||
| 17 | 319344 | 24.06 | 28.88 | |
| Roulement | ||||
| 18 | 608DDM | 5.55 | 6.66 | |
| Induit 230v | ||||
| 19 | 360543E | 67.24 | 80.68 | |
| Baffle | ||||
| 20 | 319329 | 3.90 | 4.68 | |
| Vis autotaraudeuse hexagonale D4x55 | ||||
| 21 | 981421 | 1.04 | 1.24 | |
| Inducteur | ||||
| 22 | 340504E | 41.94 | 50.32 | |
| Stator 120v pour Pan (127v),bra (127v) | ||||
| 22 | 340486C | 38.64 | 46.36 | |
| Rondelle | ||||
| 23 | 982631 | 1.04 | 1.24 | |
| Roulement A Billes | ||||
| 24 | 608VVM | 5.70 | 6.84 | |
| Carcasse | ||||
| 25 | 319328 | 12.89 | 15.46 | |
| Demi_poignee Droite (b) | ||||
| 27 | 319331 | 5.25 | 6.30 | |
| Vis à taraudage (avec bride) D4x35 (noir) | ||||
| 28 | 303694 | 1.04 | 1.24 | |
| Vis à tarauder D4x20 avec bride (noir) | ||||
| 29 | 301653 | 1.04 | 1.24 | |
| Poignée de prise | ||||
| 30 | 319332 | 15.26 | 18.32 | |
| Vis en plastique D4x25 | ||||
| 31 | 319337 | 1.50 | 1.80 | |
| Poignee | ||||
| 33 | 319330 | 5.25 | 6.30 | |
| S/e Porte Balais | ||||
| 34 | 955203 | 2.40 | 2.88 | |
| Self antiparasite | ||||
| 35 | 320197 | 6.60 | 7.92 | |
| Fil interne bleu 86l | ||||
| 35 | 319341 | 1.50 | 1.80 | |
| Charbons (1 paire) | ||||
| 36 | 999041 | 4.50 | 5.40 | |
| SMOORSPOEL (BRUIN) 110 VOLT | ||||
| 37 | 320203 | 11.22 | 13.46 | |
| Self antiparasite | ||||
| 37 | 320196 | 6.60 | 7.92 | |
| Fil interne brun 86l | ||||
| 37 | 319340 | 1.50 | 1.80 | |
| Bouton Inverseur Wh8/9/12/14dh | ||||
| 38 | 316166 | 1.65 | 1.98 | |
| Commutateur | ||||
| 39 | 319339 | 32.18 | 38.61 | |
| Commutateur | ||||
| 39 | 320195 | 32.18 | 38.61 | |
| Pas d'informations disponibles, non commandable | ||||
| 40 | 984750 | |||
| Serre Cable | ||||
| 41 | 937631 | 1.04 | 1.24 | |
| Manchon à cabler | ||||
| 42 | 981373 | 1.05 | 1.26 | |
| Entree De Cable Ø 8.8 | ||||
| 43 | 380090 | 1.04 | 1.25 | |
| Câble 3M 2 X 1,0 H05vv-f avec prise 16a CEE | ||||
| 44 | 500461Z | 17.88 | 21.45 | |
| Cordon | ||||
| 44 | 500240Z | 13.18 | 15.81 | |
| Cordon 2,5m 2 X 1.0 H05vv-f (ancien 500395z) | ||||
| 44 | 500447Z | 6.60 | 7.92 | |
| SNOER 10.7 (USE 714500=2X1 5M) | ||||
| 44 | 500247Z | 6.18 | 7.42 | |
| Condensateur | ||||
| 45 | 320198 | 10.95 | 13.14 | |
| Poignée (old 500335) | ||||
| 501 | 981205 | 5.85 | 7.02 | |
| Pas d'informations disponibles, non commandable | ||||
| 502A | 319543 | |||
| Crochet | ||||
| 601 | 317676 | 3.30 | 3.96 | |