Vous trouverez ici toutes les pièces et dessins disponibles du 'Hikoki CS33EB'. De là, vous pouvez commander directement toutes les pièces souhaitées. De nombreuses pièces doivent être commandées auprès du fabricant, selon la marque, cela prend une à quatre semaines. Toutes les informations dont nous disposons se trouvent sur notre site Web, nous ne pouvons pas vous conseiller sur ce dont vous avez besoin, pour cela vous devrez retourner la machine pour réparation. Veuillez noter ce qui suit lors de la commande:
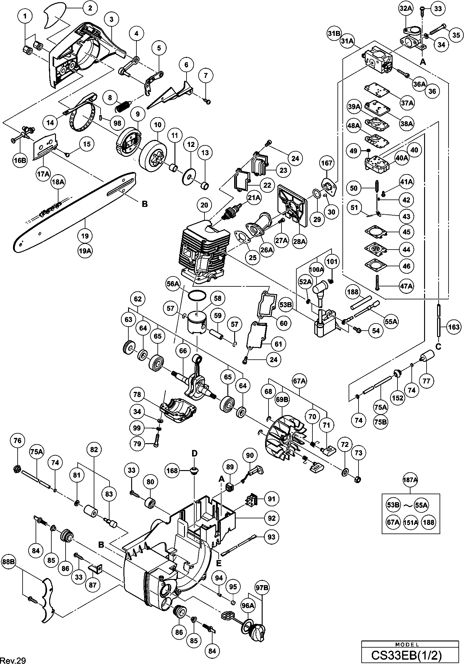
Dessins des Hikoki CS33EB
Liste de pièces de rechange des Hikoki CS33EB
| Pos. | Description | Prix hors TVA | Prix TTC | |
| Les prix affichés incluent la TVA | ||||
| Pas d'informations disponibles, non commandable | ||||
| *18A | 6697889 | |||
| Pas d'informations disponibles, non commandable | ||||
| *19A | 6696992 | |||
| Bougie d'allumage (ancienne 6685085) | ||||
| *21A | 6699317 | 6.76 | 8.12 | |
| Pas d'informations disponibles, non commandable | ||||
| *501 | 6685440 | |||
| Pas d'informations disponibles, non commandable | ||||
| *601A | 6696992 | |||
| Ecrou de serrage de la barre de chaîne | ||||
| 1 | 6685416 | 1.05 | 1.26 | |
| Sous-ensemble de couvercle latéral | ||||
| 3 | 6685406 | 8.85 | 10.62 | |
| Couvercle latéral sous-assembly (vert) | ||||
| 3 | 6685422 | 8.85 | 10.62 | |
| ENSEMBLE SUPPORT DE FREIN | ||||
| 4 | 6685387 | 4.05 | 4.86 | |
| Assemblage de lien de frein | ||||
| 5 | 6685388 | 4.05 | 4.86 | |
| Couvercle de lien de frein | ||||
| 6 | 6685392 | 1.05 | 1.26 | |
| Vis Ø 4*16 Noir | ||||
| 7 | 305812 | 1.04 | 1.24 | |
| Ressort de frein (ancien 6685167) | ||||
| 8 | 6685389 | 1.05 | 1.26 | |
| Pas d'informations disponibles, non commandable | ||||
| 9 | 6685362 | |||
| BOITE D'ACCOUPLEM. | ||||
| 10 | 6685403 | 10.20 | 12.24 | |
| Roulement A Aiguilles | ||||
| 11 | 6685361 | 4.05 | 4.86 | |
| Bague | ||||
| 12 | 6685414 | 1.05 | 1.26 | |
| Plus disponible, pas de remplacement | ||||
| 13 | 6685360 | |||
| Bande de frein | ||||
| 14 | 6685390 | 4.05 | 4.86 | |
| Vis taraudeuse D3 | ||||
| 15 | 6685415 | 1.05 | 1.26 | |
| Extracteur de Chaine | ||||
| 16B | 6698986 | 13.35 | 16.02 | |
| Plaque de Guidage | ||||
| 17A | 6685394 | 2.10 | 2.52 | |
| Pas d'informations disponibles, non commandable | ||||
| 18A | 6697889 | |||
| Pas d'informations disponibles, non commandable | ||||
| 19 | 6685262 | |||
| Pas d'informations disponibles, non commandable | ||||
| 19A | 6696992 | |||
| Cylindre (a) | ||||
| 20 | 6685404 | 56.65 | 67.98 | |
| Cylindre | ||||
| 20 | 6685405 | 56.65 | 67.98 | |
| Bougie d'allumage Bpmr6a (ancienne 6685086) | ||||
| 21A | 6699319 | 8.91 | 10.70 | |
| Bougie d'allumage (ancienne 6685085) | ||||
| 21A | 6699317 | 6.76 | 8.12 | |
| Emballage de couvercle (b) | ||||
| 22 | 6685317 | 1.05 | 1.26 | |
| Couvercle de soupape d'échappement (b) | ||||
| 23 | 6685315 | 2.10 | 2.52 | |
| Boulon à tête hexagonale avec rondelle d'étanchéit | ||||
| 24 | 6696315 | 1.20 | 1.44 | |
| Joint | ||||
| 25 | 6685318 | 1.05 | 1.26 | |
| Admission (a) | ||||
| 26A | 6698897 | 6.90 | 8.28 | |
| Joint hexagonal, boulon à tête M4x10 | ||||
| 27A | 6696860 | 1.05 | 1.26 | |
| Isolateur de carburateur | ||||
| 28A | 6698898 | 2.10 | 2.52 | |
| Joint Torique | ||||
| 29 | 6696316 | 1.20 | 1.44 | |
| Guide d'impulsion | ||||
| 30 | 6685321 | 1.05 | 1.26 | |
| Pas d'informations disponibles, non commandable | ||||
| 31 | 6685435 | |||
| Carburateur (c) Wlb-3 jusqu'à avril 2011 (ancien 6 | ||||
| 31A | 6685437 | 96.94 | 116.32 | |
| Carburateur Ass'y (e) Wlb-5 | ||||
| 31B | 6698683 | 96.94 | 116.32 | |
| Support de nettoyage (ancien 6685323) | ||||
| 32A | 6696843 | 4.20 | 5.04 | |
| Vis autotaraudeuse D5x20 avec bride (noir) | ||||
| 33 | 302089 | 1.05 | 1.26 | |
| Bague | ||||
| 34 | 6685408 | 1.05 | 1.26 | |
| Boulon à tête hexagonale M5x45 | ||||
| 35 | 6696317 | 1.20 | 1.44 | |
| Vis de réglage du ralenti | ||||
| 36 | 6699731 | 3.80 | 4.56 | |
| Vis de réglage du ralenti | ||||
| 36A | 6696318 | 14.85 | 17.82 | |
| Joint de passage | ||||
| 37A | 6696319 | 5.11 | 6.14 | |
| Plaque de passage | ||||
| 38A | 6696320 | 22.99 | 27.58 | |
| Joint de pompe (ancien 577-25292-20 & 6696321) | ||||
| 39A | 6684692 | 29.19 | 35.02 | |
| Corps Ass'y Pompe | ||||
| 40 | 6699645 | 13.76 | 16.52 | |
| Corps de pompe | ||||
| 40A | 6696322 | 27.23 | 32.67 | |
| Plus disponible, pas de remplacement | ||||
| 41A | 6691305 | |||
| Ressort de levier de mesure | ||||
| 42 | 6696323 | 4.63 | 5.55 | |
| Levier de contrôle (ancien 473-25001-20) | ||||
| 43 | 6685217 | 3.30 | 3.96 | |
| Plus disponible, pas de remplacement | ||||
| 44 | 6684690 | |||
| Plus disponible, pas de remplacement | ||||
| 45 | 6685220 | |||
| Couvercle de diaphragme (ancien 476-25004-20) | ||||
| 46 | 6685222 | 4.45 | 5.34 | |
| Vis de réglage (ancien 548-25151-20 & 6696324) | ||||
| 47A | 6684699 | 2.15 | 2.58 | |
| Diaphragme de pompe (ancien 576-25100-20 & 6696325 | ||||
| 48A | 6684693 | 8.58 | 10.29 | |
| Écran d'entrée (ancien 578-25007-20) | ||||
| 49 | 6684700 | 4.29 | 5.14 | |
| Valve à aiguille (ancien 603-25012-20) | ||||
| 50 | 6685215 | 5.28 | 6.33 | |
| Broche de charnière (ancien 605-25001-20) | ||||
| 51 | 6685219 | 1.15 | 1.38 | |
| Plus disponible, pas de remplacement | ||||
| 52A | 6698700 | |||
| Plus disponible, pas de remplacement | ||||
| 53B | 6699989 | |||
| Boulon à tête hexagonale M4x18 (avec rondelles) | ||||
| 54 | 6696326 | 1.20 | 1.44 | |
| Cordon (b) (ancien 6685338) | ||||
| 55A | 6699991 | 1.05 | 1.26 | |
| Anneau de piston (xr1-1856) | ||||
| 56A | 6685331 | 4.05 | 4.86 | |
| Clip de Cir | ||||
| 57 | 6685326 | 1.05 | 1.26 | |
| Piston | ||||
| 58 | 6696313 | 22.83 | 27.39 | |
| Piston | ||||
| 58 | 6685325 | 7.65 | 9.18 | |
| Axe de piston | ||||
| 59 | 6685327 | 1.05 | 1.26 | |
| Emballage de couvercle (a) | ||||
| 60 | 6685316 | 1.05 | 1.26 | |
| Couvercle de soupape d'échappement (a) | ||||
| 61 | 6685314 | 2.10 | 2.52 | |
| Ensemble de Ver de Manivelle | ||||
| 62 | 6685396 | 76.73 | 92.07 | |
| Vis sans fin | ||||
| 63 | 6685330 | 4.50 | 5.40 | |
| Joint d'huile | ||||
| 64 | 6685329 | 2.10 | 2.52 | |
| Roulement A Billes (1) | ||||
| 65 | 6685328 | 3.00 | 3.60 | |
| Vilebrequin | ||||
| 66 | 6685324 | 43.86 | 52.64 | |
| Plus disponible, pas de remplacement | ||||
| 67A | 6699993 | |||
| Bague de retenue D4 | ||||
| 68 | 6685336 | 1.05 | 1.26 | |
| Rotor de magnéto | ||||
| 69A | 6699990 | 5.85 | 7.02 | |
| Rotor de magnéto | ||||
| 69B | 6699990 | 5.85 | 7.02 | |
| Ressort | ||||
| 70 | 6685335 | 1.05 | 1.26 | |
| Crampon de démarrage | ||||
| 71 | 6685334 | 1.05 | 1.26 | |
| Bague | ||||
| 72 | 6685410 | 1.05 | 1.26 | |
| Ecrou | ||||
| 73 | 6685337 | 1.05 | 1.26 | |
| Clip D6 (ancien 680-00070-20) | ||||
| 74 | 6685198 | 1.15 | 1.38 | |
| Tuyau de Carburant | ||||
| 75A | 6698715 | 9.75 | 11.70 | |
| Pas d'informations disponibles, non commandable | ||||
| 75B | 6698998 | |||
| Grommet de carburant | ||||
| 76 | 6685308 | 1.05 | 1.26 | |
| Corps de filtre de pompe (ancien 675-11600-90/6692 | ||||
| 77 | 6685199 | 4.45 | 5.34 | |
| Filtre à pompe | ||||
| 77A | 6600351 | 2.70 | 3.24 | |
| Carter de vilebrequin | ||||
| 78 | 6685339 | 4.50 | 5.40 | |
| Boulon hexagonal M5 | ||||
| 79 | 6685412 | 1.05 | 1.26 | |
| Amortisseur (b) | ||||
| 80 | 6685313 | 2.10 | 2.52 | |
| Bague | ||||
| 81 | 6685407 | 1.05 | 1.26 | |
| Corps de filtre à huile (ancien 486-32710-90) | ||||
| 82 | 6685249 | 2.31 | 2.78 | |
| Corps de filtre à huile | ||||
| 83 | 6685310 | 1.05 | 1.26 | |
| Boulon de Set d'Amortisseur | ||||
| 84 | 6685413 | 1.05 | 1.26 | |
| Entretoise | ||||
| 85 | 696314 | 3.45 | 4.14 | |
| AMORTISSEUR (A) | ||||
| 86 | 6696327 | 4.20 | 5.04 | |
| Attrape-Chaîne | ||||
| 87 | 6685363 | 1.05 | 1.26 | |
| Boulon | ||||
| 88B | 6696329 | 10.20 | 12.24 | |
| Caoutchouc de tige de starter | ||||
| 89 | 6685369 | 1.05 | 1.26 | |
| Bouton d'Étranglement | ||||
| 90 | 6685368 | 1.05 | 1.26 | |
| Bouton d'Étranglement | ||||
| 90 | 6685421 | 1.05 | 1.26 | |
| Pas d'informations disponibles, non commandable | ||||
| 91 | 6685364 | |||
| Plus disponible, pas de remplacement | ||||
| 91A | 6601275 | |||
| Carter De Moteur | ||||
| 92 | 6685307 | 27.50 | 33.00 | |
| Câble (a) | ||||
| 93 | 6685365 | 1.05 | 1.26 | |
| Valve | ||||
| 94 | 6685370 | 2.10 | 2.52 | |
| Filtre | ||||
| 95 | 66A6188 | 1.50 | 1.80 | |
| Emballage du bouchon de réservoir (ancien 630-3252 | ||||
| 96A | 6685179 | 1.15 | 1.38 | |
| Bouchon de réservoir complet | ||||
| 97A | 6698854 | 4.20 | 5.04 | |
| Bouchon de réservoir complet | ||||
| 97A | 6698855 | 4.20 | 5.04 | |
| Bouchon de réservoir complet | ||||
| 97B | 6698358 | 4.20 | 5.04 | |
| Rouleau à aiguilles D3 | ||||
| 98 | 6685391 | 1.05 | 1.26 | |
| Rondelle de ressort M5 (10 pièces) | ||||
| 99 | 949454 | 1.04 | 1.24 | |
| Pas d'informations disponibles, non commandable | ||||
| 100B | 6601421 | |||
| Pas d'informations disponibles, non commandable | ||||
| 101 | 6699186 | |||
| Boulon à tête hexagonale avec joint d'étanchéité M | ||||
| 121A | 6699415 | 1.80 | 2.16 | |
| Tuyau d'échappement | ||||
| 122B | 6699412 | 1.04 | 1.24 | |
| Plaque de fixation de gaze (b) | ||||
| 123B | 6699414 | 1.04 | 1.24 | |
| Grille d'échappement | ||||
| 124A | 6699413 | 1.04 | 1.24 | |
| Silencieux (b) | ||||
| 125A | 6699409 | 27.23 | 32.67 | |
| Silencieux (b) | ||||
| 125A | 6699410 | 5.70 | 6.84 | |
| Emballage de silencieux | ||||
| 126 | 6685346 | 2.10 | 2.52 | |
| Couvercle du filtre à air | ||||
| 127 | 6685382 | 2.10 | 2.52 | |
| Bouton de nettoyeur | ||||
| 128A | 6696849 | 1.20 | 1.44 | |
| Tige d'accélérateur | ||||
| 129A | 6696846 | 2.10 | 2.52 | |
| Poignée Arrière | ||||
| 130A | 6698805 | 1.05 | 1.26 | |
| Blocage de l'interrupteur | ||||
| 131 | 6685420 | 1.05 | 1.26 | |
| Blocage de l'interrupteur | ||||
| 131 | 6685350 | 1.05 | 1.26 | |
| Ressort de levier d'accélérateur (ancien 6685349) | ||||
| 132A | 6600341 | 1.04 | 1.24 | |
| Goupille à Ressort 5x25 (ancien 993-26005-254) | ||||
| 133 | 6685282 | 1.15 | 1.38 | |
| Régulateur | ||||
| 134 | 6685348 | 1.05 | 1.26 | |
| Régulateur | ||||
| 134 | 6685419 | 1.05 | 1.26 | |
| Capuchon intérieur Ass'y | ||||
| 135A | 6685351 | 4.50 | 5.40 | |
| Poignée arrière Ass'y Jusqu'à 04/2011 | ||||
| 136 | 6685347 | 17.46 | 20.96 | |
| Poignée arrière | ||||
| 136A | 6698685 | 20.90 | 25.08 | |
| Poignée d'arc | ||||
| 137A | 6698997 | 9.15 | 10.98 | |
| Élément de filtre à air | ||||
| 138 | 6685378 | 8.10 | 9.72 | |
| Plaque de volet | ||||
| 139 | 6685381 | 1.05 | 1.26 | |
| Couvercle de cylindre | ||||
| 140 | 6685376 | 3.00 | 3.60 | |
| Couvercle de cylindre | ||||
| 140A | 6698687 | 10.20 | 12.24 | |
| Poignée de frein | ||||
| 142 | 6685373 | 5.85 | 7.02 | |
| Ressort | ||||
| 143 | 6685374 | 1.05 | 1.26 | |
| Rouleau à aiguilles | ||||
| 144 | 6685356 | 1.05 | 1.26 | |
| Caisse de pompe (vieux 6685353) | ||||
| 145A | 6699118 | 7.50 | 9.00 | |
| Ressort d'engrenage de pompe | ||||
| 146 | 6685355 | 1.05 | 1.26 | |
| Engrenage de pompe | ||||
| 147 | 6685354 | 2.10 | 2.52 | |
| Plus disponible, pas de remplacement | ||||
| 148 | 6685357 | |||
| Couvercle de pompe | ||||
| 149 | 6685359 | 1.05 | 1.26 | |
| Joint de Tuyau | ||||
| 150 | 6685358 | 1.05 | 1.26 | |
| Déflecteur d'air | ||||
| 151A | 6600345 | 1.04 | 1.24 | |
| Plus disponible, pas de remplacement | ||||
| 152 | 6698931 | |||
| Démarreur à rappel incl.173-175,180-182,184 | ||||
| 160B | 6696847 | 20.90 | 25.08 | |
| Pas d'informations disponibles, non commandable | ||||
| 160C | 6698684 | |||
| Vis auto-taraudeuse (avec bride) D5x25 (noir) | ||||
| 162 | 305558 | 1.04 | 1.24 | |
| Pas d'informations disponibles, non commandable | ||||
| 163 | 6698845 | |||
| Grommet de retour (ancien 6684627) | ||||
| 164A | 6697846 | 1.04 | 1.24 | |
| Tuyau de carburant (ancien 700-52545-26) | ||||
| 165 | 6692413 | 2.95 | 3.54 | |
| Pompe d'amorçage Comp. (ancien 442-25143-80) | ||||
| 166 | 6685139 | 5.94 | 7.12 | |
| INTAKE SPACER | ||||
| 167 | 6698847 | 9.90 | 11.88 | |
| Grommet de carburant | ||||
| 168 | 6685308 | 1.05 | 1.26 | |
| Étiquette d'amorçage depuis 11.2013 pour l'Europe | ||||
| 169 | 6699000 | 1.04 | 1.24 | |
| Pas d'informations disponibles, non commandable | ||||
| 170 | 6698923 | |||
| Étiquette marque réservoir | ||||
| 171 | 6698921 | 1.20 | 1.44 | |
| Étiquette marque réservoir (25:1) | ||||
| 171 | 6698922 | 1.20 | 1.44 | |
| Étiquette de démarrage depuis 5.2011 pour l'Europe | ||||
| 172 | 6698999 | 1.04 | 1.24 | |
| VIS DE BLOCAGE | ||||
| 173 | 6699475 | 1.04 | 1.24 | |
| Plus disponible, pas de remplacement | ||||
| 174 | 6699481 | |||
| Plus disponible, pas de remplacement | ||||
| 175 | 6699480 | |||
| VIS DE BLOCAGE | ||||
| 176 | 6699476 | 1.04 | 1.24 | |
| Plus disponible, pas de remplacement | ||||
| 177 | 6699478 | |||
| Ressort amortisseur | ||||
| 178 | 6699479 | 1.65 | 1.98 | |
| Bobine | ||||
| 179 | 6699485 | 2.40 | 2.88 | |
| Corde de démarrage | ||||
| 180 | 6699468 | 1.04 | 1.24 | |
| Corde de démarrage | ||||
| 180 | 6699469 | 1.04 | 1.24 | |
| Arrêt de corde | ||||
| 181 | 6699465 | 1.04 | 1.24 | |
| Bouton de démarrage | ||||
| 182 | 6699467 | 1.95 | 2.34 | |
| Ensemble de poignée de départ | ||||
| 183 | 6699471 | 3.15 | 3.78 | |
| Boîtier de ventilateur | ||||
| 184 | 6699486 | 7.80 | 9.36 | |
| Boîtier de ventilateur | ||||
| 184A | 6699494 | 11.10 | 13.32 | |
| Vis 4x10 Since 1.2018 For Usa,can | ||||
| 185 | 329983 | 1.65 | 1.98 | |
| Ensemble Silencieux (réparation) Incl.121a,122b,12 | ||||
| 186 | 6699408 | 11.40 | 13.68 | |
| Ensemble Silencieux (réparation) Incl.125a,121a Ju | ||||
| 186 | 6699407 | 9.30 | 11.16 | |
| Échappement (c) Ass'y (ancien 6699406) | ||||
| 186A | 6601475 | 33.41 | 40.10 | |
| Ensemble Magneto | ||||
| 187A | 6600344 | 34.93 | 41.91 | |
| Tube d'isolation de cordon | ||||
| 188 | 6600343 | 1.04 | 1.24 | |
| Pas d'informations disponibles, non commandable | ||||
| 501 | 6685440 | |||
| Cle à Molette Combi | ||||
| 502 | 6685402 | 3.15 | 3.78 | |
| Pas d'informations disponibles, non commandable | ||||
| 601A | 6696992 | |||
| Boulon | ||||
| 602 | 6696329 | 10.20 | 12.24 | |