Vous trouverez ici toutes les pièces et dessins disponibles du 'Hikoki CS30SB'. De là, vous pouvez commander directement toutes les pièces souhaitées. De nombreuses pièces doivent être commandées auprès du fabricant, selon la marque, cela prend une à quatre semaines. Toutes les informations dont nous disposons se trouvent sur notre site Web, nous ne pouvons pas vous conseiller sur ce dont vous avez besoin, pour cela vous devrez retourner la machine pour réparation. Veuillez noter ce qui suit lors de la commande:
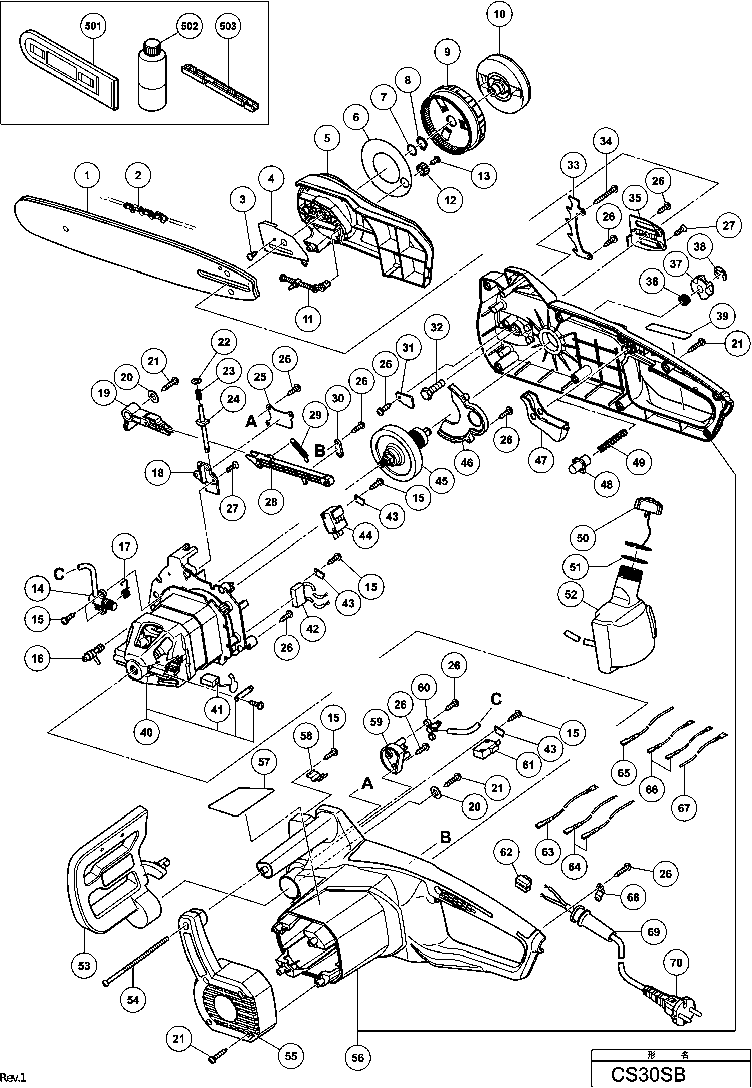
Dessins des Hikoki CS30SB
Liste de pièces de rechange des Hikoki CS30SB
| Pos. | Description | Prix hors TVA | Prix TTC | |
| Les prix affichés incluent la TVA | ||||
| Vis taraudeuse D3 | ||||
| *15 | 6685415 | 1.05 | 1.26 | |
| Pas d'informations disponibles, non commandable | ||||
| *43 | 338806 | |||
| Pas d'informations disponibles, non commandable | ||||
| 1 | 6696990 | |||
| Pas d'informations disponibles, non commandable | ||||
| 2 | 6697852 | |||
| Vis autotaraudeuse D3 | ||||
| 3 | 696352 | 1.13 | 1.35 | |
| Plaque de Guidage | ||||
| 4 | 338943 | 1.05 | 1.26 | |
| Capuchon d'extrémité | ||||
| 5 | 338794 | 6.30 | 7.56 | |
| Joint anti-poussière | ||||
| 6 | 335688 | 1.04 | 1.24 | |
| O Ring (1ap-12) | ||||
| 7 | 996407 | 1.05 | 1.26 | |
| Circlips Ø14 (x10)paquet de 10 | ||||
| 8 | 939543 | 2.55 | 3.06 | |
| Assemblage d'alimentation à commutation | ||||
| 9 | 335150 | 2.40 | 2.88 | |
| Bouton | ||||
| 10 | 335151 | 6.75 | 8.10 | |
| Tire-chaîne | ||||
| 11 | 335966 | 6.15 | 7.38 | |
| Pignon | ||||
| 12 | 335152 | 1.35 | 1.62 | |
| Vis machine M4x8 (noir) | ||||
| 13 | 315500 | 1.35 | 1.62 | |
| Pompe à huile | ||||
| 14 | 338820 | 6.60 | 7.92 | |
| Vis taraudeuse D3 | ||||
| 15 | 6685415 | 1.05 | 1.26 | |
| Boulon de réglage | ||||
| 16 | 335967 | 3.30 | 3.96 | |
| Ressort d'extension | ||||
| 17 | 338821 | 1.04 | 1.24 | |
| Plaque de cadre | ||||
| 18 | 338812 | 2.25 | 2.70 | |
| Tige de poussoir avant | ||||
| 19 | 338825 | 2.70 | 3.24 | |
| Pas d'informations disponibles, non commandable | ||||
| 20 | 338824 | |||
| Vis à tarauder D5x16 | ||||
| 21 | 339124 | 1.80 | 2.16 | |
| Rondelle (1) | ||||
| 22 | 338809 | 1.04 | 1.24 | |
| Ressort (1) | ||||
| 23 | 338810 | 1.04 | 1.24 | |
| Barre de frein | ||||
| 24 | 338811 | 1.50 | 1.80 | |
| Pas d'informations disponibles, non commandable | ||||
| 25 | 338816 | |||
| Vis | ||||
| 26 | 954017 | 1.04 | 1.24 | |
| Vis M4x12 (paquet de 10) | ||||
| 27 | 949323 | 1.05 | 1.26 | |
| Tige de poussoir | ||||
| 28 | 338830 | 1.50 | 1.80 | |
| Pas d'informations disponibles, non commandable | ||||
| 29 | 338829 | |||
| Presse Plaque | ||||
| 30 | 338831 | 1.04 | 1.24 | |
| Plaque de pression (b) | ||||
| 31 | 338813 | 1.04 | 1.24 | |
| Pas d'informations disponibles, non commandable | ||||
| 32 | 338814 | |||
| Pas d'informations disponibles, non commandable | ||||
| 32A | 378066 | |||
| Pointe | ||||
| 33 | 338797 | 1.50 | 1.80 | |
| Vis G 13sb | ||||
| 34 | 957580 | 1.05 | 1.26 | |
| Couverture d'isolation | ||||
| 35 | 338796 | 1.05 | 1.26 | |
| Ressort (1) | ||||
| 36 | 338798 | 1.04 | 1.24 | |
| Pignon | ||||
| 37 | 338799 | 3.00 | 3.60 | |
| Rondelle Elastique | ||||
| 38 | 974577 | 1.05 | 1.26 | |
| Assemblage du moteur, y compris.49,50 | ||||
| 40 | 338818 | 116.05 | 139.26 | |
| Pas d'informations disponibles, non commandable | ||||
| 41 | 338946 | |||
| KOOLBORSTELS (2 STUKS) | ||||
| 41A | 999104 | 15.07 | 18.08 | |
| Pas d'informations disponibles, non commandable | ||||
| 42 | 338808 | |||
| Pas d'informations disponibles, non commandable | ||||
| 43 | 338806 | |||
| Commutateur | ||||
| 44 | 338807 | 6.00 | 7.20 | |
| Arbre de sortie | ||||
| 45 | 338819 | 20.76 | 24.92 | |
| Couvercle anti-poussière | ||||
| 46 | 338815 | 1.20 | 1.44 | |
| Bouton De Commande (1) | ||||
| 47 | 338833 | 1.04 | 1.24 | |
| Bouton de verrouillage | ||||
| 48 | 338832 | 1.04 | 1.24 | |
| Ressort de verrouillage | ||||
| 49 | 338804 | 1.04 | 1.24 | |
| Bouchon du réservoir d'huile | ||||
| 50 | 338801 | 1.95 | 2.34 | |
| Plaq.en Caoutchouc (1) | ||||
| 51 | 338803 | 1.04 | 1.24 | |
| Réservoir d'huile | ||||
| 52 | 338805 | 5.85 | 7.02 | |
| Plaque de protection | ||||
| 53 | 338837 | 11.85 | 14.22 | |
| Vis à tarauder D5x130 | ||||
| 54 | 339125 | 1.80 | 2.16 | |
| Couvercle Arrière du Moteur | ||||
| 55 | 338838 | 5.40 | 6.48 | |
| Carter | ||||
| 56 | 338802 | 26.95 | 32.34 | |
| Carter | ||||
| 56A | 338802 | 26.95 | 32.34 | |
| Ressort à lames | ||||
| 58 | 338828 | 1.04 | 1.24 | |
| Base de connecteur | ||||
| 59 | 338823 | 1.04 | 1.24 | |
| Piece De Joint (1) | ||||
| 60 | 338822 | 1.20 | 1.44 | |
| Commutateur | ||||
| 61 | 338827 | 2.40 | 2.88 | |
| Ensemble de bornes depuis 3.2012 pour l'Europe | ||||
| 62 | 338834 | 1.04 | 1.24 | |
| Fil de Connexion 320l (bleu) | ||||
| 63 | 338842 | 1.20 | 1.44 | |
| Pas d'informations disponibles, non commandable | ||||
| 64 | 338841 | |||
| Fil de connexion 300l (rouge) | ||||
| 65 | 338843 | 1.50 | 1.80 | |
| Fil de Connexion 390l (rouge) | ||||
| 66 | 338840 | 2.10 | 2.52 | |
| Fil de Connexion 390l (bleu) | ||||
| 67 | 338839 | 1.05 | 1.26 | |
| Pas d'informations disponibles, non commandable | ||||
| 68 | 338835 | |||
| Armure de cordon | ||||
| 69 | 338836 | 1.04 | 1.24 | |
| Cordon (eu) | ||||
| 70 | 339121 | 7.05 | 8.46 | |
| Pas d'informations disponibles, non commandable | ||||
| 501 | 6699181 | |||
| Clip de prise sauf pour Rus | ||||
| 503 | 309686 | 4.05 | 4.86 | |