Vous trouverez ici toutes les pièces et dessins disponibles du 'Hikoki CR18DSL'. De là, vous pouvez commander directement toutes les pièces souhaitées. De nombreuses pièces doivent être commandées auprès du fabricant, selon la marque, cela prend une à quatre semaines. Toutes les informations dont nous disposons se trouvent sur notre site Web, nous ne pouvons pas vous conseiller sur ce dont vous avez besoin, pour cela vous devrez retourner la machine pour réparation. Veuillez noter ce qui suit lors de la commande:
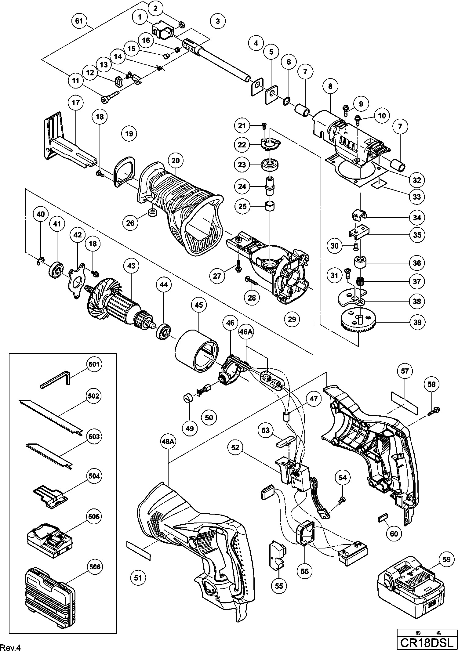
Dessins des Hikoki CR18DSL
Liste de pièces de rechange des Hikoki CR18DSL
| Pos. | Description | Prix hors TVA | Prix TTC | |
| Les prix affichés incluent la TVA | ||||
| Porte Charbon Except For Europe(till 2.2012 For E | ||||
| *46 | 324478 | 4.20 | 5.04 | |
| Entretoise Ferrite For Europe,gbr,nor,swe,den,fin | ||||
| *47 | 318247 | 1.05 | 1.26 | |
| Plaque de Marque | ||||
| *51A | 886342 | 1.80 | 2.16 | |
| Vis à tarauder D4x20 avec bride (noir) | ||||
| *58 | 301653 | 1.04 | 1.24 | |
| Pas d'informations disponibles, non commandable | ||||
| *59 | 330068 | |||
| Adaptateur | ||||
| 1 | 321132 | 15.95 | 19.14 | |
| Ecrou diam 4 | ||||
| 2 | 322709 | 1.65 | 1.98 | |
| Plongeur | ||||
| 3 | 324472 | 18.56 | 22.28 | |
| Joint | ||||
| 4 | 996401 | 1.05 | 1.26 | |
| Feutre | ||||
| 5 | 996400 | 1.05 | 1.26 | |
| O Ring (1ap-12) | ||||
| 6 | 996407 | 1.05 | 1.26 | |
| Entretoise | ||||
| 7 | 956589 | 2.55 | 3.06 | |
| Palier | ||||
| 8 | 324471 | 18.56 | 22.28 | |
| Pas d'informations disponibles, non commandable | ||||
| 9 | 305583 | |||
| Boulon hexagonal. (avec rondelle) M5x16 | ||||
| 10 | 305574 | 1.05 | 1.26 | |
| Vis M4 | ||||
| 11 | 322134 | 1.65 | 1.98 | |
| Capuchon pour Cr13vc | ||||
| 12 | 321130 | 1.35 | 1.62 | |
| Levier Cr13vc | ||||
| 13 | 321131 | 9.69 | 11.62 | |
| Ressort | ||||
| 14 | 321135 | 2.55 | 3.06 | |
| Porte Ressort Cr13vc | ||||
| 15 | 321134 | 12.45 | 14.94 | |
| Ressort | ||||
| 16 | 318483 | 1.20 | 1.44 | |
| Plaque de base | ||||
| 17 | 319866 | 35.06 | 42.08 | |
| Vis Ø4*12 | ||||
| 18 | 951039 | 1.05 | 1.26 | |
| Plaque De Recouvrement | ||||
| 19 | 324474 | 1.05 | 1.26 | |
| Protecteur | ||||
| 20 | 324473 | 18.56 | 22.28 | |
| SEAL LOCK PLATTE VIS M4X12 | ||||
| 21 | 993244 | 1.05 | 1.26 | |
| EMBALLAGE DE ROULEMENT (B) | ||||
| 22 | 319849 | 1.35 | 1.62 | |
| Pas d'informations disponibles, non commandable | ||||
| 23 | 6901VV | |||
| BROCHE D'ARRET | ||||
| 24 | 319848 | 8.85 | 10.62 | |
| Métal (b) | ||||
| 25 | 954789 | 1.05 | 1.26 | |
| Capot | ||||
| 26 | 326353 | 1.05 | 1.26 | |
| Boulon | ||||
| 27 | 996399 | 1.04 | 1.24 | |
| VIS D5X30 | ||||
| 28 | 986011 | 1.04 | 1.24 | |
| Vis à tarauder (avec bride) D5x30 (noir) | ||||
| 28A | 328707 | 1.05 | 1.26 | |
| Flasque Cr24dv Includ.25 | ||||
| 29 | 319844 | 35.00 | 42.00 | |
| Boulon | ||||
| 30 | 319875 | 3.00 | 3.60 | |
| BOULON M6X16 | ||||
| 31 | 319851 | 1.35 | 1.62 | |
| Joint | ||||
| 32 | 319856 | 3.00 | 3.60 | |
| Joint | ||||
| 33 | 319874 | 1.35 | 1.62 | |
| Support | ||||
| 34 | 983567 | 5.11 | 6.14 | |
| Connecteur Cr12v/cr24dv | ||||
| 35 | 996405 | 19.94 | 23.92 | |
| Piece De Raccordement | ||||
| 36 | 983541 | 22.00 | 26.40 | |
| Rouleau à aiguilles | ||||
| 37 | 324470 | 3.30 | 3.96 | |
| Contrepoids Sv12sd | ||||
| 38 | 319852 | 1.50 | 1.80 | |
| Pignon | ||||
| 39 | 324469 | 13.65 | 16.38 | |
| Bague | ||||
| 40 | 670514 | 1.05 | 1.26 | |
| Roulement A Billes | ||||
| 41 | 6001VV | 6.60 | 7.92 | |
| Plaque | ||||
| 42 | 319843 | 1.35 | 1.62 | |
| Induit Includ.40-42,44 | ||||
| 43 | 360703 | 95.01 | 114.02 | |
| Roulement A Billes | ||||
| 44 | 608VVM | 5.70 | 6.84 | |
| Aimant | ||||
| 45 | 324468 | 26.54 | 31.84 | |
| Porte Charbon Except For Europe(till 2.2012 For E | ||||
| 46 | 324478 | 4.20 | 5.04 | |
| Support Porte Charbons Includ.23,24 | ||||
| 46A | 334888 | 8.55 | 10.26 | |
| Entretoise Ferrite For Europe,gbr,nor,swe,den,fin | ||||
| 47 | 318247 | 1.05 | 1.26 | |
| Boîtier (a)+(b) ensemble | ||||
| 48A | 330159 | 30.45 | 36.54 | |
| Bouchon De Charbon | ||||
| 49 | 319847 | 1.65 | 1.98 | |
| Charbons (1 paire) | ||||
| 50 | 999068 | 4.73 | 5.67 | |
| Plaque de Marque | ||||
| 51 | 886342 | 1.80 | 2.16 | |
| Commutateur | ||||
| 52 | 319861 | 43.86 | 52.64 | |
| Bouton Inverseur | ||||
| 53 | 319760 | 1.05 | 1.26 | |
| Vis M.3*12 | ||||
| 54 | 993963 | 1.05 | 1.26 | |
| Dissipateur Thermique | ||||
| 55 | 319812 | 2.85 | 3.42 | |
| Ensemble de terminaux du contrôleur | ||||
| 56 | 330160 | 32.31 | 38.78 | |
| Vis à tarauder D4x20 avec bride (noir) | ||||
| 58 | 301653 | 1.04 | 1.24 | |
| Pas d'informations disponibles, non commandable | ||||
| 59 | 330068 | |||
| Joint | ||||
| 60 | 328709 | 1.80 | 2.16 | |
| Vis spéciale M4 ensemble Includ.2,11 | ||||
| 61 | 322708 | 3.30 | 3.96 | |
| Pas d'informations disponibles, non commandable | ||||
| 501 | 944458 | |||
| Pas d'informations disponibles, non commandable | ||||
| 502 | 318621 | |||
| Pas d'informations disponibles, non commandable | ||||
| 503 | 318613 | |||
| Capuchon de protection pour batterie | ||||
| 504 | 329897 | 1.80 | 2.16 | |
| Pas d'informations disponibles, non commandable | ||||
| 506 | 330157 | |||
| Pas d'informations disponibles, non commandable | ||||
| 602 | 958182 | |||
| Pas d'informations disponibles, non commandable | ||||
| 603 | 958183 | |||
| Pas d'informations disponibles, non commandable | ||||
| 604 | 959611 | |||
| Pas d'informations disponibles, non commandable | ||||
| 605 | 958185 | |||
| Pas d'informations disponibles, non commandable | ||||
| 606 | 958188 | |||
| Pas d'informations disponibles, non commandable | ||||
| 607 | 996427 | |||
| Pas d'informations disponibles, non commandable | ||||
| 608 | 318611 | |||
| Pas d'informations disponibles, non commandable | ||||
| 609 | 318612 | |||
| Pas d'informations disponibles, non commandable | ||||
| 610 | 318614 | |||
| Pas d'informations disponibles, non commandable | ||||
| 611 | 318617 | |||
| Pas d'informations disponibles, non commandable | ||||
| 612 | 318618 | |||
| Pas d'informations disponibles, non commandable | ||||
| 613 | 324818 | |||
| Pas d'informations disponibles, non commandable | ||||
| 614 | 324819 | |||
| Pas d'informations disponibles, non commandable | ||||
| 615 | 318619 | |||
| Pas d'informations disponibles, non commandable | ||||
| 616 | 318620 | |||