Vous trouverez ici toutes les pièces et dessins disponibles du 'Hikoki CR13VC'. De là, vous pouvez commander directement toutes les pièces souhaitées. De nombreuses pièces doivent être commandées auprès du fabricant, selon la marque, cela prend une à quatre semaines. Toutes les informations dont nous disposons se trouvent sur notre site Web, nous ne pouvons pas vous conseiller sur ce dont vous avez besoin, pour cela vous devrez retourner la machine pour réparation. Veuillez noter ce qui suit lors de la commande:
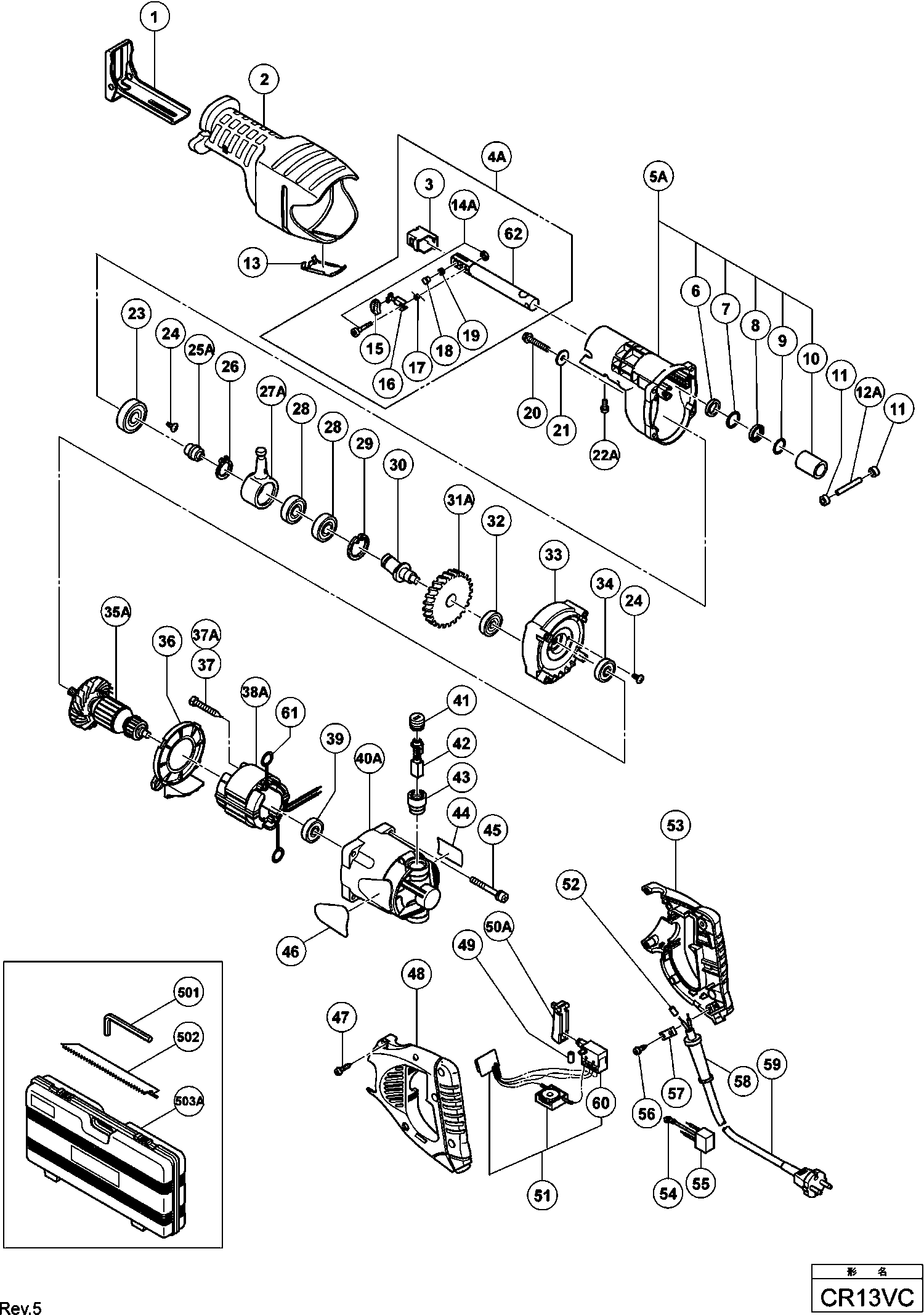
Dessins des Hikoki CR13VC
Liste de pièces de rechange des Hikoki CR13VC
| Pos. | Description | Prix hors TVA | Prix TTC | |
| Les prix affichés incluent la TVA | ||||
| Induit 230v | ||||
| *35A | 360616E | 45.30 | 54.36 | |
| ANKER 110-115 VOLT | ||||
| *35A | 360616C | 42.35 | 50.82 | |
| Stator 220v-230v H-90sa Includ.103 Pour Nzl,saf | ||||
| *38A | 340563J | 31.55 | 37.86 | |
| Poignee G Cr 13vc | ||||
| *48 | 321140 | 14.03 | 16.83 | |
| Commutateur | ||||
| *51 | 318505 | 61.33 | 73.59 | |
| Poignee D Cr 13vc | ||||
| *53 | 321139 | 14.03 | 16.83 | |
| Entree De Cable Ø 8.8 | ||||
| *58 | 380090 | 1.04 | 1.25 | |
| SNOER 2.5M 2 X 1.0 H05VV-F W/PLUG 13A/250V (OLD 50 | ||||
| *59 | 500423Z | 12.87 | 15.44 | |
| Cordon 2,5m 2 X 1.0 H05vv-f (ancien 500395z) | ||||
| *59 | 500447Z | 6.60 | 7.92 | |
| Commutateur | ||||
| *60 | 321960 | 32.18 | 38.61 | |
| Base (b) Cr13vc | ||||
| 1 | 321116 | 9.69 | 11.62 | |
| Boîtier Avant | ||||
| 2 | 321125 | 24.61 | 29.54 | |
| Adaptateur | ||||
| 3 | 321132 | 15.95 | 19.14 | |
| Assemblage de piston (b) y compris 3,14a,15-19,62 | ||||
| 4A | 333738 | 91.30 | 109.56 | |
| Couverture d'engrenage | ||||
| 5A | 326232 | 49.64 | 59.56 | |
| Rondelle | ||||
| 6 | 318458 | 1.65 | 1.98 | |
| Bague | ||||
| 7 | 321117 | 1.35 | 1.62 | |
| Joint V Ring | ||||
| 8 | 318459 | 1.65 | 1.98 | |
| Joint Cr13vc | ||||
| 9 | 321118 | 1.65 | 1.98 | |
| Metal Cr13vc | ||||
| 10 | 321214 | 4.80 | 5.76 | |
| Bague Cr 13vc | ||||
| 11 | 321136 | 1.65 | 1.98 | |
| ÉPINGLE D6 (ANCIEN 318491) | ||||
| 12A | 326585 | 3.15 | 3.78 | |
| Clip | ||||
| 13 | 321126 | 5.71 | 6.86 | |
| Vis spéciale M4 ensemble Includ.2,11 | ||||
| 14A | 322708 | 3.30 | 3.96 | |
| Capuchon pour Cr13vc | ||||
| 15 | 321130 | 1.35 | 1.62 | |
| Levier Cr13vc | ||||
| 16 | 321131 | 9.69 | 11.62 | |
| Ressort | ||||
| 17 | 321135 | 2.55 | 3.06 | |
| Porte Ressort Cr13vc | ||||
| 18 | 321134 | 12.45 | 14.94 | |
| Ressort | ||||
| 19 | 318483 | 1.20 | 1.44 | |
| Boulon Nylock (avec bride) M6x35 | ||||
| 20 | 318451 | 1.65 | 1.98 | |
| Rondelle | ||||
| 21 | 318452 | 1.20 | 1.44 | |
| Vis Ø5*12 | ||||
| 22A | 322142 | 1.65 | 1.98 | |
| Roulement A Billes | ||||
| 23 | 6002DD | 7.05 | 8.46 | |
| Vis à tête ranurée (Seal Lock) M4x10 | ||||
| 24 | 314430 | 1.05 | 1.26 | |
| Arbre | ||||
| 25A | 322119 | 2.10 | 2.52 | |
| Bague | ||||
| 26 | 967261 | 1.05 | 1.26 | |
| Plaque réciproque | ||||
| 27A | 329898 | 24.20 | 29.04 | |
| Roulement à billes 6003 Vv | ||||
| 28 | 6003VV | 7.65 | 9.18 | |
| Clips D35 (x10) paquet de 10 | ||||
| 29 | 939556 | 10.20 | 12.24 | |
| Deuxième Arbre (b) Cr13vc | ||||
| 30 | 321128 | 22.31 | 26.78 | |
| Pignon | ||||
| 31A | 318473 | 14.03 | 16.83 | |
| Roulement A Billes | ||||
| 32 | 608VVM | 5.70 | 6.84 | |
| Couverture intérieure | ||||
| 33 | 321124 | 18.98 | 22.77 | |
| Roulement A Billes | ||||
| 34 | 6001VV | 6.60 | 7.92 | |
| ASSEMBLAGE D'INDUIT 120 VOLTS | ||||
| 35A | 360616U | 78.79 | 94.54 | |
| Induit 230v | ||||
| 35A | 360616E | 45.30 | 54.36 | |
| ANKER 110-115 VOLT | ||||
| 35A | 360616C | 42.35 | 50.82 | |
| Baffle | ||||
| 36 | 321122 | 2.55 | 3.06 | |
| Vis Ø5*60 | ||||
| 37 | 961501 | 1.04 | 1.24 | |
| Vis D5*55 | ||||
| 37A | 953174 | 1.04 | 1.24 | |
| VELD 110-115 VOLT | ||||
| 38A | 340563H | 32.40 | 38.88 | |
| Stator 220v-230v H-90sa Includ.103 Pour Nzl,saf | ||||
| 38A | 340563J | 31.55 | 37.86 | |
| Roulement A Billes | ||||
| 39 | 608VVM | 5.70 | 6.84 | |
| Carcasse | ||||
| 40A | 322120 | 9.60 | 11.52 | |
| Bouchon Charbon | ||||
| 41 | 945161 | 1.20 | 1.44 | |
| Charbons (1 Paire) | ||||
| 42 | 999043 | 4.50 | 5.40 | |
| S/e Porte Balais | ||||
| 43 | 958900 | 6.45 | 7.74 | |
| Vis à tête hexagonale M5x60 avec rondelles (noir) | ||||
| 45 | 307224 | 1.05 | 1.26 | |
| Vis Ø 4*25 noir | ||||
| 47 | 307028 | 1.05 | 1.26 | |
| Poignee G Cr 13vc | ||||
| 48 | 321140 | 14.03 | 16.83 | |
| Manchon à cabler | ||||
| 49 | 981373 | 1.05 | 1.26 | |
| Gachette | ||||
| 50A | 322133 | 1.05 | 1.26 | |
| Commutateur | ||||
| 51 | 318505 | 61.33 | 73.59 | |
| SCHAKELAAR 110 VOLT | ||||
| 51 | 318817 | 57.26 | 68.71 | |
| Manchon à cabler | ||||
| 52 | 981373 | 1.05 | 1.26 | |
| Poignee D Cr 13vc | ||||
| 53 | 321139 | 14.03 | 16.83 | |
| Borne For Noise Suppressor | ||||
| 54 | 938108 | 1.20 | 1.44 | |
| Condensateur | ||||
| 55 | 994273 | 4.29 | 5.14 | |
| Pas d'informations disponibles, non commandable | ||||
| 56 | 984750 | |||
| Serre Cable | ||||
| 57 | 937631 | 1.04 | 1.24 | |
| Entree De Cable Ø 8.8 | ||||
| 58 | 380090 | 1.04 | 1.25 | |
| Entree De Cable Ø 10,1 | ||||
| 58 | 938051 | 1.04 | 1.24 | |
| SNOER 2.5M 2 X 1.0 H05VV-F W/PLUG 13A/250V (OLD 50 | ||||
| 59 | 500423Z | 12.87 | 15.44 | |
| Câble 2,5m 2 X 1.0 Sans Fiche | ||||
| 59 | 500237Z | 11.40 | 13.68 | |
| Cordon 2,5m 2 X 1.0 H05vv-f (ancien 500395z) | ||||
| 59 | 500447Z | 6.60 | 7.92 | |
| SNOER 10.7 (USE 714500=2X1 5M) | ||||
| 59 | 500247Z | 6.18 | 7.42 | |
| Commutateur | ||||
| 60 | 321960 | 32.18 | 38.61 | |
| Raccord | ||||
| 61 | 930703 | 2.40 | 2.88 | |
| Pas d'informations disponibles, non commandable | ||||
| 62 | 321120 | |||
| Pas d'informations disponibles, non commandable | ||||
| 501 | 944458 | |||
| Pas d'informations disponibles, non commandable | ||||
| 502 | 318613 | |||
| Pas d'informations disponibles, non commandable | ||||
| 503A | 327054 | |||
| Pas d'informations disponibles, non commandable | ||||
| 602 | 958182 | |||
| Pas d'informations disponibles, non commandable | ||||
| 603 | 958183 | |||
| Pas d'informations disponibles, non commandable | ||||
| 604 | 959611 | |||
| Pas d'informations disponibles, non commandable | ||||
| 605 | 958185 | |||
| Pas d'informations disponibles, non commandable | ||||
| 606 | 958188 | |||
| Pas d'informations disponibles, non commandable | ||||
| 607 | 318611 | |||
| Pas d'informations disponibles, non commandable | ||||
| 608 | 318612 | |||
| Pas d'informations disponibles, non commandable | ||||
| 609 | 318614 | |||
| Pas d'informations disponibles, non commandable | ||||
| 610 | 324818 | |||
| Pas d'informations disponibles, non commandable | ||||
| 611 | 324819 | |||
| Pas d'informations disponibles, non commandable | ||||
| 612 | 318617 | |||
| Pas d'informations disponibles, non commandable | ||||
| 613 | 318618 | |||
| Pas d'informations disponibles, non commandable | ||||
| 614 | 318619 | |||
| Pas d'informations disponibles, non commandable | ||||
| 615 | 318620 | |||
| Pas d'informations disponibles, non commandable | ||||
| 616 | 318621 | |||